LEMON Manuals: Even more car manuals for everyone: 1960-2025
Home >> Honda >> 2003 >> Civic L4-1.7L CNG >> Repair and Diagnosis >> Diagrams >> Electrical Diagrams >> Powertrain Management >> System Diagram >> Control Module Circuit Diagrams >> ECM/PCM Circuit Diagrams
April 5, 2026: LEMON Manuals is launched! Read the announcement.

ECM/PCM Circuit Diagrams

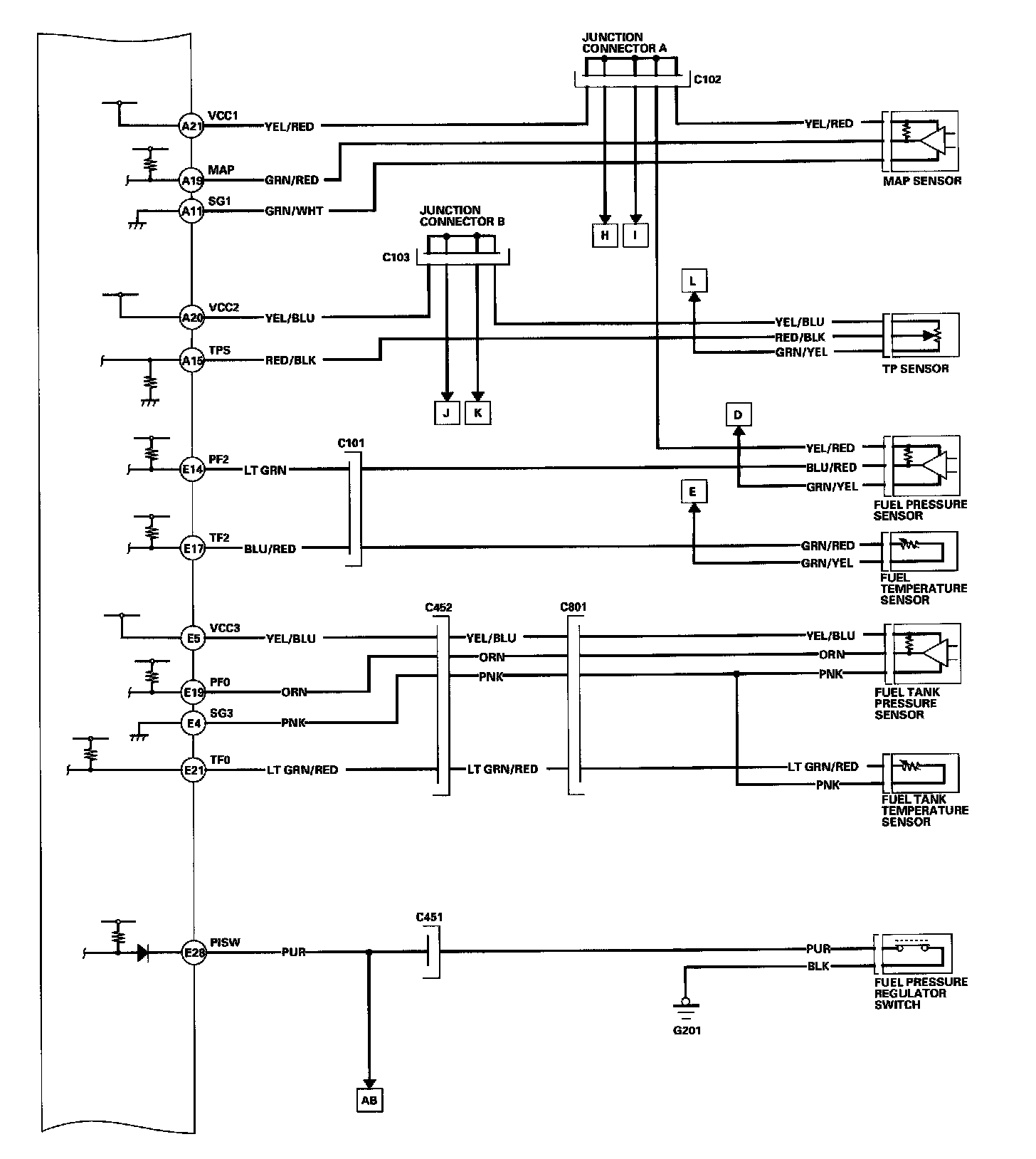
ECM/PCM Circuit Diagram 11-39:




ECM/PCM Circuit Diagram 11-40:




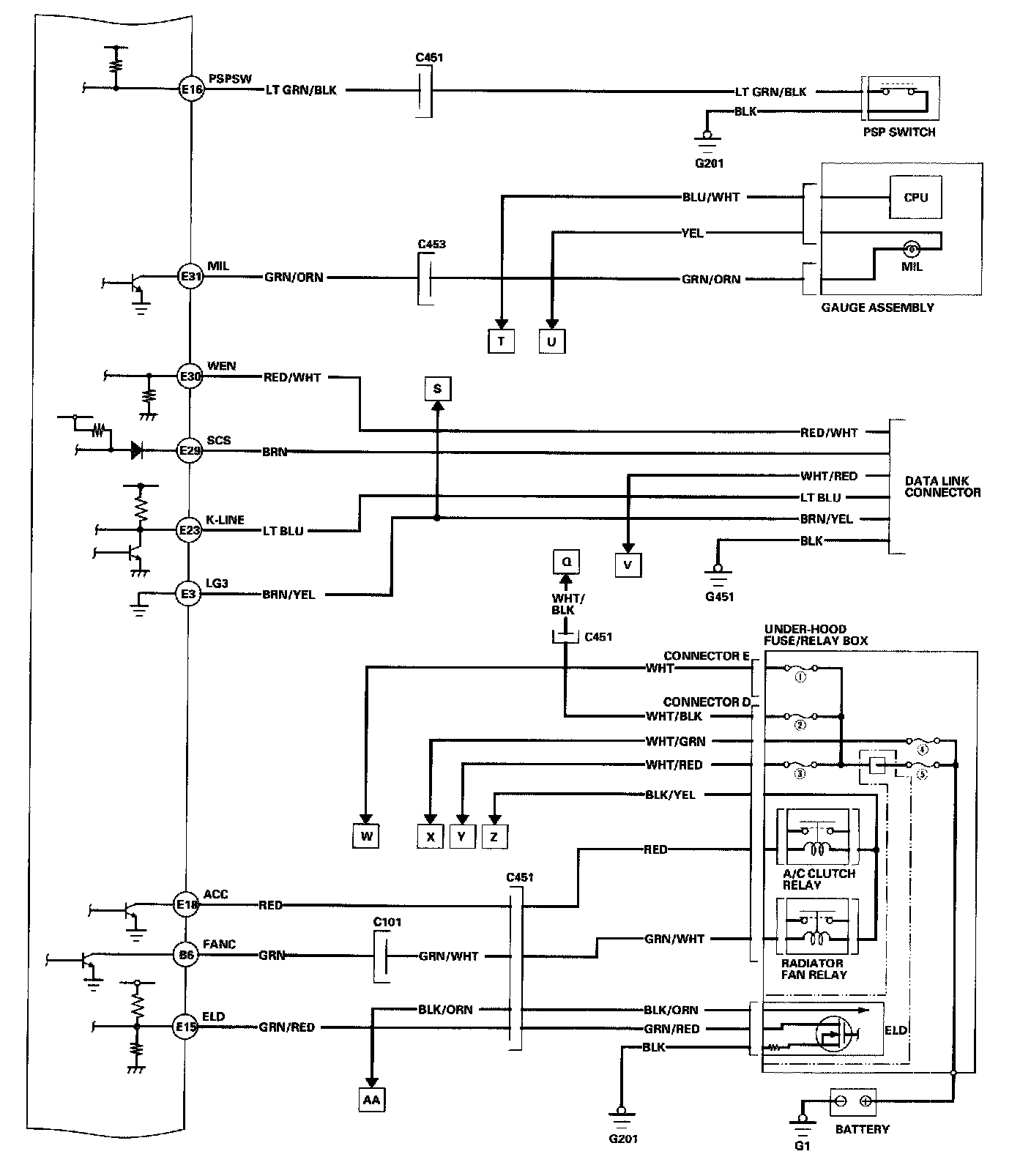
ECM/PCM Circuit Diagram 11-41:




ECM/PCM Circuit Diagram 11-42:




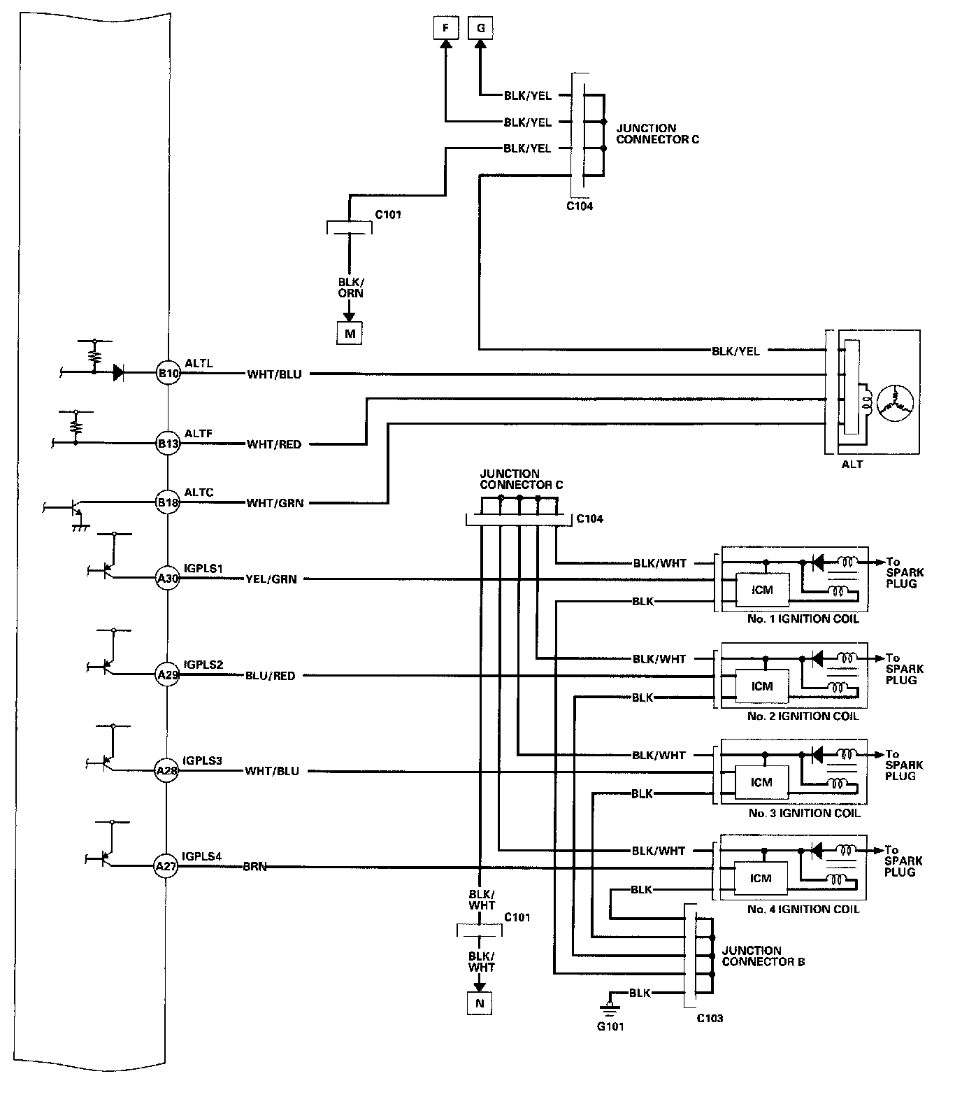
ECM/PCM Circuit Diagram 11-43:




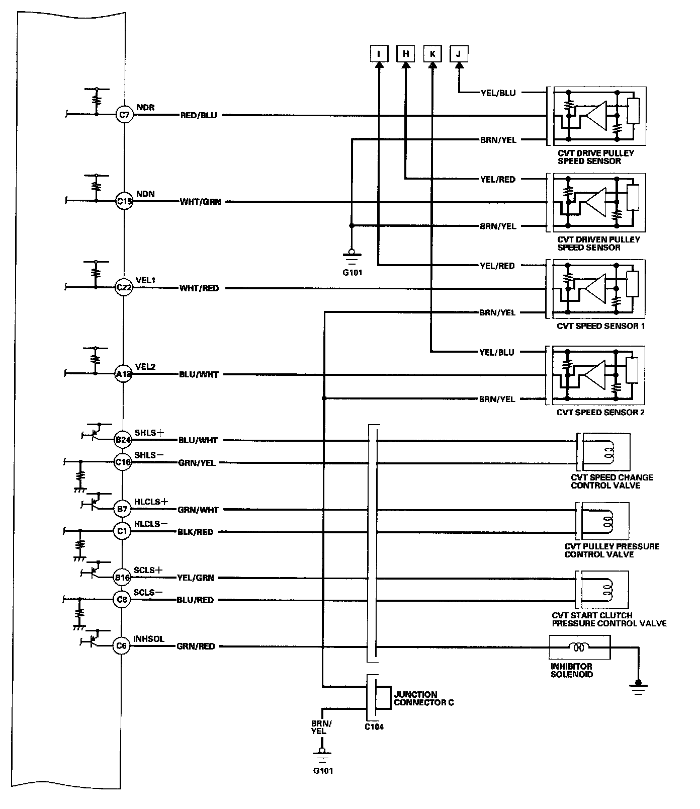
ECM/PCM Circuit Diagram 11-44:




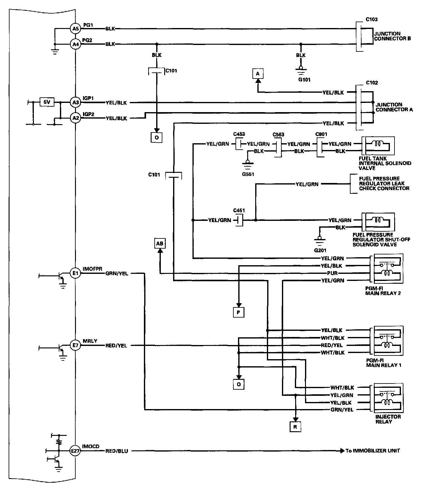
ECM/PCM Circuit Diagram 11-45:




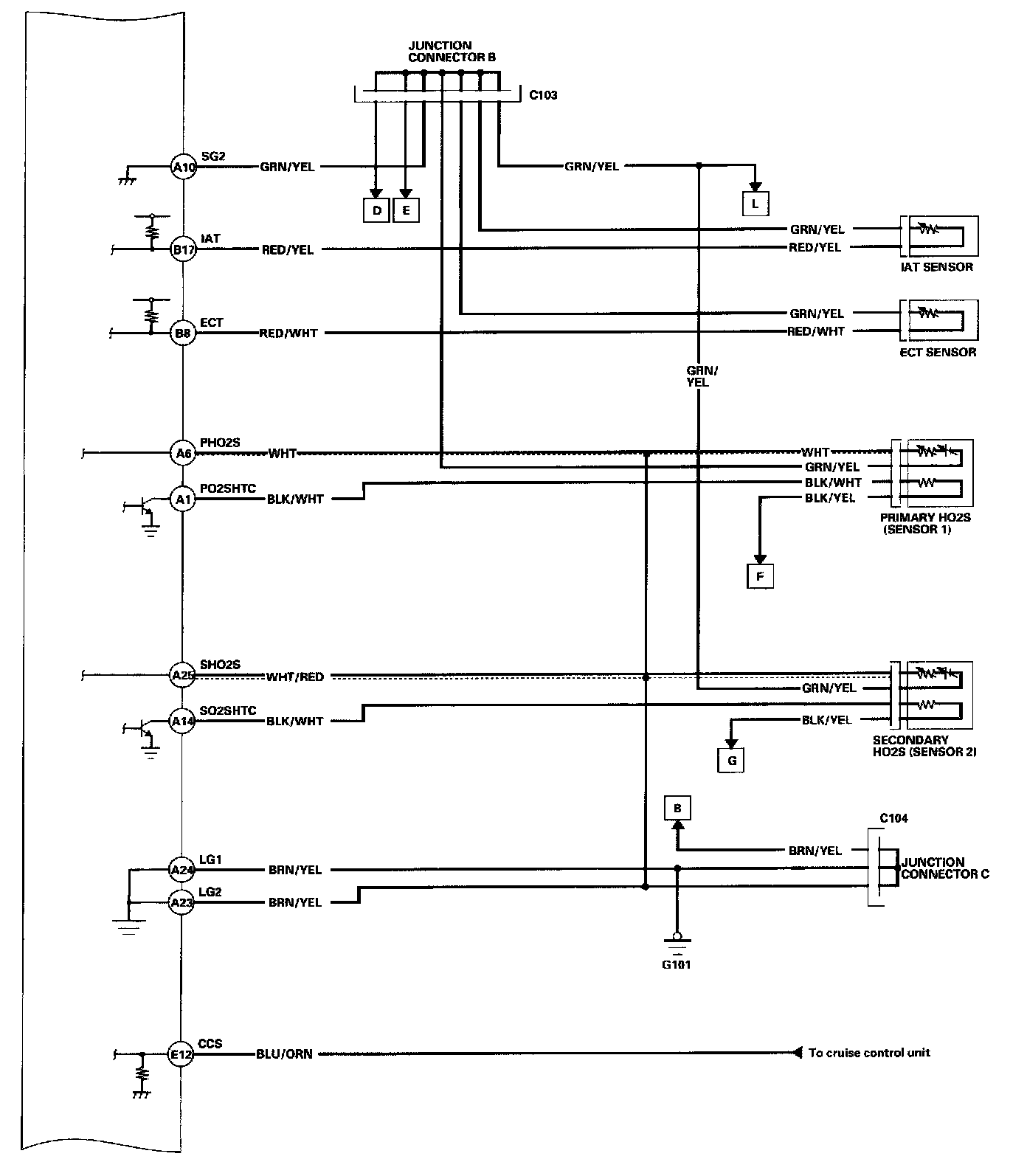
ECM/PCM Circuit Diagram 11-46:




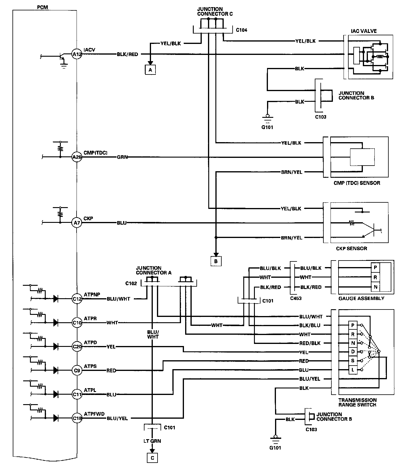
ECM/PC< Circuit Diagram 11-47: