LEMON Manuals: Even more car manuals for everyone: 1960-2025
Home >> Honda >> 2003 >> Pilot V6-3.5L >> Repair and Diagnosis >> Diagrams >> Electrical Diagrams >> Powertrain Management >> System Diagram >> Control Module Circuit Diagrams >> ECM/PCM Circuit Diagram
April 5, 2026: LEMON Manuals is launched! Read the announcement.

ECM/PCM Circuit Diagram

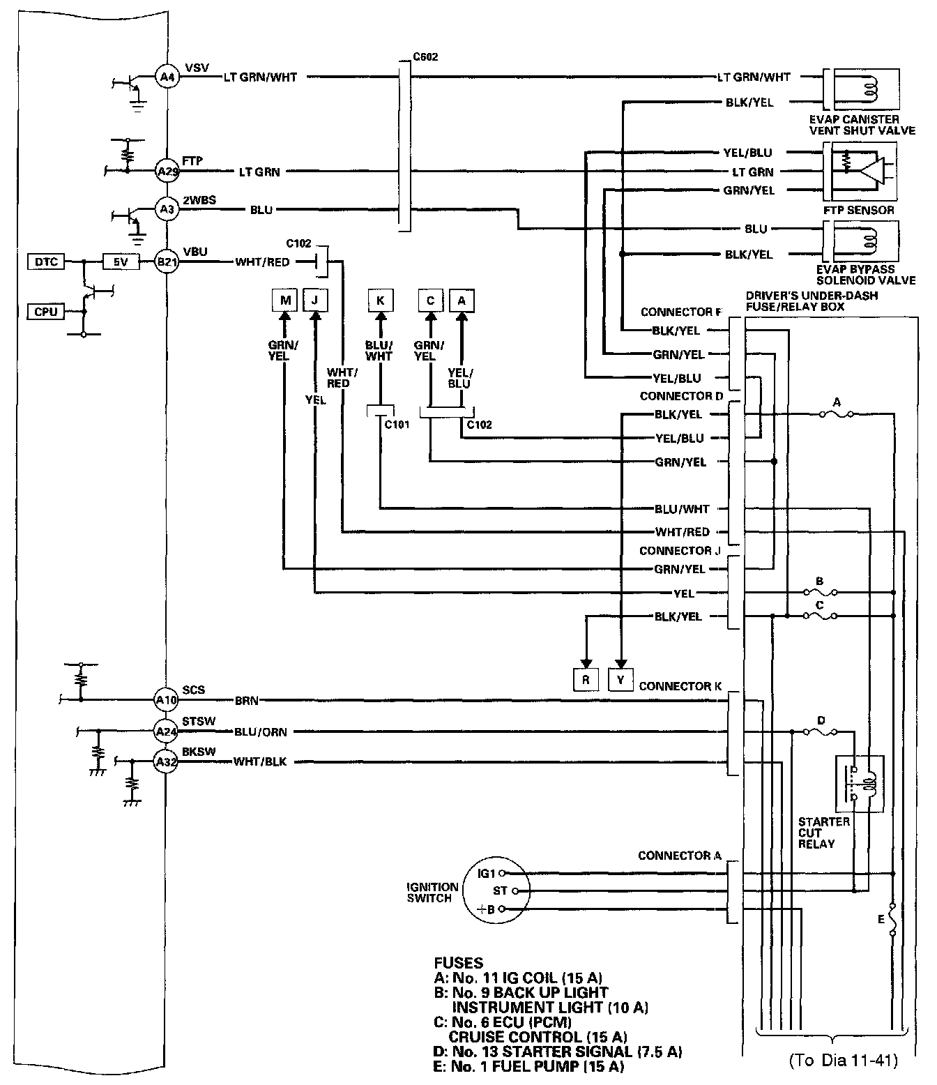
ECM/PCM Circuit Diagram 11-34:




ECM/PCM Circuit Diagram 11-35:




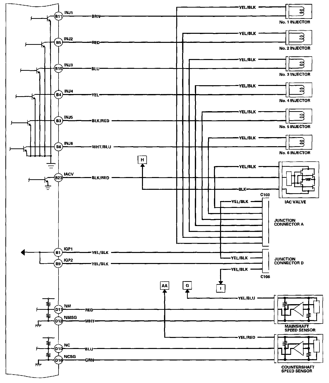
ECM/PCM Circuit Diagram 11-36:




ECM/PCM Circuit Diagram 11-37:




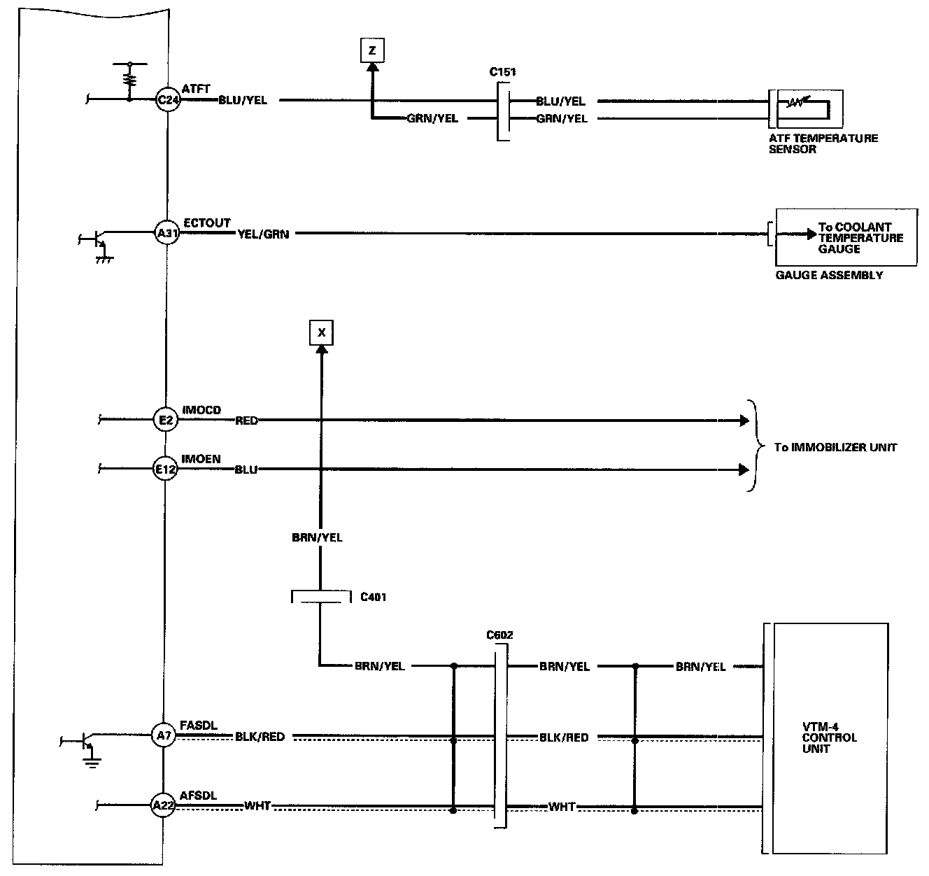
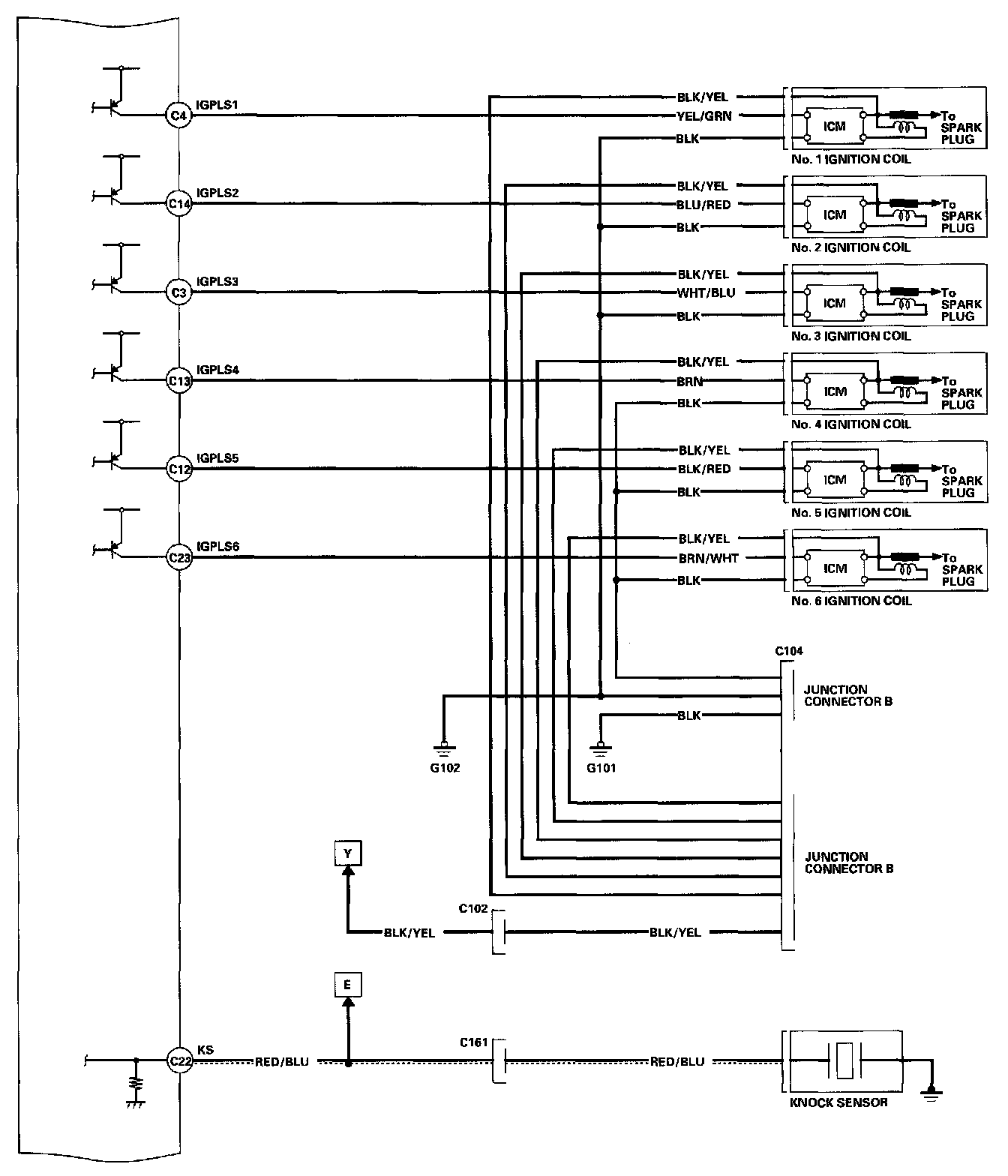
ECM/PCM Circuit Diagram 11-38:




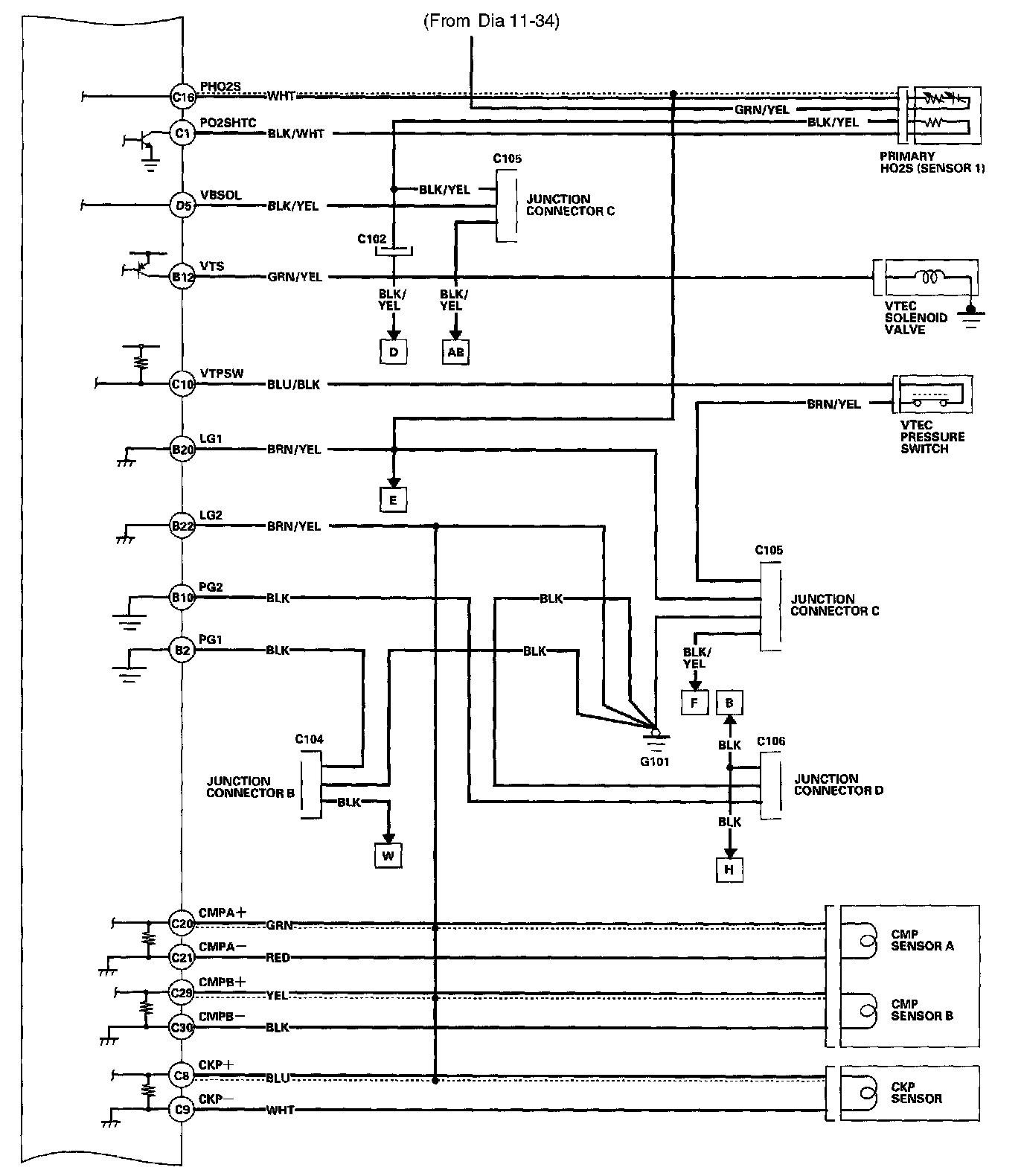
ECM/PCM Circuit Diagram 11-39:




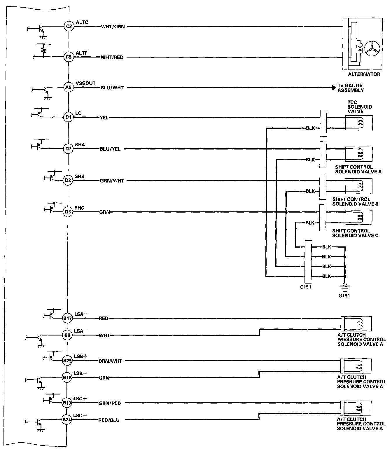
ECM/PCM Circuit Diagram 11-40:




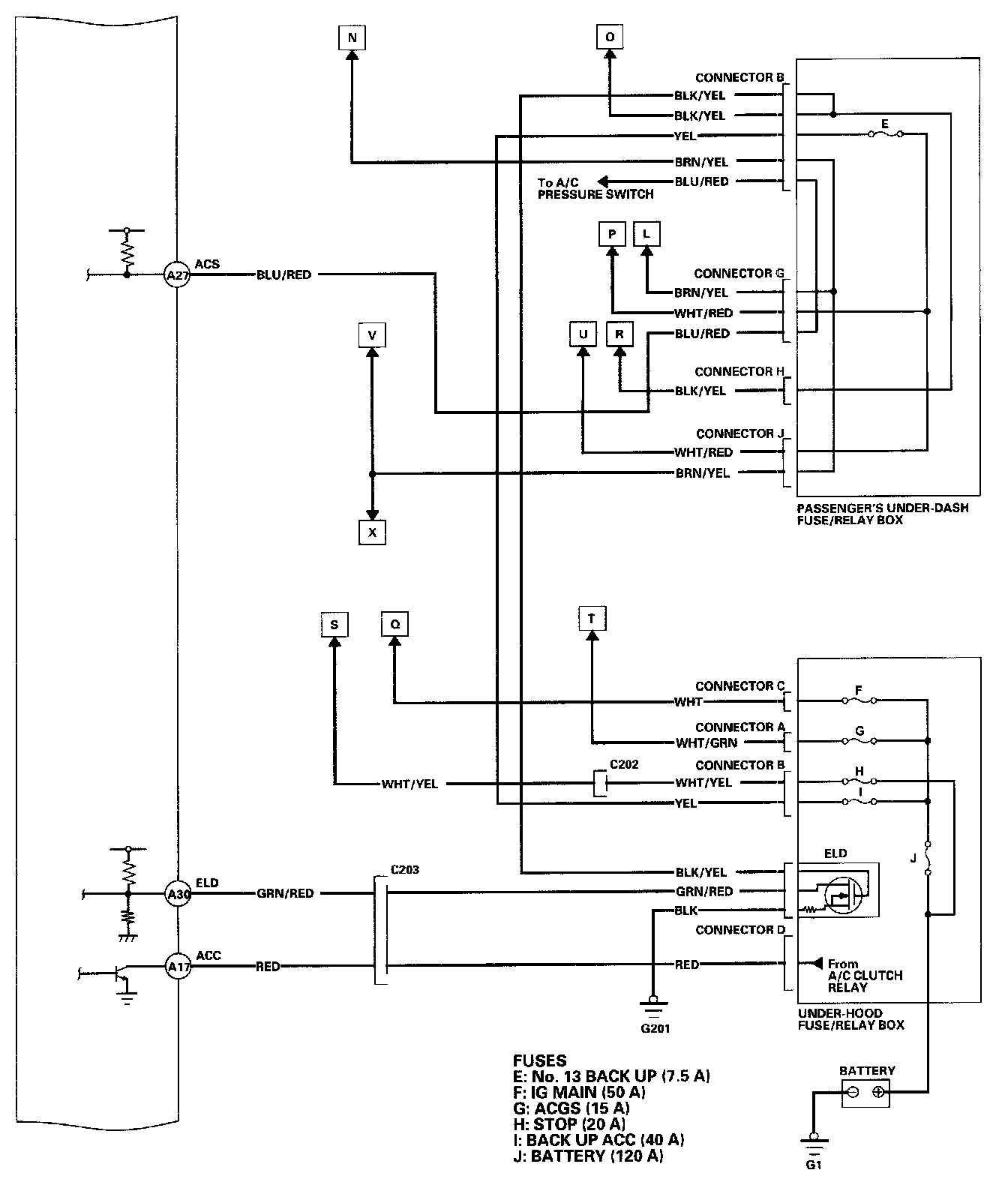
ECM/PCM Circuit Diagram 11-41:




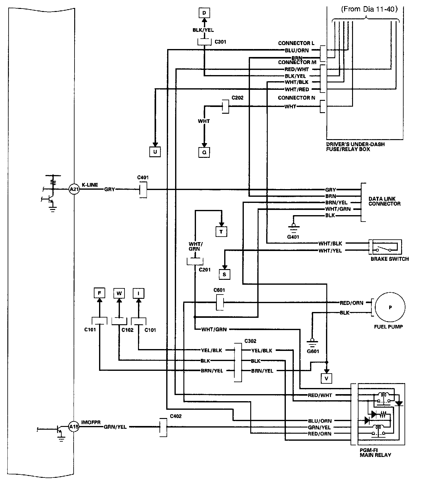
ECM/PCM Circuit Diagram 11-42:




ECM/PCM Circuit Diagram 11-43:




ECM/PCM Circuit Diagram 11-44: