LEMON Manuals: Even more car manuals for everyone: 1960-2025
Home >> Honda >> 2004 >> Accord L4-2.4L >> Repair and Diagnosis >> Body and Frame >> Frame >> Specifications
April 5, 2026: LEMON Manuals is launched! Read the announcement.

Frame: Specifications

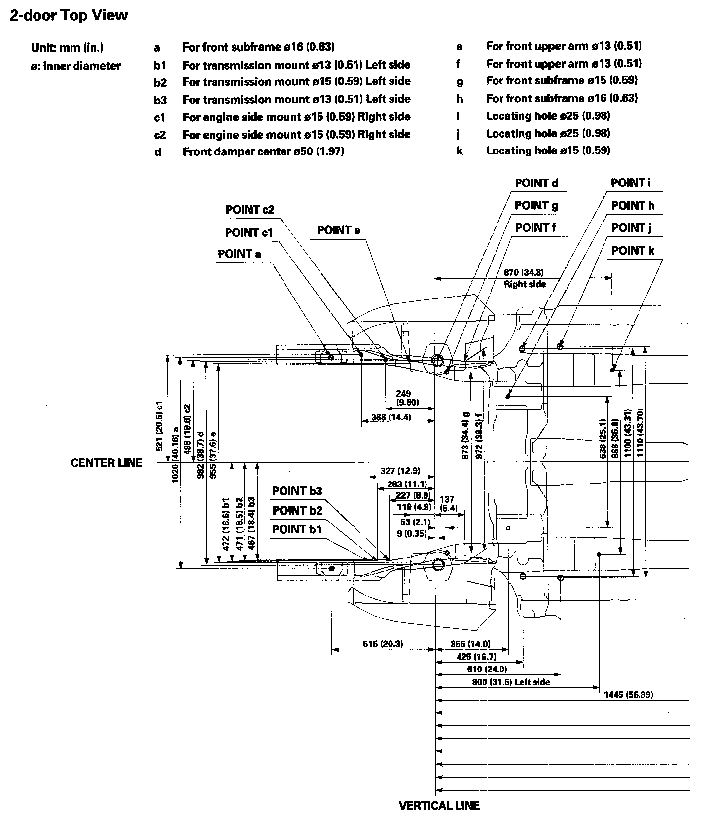
Frame Repair Chart - 2-door Top View Part 1 Of 2:



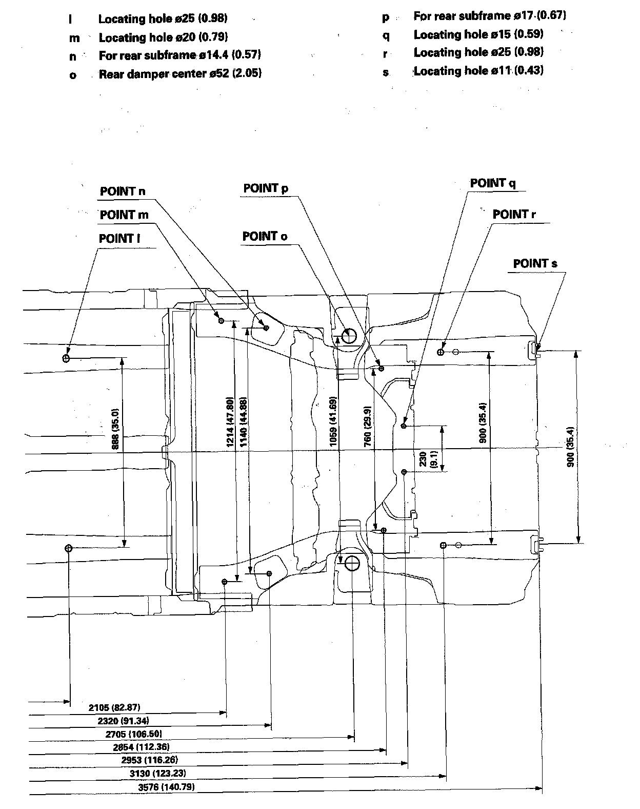
Frame Repair Chart - 2-door Top View Part 2 Of 2:



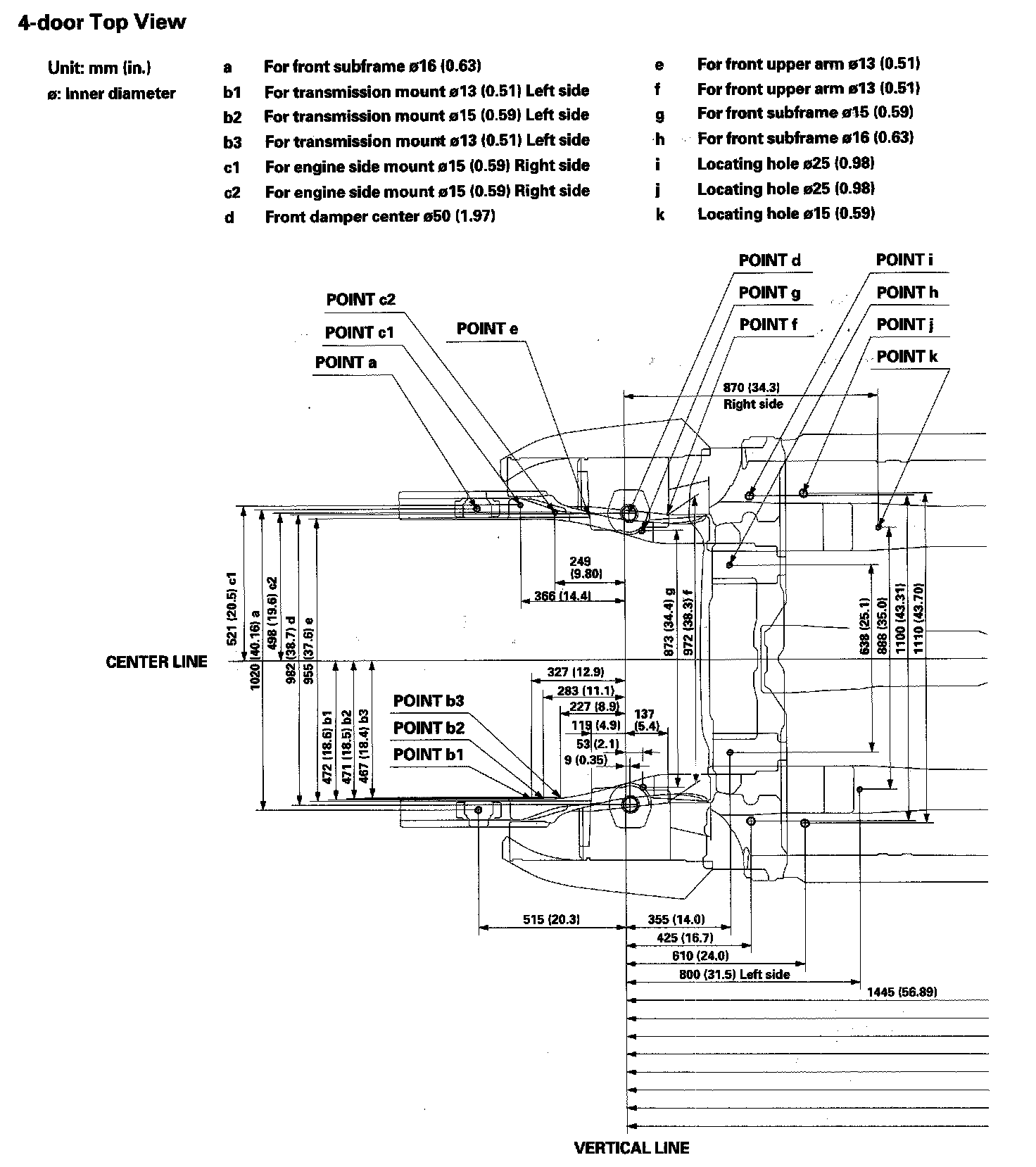
Frame Repair Chart - 4-door Top View Part 1 Of 2:



Frame Repair Chart - 4-door Top View Part 2 Of 2:



Frame Repair Chart - Side View Part 1 Of 2:



Frame Repair Chart - Side View Part 2 Of 2: