LEMON Manuals: Even more car manuals for everyone: 1960-2025
Home >> Honda >> 2004 >> Accord L4-2.4L >> Repair and Diagnosis >> Diagrams >> Electrical Diagrams >> Powertrain Management >> System Diagram >> Control Module Circuit Diagrams >> ECM/PCM Electrical Connections
April 5, 2026: LEMON Manuals is launched! Read the announcement.

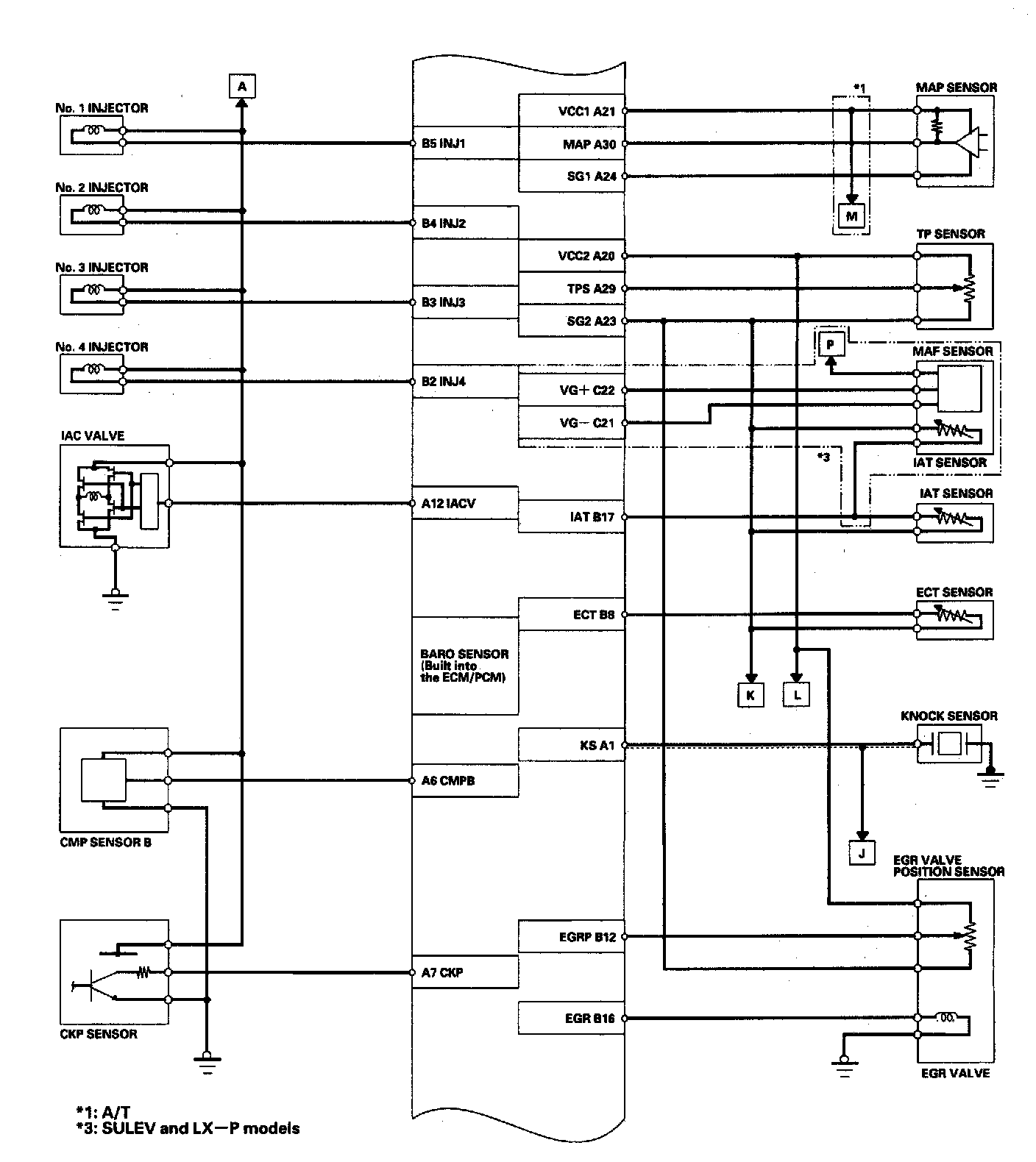
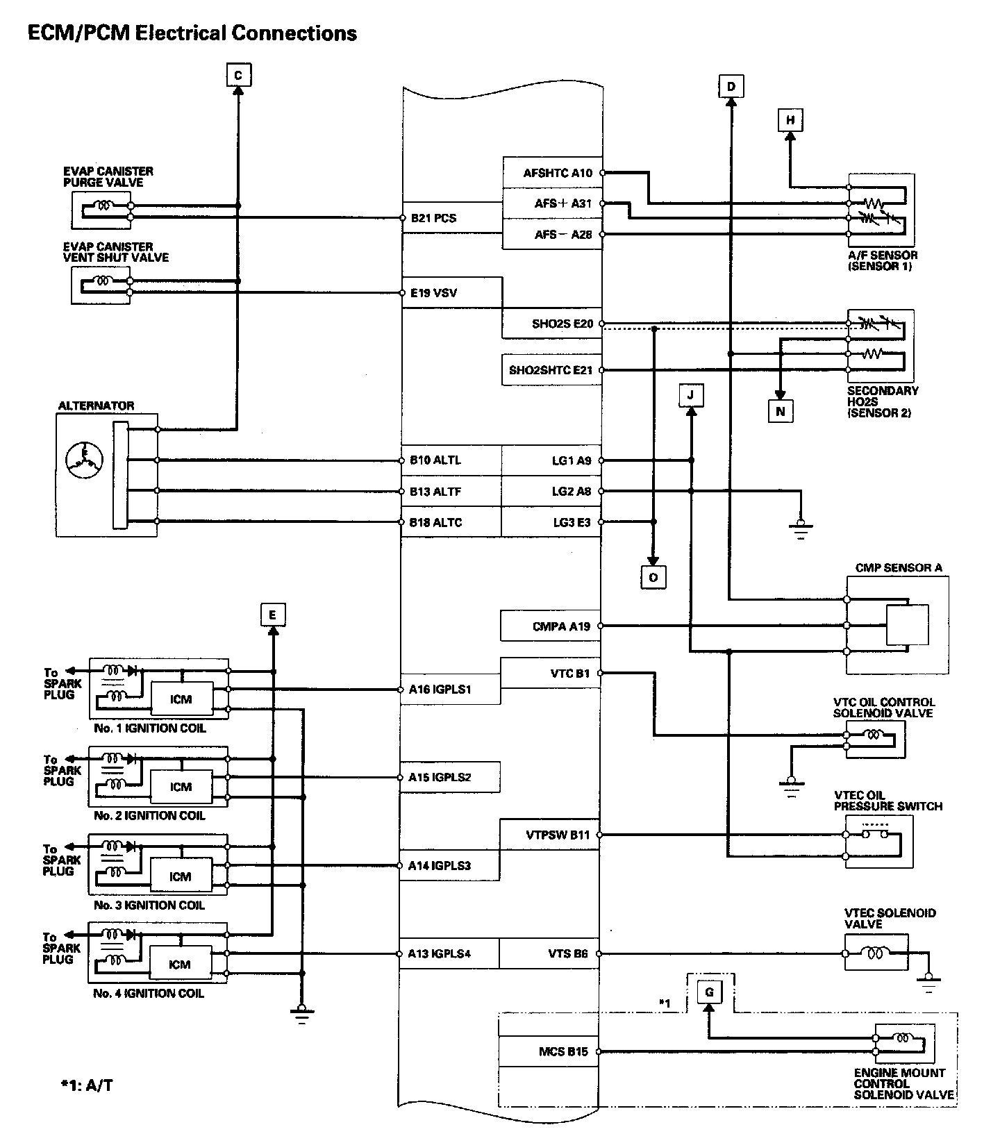
ECM/PCM Electrical Connections

ECM/PCM Electrical Connections Part 1:




ECM/PCM Electrical Connections Part 2:




ECM/PCM Electrical Connections Part 3:




ECM/PCM Electrical Connections Part 4:




ECM/PCM Electrical Connections Part 5: