LEMON Manuals: Even more car manuals for everyone: 1960-2025
Home >> Honda >> 2004 >> CR-V EX, Standard >> Repair and Diagnosis (Single Page) >> Engine Performance >> System >> Fuel & Emission Systems >> System Descriptions >> ECM/PCM Data >> ECM/PCM Electrical Connections
April 5, 2026: LEMON Manuals is launched! Read the announcement.

ECM/PCM Electrical Connections

Fig 1: ECM/PCM Electrical Connections Wiring Diagram (1 of 5)
G01475366Courtesy of AMERICAN HONDA MOTOR CO., INC.
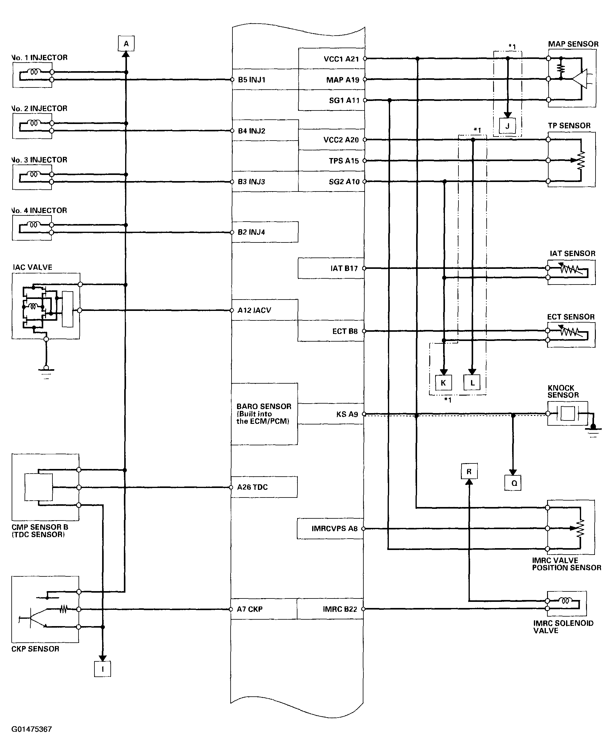
Fig 2: ECM/PCM Electrical Connections Wiring Diagram (2 of 5)
G01475367Courtesy of AMERICAN HONDA MOTOR CO., INC.
Fig 3: ECM/PCM Electrical Connections Wiring Diagram (3 of 5)
G01475368Courtesy of AMERICAN HONDA MOTOR CO., INC.
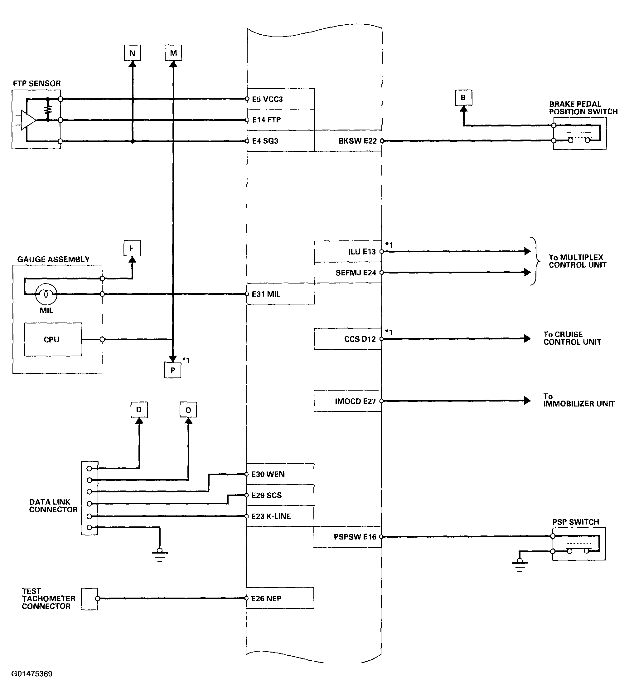
Fig 4: ECM/PCM Electrical Connections Wiring Diagram (4 of 5)
G01475369Courtesy of AMERICAN HONDA MOTOR CO., INC.
Fig 5: ECM/PCM Electrical Connections Wiring Diagram (5 of 5)
G01475370Courtesy of AMERICAN HONDA MOTOR CO., INC.