LEMON Manuals: Even more car manuals for everyone: 1960-2025
Home >> Honda >> 2004 >> Civic GX >> Repair and Diagnosis (Single Page) >> Engine Performance >> System >> Fuel System & Emissions System (GX) (Supplement) >> System Description >> Electronic Control System >> PCM Data
April 5, 2026: LEMON Manuals is launched! Read the announcement.

PCM Data

You can retrieve data from the PCM by connecting the HDS or a scan tool to the data link connector (DLC). The items listed in the table below conform to SAE recommended practice. The HDS also reads data beyond that recommended by SAE to help you find the causes of intermittent problems.

NOTE:
  • The "operating values" listed are approximate and may vary depending on the environment and the individual vehicle.
  • Unless noted otherwise, "at idle speed" means idling with the engine completely warmed up, transmission in Park or neutral, and the A/C and all accessories turned off.
PCM DATA REFERENCE

Data Description Operating Value Freeze Data
Diagnostic Trouble Code (DTC) If the PCM detects a problem, it will store it as a code consisting of one letter and four numbers. Depending on the problem, an SAE-defined code (P0xxx) or a Honda-defined code (P1xxx) will be output to the HDS or a scan tool. If no problem is detected, there is no output. YES
Engine Speed The PCM computes engine speed from the signals sent from the crankshaft position (CKP) sensor. This data is used for determining the time and amount of injected fuel. Nearly the same as tachometer indication. At idle speed: 700+/-50 rpm YES
Vehicle Speed The PCM converts pulse signals from the vehicle speed sensor (VSS). Nearly the same as speedometer indication. YES
Manifold Absolute Pressure (MAP) The absolute pressure caused in the intake manifold by engine load and speed. With engine stopped: Nearly the same as atmospheric pressure.
At idle speed: about 25-41 kPa (7.28-12.2 in.Hg, 185-310 mmHg), 0.8-1.3 V.
YES
Engine Coolant Temperature (ECT) The ECT sensor converts coolant temperature into voltage, and sends voltage signals to the PCM. The sensor is a thermistor with internal resistance that changes with coolant temperature. The PCM uses the voltage signals from the ECT sensor to determine the amount of injected fuel. With cold engine: Same as ambient temperature and IAT. With engine warmed up:
about 176-212 °F (80-100 °C), 0.5-0.8 V.
YES
Primary Heated Oxygen Sensor (Primary HO2S) (Sensor 1), Secondary Heated Oxygen Sensor (Secondary HO2S) (Sensor 2) The HO2S detects the oxygen content in the exhaust gas and sends voltage signals to the PCM. Based on these signals, the PCM controls the air fuel ratio. When the oxygen content is high (the ratio is leaner than stoichiometric ratio), the voltage signal is lower. When the oxygen content is low (the ratio is richer than stoichiometric ratio), the voltage signal is higher. 0.0-1.25 V
At idle speed:
about 0.1-0.9 V.
NO
Fuel System Status Fuel system status is indicated as "open" or "closed".
Closed: Based on the HO2S output, the PCM determines the air/fuel ratio and controls the amount of injected fuel.
Open: Ignoring HO2S output, the PCM refers to signals from the throttle position (TP), manifold absolute pressure (MAP), intake air temperature (IAT), barometric pressure (BARO), and engine coolant temperature (ECT) sensors to control the amount of injected fuel.
At idle speed: closed YES
Short Term Fuel Trim The air/fuel ratio correction coefficient for correcting the amount of injected fuel when the fuel system status is "closed." When the ratio is leaner than the stoichiometric ratio, the PCM increases short term fuel trim gradually, and the amount of injected fuel increases. The air/fuel ratio gradually gets richer, causing a lower oxygen content in the exhaust gas. Consequently, the short term fuel trim is lowered, and the PCM reduces the amount of injected fuel.
This cycle keeps the air/fuel ratio close to the stoichiometric ratio when in closed loop status.
0.6-1.5 YES
Long Term Fuel Trim Long term fuel trim is computed from short term fuel trim and indicates changes occurring in the fuel supply system over a long period.
If long term fuel trim is higher than 1.00, the amount of injected fuel must be increased. If it is lower than 1.00, the amount of injected fuel must be reduced.
0.7-1.4 YES
Intake Air Temperature (IAT) The IAT sensor converts intake air temperature into voltage and signals the PCM. When intake air temperature is low, the internal resistance of the sensor increases, and the voltage signal is higher. With cold engine: Same as ambient temperature and ECT YES
Throttle Position Based on the accelerator pedal position, the opening angle of the throttle valve is indicated. At idle speed: about 10% YES
Ignition Timing Ignition timing is the ignition advance angle set by the PCM. The PCM matches ignition timing to driving conditions. At idle speed: 8 °+/-2 ° BTDC when the SCS service signal line is jumped with the HDS NO
Calculated Load Value (CLV) CLV is the engine load calculated from the MAP data. At idle speed: 16-36%
At 2,500 rpm without load:
12-32%
YES
Fuel Pressure Fuel pressure signal is used to correct the fuel injection period by fuel injector pressure. At idle speed: 177-269 kPa (1.8-2.7 kgf/cm2 , 26-38 psi) YES

PCM Electrical Connections 

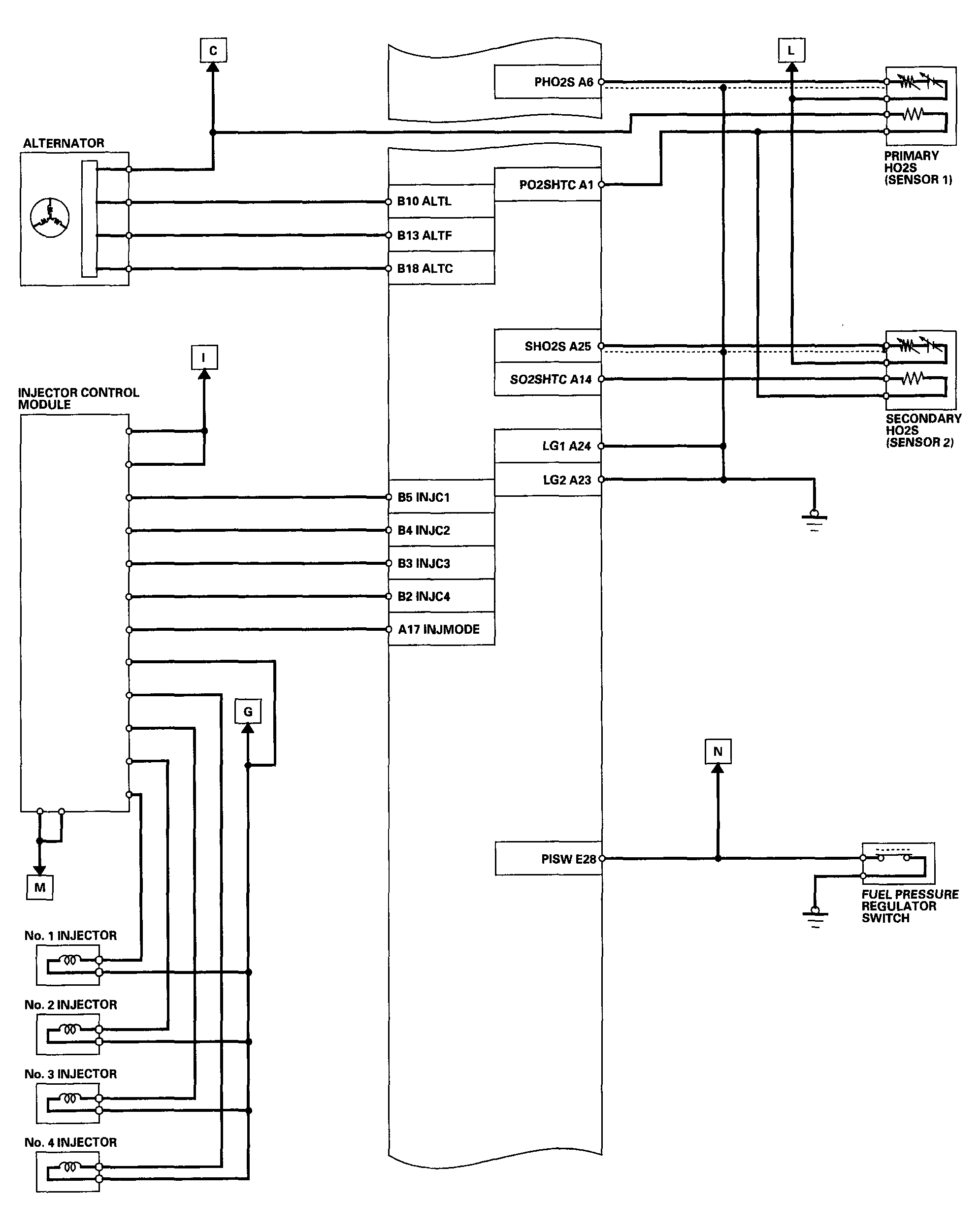
Fig 1: PCM Electrical Schematic (1 Of 5)
G04535984Courtesy of AMERICAN HONDA MOTOR CO., INC.
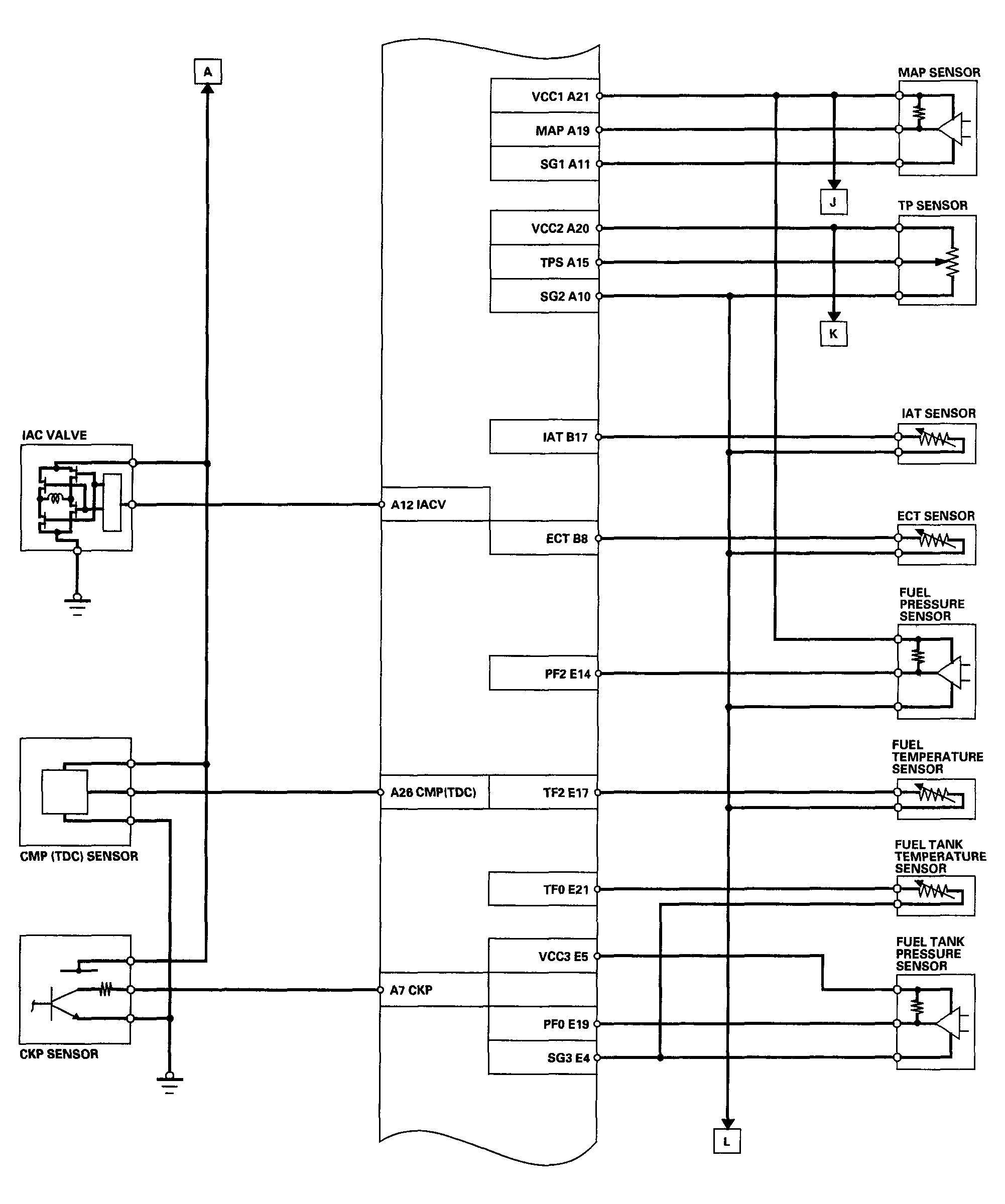
Fig 2: PCM Electrical Schematic (2 Of 5)
G04535985Courtesy of AMERICAN HONDA MOTOR CO., INC.
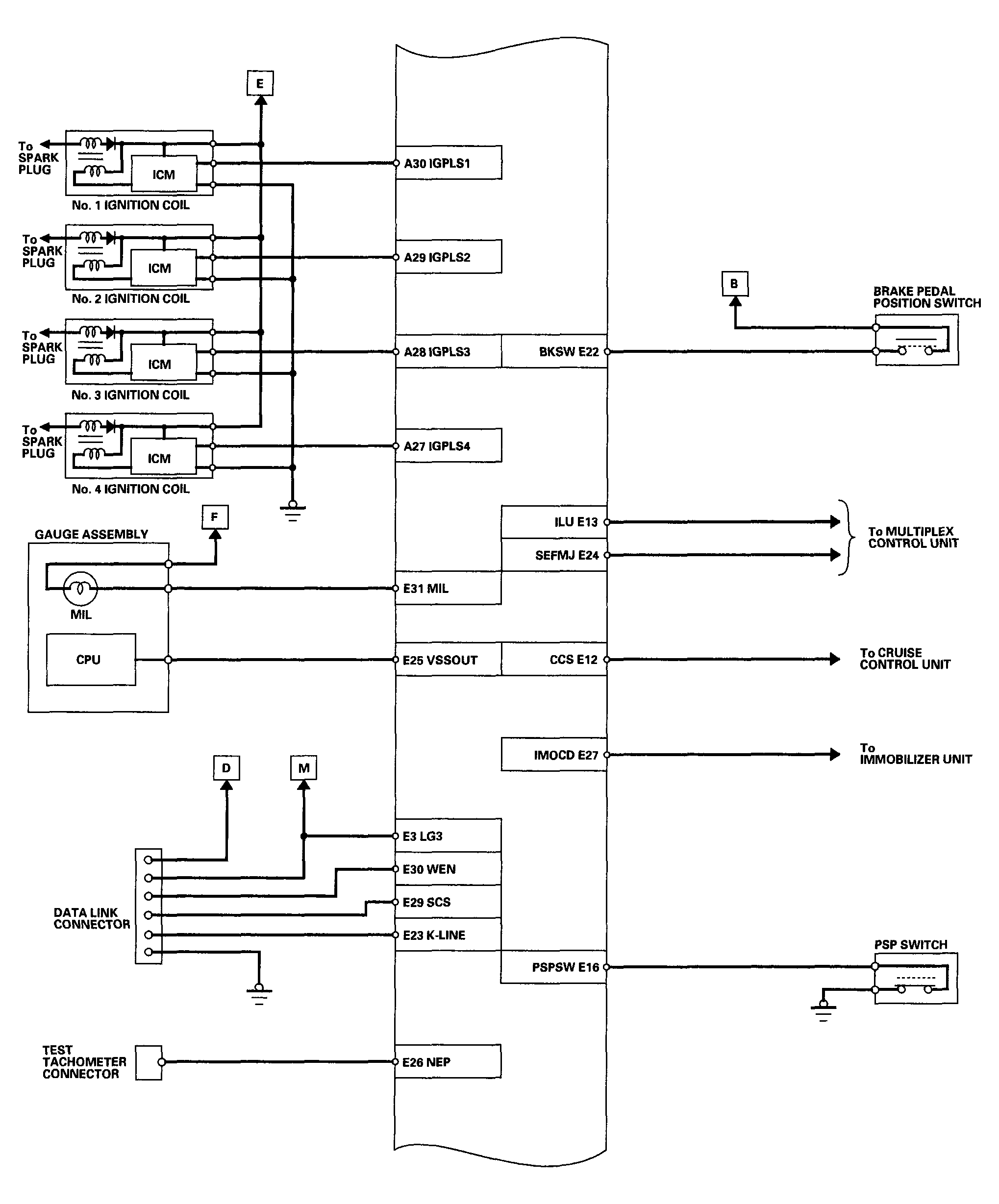
Fig 3: PCM Electrical Schematic (3 Of 5)
G04535986Courtesy of AMERICAN HONDA MOTOR CO., INC.
Fig 4: PCM Electrical Schematic (4 Of 5)
G04535987Courtesy of AMERICAN HONDA MOTOR CO., INC.
Fig 5: PCM Electrical Schematic (5 Of 5)
G04535988Courtesy of AMERICAN HONDA MOTOR CO., INC.