LEMON Manuals: Even more car manuals for everyone: 1960-2025
Home >> Honda >> 2004 >> Civic L4-1.7L CNG >> Repair and Diagnosis >> Diagrams >> Exploded Views >> Radiator
April 5, 2026: LEMON Manuals is launched! Read the announcement.

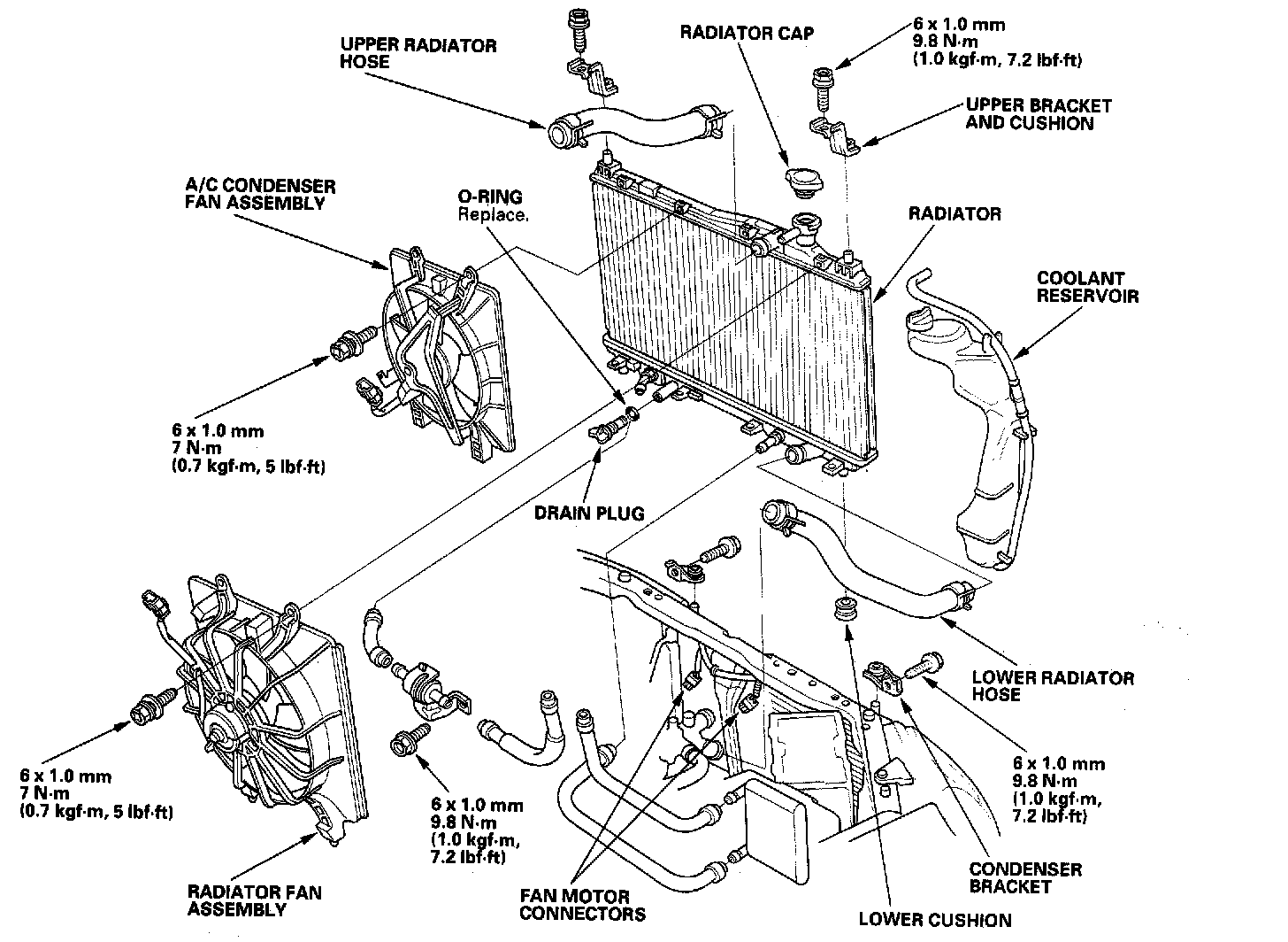
Radiator