LEMON Manuals: Even more car manuals for everyone: 1960-2025
Home >> Honda >> 2004 >> Civic L4-1.7L SOHC >> Repair and Diagnosis >> Diagrams >> Electrical Diagrams >> Powertrain Management >> System Diagram >> Control Module Circuit Diagrams >> ECM/PCM Circuit Diagrams
April 5, 2026: LEMON Manuals is launched! Read the announcement.

ECM/PCM Circuit Diagrams

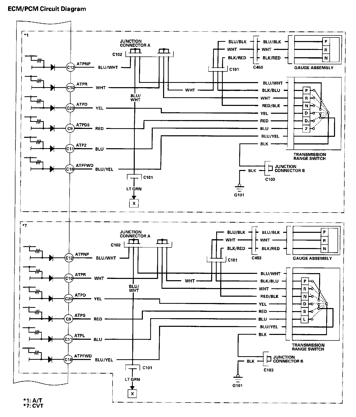
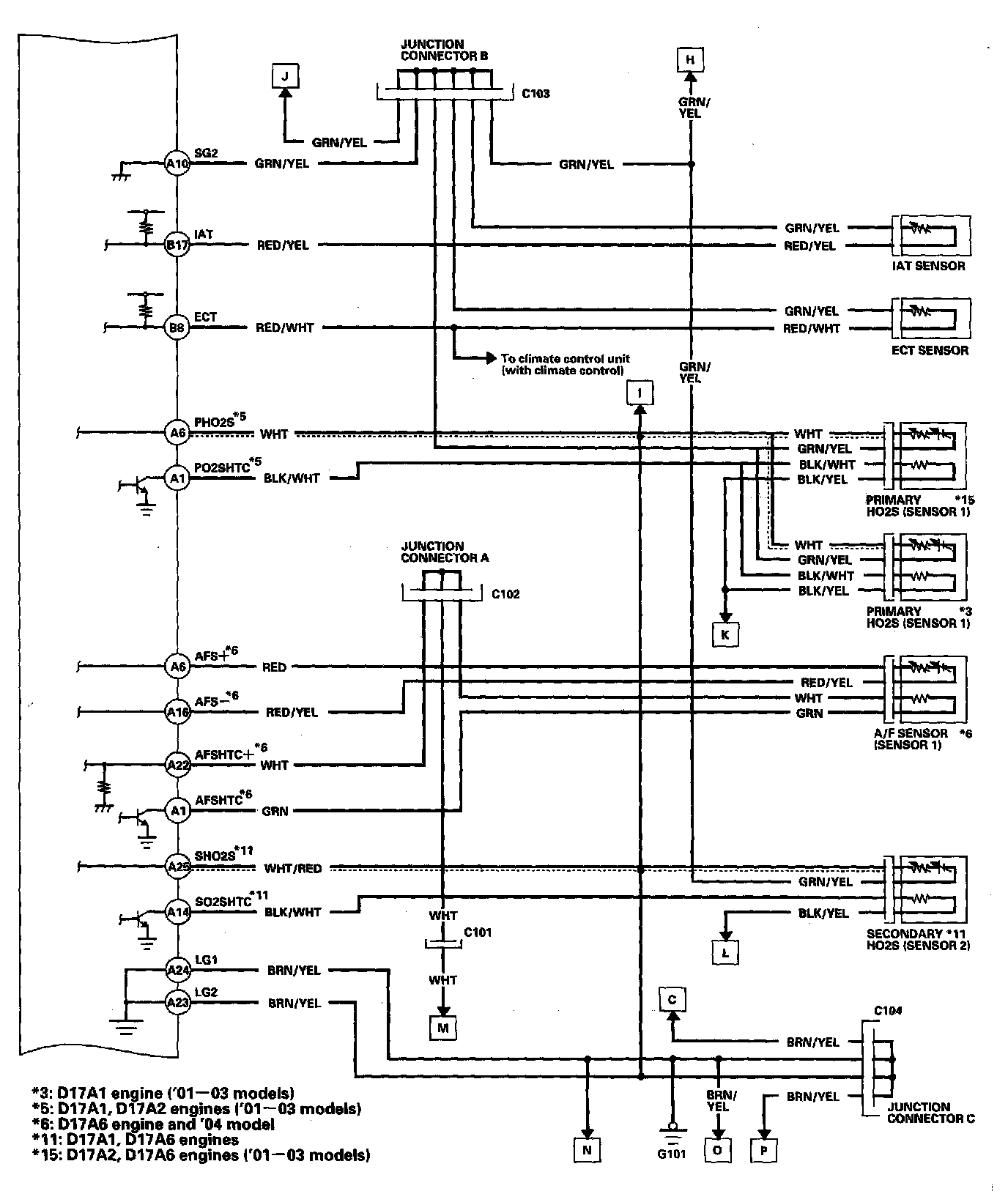
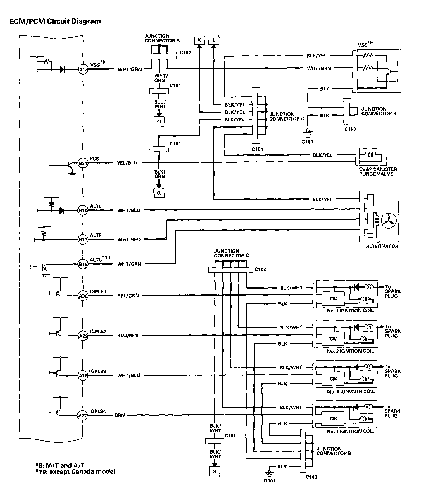
ECM/PCM Circuit Diagram 11-43:




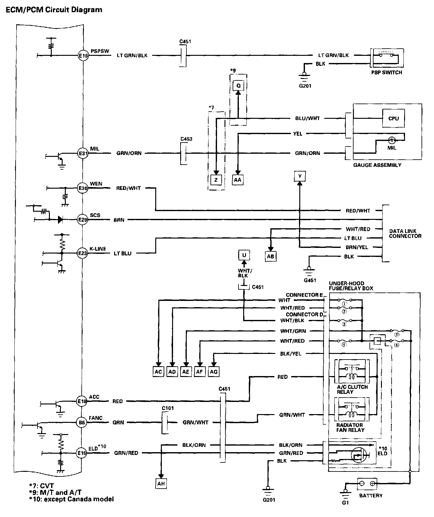
ECM/PCM Circuit Diagram 11-44:




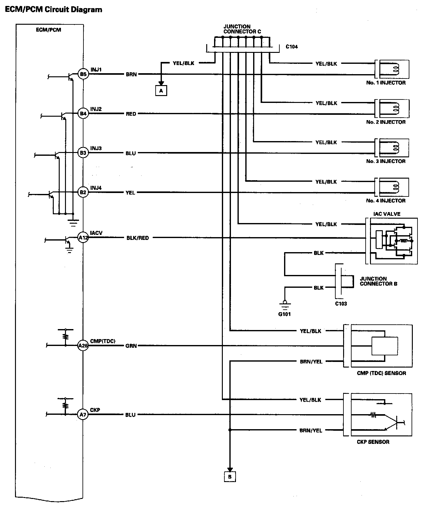
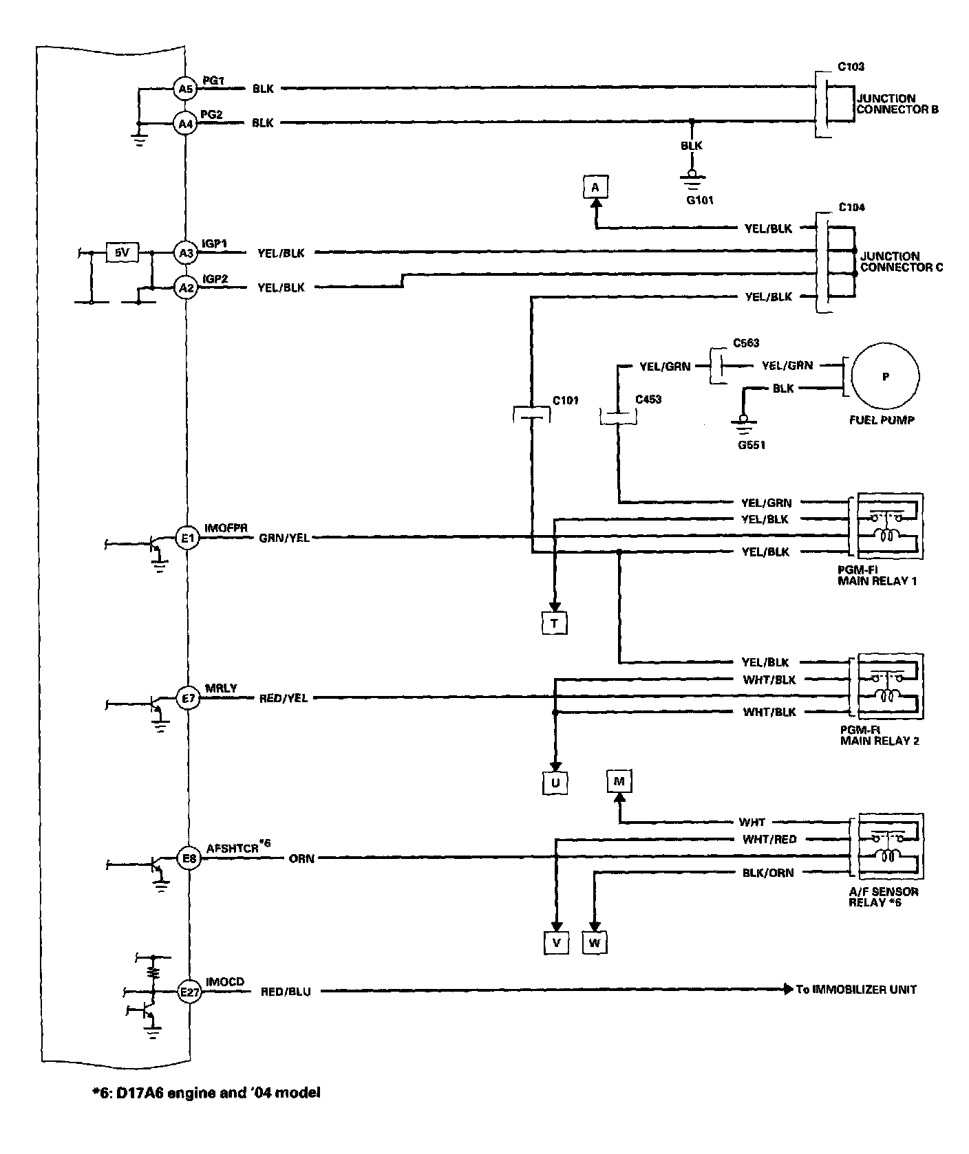
ECM/PCM Circuit Diagram 11-45:




ECM/PCM Circuit Diagram 11-46:




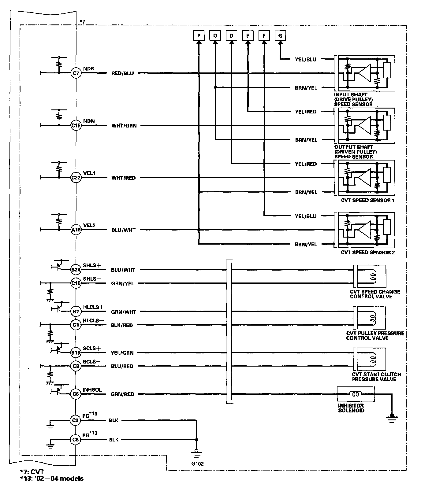
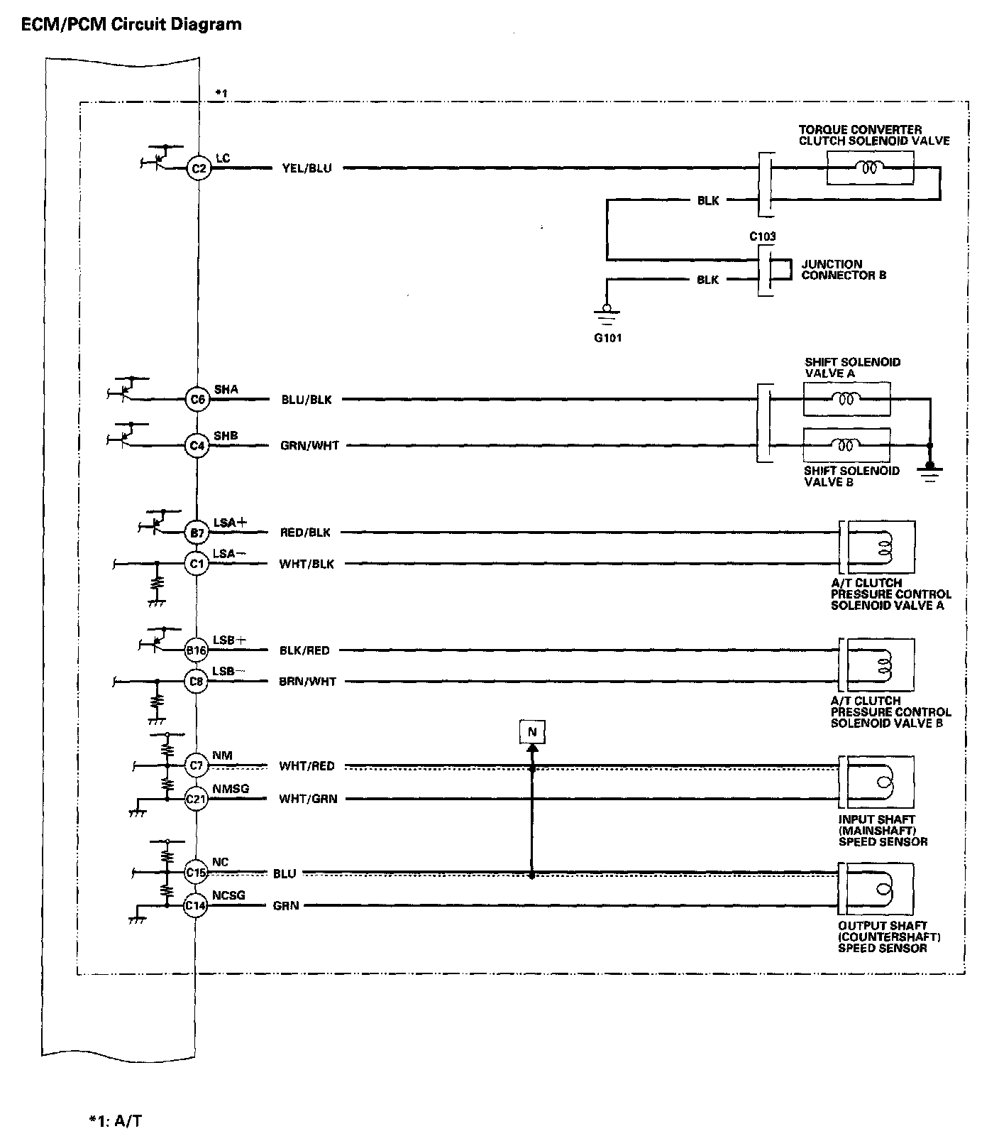
ECM/PCM Circuit Diagram 11-47:




ECM/PCM Circuit Diagram 11-48:




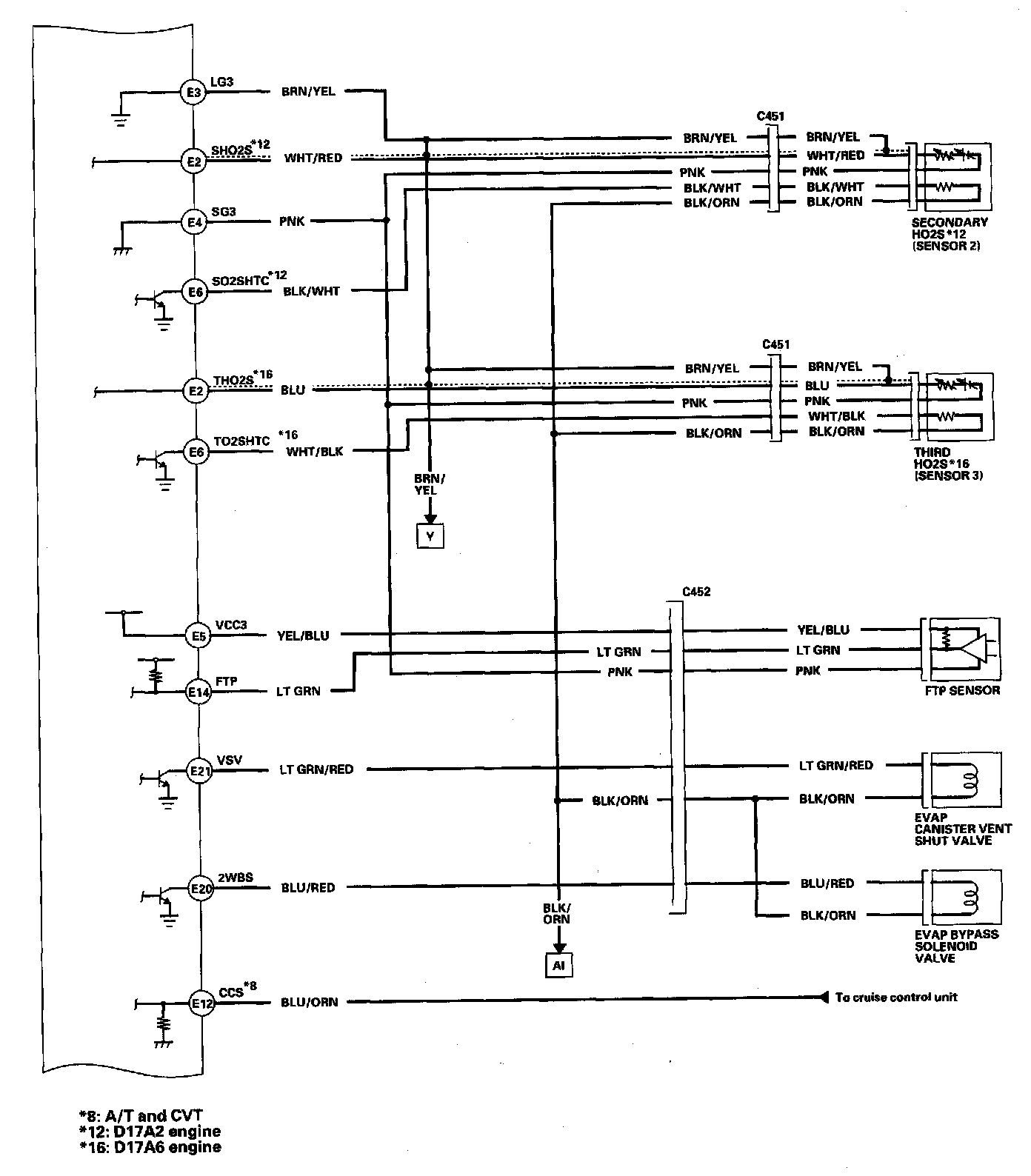
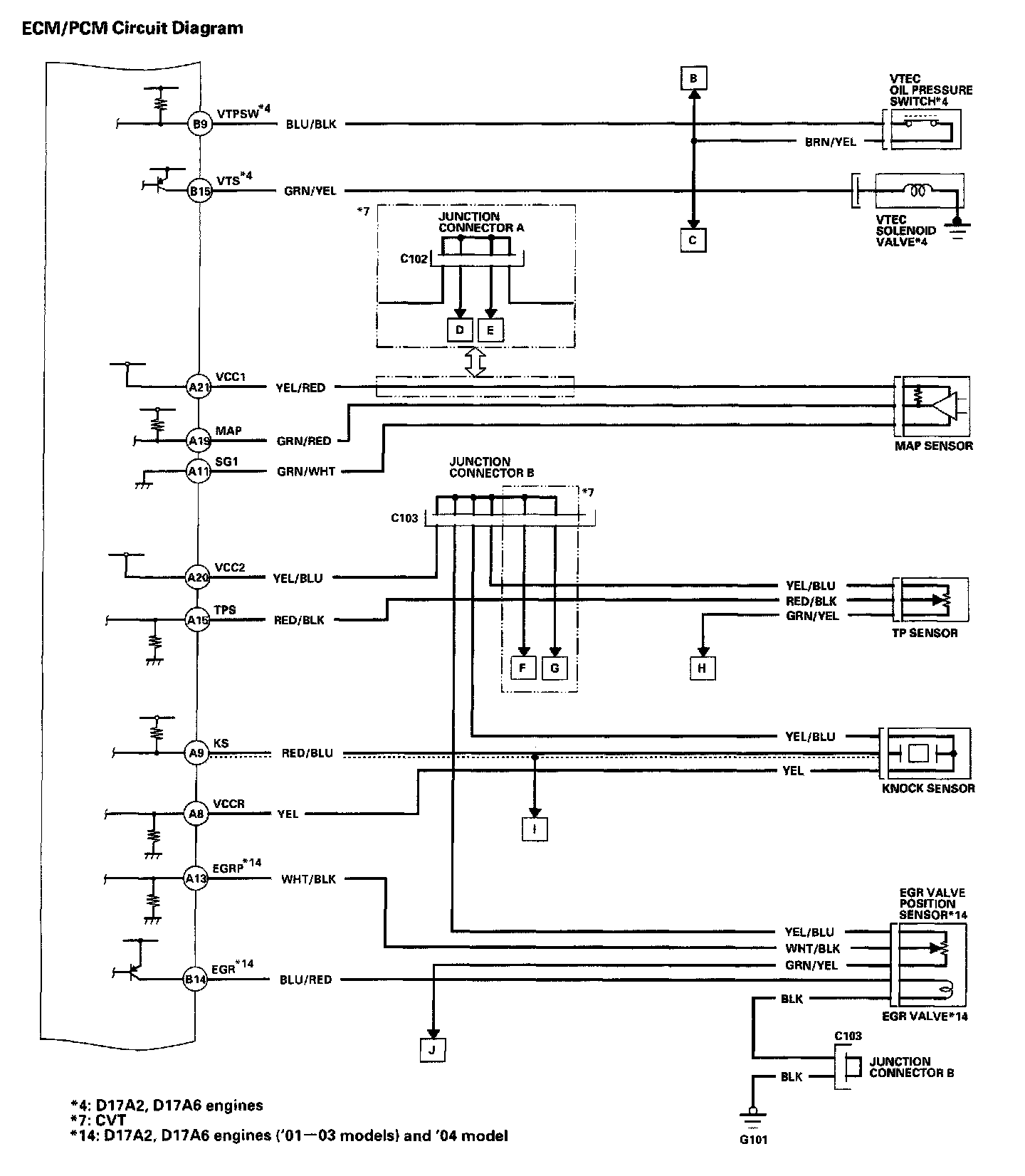
ECM/PCM Circuit Diagram 11-49:




ECM/PCM Circuit Diagram 11-50:




ECM/PCM Circuit Diagram 11-51:




ECM/PCM Circuit Diagram 11-52:




ECM/PCM Circuit Diagram 11-53: