LEMON Manuals: Even more car manuals for everyone: 1960-2025
Home >> Honda >> 2004 >> Civic Si >> Repair and Diagnosis >> Engine Performance >> System >> Fuel System & Emissions System (Hatchback) >> System Description >> ECM Data >> ECM Electrical Connections
April 5, 2026: LEMON Manuals is launched! Read the announcement.

ECM Electrical Connections

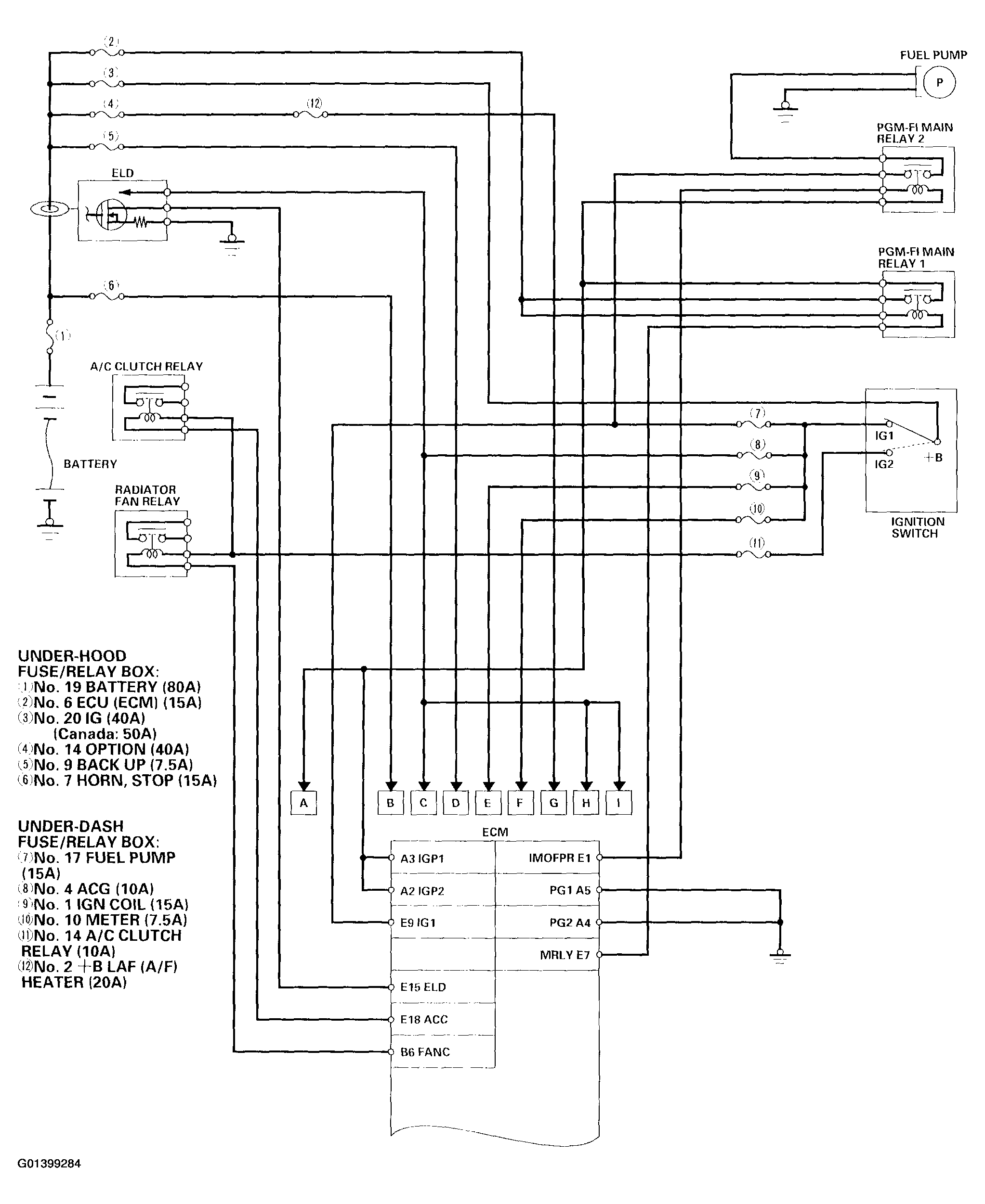
Fig 1: ECM Electrical Connections (1 Of 4)
G01399284Courtesy of AMERICAN HONDA MOTOR CO., INC.
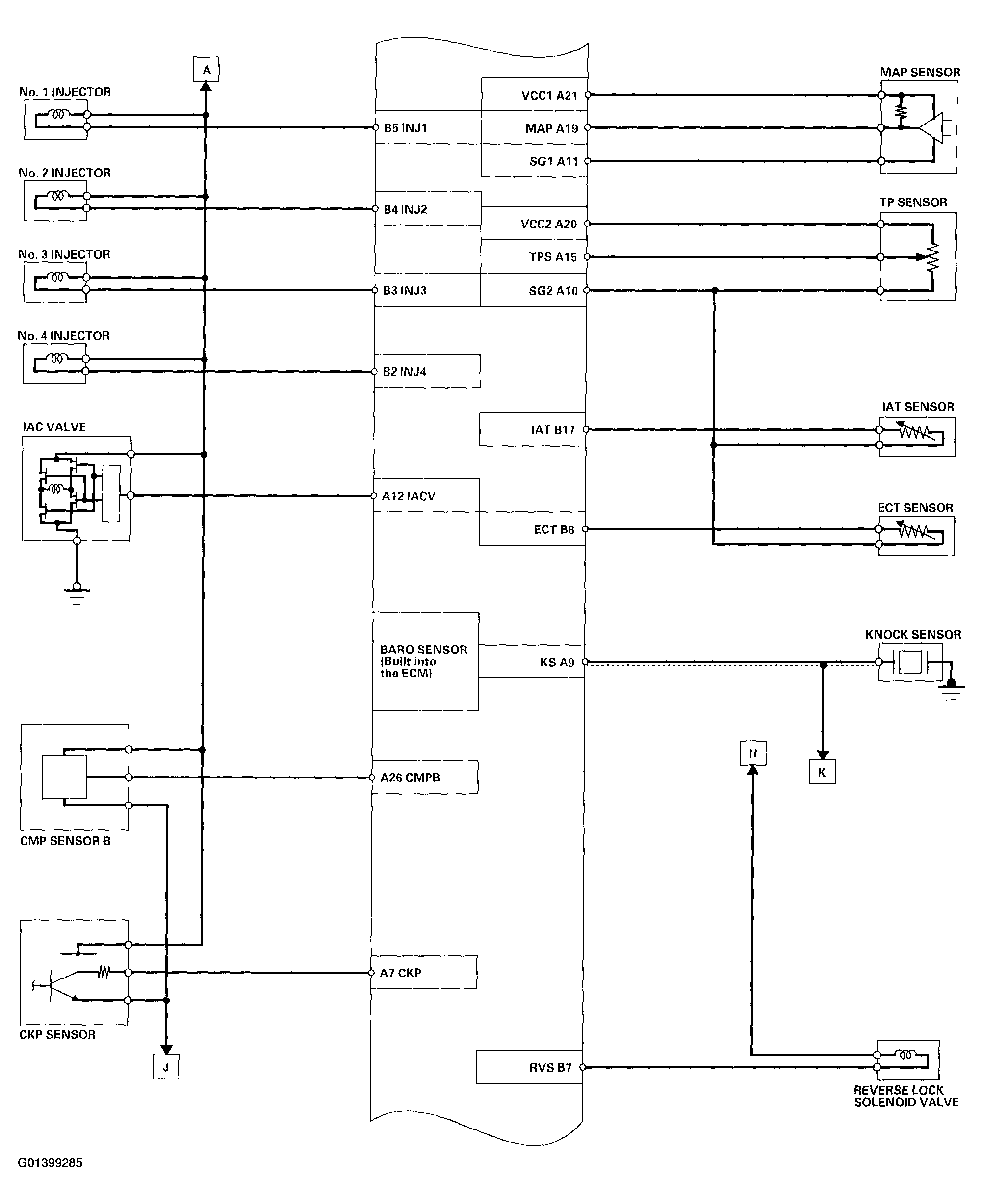
Fig 2: ECM Electrical Connections (2 Of 4)
G01399285Courtesy of AMERICAN HONDA MOTOR CO., INC.
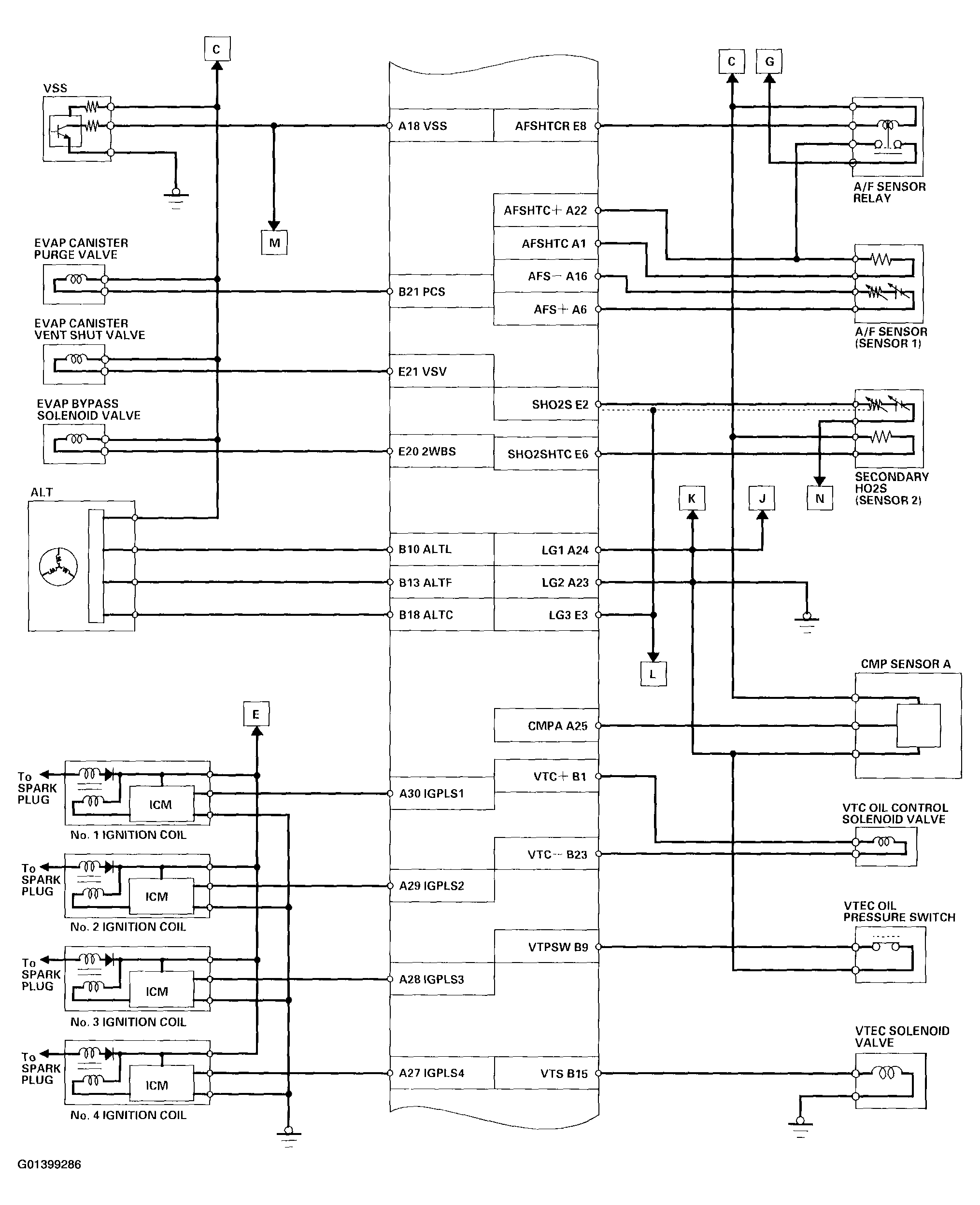
Fig 3: ECM Electrical Connections (3 Of 4)
G01399286Courtesy of AMERICAN HONDA MOTOR CO., INC.
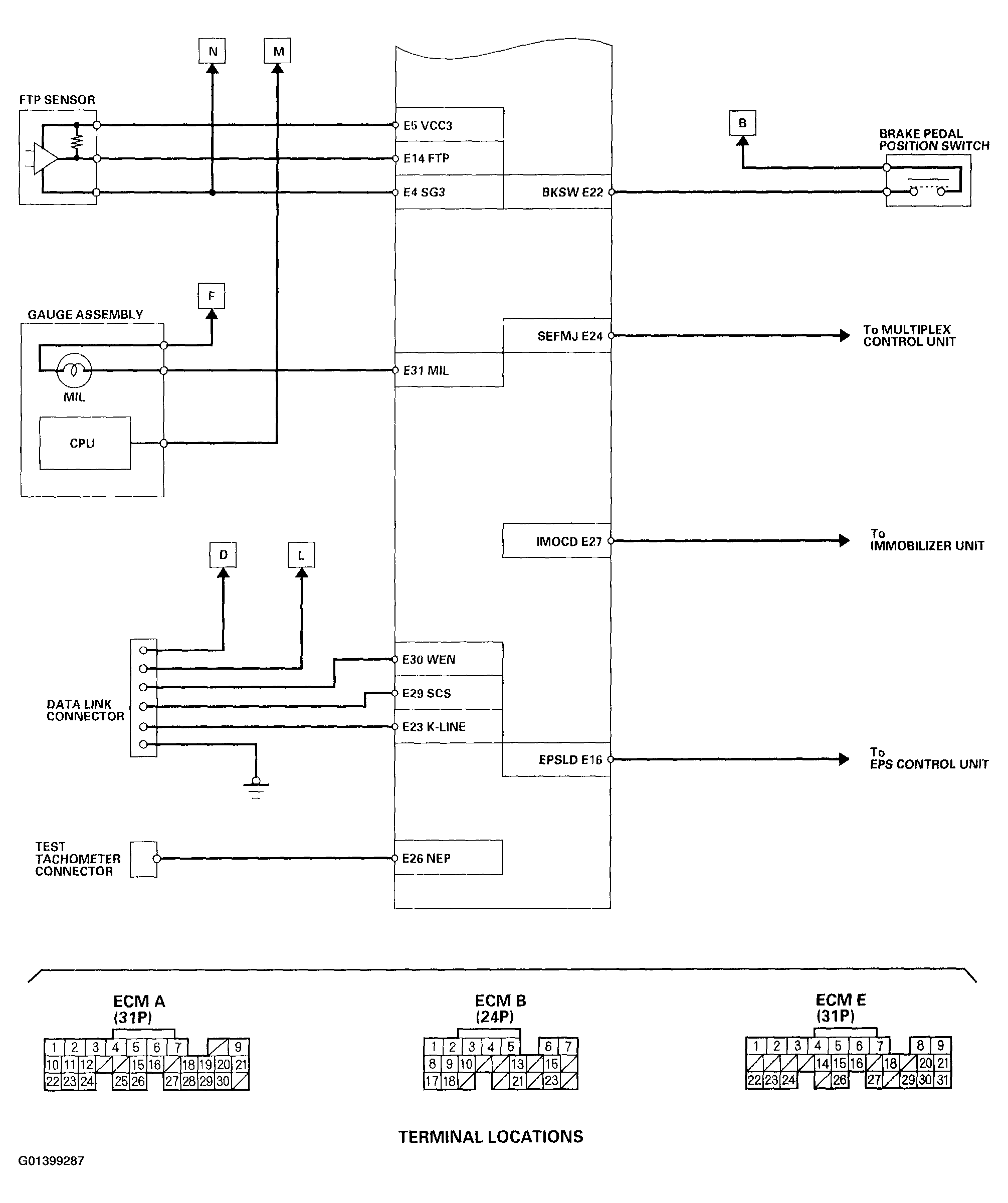
Fig 4: ECM Electrical Connections (4 Of 4)
G01399287Courtesy of AMERICAN HONDA MOTOR CO., INC.