LEMON Manuals: Even more car manuals for everyone: 1960-2025
Home >> Honda >> 2004 >> Element 2WD L4-2.4L >> Repair and Diagnosis >> Diagrams >> Exploded Views >> Cylinder Head Assembly
April 5, 2026: LEMON Manuals is launched! Read the announcement.

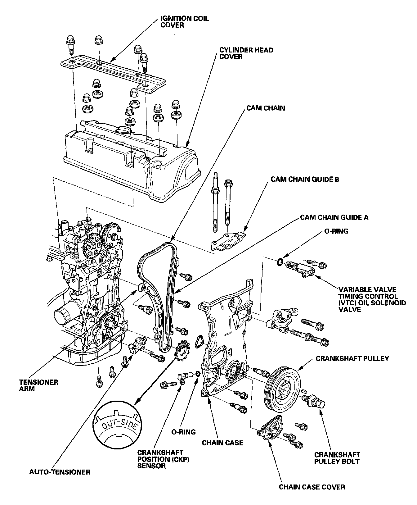
Cylinder Head Assembly

Part 1 Of 3:



Part 2 Of 3:



Part 3 Of 3: