LEMON Manuals: Even more car manuals for everyone: 1960-2025
Home >> Honda >> 2004 >> Element 4WD L4-2.4L >> Repair and Diagnosis >> Powertrain Management >> Transmission Control Systems >> Diagrams >> Electrical Diagrams >> Circuit Diagrams >> PCM A/T Control System
April 5, 2026: LEMON Manuals is launched! Read the announcement.

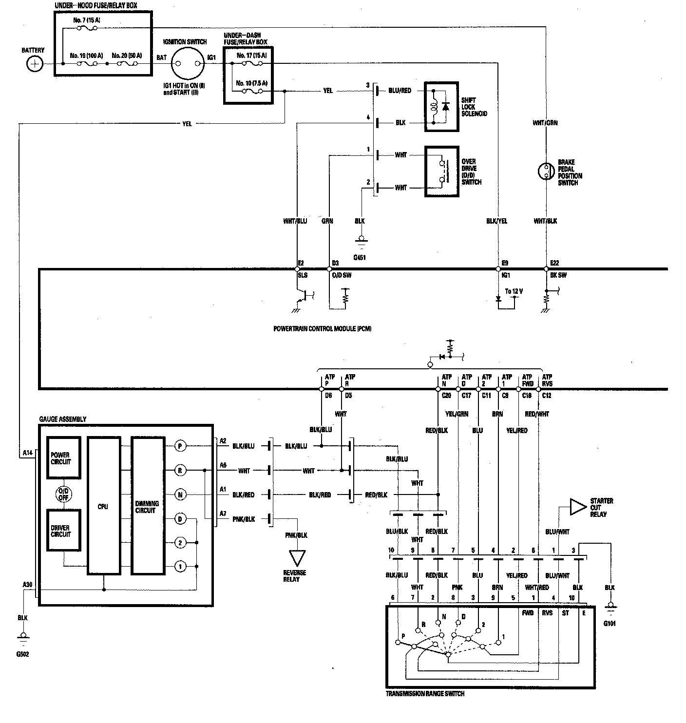
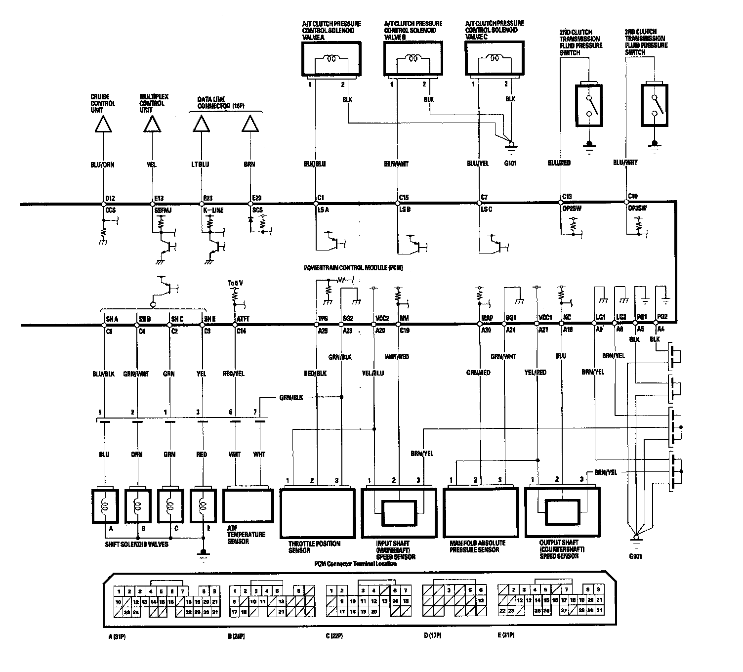
PCM A/T Control System

Circuit Diagram - PCM A/T Control System - Part 1:



Circuit Diagram - PCM A/T Control System - Part 2: