LEMON Manuals: Even more car manuals for everyone: 1960-2025
Home >> Honda >> 2004 >> Element DX, 2.4 YH2, Standard >> Repair and Diagnosis >> Engine Performance >> Ignition System >> Circuit Diagram
April 5, 2026: LEMON Manuals is launched! Read the announcement.

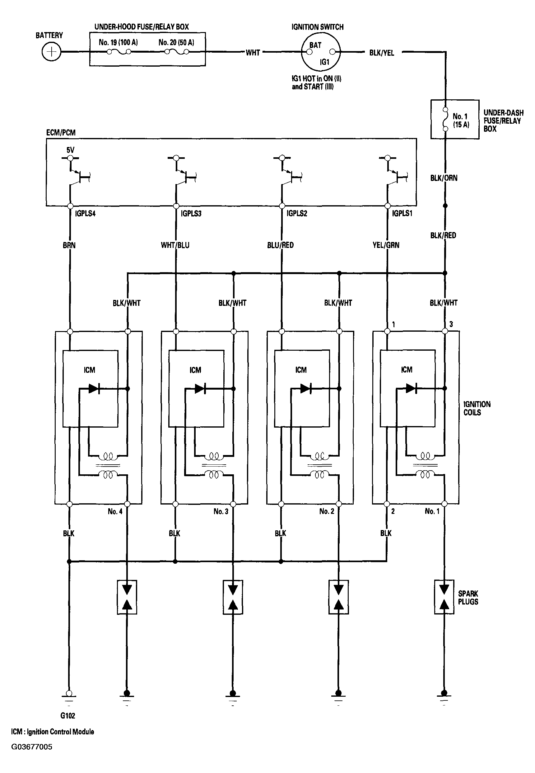
Circuit Diagram

Fig 1: Circuit Diagram Ignition System
G03677005Courtesy of AMERICAN HONDA MOTOR CO., INC.