LEMON Manuals: Even more car manuals for everyone: 1960-2025
Home >> Honda >> 2004 >> Pilot EX >> Repair and Diagnosis >> Accessories & Equipment >> Anti-Theft Systems >> Power Door Locks/Keyless Entry/Security System >> Circuit Diagram
April 5, 2026: LEMON Manuals is launched! Read the announcement.

Circuit Diagram

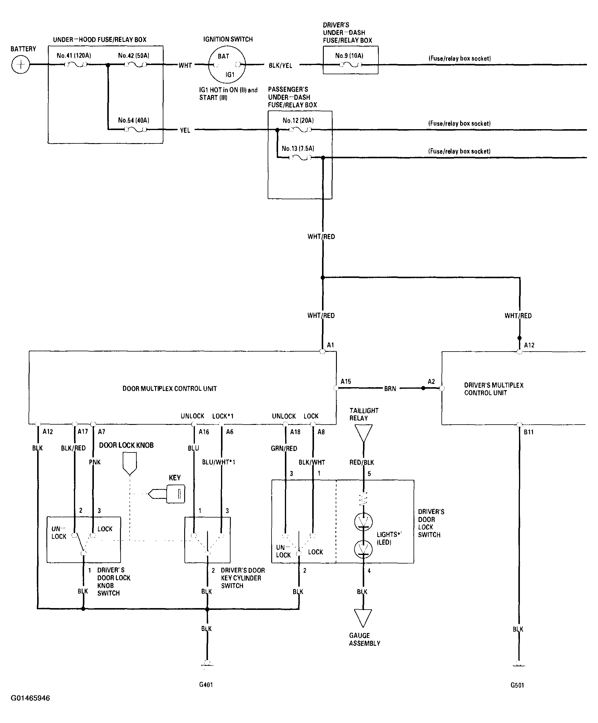
Fig 1: Power Door Locks/Keyless Entry/Security System Circuit Diagram (1 Of 4)
G01465946Courtesy of AMERICAN HONDA MOTOR CO., INC.
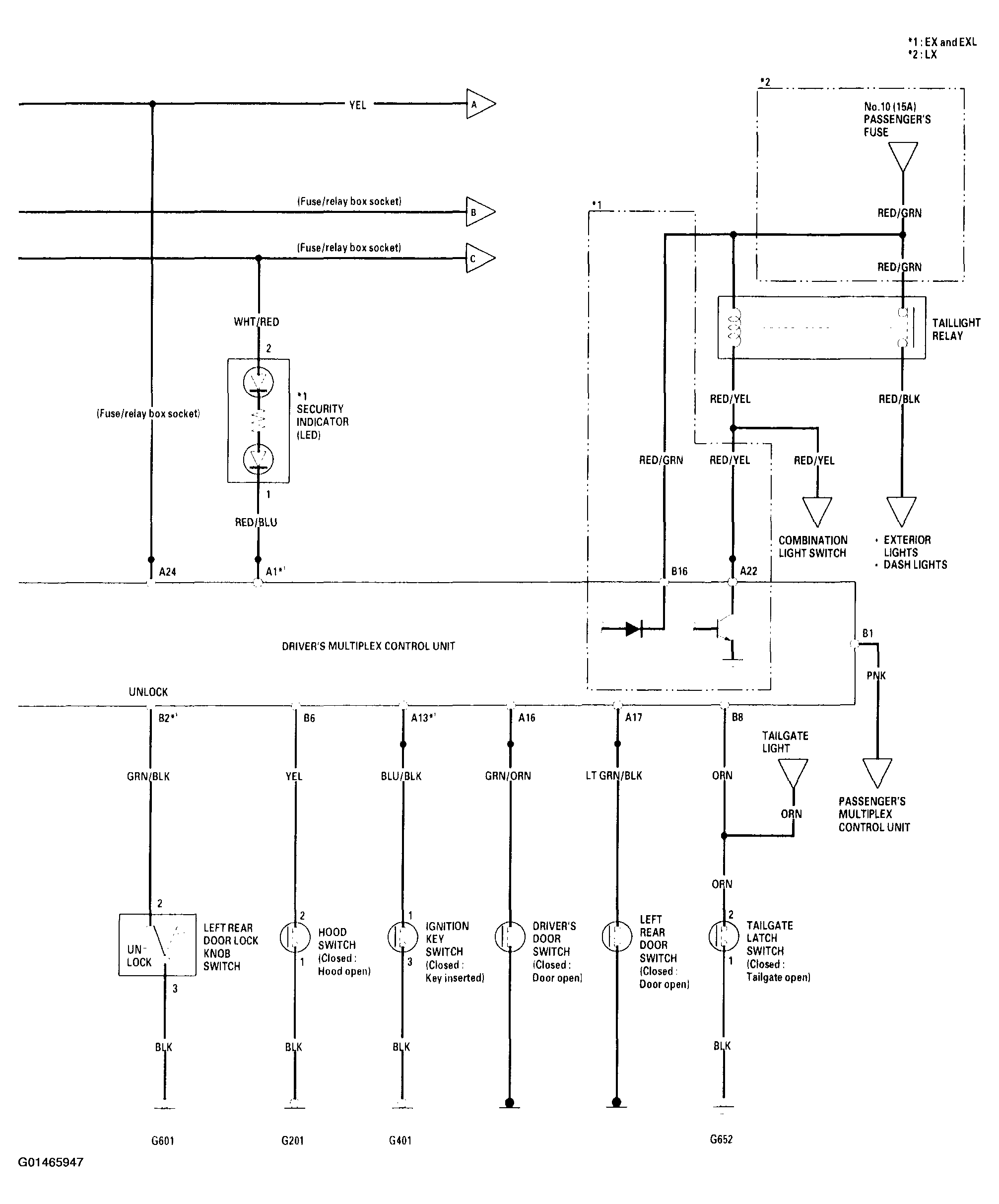
Fig 2: Power Door Locks/Keyless Entry/Security System Circuit Diagram (2 Of 4)
G01465947Courtesy of AMERICAN HONDA MOTOR CO., INC.
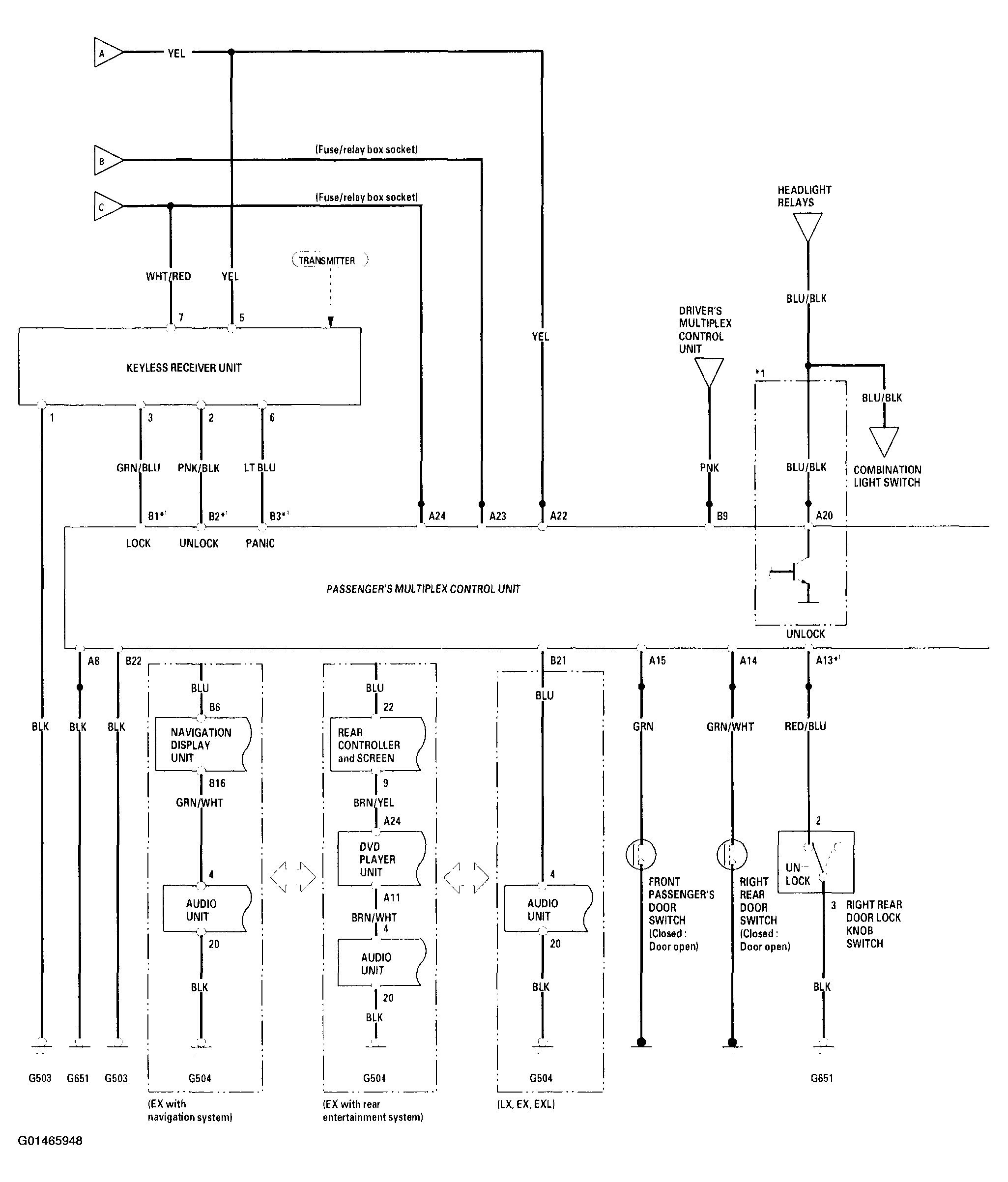
Fig 3: Power Door Locks/Keyless Entry/Security System Circuit Diagram (3 Of 4)
G01465948Courtesy of AMERICAN HONDA MOTOR CO., INC.
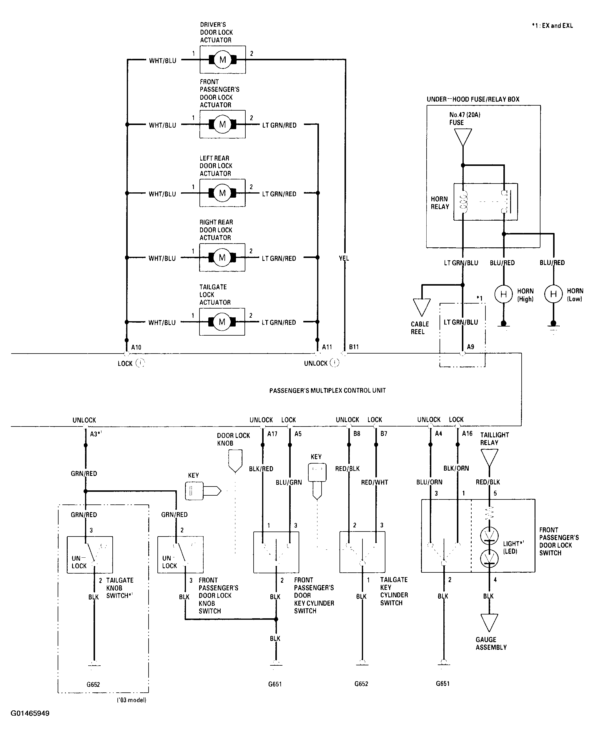
Fig 4: Power Door Locks/Keyless Entry/Security System Circuit Diagram (4 Of 4)
G01465949Courtesy of AMERICAN HONDA MOTOR CO., INC.