LEMON Manuals: Even more car manuals for everyone: 1960-2025
Home >> Honda >> 2004 >> Pilot LX >> Repair and Diagnosis >> Engine Performance >> Testing & Diagnosis >> EVAP System >> FTP Sensor Replacement
April 5, 2026: LEMON Manuals is launched! Read the announcement.

FTP Sensor Replacement

  1. Remove the EVAP canister cover (see step 1 on EVAP Canister Replacement  ).
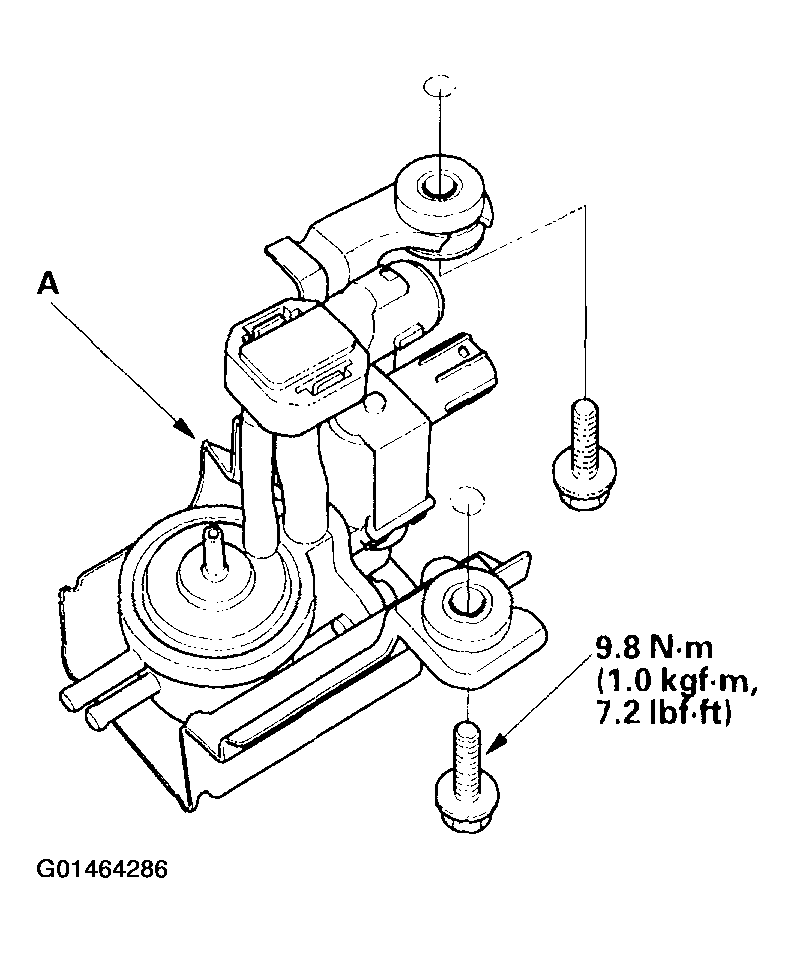
  2. Remove the EVAP bypass solenoid valve/EVAP two way valve assembly.
    Fig 1: Removing The EVAP Bypass Solenoid Valve/EVAP Two Way Valve Assembly
    G01464286Courtesy of AMERICAN HONDA MOTOR CO., INC.
  3. Remove the FTP sensor (A).
    Fig 2: Removing The FTP Sensor
    G01464287Courtesy of AMERICAN HONDA MOTOR CO., INC.
  4. Install the parts in the reverse order of removal.