LEMON Manuals: Even more car manuals for everyone: 1960-2025
Home >> Honda >> 2004 >> Pilot V6-3.5L >> Repair and Diagnosis >> Powertrain Management >> Computers and Control Systems >> Power Steering Pressure Switch >> Service and Repair
April 5, 2026: LEMON Manuals is launched! Read the announcement.

Power Steering Pressure Switch: Service and Repair

Hoses, Lines, and Pressure Switch Replacement





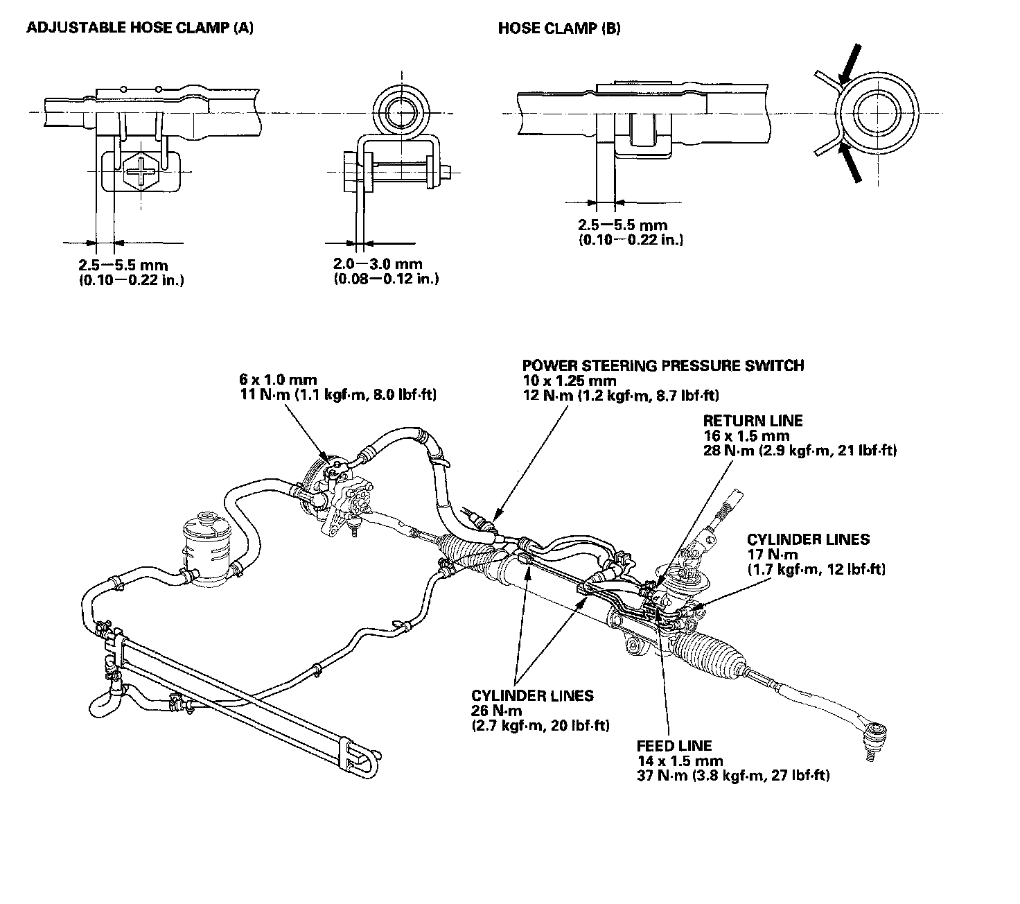
Note these items during installation:
- Connect each hose to the corresponding line securely until it contacts the stop on the line. Install the clamp or adjustable clamp at the specified distance from the hose end as shown.
- Check all clamps for deterioration or deformation; replace the clamps with new ones if necessary.
- Add the recommended power steering fluid to the specified level on the reservoir and check for leaks.