LEMON Manuals: Even more car manuals for everyone: 1960-2025
Home >> Honda >> 2004 >> S2000 L4-2.2L >> Repair and Diagnosis >> Heating and Air Conditioning >> Service and Repair >> System Evacuation
April 5, 2026: LEMON Manuals is launched! Read the announcement.

System Evacuation

System Evacuation

CAUTION:
- Air conditioning refrigerant or lubricant vapor can irritate your eyes, nose, or throat.
- Be careful when connecting service equipment.
- Do not breathe refrigerant or vapor.

Use only service equipment that is U.L.-listed and is certified to meet the requirements of SAE J2210 to remove HFC-134a (R-134a) from the air conditioning system.

If accidental system discharge occurs, ventilate the work area before resuming service.

Additional health and safety information may be obtained from the refrigerant and lubricant manufacturers.

1. When an A/C system has been opened to the atmosphere, such as during installation or repair, it must be evacuated using a R-134a refrigerant recovery/recycling/charging station (If the system has been open for several days, the receiver/dryer should be replaced, and the system should be evacuated for several hours.)




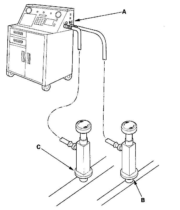
2. Connect a R-134a refrigerant recovery/recycling/charging station (A) to the high-pressure service port (B) and the low-pressure service port (C), as shown, following the equipment manufacturer's instructions. Evacuate the system.
3. If the low-pressure does not reach more than 93.3 kPa (700 mm Hg, 27.6 in.Hg) in 15 minutes, there is probably a leak in the system. Partially charge the system, and check for leaks.