LEMON Manuals: Even more car manuals for everyone: 1960-2025
Home >> Honda >> 2005 >> CR-V SE >> Repair and Diagnosis >> Engine Mechanical >> Mechanical >> Engine >> Engine Installation
April 5, 2026: LEMON Manuals is launched! Read the announcement.

Engine Installation

  1. Install the accessory brackets, and tighten their bolts to the specified torques.
    Fig 1: Installing Accessory Brackets
    G03673581Courtesy of AMERICAN HONDA MOTOR CO., INC.
  2. Position the engine under the vehicle. Attach the chain hoist to the engine, then lift the engine into position in the vehicle.
    NOTE: Reinstall the mounting bolts/support nuts in the sequence given. Failure to follow this sequence may cause excessive noise and vibration, and reduce bushing life.
  3. Install the A/C compressor (A), and connect the compressor clutch connector (B).
    Fig 2: Installing A/C Compressor & Torque Specifications
    G03673582Courtesy of AMERICAN HONDA MOTOR CO., INC.
  4. Support the subframe (A) with the special tool and a jack, and lift it up to the body.
    Fig 3: Supporting Subframe With Special Tool
    G03673583Courtesy of AMERICAN HONDA MOTOR CO., INC.
  5. Loosely install the new subframe mounting bolts. Remove the special tool.
  6. Align the reference marks (A) with the center of the subframe mounting bolts (B), then tighten the bolts to the specified torque.
    Fig 4: Aligning Reference Marks With Center Of Subframe Mounting Bolts & Torque Specifications
    G03673584Courtesy of AMERICAN HONDA MOTOR CO., INC.
  7. Tighten the rear mount mounting bolts.
    Fig 5: Tightening Rear Mount Mounting Bolts & Torque Specifications
    G03673585Courtesy of AMERICAN HONDA MOTOR CO., INC.
  8. Loosely tighten the new front mount bracket mounting bolt.
    Fig 6: Tightening Front Mount Bracket Mounting Bolt
    G03673586Courtesy of AMERICAN HONDA MOTOR CO., INC.
  9. Lower the vehicle on the hoist.
  10. Tighten the upper bracket mounting bolt and nut.
    Fig 7: Tightening Upper Bracket Mounting Bolt And Nut & Torque Specifications
    G03673587Courtesy of AMERICAN HONDA MOTOR CO., INC.
  11. Tighten the transmission mount bracket support bolt/nuts.

    M/T: 

    Fig 8: Tightening Transmission Mount Bracket Support Bolt/Nuts (M/T) & Torque Specifications
    G03673588Courtesy of AMERICAN HONDA MOTOR CO., INC.

    A/T: 

    Fig 9: Tightening Transmission Mount Bracket Support Bolt/Nuts (A/T) & Torque Specifications
    G03673589Courtesy of AMERICAN HONDA MOTOR CO., INC.
  12. Raise the vehicle on the hoist to full height.
  13. Loosen the front engine mount bracket mounting bolt, then tighten it to the specified torque.
    Fig 10: Loosening Front Engine Mount Bracket Mounting Bolt & Torque Specifications
    G03673590Courtesy of AMERICAN HONDA MOTOR CO., INC.
  14. Lower the vehicle on the hoist.
  15. Remove the chain hoist from the engine.
  16. Raise the vehicle on the hoist to full height.
  17. Install a new set ring on the end of each driveshaft, then install the driveshaft. Make sure each ring "clicks" into place in the differential and intermediate shaft.
  18. Connect the suspension lower arm ball joints (see LOWER ARM REMOVAL/INSTALLATION ).
  19. Connect the stabilizer links (see STABILIZER LINK REMOVAL/INSTALLATION ).
  20. Install the propeller shaft on the transfer assembly (4WD) (see step 3 on PROPELLER SHAFT INSTALLATION ).
  21. Install the shift cable (A/T) (see SHIFT CABLE REPLACEMENT ).
  22. Install the three way catalytic converter (TWC) assembly (A); use new gaskets (B) and new self locking nuts (C).
    Fig 11: Installing Catalytic Converter (TWC) Assembly & Torque Specifications
    G03673591Courtesy of AMERICAN HONDA MOTOR CO., INC.
  23. Connect the air fuel ratio (A/F) sensor connector (D) and secondary heated oxygen sensor (secondary HO2S) connector (E).
  24. Install the lower radiator hose.
    Fig 12: Installing Lower Radiator Hose
    G03673592Courtesy of AMERICAN HONDA MOTOR CO., INC.
  25. Tighten the automatic transmission fluid (ATF) filter mounting bolt (A), and install the ATF cooler hoses (B) (A/T).
    Fig 13: Tightening Automatic Transmission Fluid (ATF) Filter Mounting Bolt & Torque Specifications
    G03673593Courtesy of AMERICAN HONDA MOTOR CO., INC.
  26. Install the splash shield.
    Fig 14: Installing Splash Shield
    G03673594Courtesy of AMERICAN HONDA MOTOR CO., INC.
  27. Lower the vehicle on the hoist.
  28. Install the upper radiator hose (A) and heater hoses (B).
    Fig 15: Installing Upper Radiator Hose And Heater Hose
    G03673595Courtesy of AMERICAN HONDA MOTOR CO., INC.
  29. Install the power steering (P/S) pump.
    Fig 16: Installing Power Steering (P/S) Pump & Torque Specifications
    G03673596Courtesy of AMERICAN HONDA MOTOR CO., INC.
  30. Install the drive belt (see DRIVE BELT INSPECTION ).
  31. Install the throttle cable (see THROTTLE CABLE REMOVAL/INSTALLATION ), then adjust the cable (see THROTTLE CABLE ADJUSTMENT ).
  32. Push the engine control module (ECM)/powertrain control module (PCM) connectors through the bulkhead, then install the grommet (A), and harness clamps (B).
    Fig 17: Installing Grommet
    G03673597Courtesy of AMERICAN HONDA MOTOR CO., INC.
  33. Connect the accelerator pedal position (APP) sensor connector (C).
  34. Connect the ECM/PCM connectors (A) and main wire harness connector (B). Attach the main wire harness connector to the connector holder (C).
    Fig 18: Connecting ECM/PCM Connectors And Main Wire Harness Connector
    G03673598Courtesy of AMERICAN HONDA MOTOR CO., INC.
  35. Install the brake booster vacuum hose (A) and the evaporative emission (EVAP) canister hose (B).
    Fig 19: Installing Brake Booster Vacuum Hose And Evaporative Emission (EVAP) Canister Hose
    G03673599Courtesy of AMERICAN HONDA MOTOR CO., INC.
  36. Connect the fuel line (see FUEL LINE/QUICK-CONNECT FITTING INSTALLATION ).
  37. Install the select cable and shift cable (M/T) (see step 26 on TRANSMISSION INSTALLATION ).
  38. Install the clutch slave cylinder and clutch line bracket (M/T) (see SLAVE CYLINDER REPLACEMENT ).
  39. Install the battery cables (A) on the under-hood fuse/relay box, then install the harness clamps (B).
    Fig 20: Installing Battery Cables & Torque Specifications
    G03673600Courtesy of AMERICAN HONDA MOTOR CO., INC.
  40. Connect the auxiliary under-hood fuse/relay box connector (C), and install the ground cable (D).
  41. Install the air intake duct.
    Fig 21: Installing Air Intake Duct & Torque Specifications
    G03673601Courtesy of AMERICAN HONDA MOTOR CO., INC.
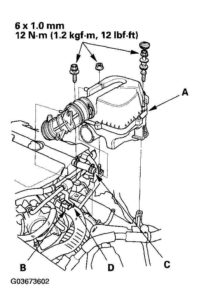
  42. Install the air cleaner housing (A) and connect the intake air temperature (IAT) sensor connector (B).
    Fig 22: Installing Air Cleaner Housing & Torque Specifications
    G03673602Courtesy of AMERICAN HONDA MOTOR CO., INC.
  43. Install the breather hose (C) and intake air bypass control thermal valve tube (D).
  44. Install the intake manifold cover.
    Fig 23: Installing Intake Manifold Cover & Torque Specifications
    G03673603Courtesy of AMERICAN HONDA MOTOR CO., INC.
  45. Install the battery. Clean the battery posts and cable terminals with sandpaper, then assemble them and apply grease to prevent corrosion.
  46. Move the shift lever to each gear, and verify that the A/T gear position indicator follows the transmission range switch (A/T).
  47. Check that the transmission shifts into gear smoothly (M/T).
  48. Inspect for fuel leaks. Turn the ignition switch ON (II) (do not operate the starter) so that the fuel pump runs for about 2 seconds and pressurizes the fuel line. Repeat this operation two or three times, then check for fuel leakage at any point in the fuel line.
  49. Refill the engine with engine oil (see step 4 on ENGINE OIL REPLACEMENT ).
  50. Refill the transmission with fluid:
  51. Refill the radiator with engine coolant, and bleed air from the cooling system with the heater valve open (see step 8 on COOLANT REPLACEMENT ).
  52. Do the ECM/PCM reset procedure (see ECM/PCM RESET ).
  53. Do the crankshaft position (CKP) pattern clear/CKP pattern learn procedure (see CKP PATTERN CLEAR/CKP PATTERN LEARN ).
  54. Do the engine control module (ECM)/powertrain control module (PCM) idle learn procedure (see ECM/PCM IDLE LEARN PROCEDURE ).
  55. Inspect the idle speed (see IDLE SPEED INSPECTION ).
  56. Inspect the ignition timing (see IGNITION TIMING INSPECTION ).
  57. Check the wheel alignment (see WHEEL ALIGNMENT ).
  58. Enter the anti-theft codes for the radio, then enter the customer's audio presets.
  59. Do the power window control unit reset procedure (see RESETTING THE POWER WINDOW CONTROL UNIT ).
  60. Set the clock.