LEMON Manuals: Even more car manuals for everyone: 1960-2025
Home >> Honda >> 2005 >> CR-V SE >> Repair and Diagnosis >> Engine Performance >> Fuel Delivery >> Fuel And Emissions Systems >> System Description >> Electronic Control System >> ECM/PCM Electrical Connections
April 5, 2026: LEMON Manuals is launched! Read the announcement.

ECM/PCM Electrical Connections

Fig 1: Wiring Diagram (ECM/PCM Electrical Connections) (1 Of 5)
G03673898Courtesy of AMERICAN HONDA MOTOR CO., INC.
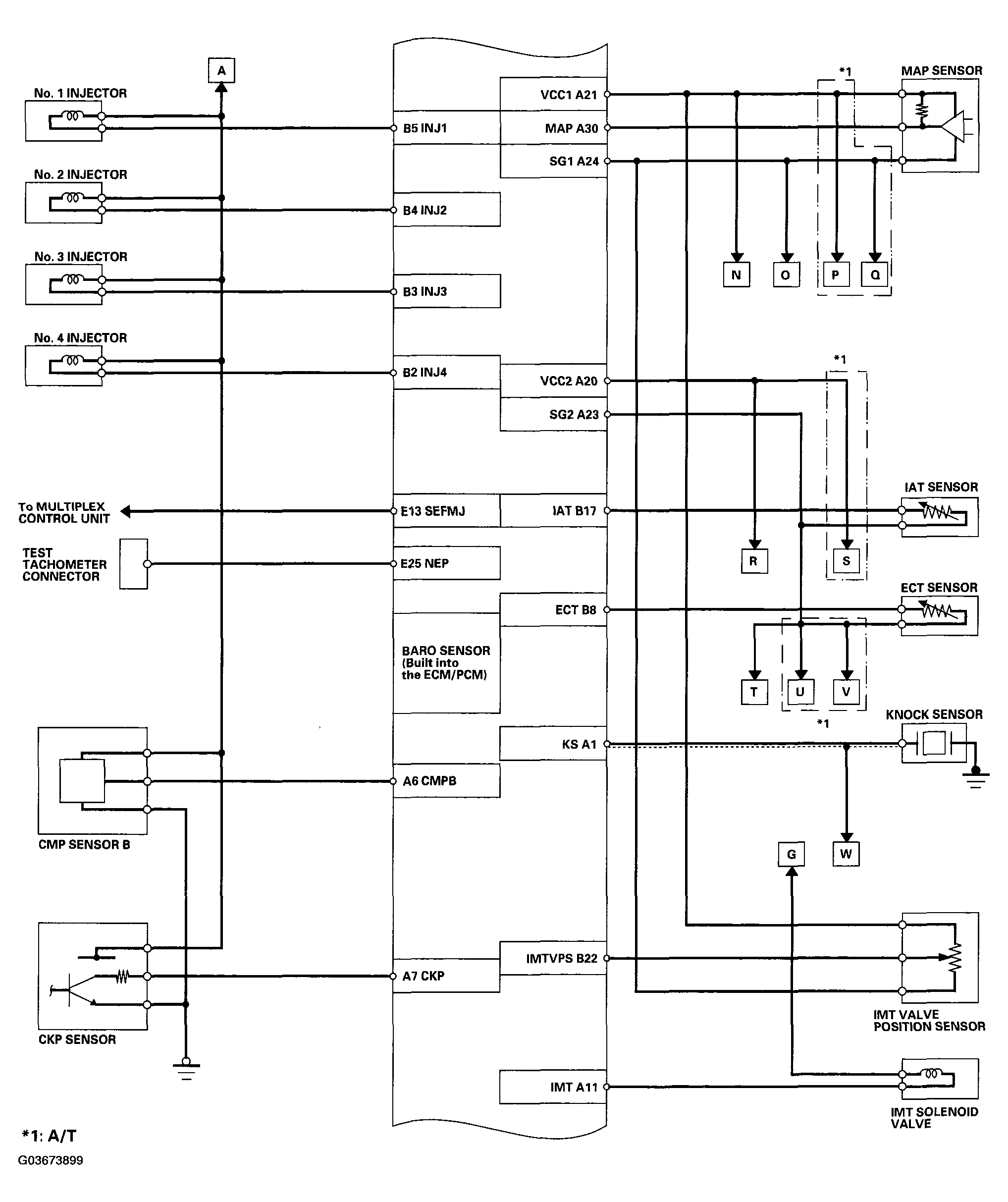
Fig 2: Wiring Diagram (ECM/PCM Electrical Connections) (2 Of 5)
G03673899Courtesy of AMERICAN HONDA MOTOR CO., INC.
Fig 3: Wiring Diagram (ECM/PCM Electrical Connections) (3 Of 5)
G03673900Courtesy of AMERICAN HONDA MOTOR CO., INC.
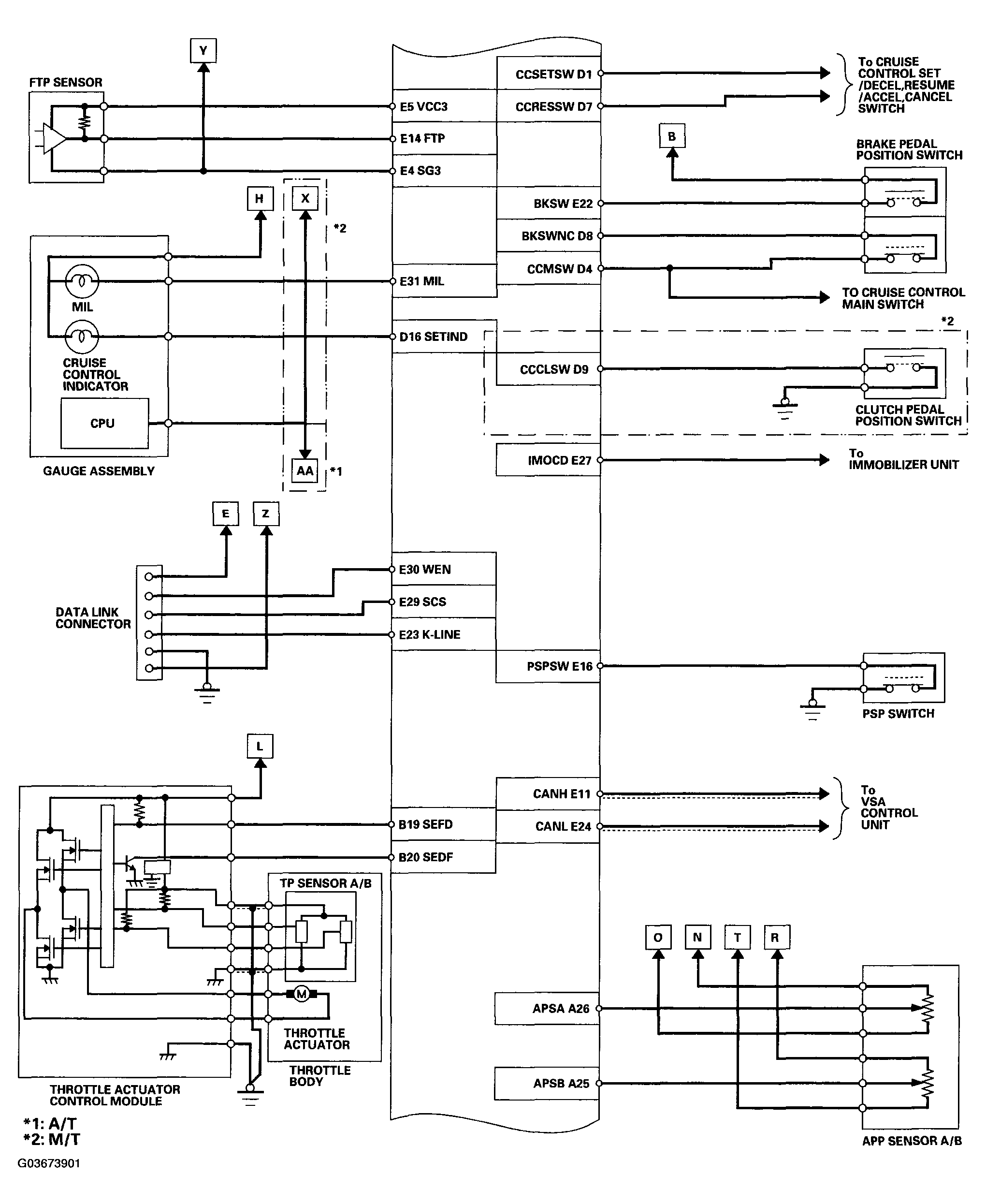
Fig 4: Wiring Diagram (ECM/PCM Electrical Connections) (4 Of 5)
G03673901Courtesy of AMERICAN HONDA MOTOR CO., INC.
Fig 5: Wiring Diagram (ECM/PCM Electrical Connections) (5 Of 5)
G03673902Courtesy of AMERICAN HONDA MOTOR CO., INC.