LEMON Manuals: Even more car manuals for everyone: 1960-2025
Home >> Honda >> 2005 >> Civic L4-1.7L SOHC >> Repair and Diagnosis >> Diagrams >> Electrical Diagrams >> Powertrain Management >> System Diagram >> Control Module Circuit Diagrams >> ECM/PCM Circuit Diagrams
April 5, 2026: LEMON Manuals is launched! Read the announcement.

ECM/PCM Circuit Diagrams

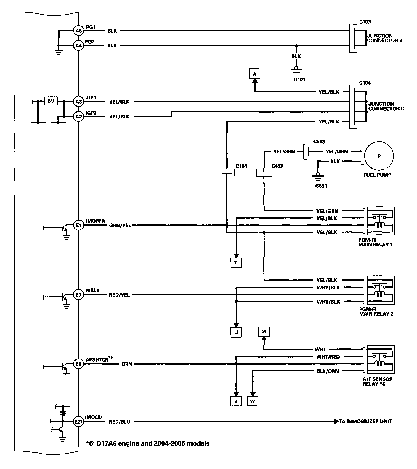
ECM/PCM Circuit Diagram Part 1:




ECM/PCM Circuit Diagram Part 2:




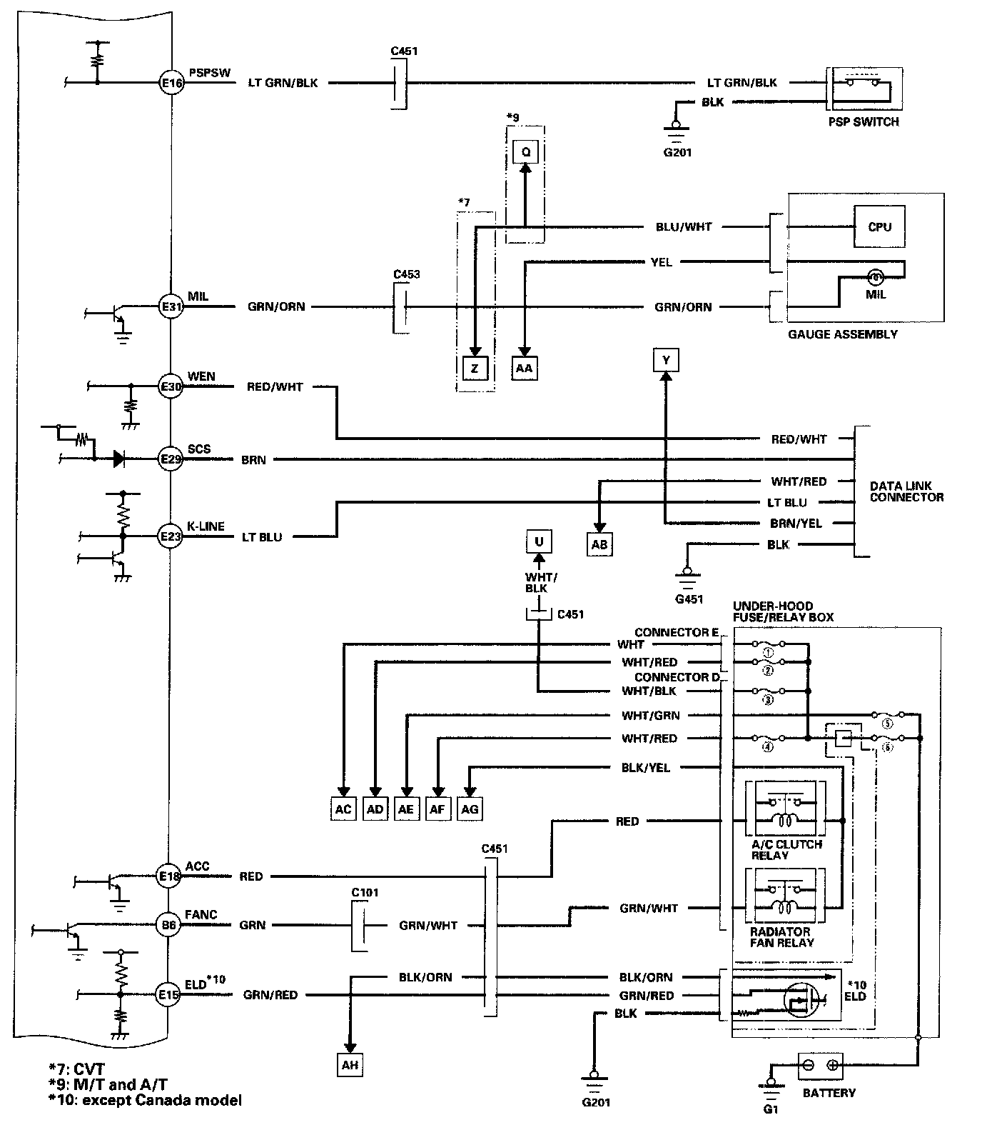
ECM/PCM Circuit Diagram Part 3:




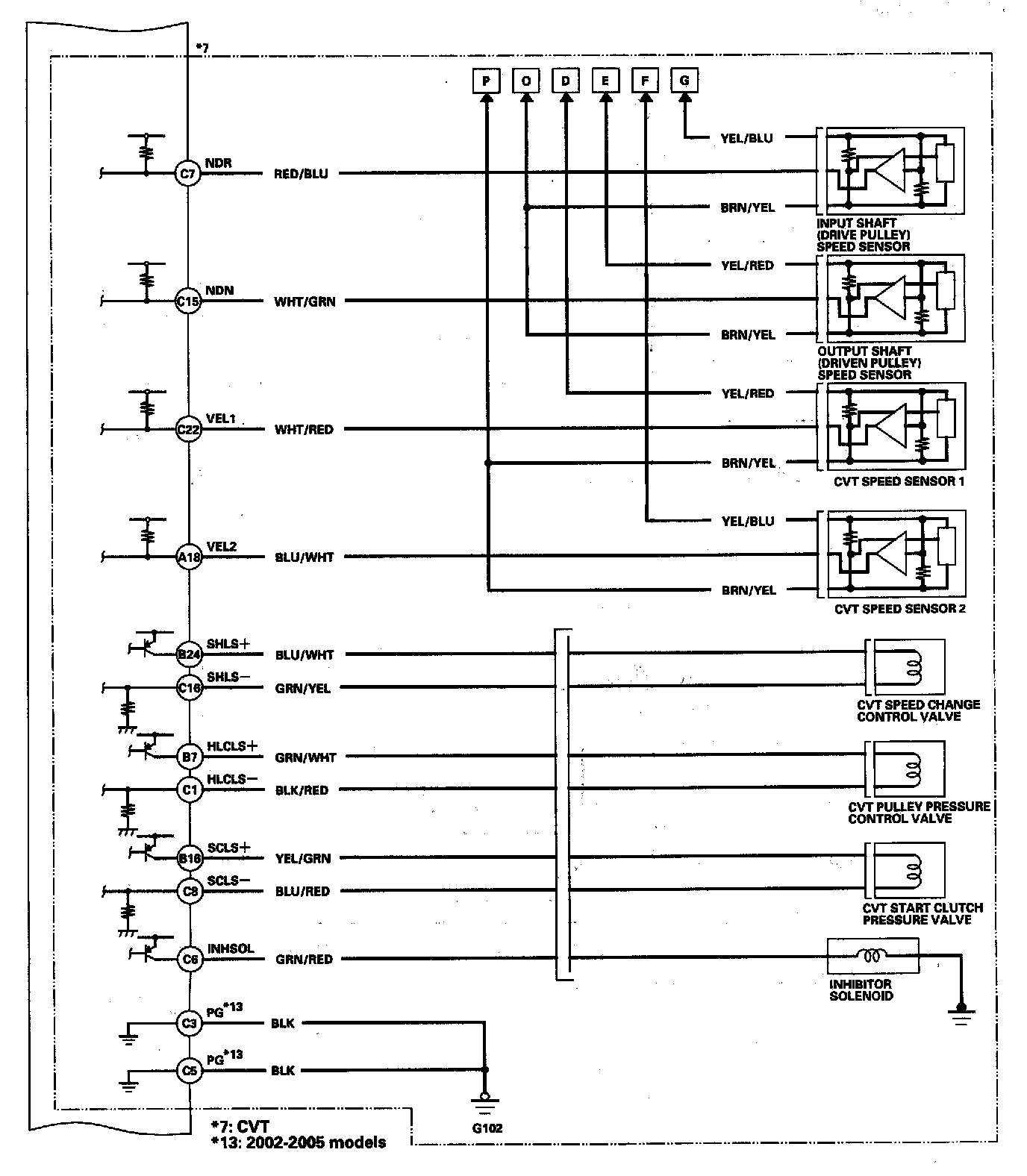
ECM/PCM Circuit Diagram Part 4:




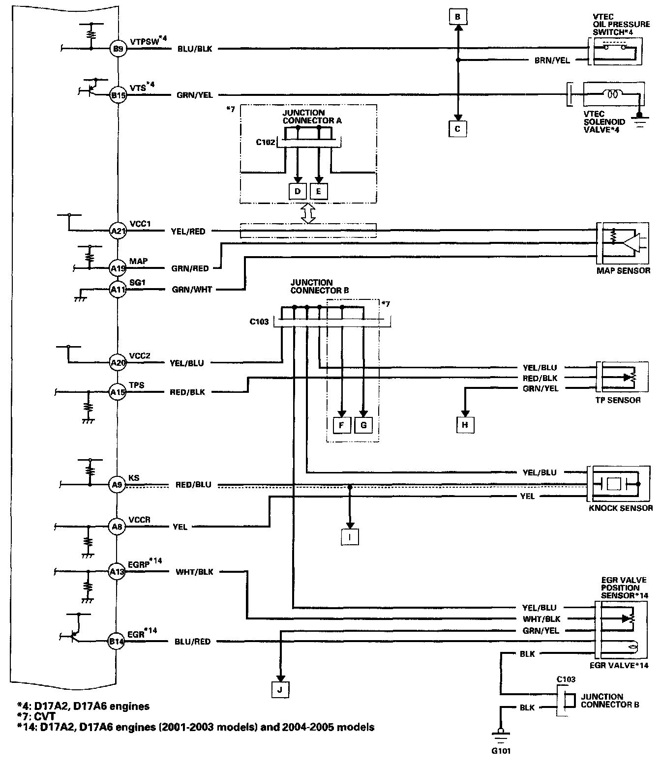
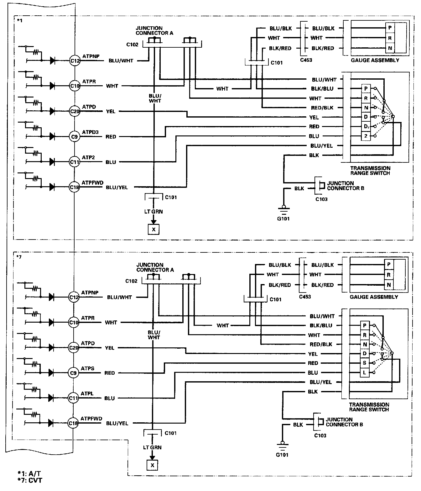
ECM/PCM Circuit Diagram Part 5:




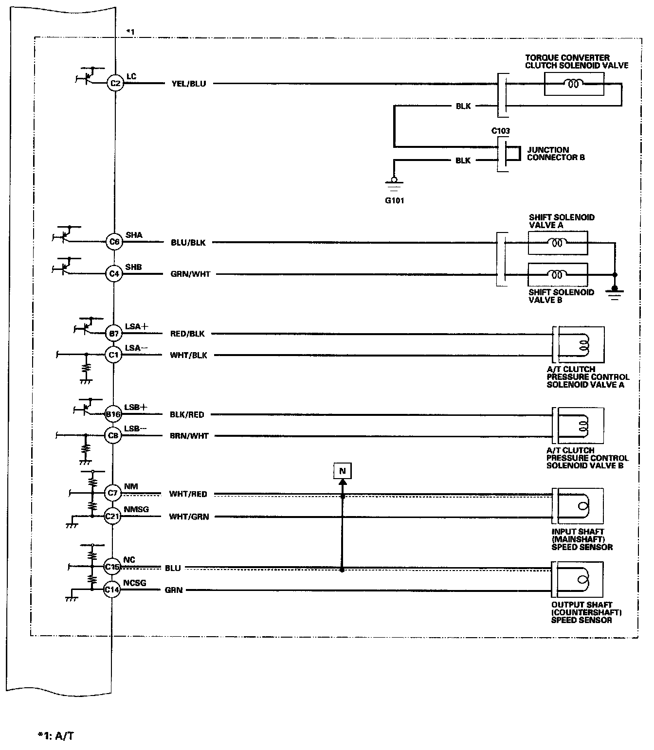
ECM/PCM Circuit Diagram Part 6:




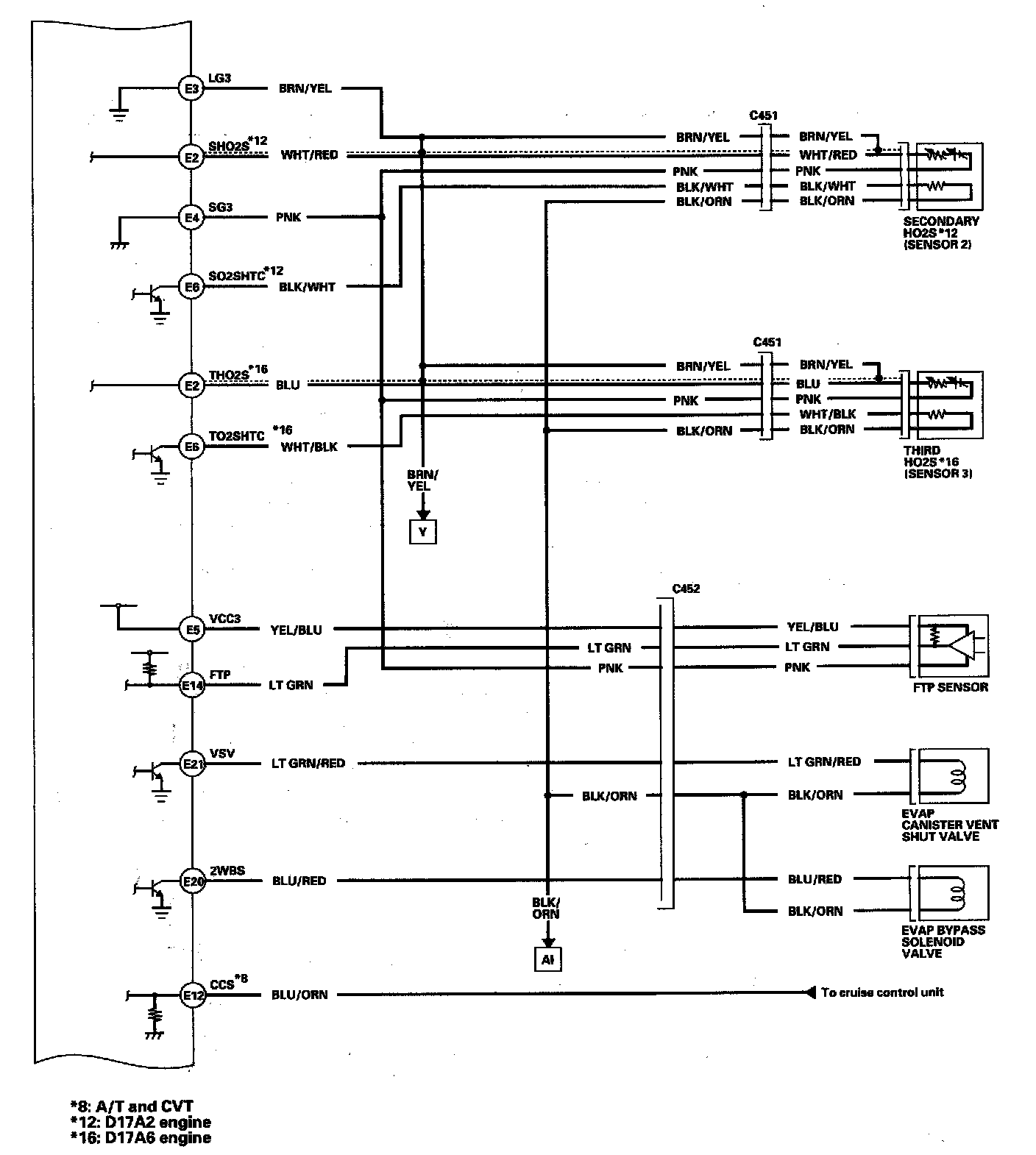
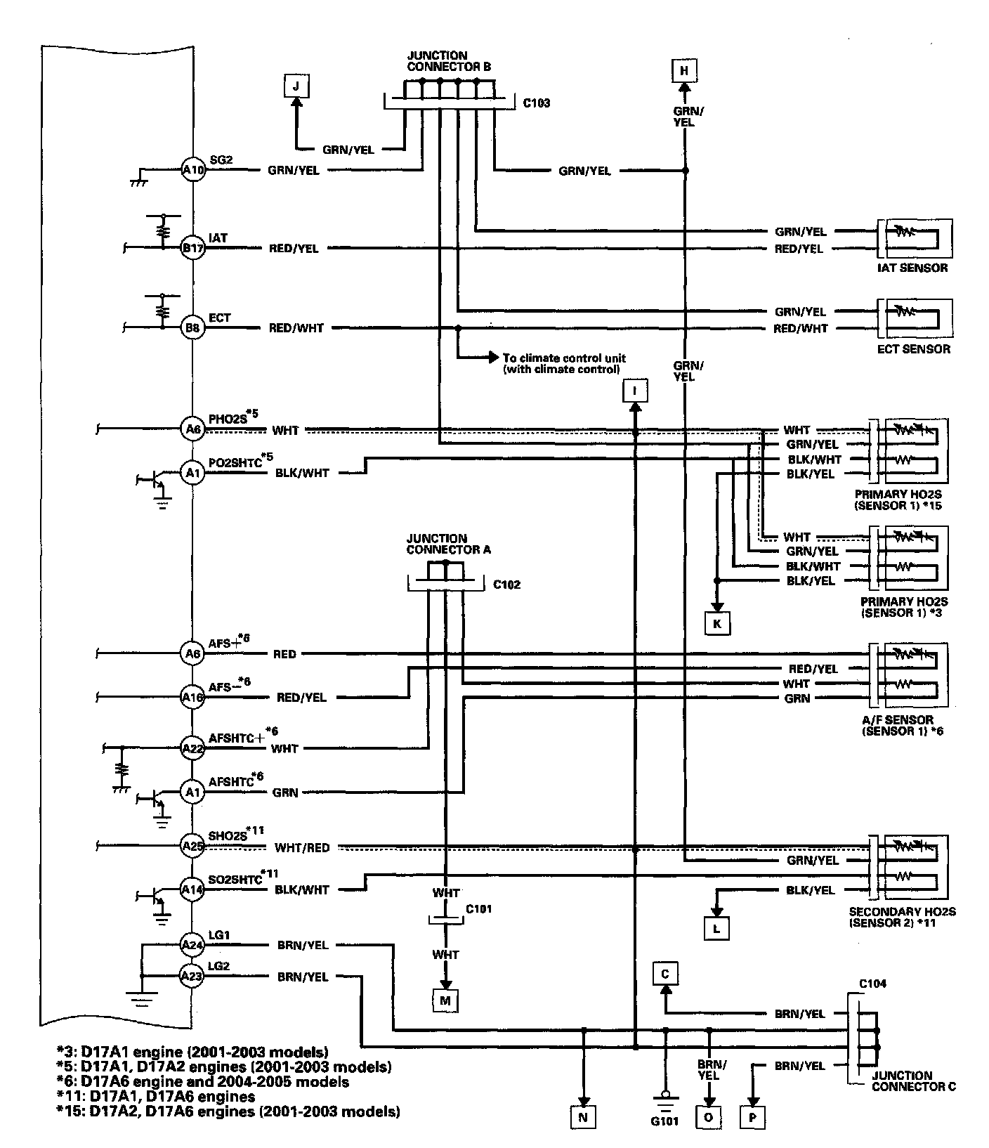
ECM/PCM Circuit Diagram Part 7:




ECM/PCM Circuit Diagram Part 8:




ECM/PCM Circuit Diagram Part 9:




ECM/PCM Circuit Diagram Part 10:




ECM/PCM Circuit Diagram Part 11: