LEMON Manuals: Even more car manuals for everyone: 1960-2025
Home >> Honda >> 2005 >> Civic Si L4-2.0L >> Repair and Diagnosis >> Cruise Control >> Cruise Control Servo >> Service and Repair
April 5, 2026: LEMON Manuals is launched! Read the announcement.

Cruise Control Servo: Service and Repair

Cruise Control Actuator/Cable Replacement




1. Fully open the cruise control link by hand, then remove the cruise control cable (A) from the link. Loosen the locknut (B), and remove the cable from the bracket.




2. Disconnect the 4P connector, and remove the three bolts securing the cruise control actuator.




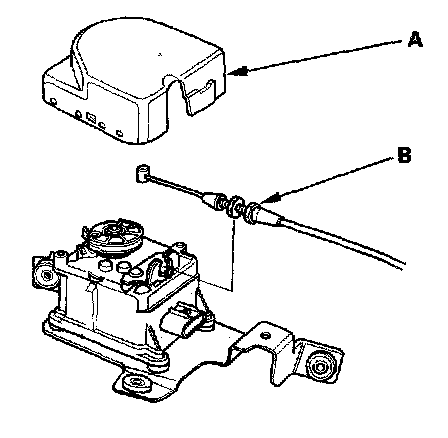
3. Remove the actuator cover (A), then remove the actuator cable (B) from the cruise control actuator.
4. Install in the reverse order of removal, and adjust the free play at the throttle linkage after connecting the actuator cable.