LEMON Manuals: Even more car manuals for everyone: 1960-2025
Home >> Honda >> 2005 >> Element 2WD L4-2.4L >> Repair and Diagnosis >> Powertrain Management >> Transmission Control Systems >> Diagrams >> Electrical Diagrams >> Circuit Diagrams >> PCM A/T Control System
April 5, 2026: LEMON Manuals is launched! Read the announcement.

PCM A/T Control System

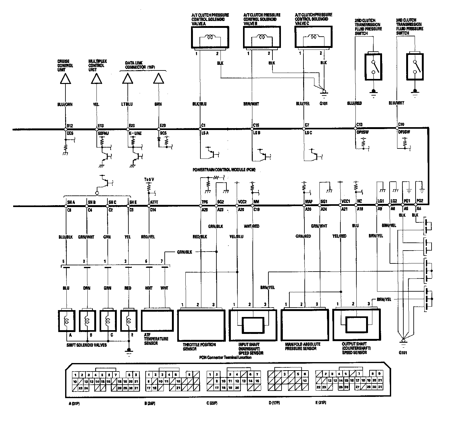
Circuit Diagram - PCM A/T Control System - Part 1:



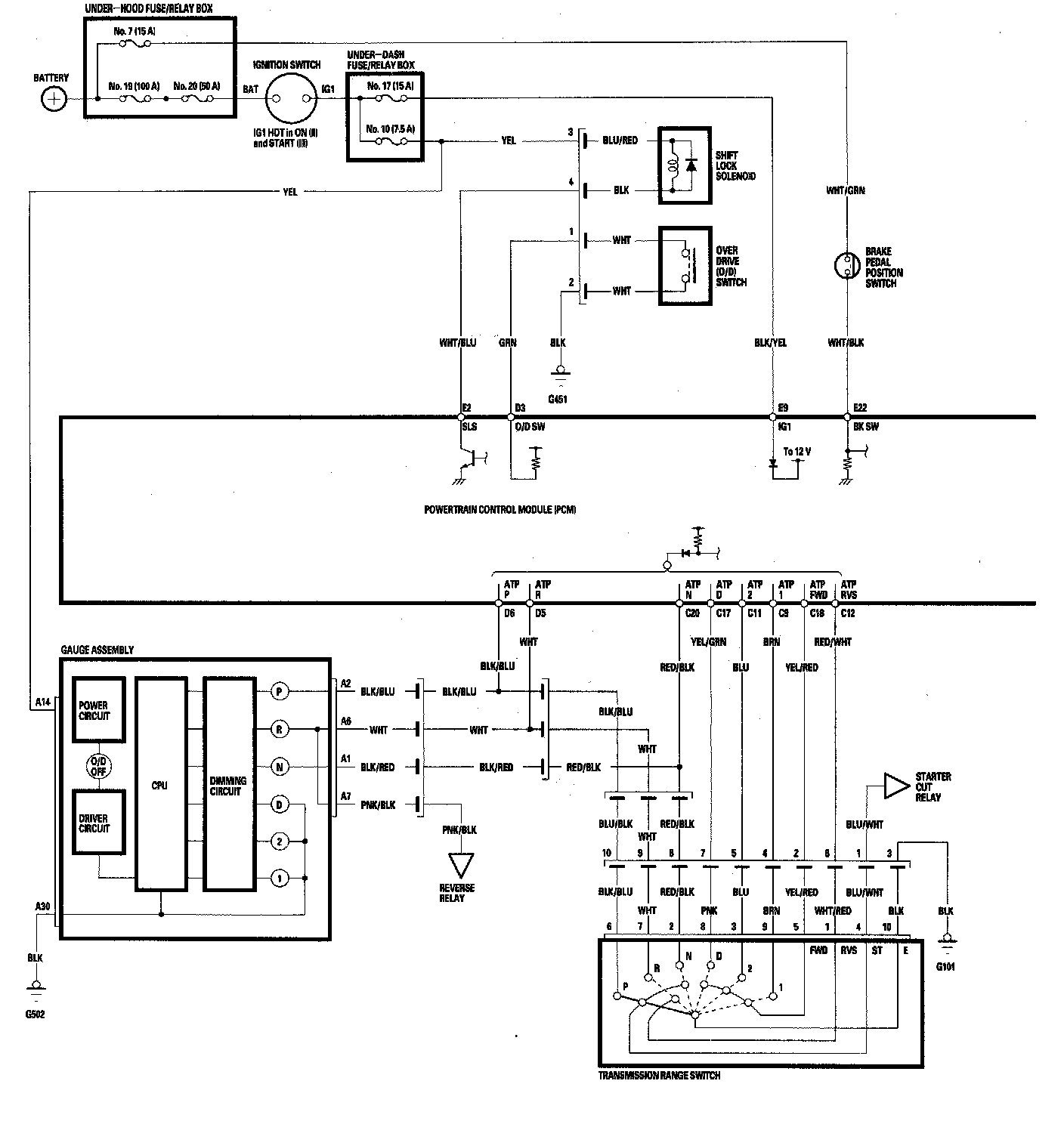
Circuit Diagram - PCM A/T Control System - Part 2: