LEMON Manuals: Even more car manuals for everyone: 1960-2025
Home >> Honda >> 2005 >> Insight L3-1.0L Hybrid >> Repair and Diagnosis >> Hybrid Drive Systems >> Power Control System >> Drive Motor Control Module >> Service and Repair >> Power Control Unit (PCU) Removal/Installation
April 5, 2026: LEMON Manuals is launched! Read the announcement.

Power Control Unit (PCU) Removal/Installation

Power Control Unit (PCU) Removal/Installation
IMA system components are located in this area. The IMA system is a high-voltage system. You must be familiar with the IMA system before working on or around it.

1. Turn the ignition switch OFF.
2. Remove the cargo floor mat.





3. Remove the battery module switch cover (A) from the IPU lid, and remove the locking cover (B).





4. Turn the battery module switch (A) OFF, then install the locking cover (B).
5. Wait for at least 5 minutes to allow the PCU capacitors (condensers) to discharge.
6. Disconnect the negative cable from the 12 V battery in the engine compartment.





7. Remove the trunk right side shelf support (A).





8. Remove the mid-frame cover clips and the IPU lid (A).





9. Measure voltage at the junction board terminals (A). There should be 30 V or less. If more than 30 V is present, there is a problem in the circuit; do the DTC troubleshooting before continuing.
10. Remove the foam inserts.





11. Remove the mid-frame (A), then remove the front and rear IPU braces (B) from the junction board.
12. Disconnect the high-voltage cables (C) from the output terminals on the junction board, and wrap them with insulating tape.





13. Disconnect the connector (A) from the rear of the cooling fan assembly (B), and remove the harness clip from the fan shroud (C).
14. Remove the four fan bolts (D), and remove the fan bracket (E).
15. Remove the fan duct (F) from the fan (B), and remove the fan.





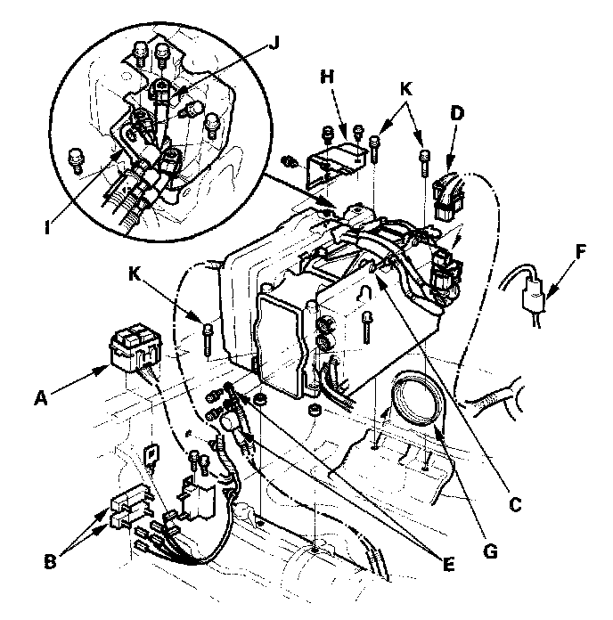
16. Lift the relay pack (A) from its holder. Disconnect the harness from the resistors (B), and remove the two harness clips from the panel.
17. Disconnect the Y condenser ground (C).
18. Disconnect the connector (D) from the PCU, and disconnect the 12 V battery cables (E).
19. Disconnect the high voltage DC-DC converter 2P connector (F).
20. Pull the intake duct (G) away from the front of the PCU.
21. Remove the PCU terminal cover (H), and remove the clip (I) and three bolts that hold the three-phase cables (J) in place.
22. Remove the four PCU mounting bolts (K).
23. Carefully lift the PCU from the vehicle, and set it on a flat surface.