LEMON Manuals: Even more car manuals for everyone: 1960-2025
Home >> Honda >> 2005 >> Odyssey EX >> Repair and Diagnosis >> Engine Performance >> Ignition System >> Circuit Diagram
April 5, 2026: LEMON Manuals is launched! Read the announcement.

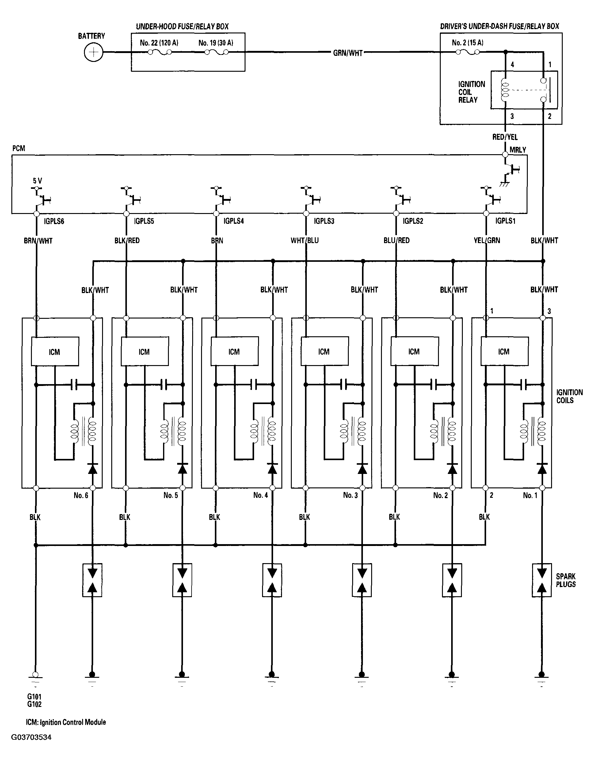
Circuit Diagram

Fig 1: Circuit Diagram - Ignition System
G03703534Courtesy of AMERICAN HONDA MOTOR CO., INC.