LEMON Manuals: Even more car manuals for everyone: 1960-2025
Home >> Honda >> 2005 >> Odyssey V6-3.5L >> Repair and Diagnosis >> Diagrams >> Electrical Diagrams >> Powertrain Management >> System Diagram >> Control Module Circuit Diagrams >> PCM Circuit Diagrams
April 5, 2026: LEMON Manuals is launched! Read the announcement.

PCM Circuit Diagrams

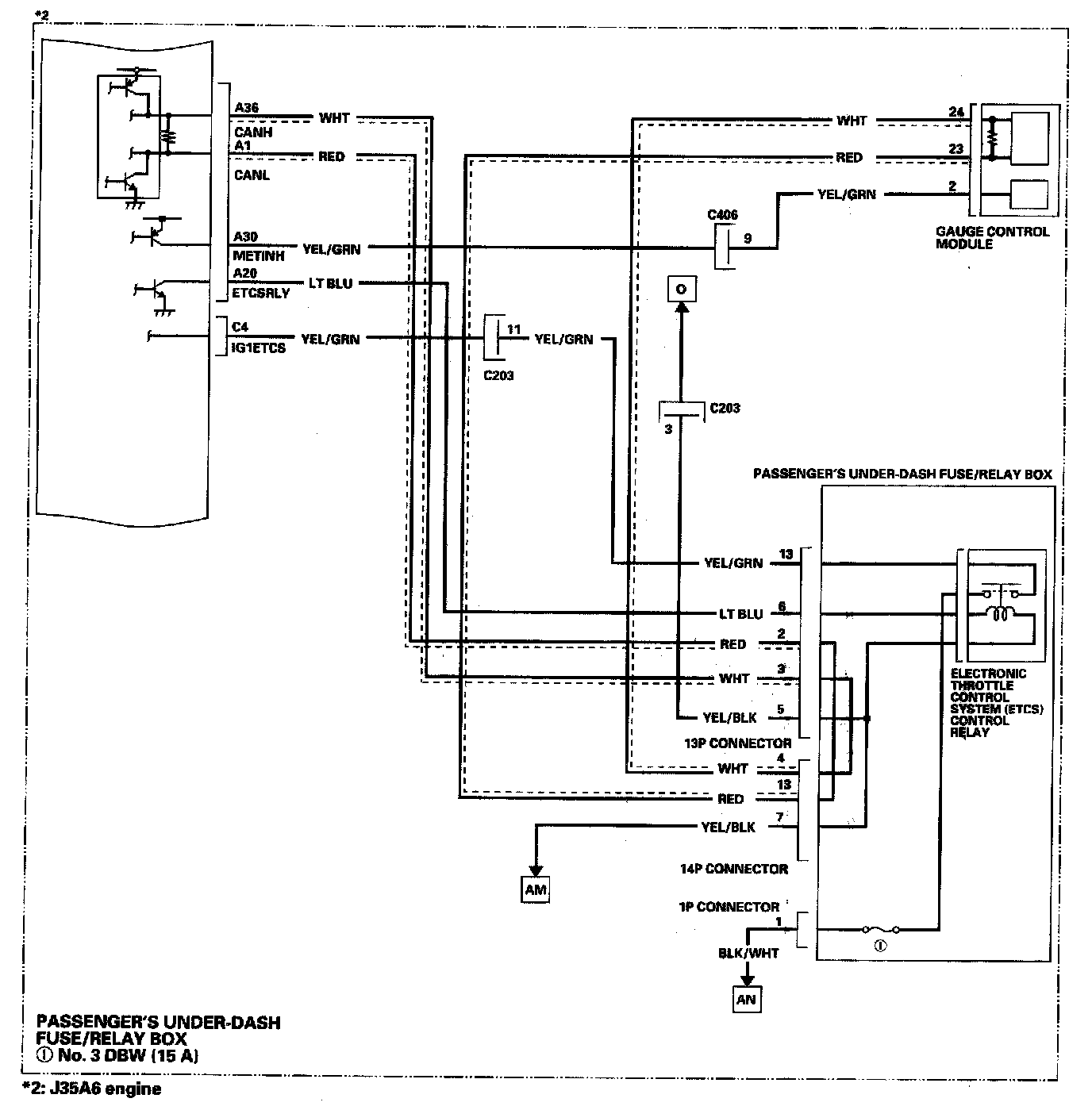
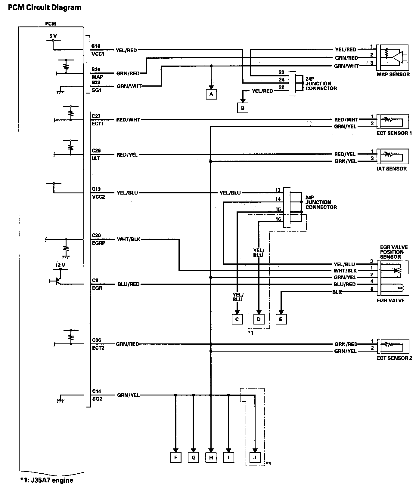
PCM Circuit Diagram 11-54:



PCM Circuit Diagram 11-55:



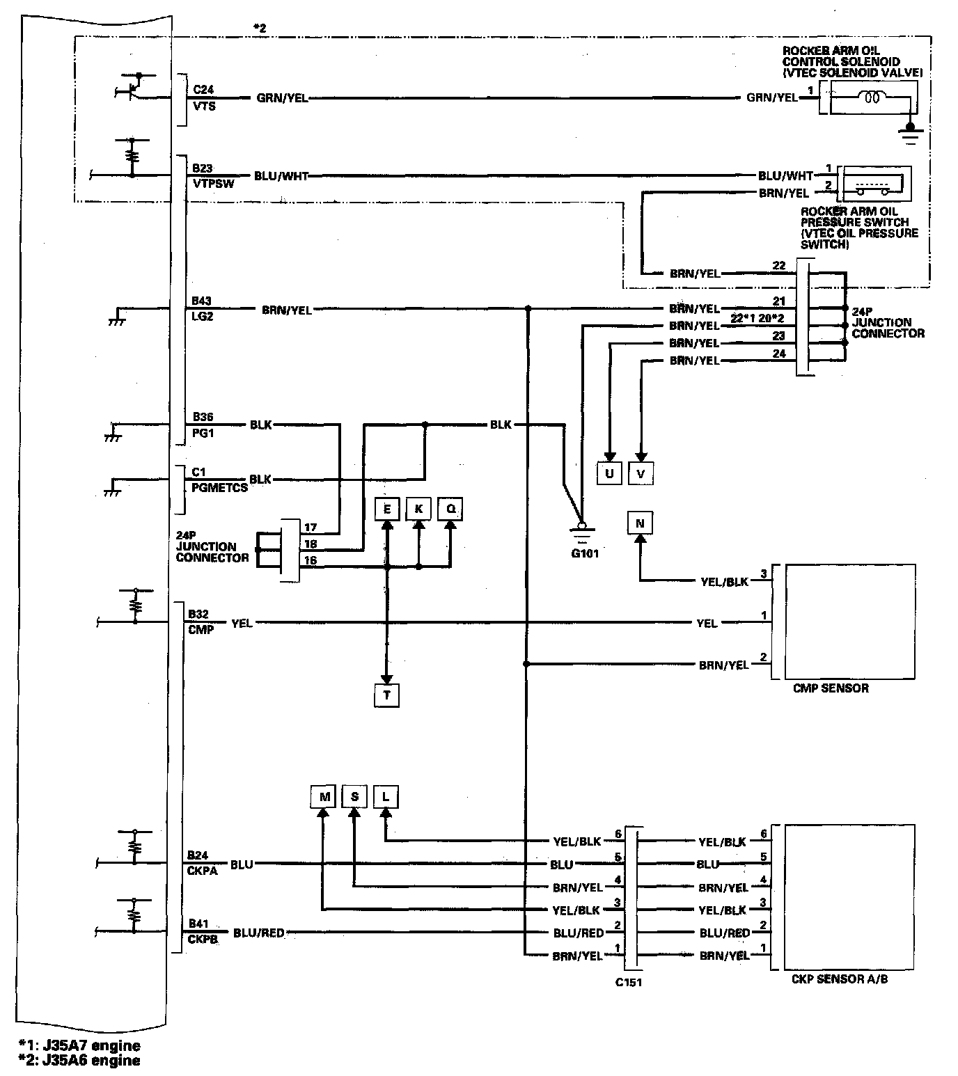
PCM Circuit Diagram 11-56:



PCM Circuit Diagram 11-57:



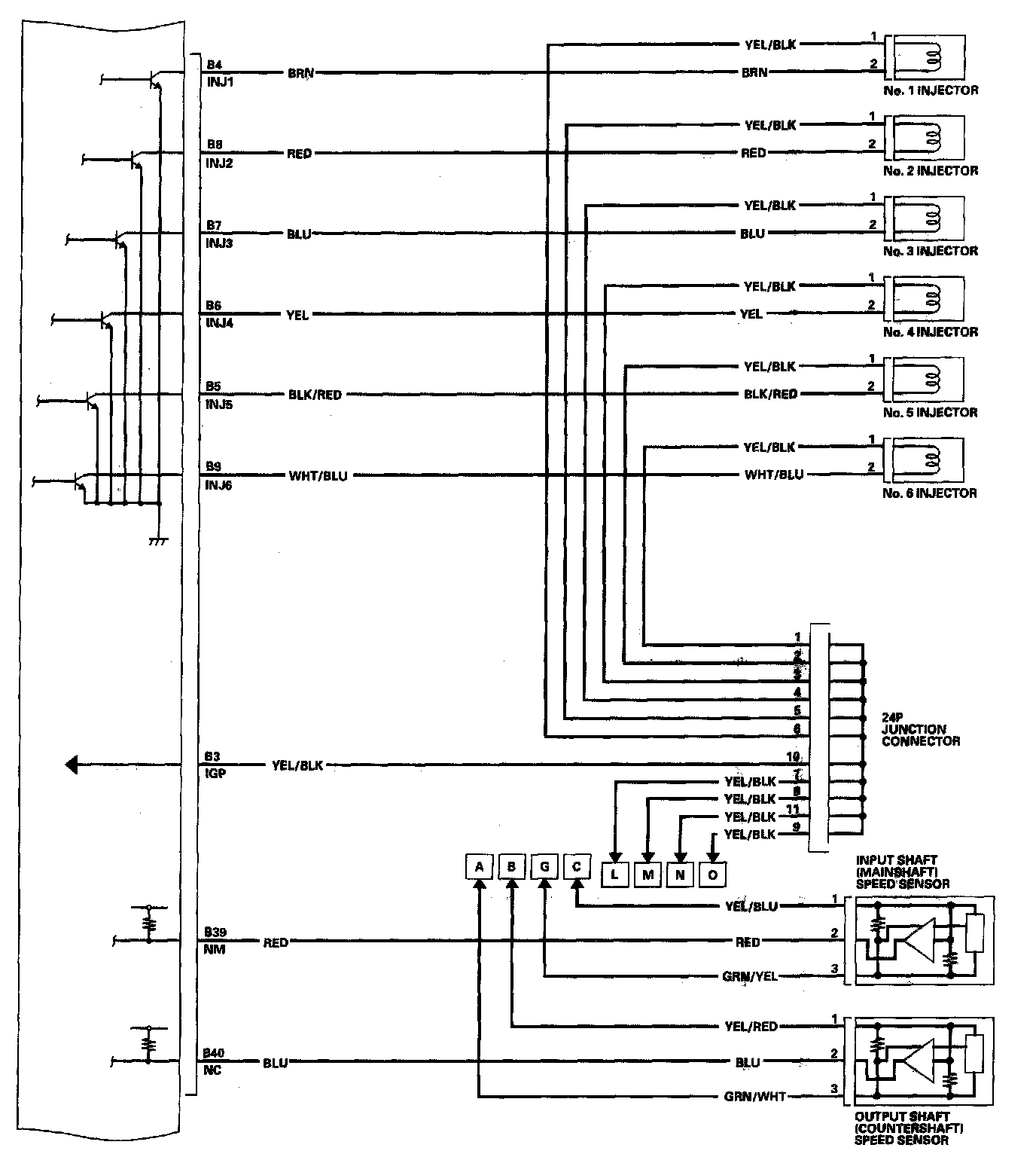
PCM Circuit Diagram 11-58:



PCM Circuit Diagram 11-59:



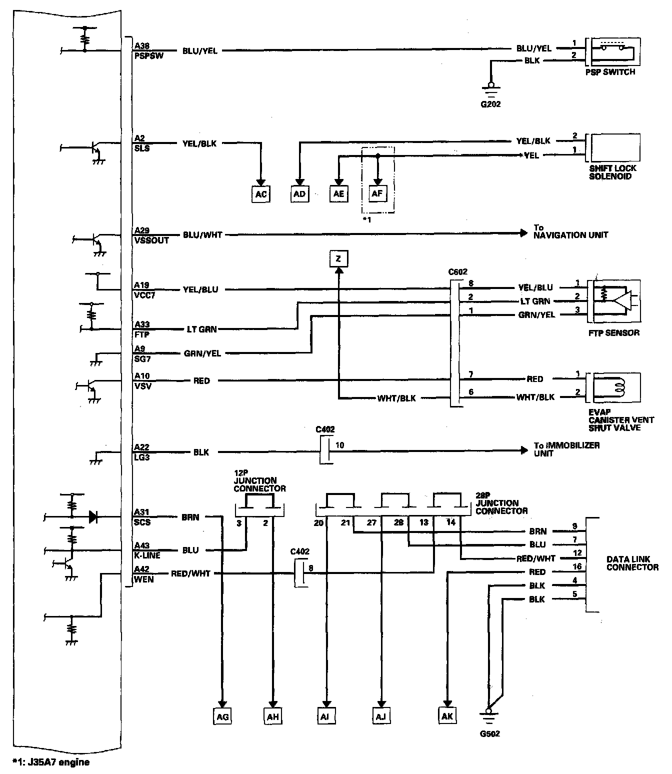
PCM Circuit Diagram 11-60:



PCM Circuit Diagram 11-61:



PCM Circuit Diagram 11-62:



PCM Circuit Diagram 11-63:



PCM Circuit Diagram 11-64:



PCM Circuit Diagram 11-65:



PCM Circuit Diagram 11-66: