LEMON Manuals: Even more car manuals for everyone: 1960-2025
Home >> Honda >> 2005 >> Pilot EX >> Repair and Diagnosis >> Accessories & Equipment >> Anti-Theft Systems >> Keyless Entry/Security System >> Circuit Diagram
April 5, 2026: LEMON Manuals is launched! Read the announcement.

Circuit Diagram

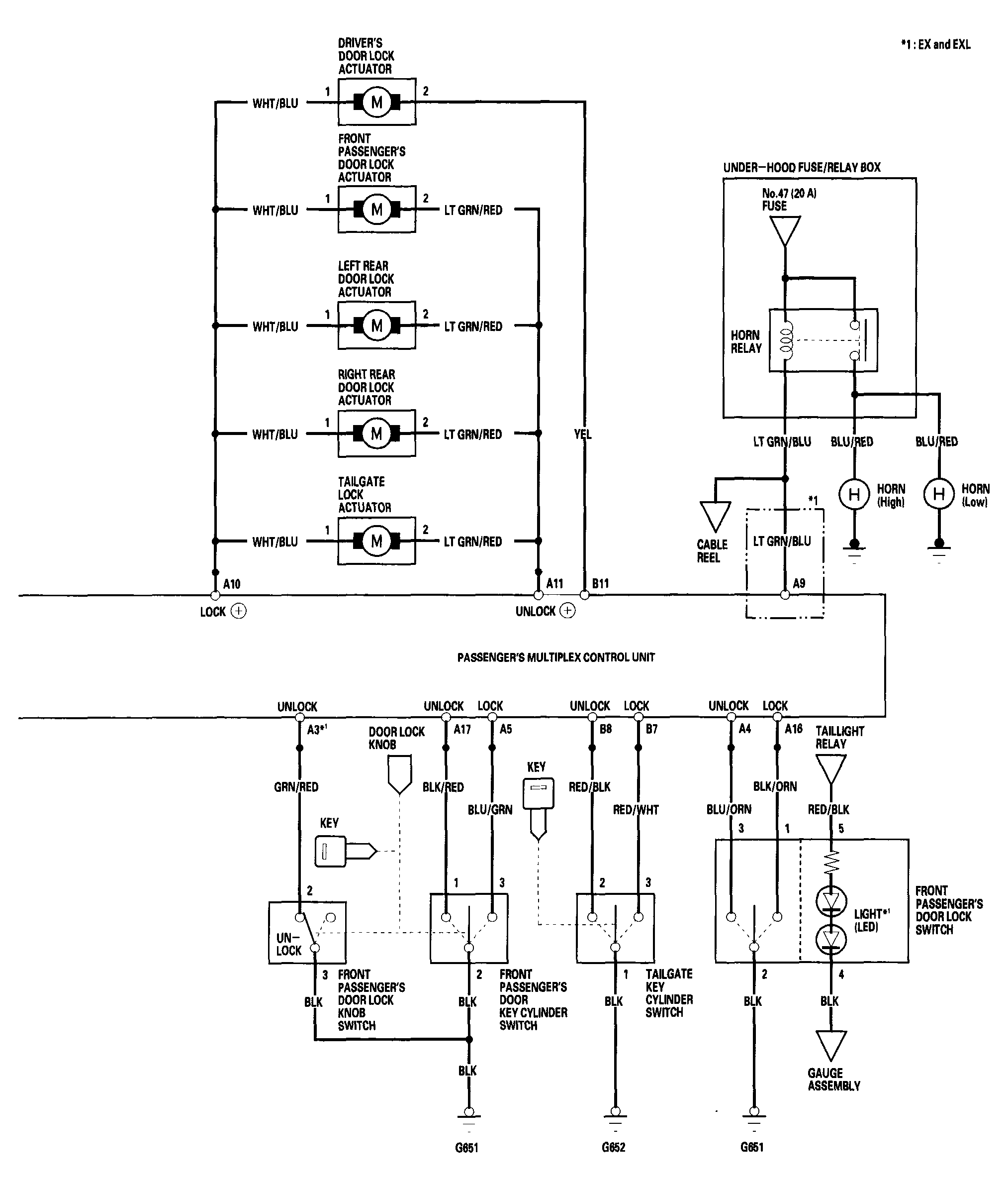
Fig 1: Keyless Entry/Security Alarm Circuit Diagram
G04548434Courtesy of AMERICAN HONDA MOTOR CO., INC.
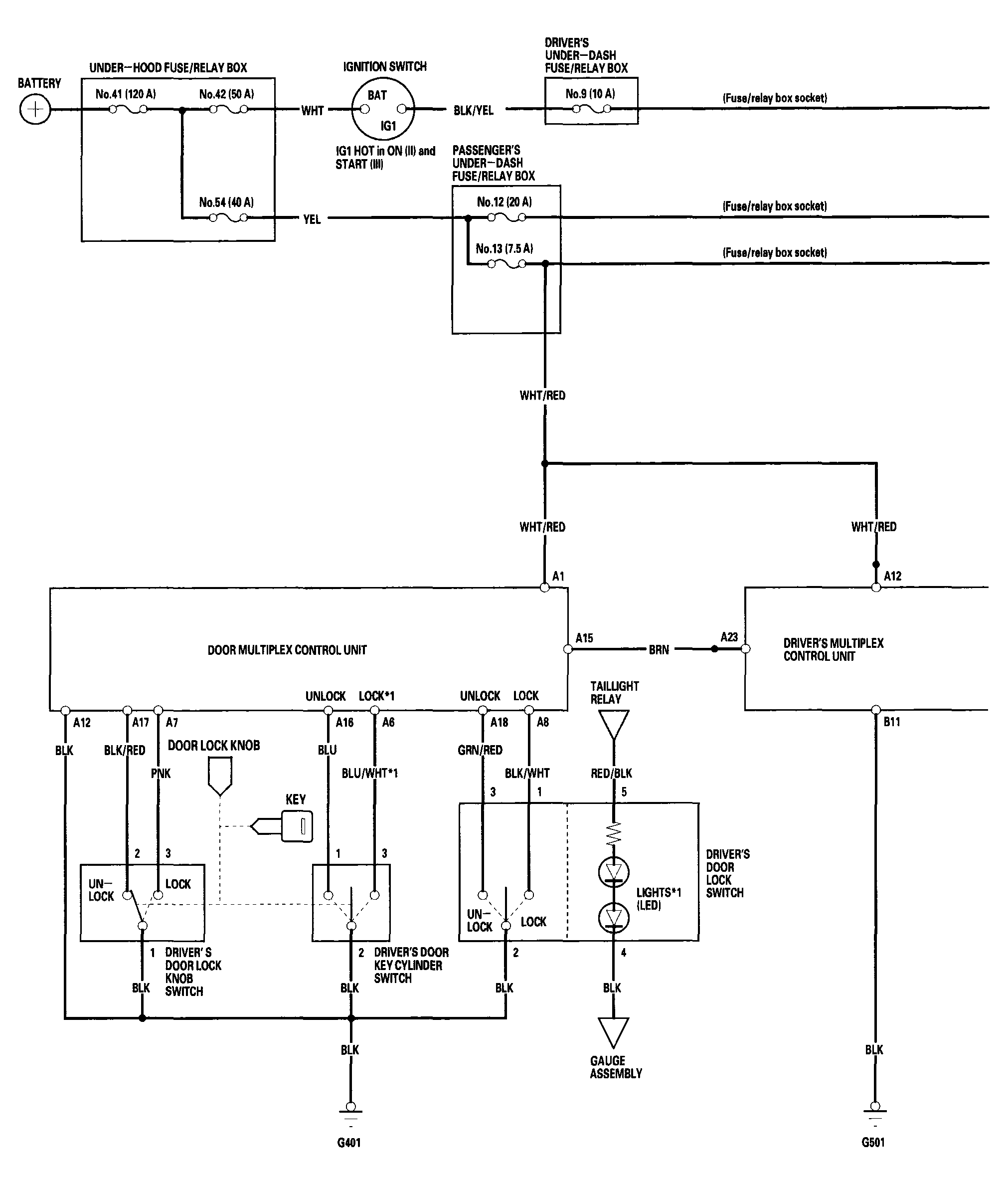
Fig 2: Drivers's Multiplex Control Unit Circuit Diagram
G04548435Courtesy of AMERICAN HONDA MOTOR CO., INC.
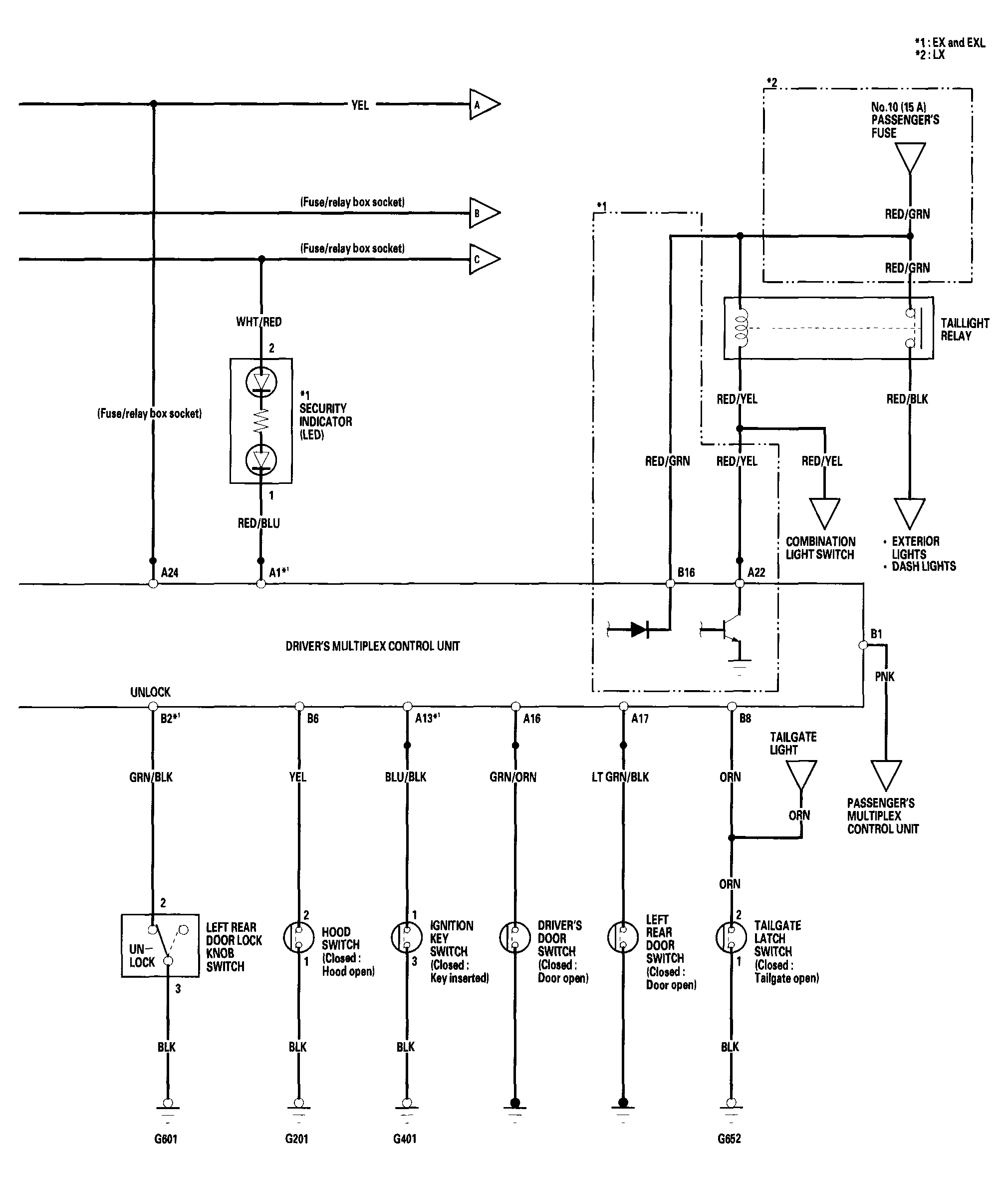
Fig 3: Keyless Entry/Security Alarm Circuit Diagram
G04548436Courtesy of AMERICAN HONDA MOTOR CO., INC.
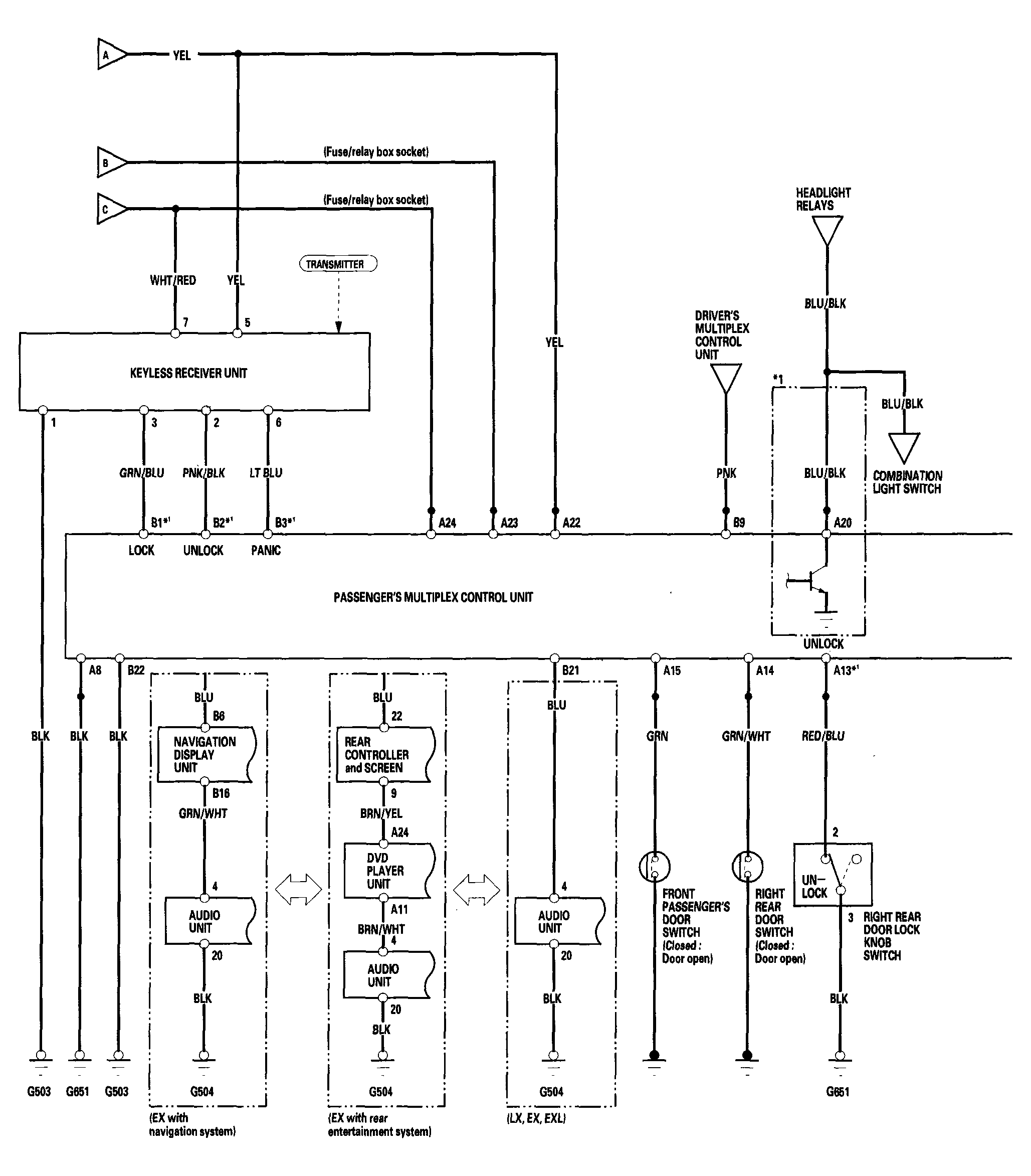
Fig 4: Passengers's Multiplex Control Unit Circuit Diagram
G04548437Courtesy of AMERICAN HONDA MOTOR CO., INC.