LEMON Manuals: Even more car manuals for everyone: 1960-2025
Home >> Honda >> 2005 >> Pilot EX >> Repair and Diagnosis >> Accessories & Equipment >> Communication Devices >> Multiplex Control System >> Circuit Diagram
April 5, 2026: LEMON Manuals is launched! Read the announcement.

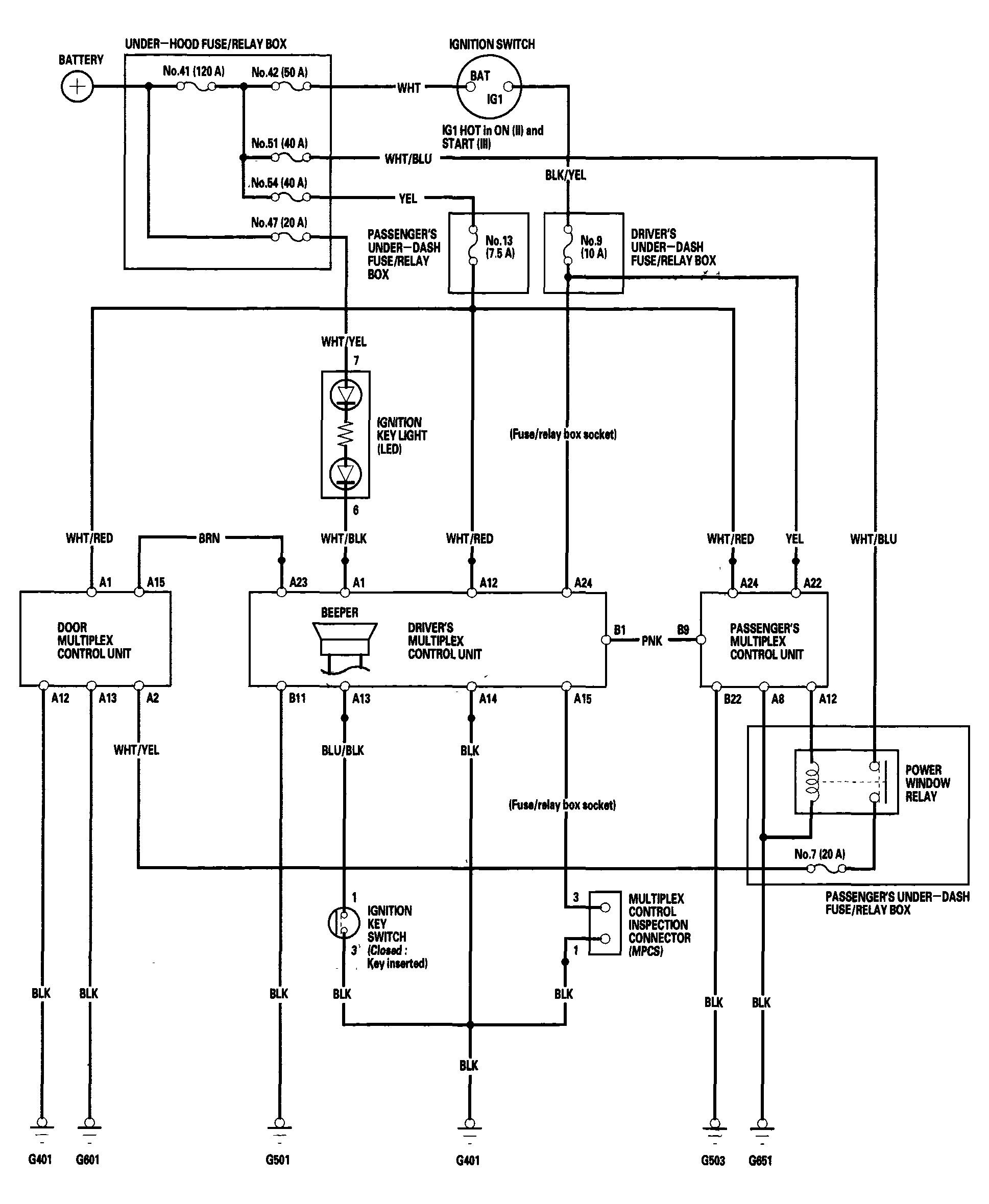
Circuit Diagram

Fig 1: Multiplex Control System Circuit Diagram
G04548397Courtesy of AMERICAN HONDA MOTOR CO., INC.