LEMON Manuals: Even more car manuals for everyone: 1960-2025
Home >> Honda >> 2005 >> Pilot EX >> Repair and Diagnosis >> Body & Frame >> Windows >> Power Windows >> Circuit Diagram
April 5, 2026: LEMON Manuals is launched! Read the announcement.

Circuit Diagram

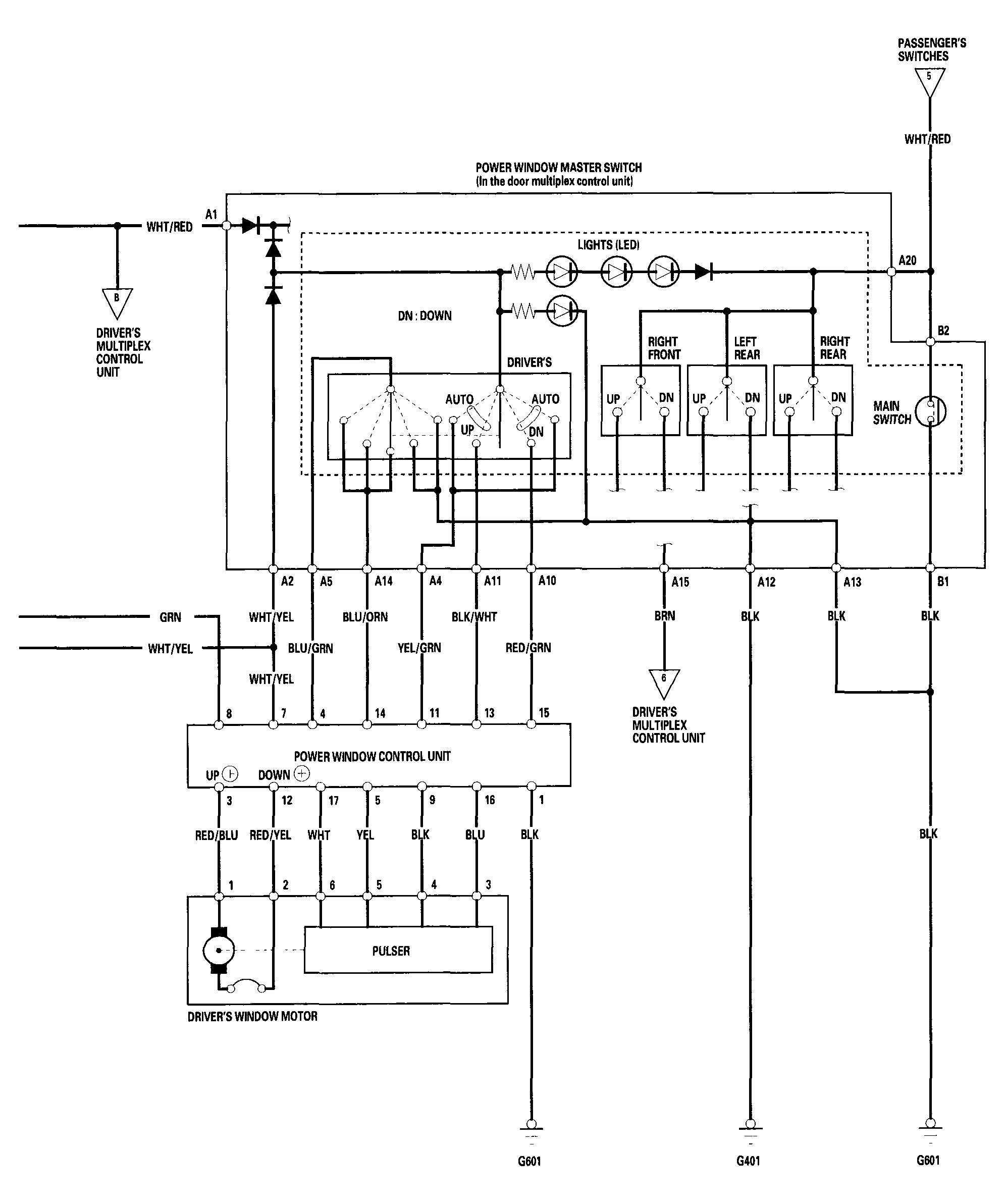
Fig 1: Power Window Switch Circuit Diagram (1 Of 4)
G04548416Courtesy of AMERICAN HONDA MOTOR CO., INC.
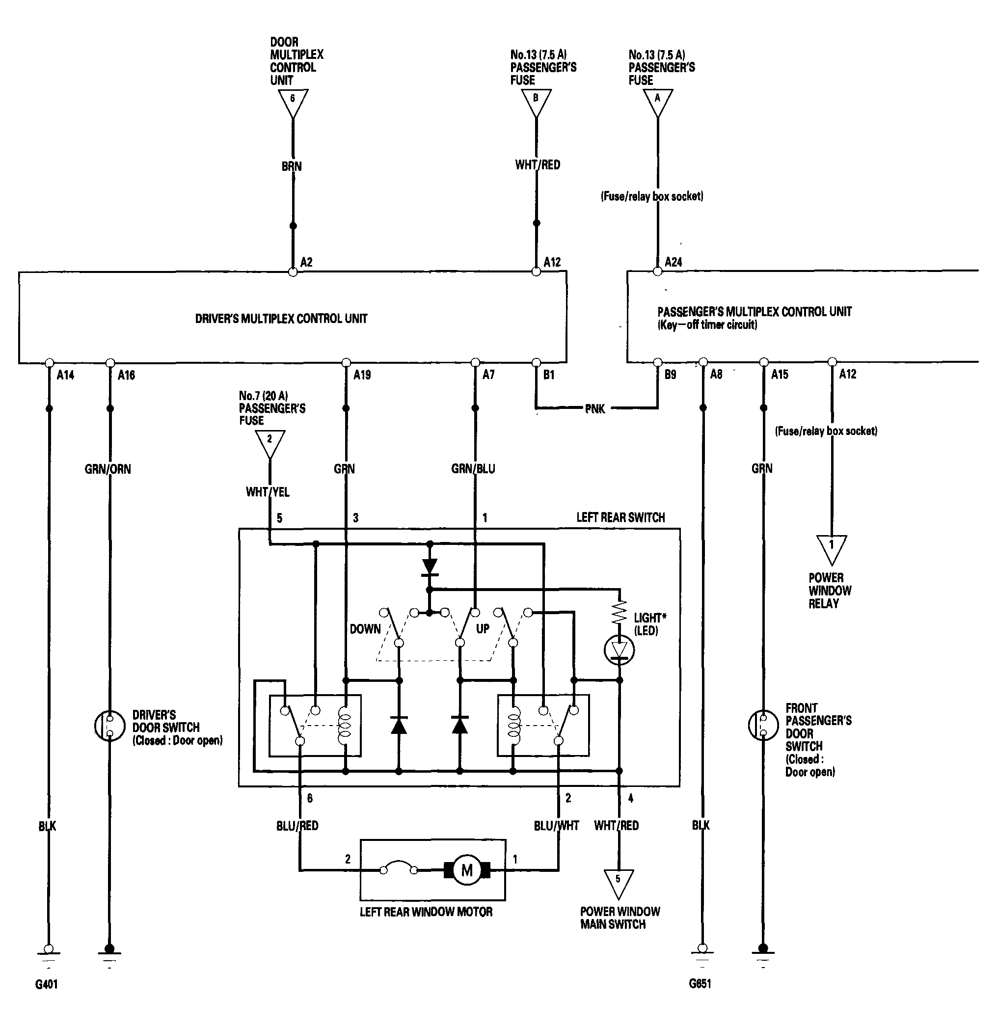
Fig 2: Power Window Switch Circuit Diagram (2 Of 4)
G04548417Courtesy of AMERICAN HONDA MOTOR CO., INC.
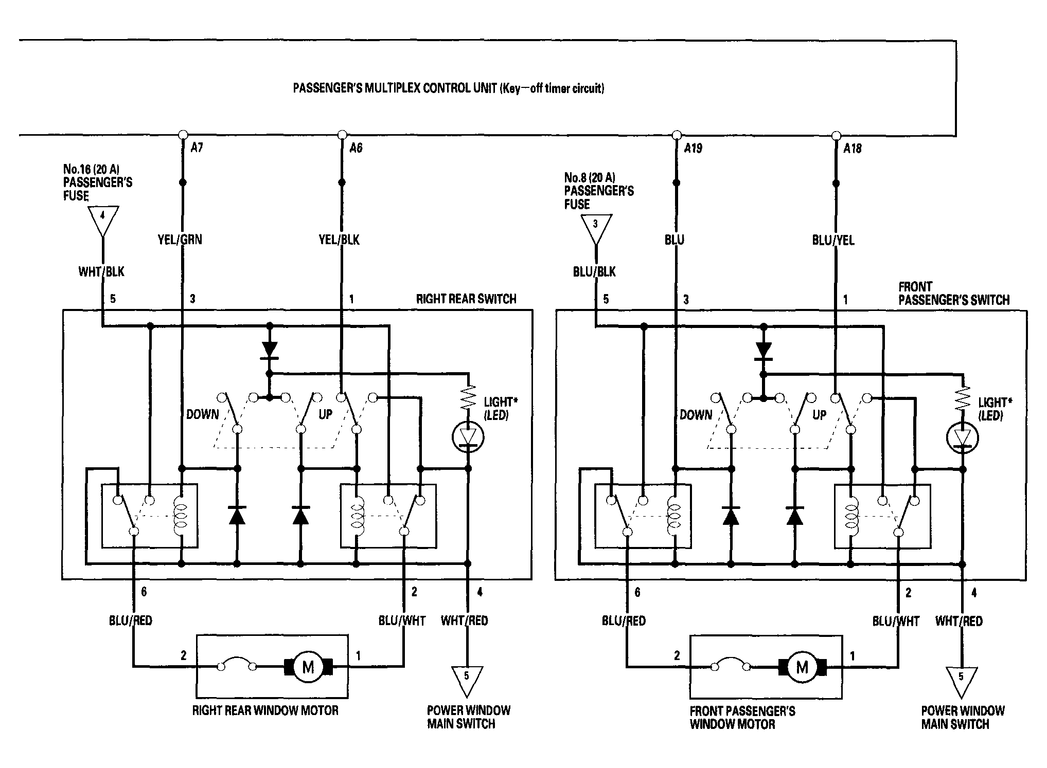
Fig 3: Power Window Switch Circuit Diagram (3 Of 4)
G04548418Courtesy of AMERICAN HONDA MOTOR CO., INC.
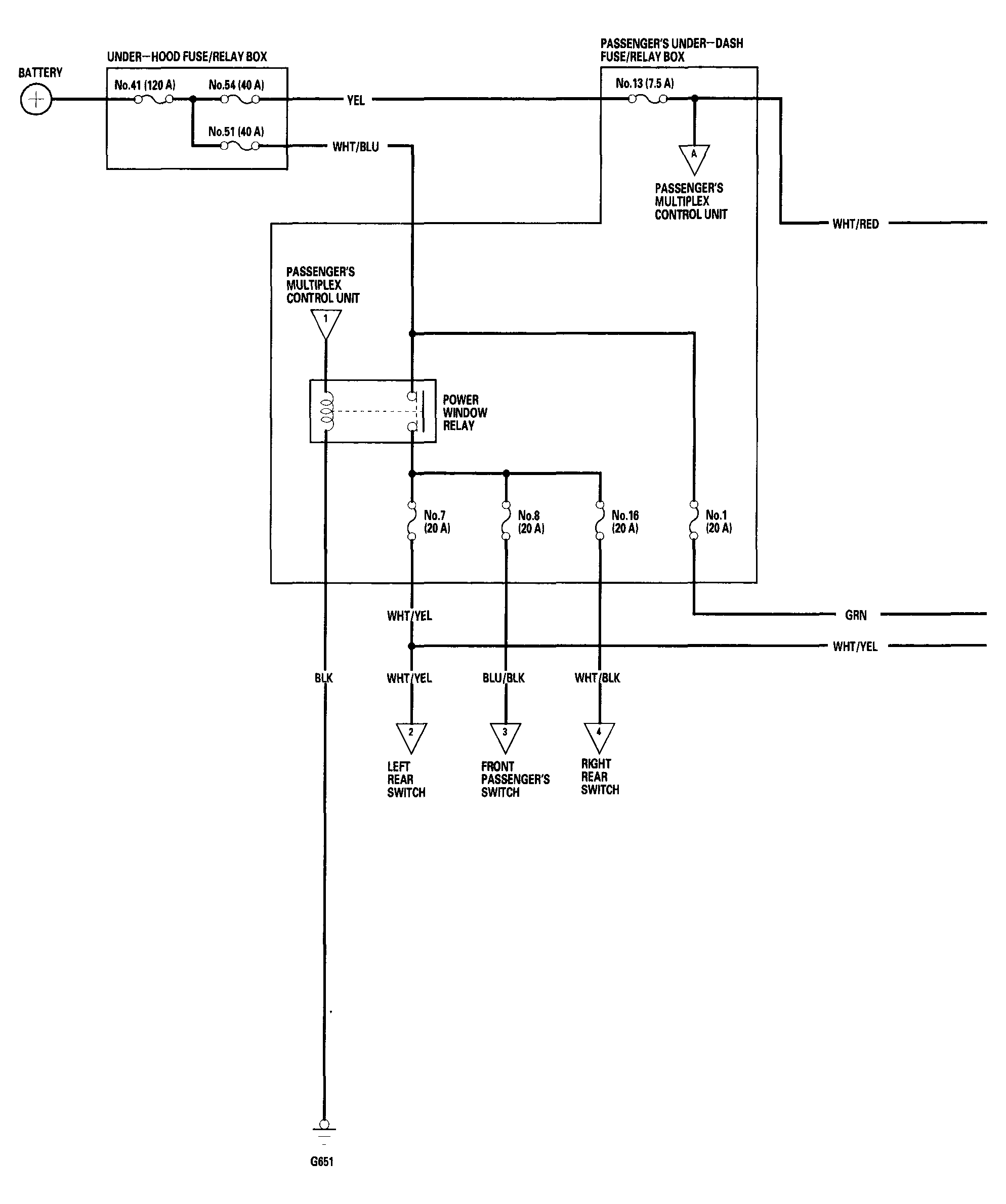
Fig 4: Power Window Switch Circuit Diagram (4 Of 4)
G04548419Courtesy of AMERICAN HONDA MOTOR CO., INC.