LEMON Manuals: Even more car manuals for everyone: 1960-2025
Home >> Honda >> 2005 >> Pilot V6-3.5L >> Repair and Diagnosis >> Diagrams >> Electrical Diagrams >> Powertrain Management >> System Diagram >> Control Module Circuit Diagrams >> PCM Circuit Diagrams
April 5, 2026: LEMON Manuals is launched! Read the announcement.

PCM Circuit Diagrams

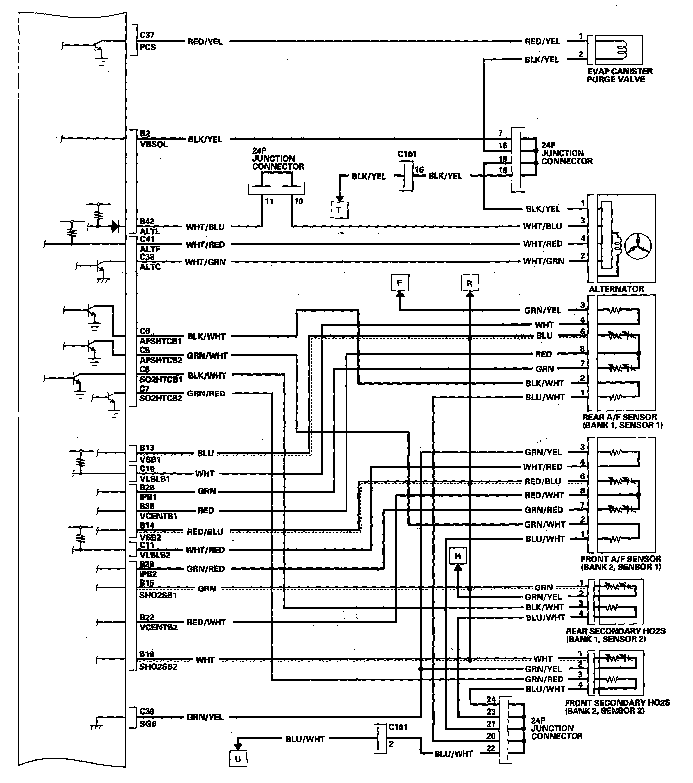
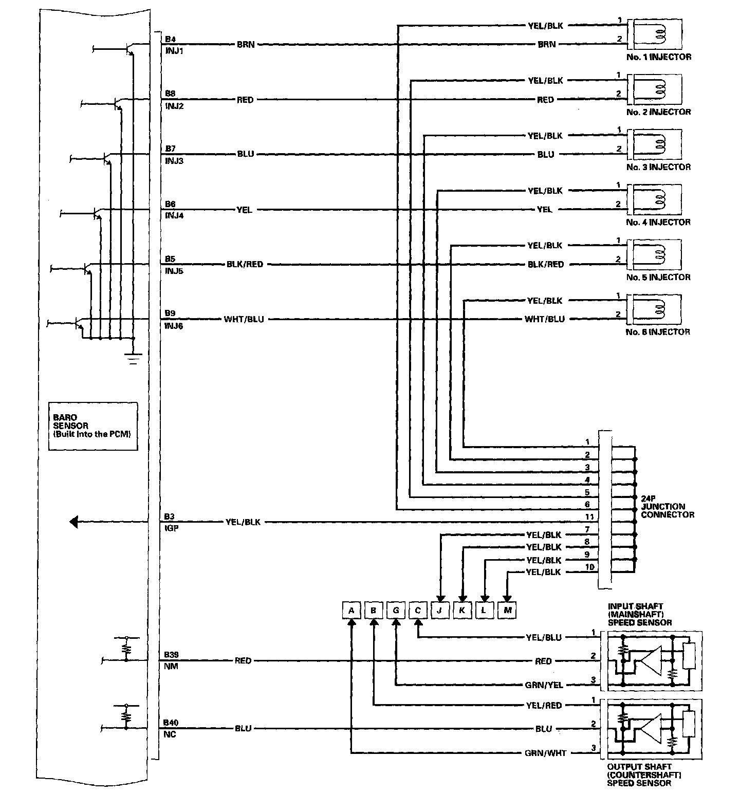
PCM Circuit Diagram 11-46:




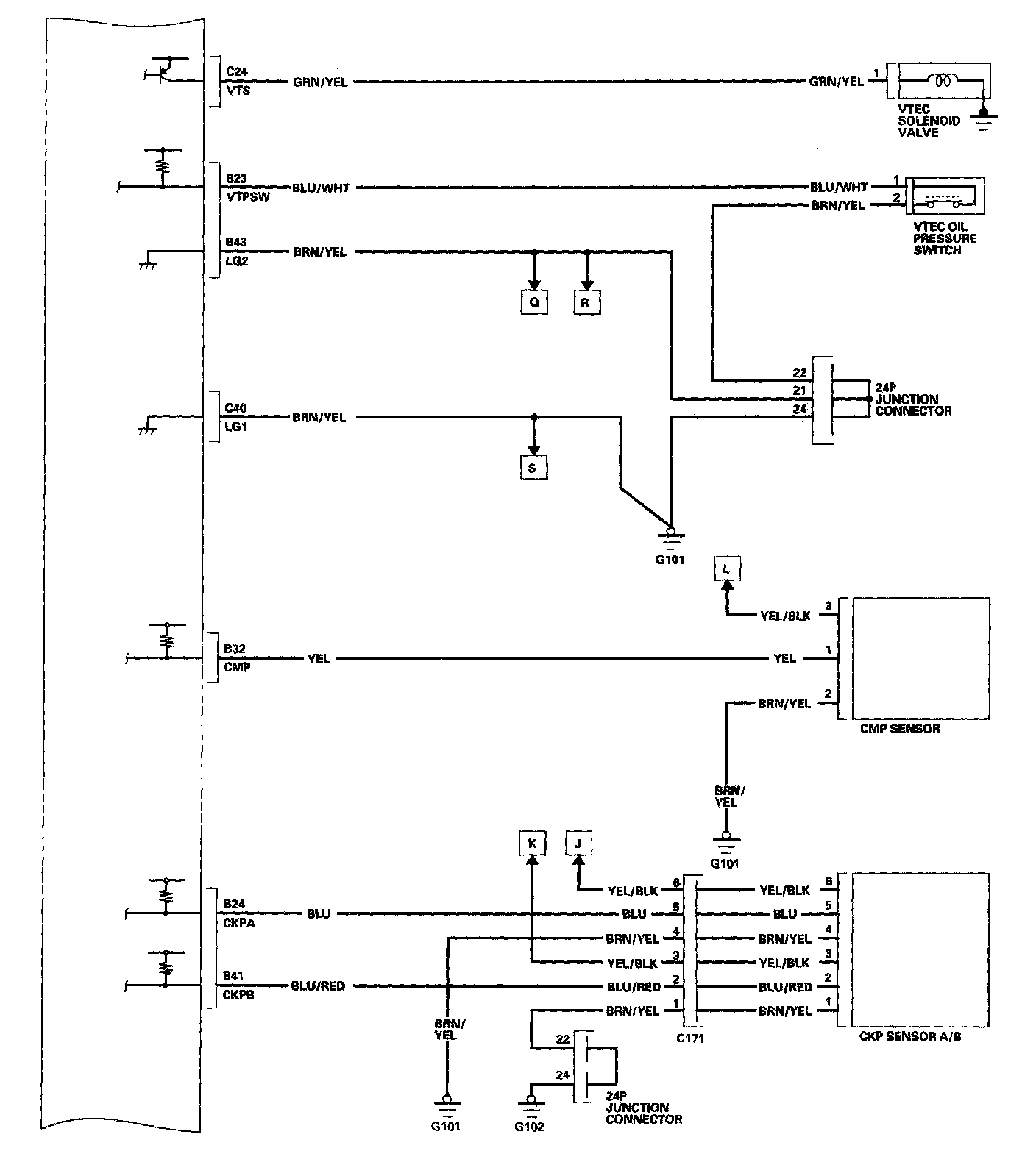
PCM Circuit Diagram 11-47:




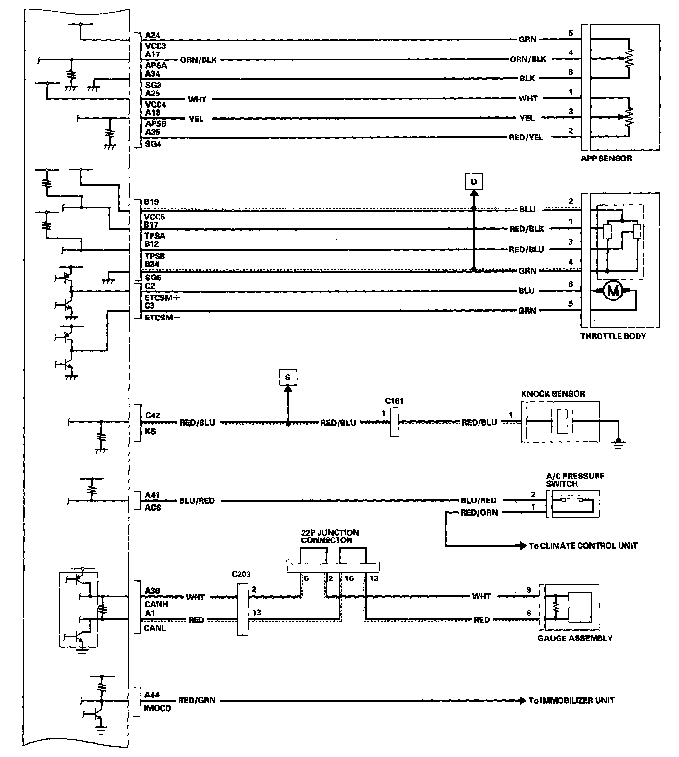
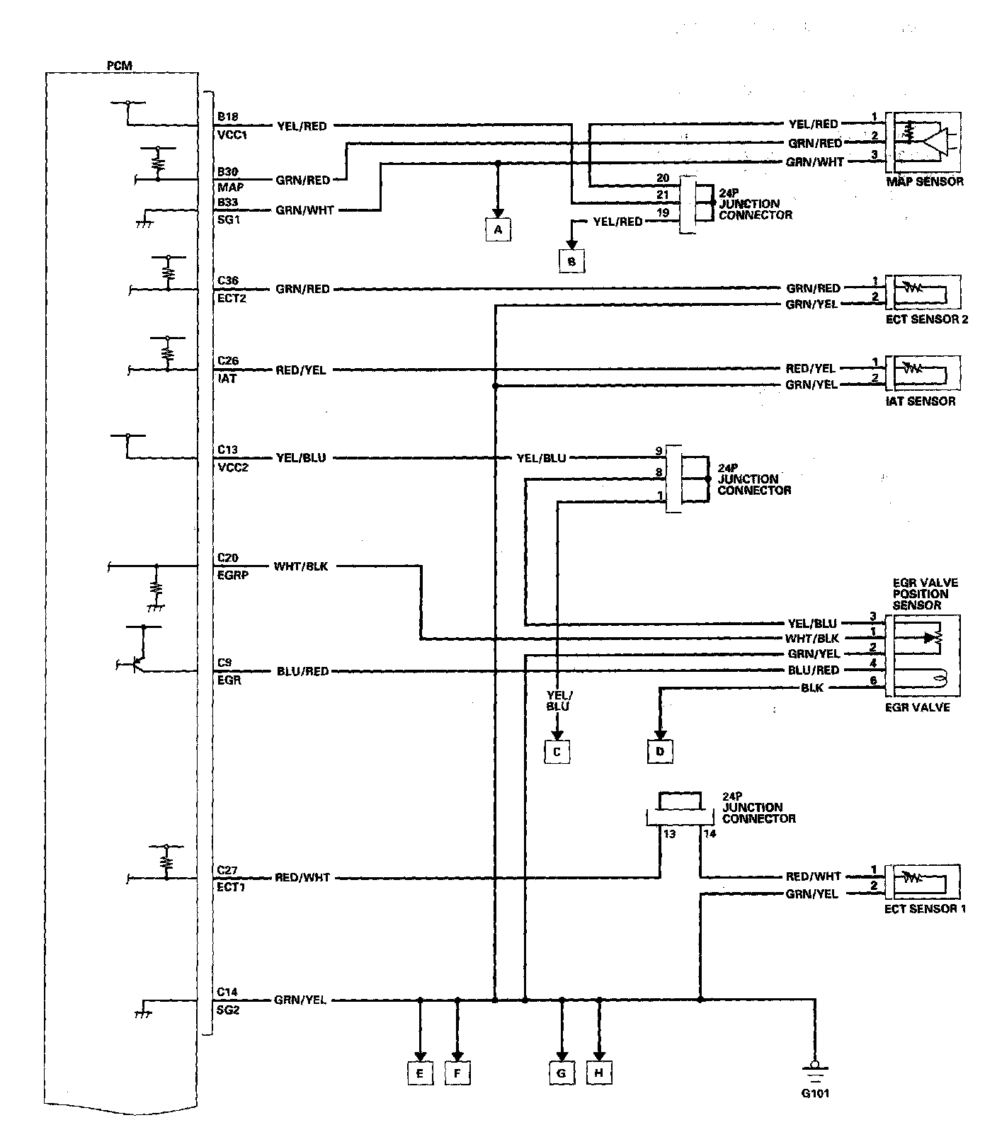
PCM Circuit Diagram 11-48:




PCM Circuit Diagram 11-49:




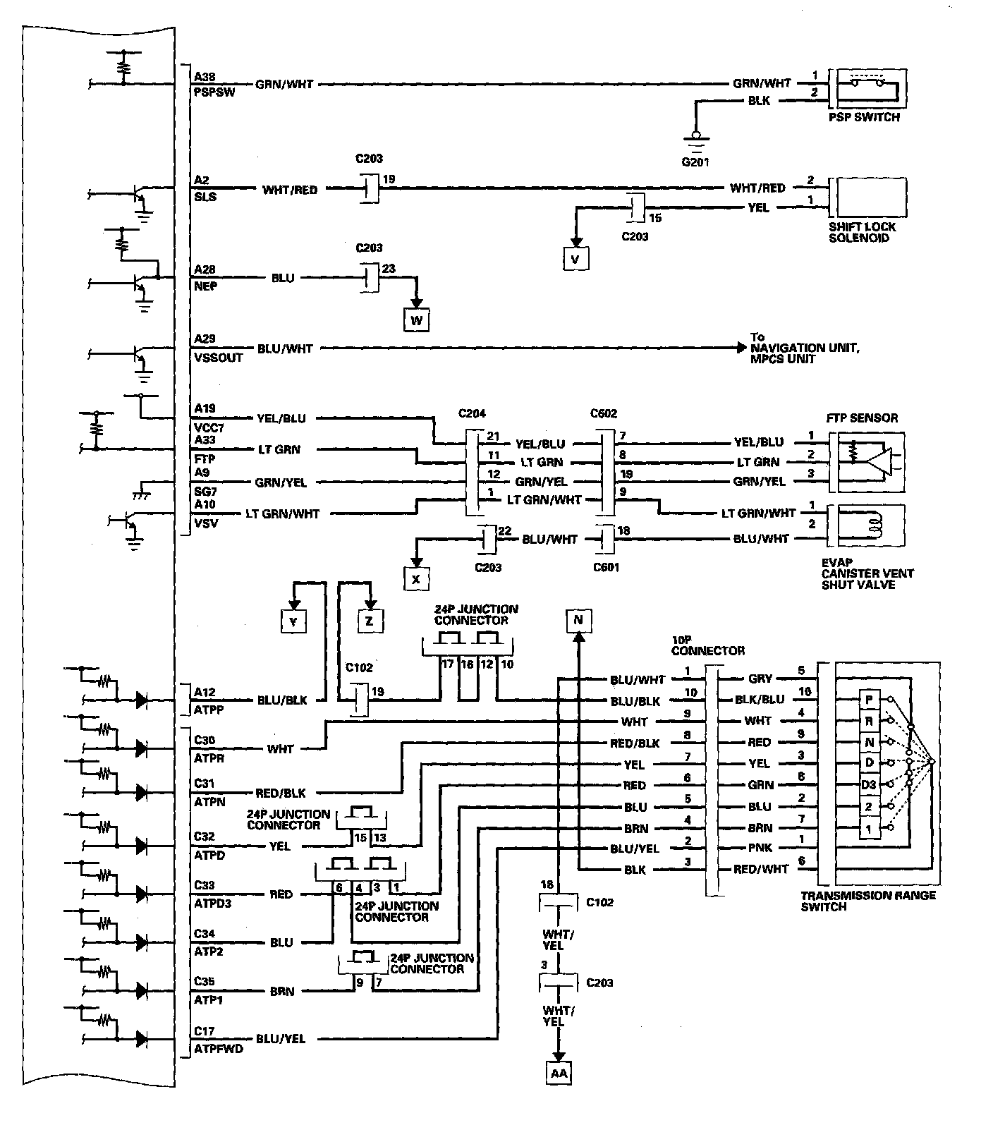
PCM Circuit Diagram 11-50:




PCM Circuit Diagram 11-51:




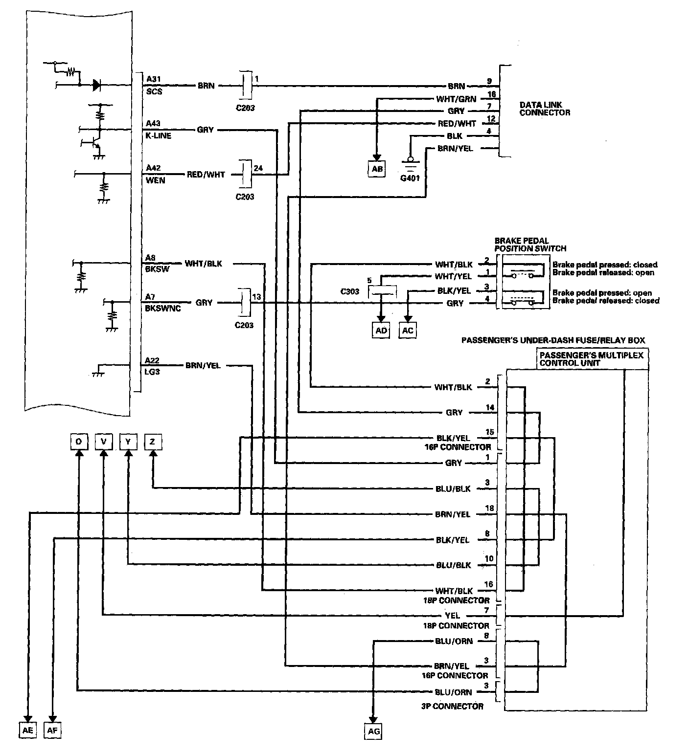
PCM Circuit Diagram 11-52:




PCM Circuit Diagram 11-53:




PCM Circuit Diagram 11-54:




PCM Circuit Diagram 11-55:




PCM Circuit Diagram 11-56: