LEMON Manuals: Even more car manuals for everyone: 1960-2025
Home >> Honda >> 2005 >> S2000 L4-2.2L >> Repair and Diagnosis >> Diagrams >> Electrical Diagrams >> Powertrain Management >> System Diagram >> Control Module Circuit Diagrams >> ECM Circuit Diagrams
April 5, 2026: LEMON Manuals is launched! Read the announcement.

ECM Circuit Diagrams

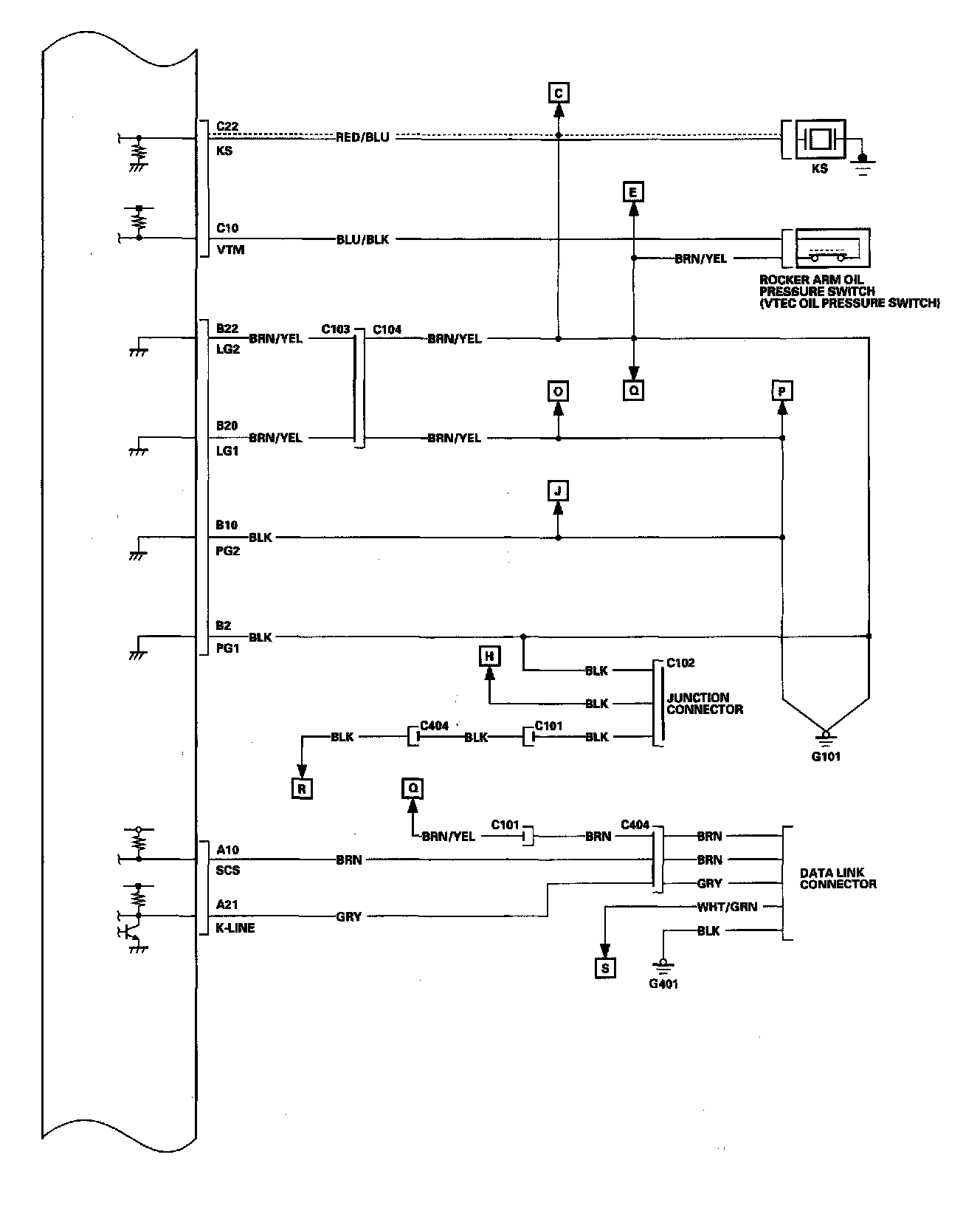
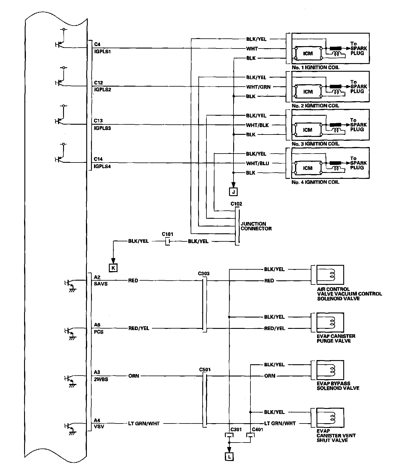
ECM Circuit Diagram 11-32:



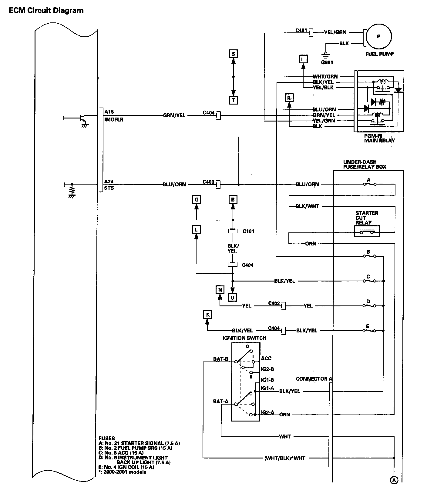
ECM Circuit Diagram 11-33:



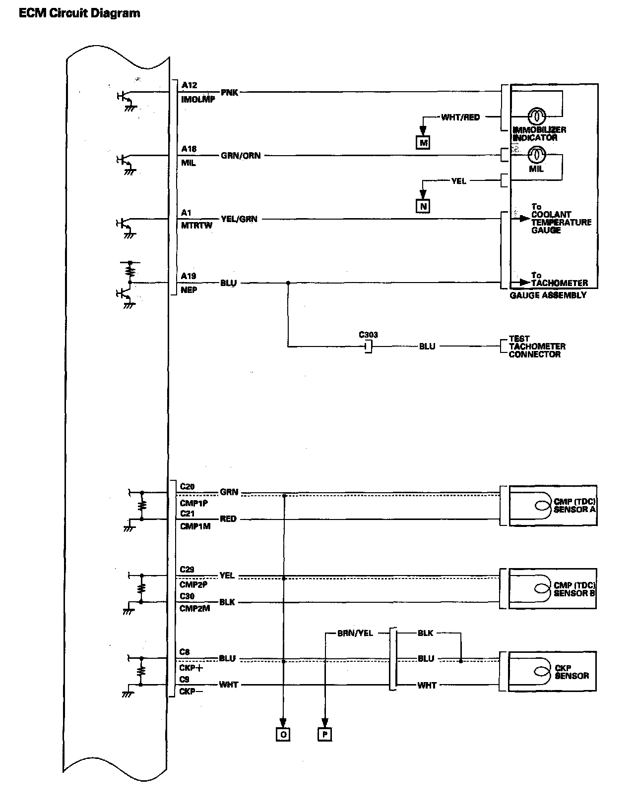
ECM Circuit Diagram 11-34:



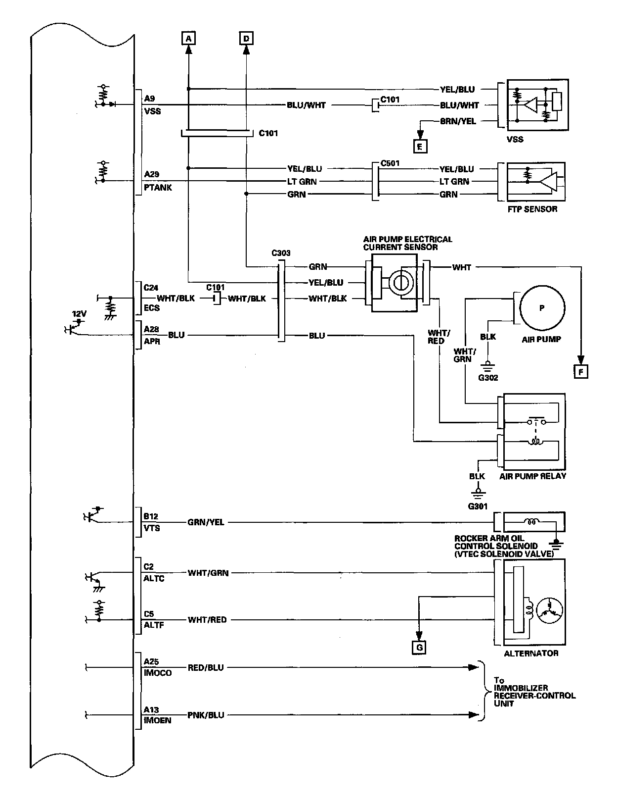
ECM Circuit Diagram 11-35:



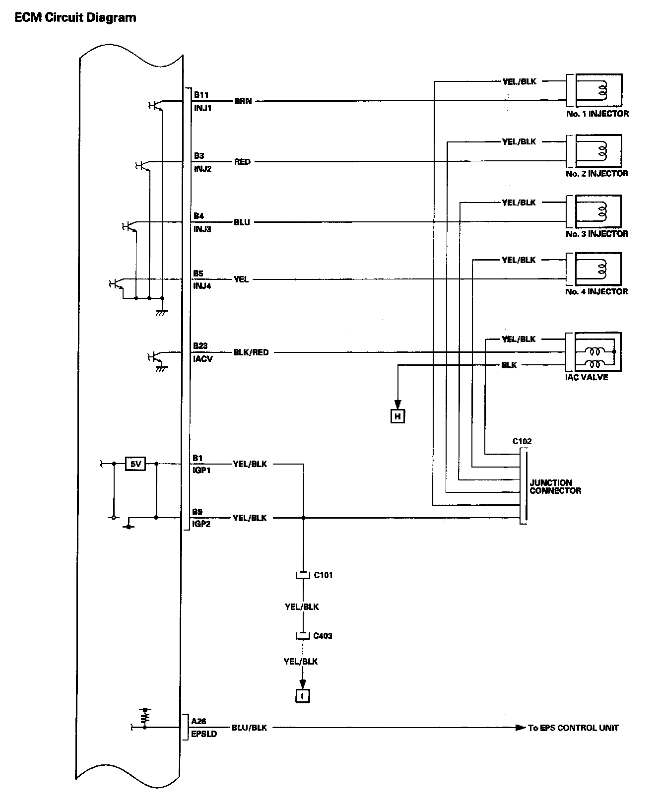
ECM Circuit Diagram 11-36:



ECM Circuit Diagram 11-37:



ECM Circuit Diagram 11-38:



ECM Circuit Diagram 11-39: