LEMON Manuals: Even more car manuals for everyone: 1960-2025
Home >> Honda >> 2005 >> S2000 L4-2.2L >> Repair and Diagnosis >> Diagrams >> Exploded Views >> Manual Transmission/Transaxle >> System Diagram >> Disassembly
April 5, 2026: LEMON Manuals is launched! Read the announcement.

Disassembly

Transmission Disassembly








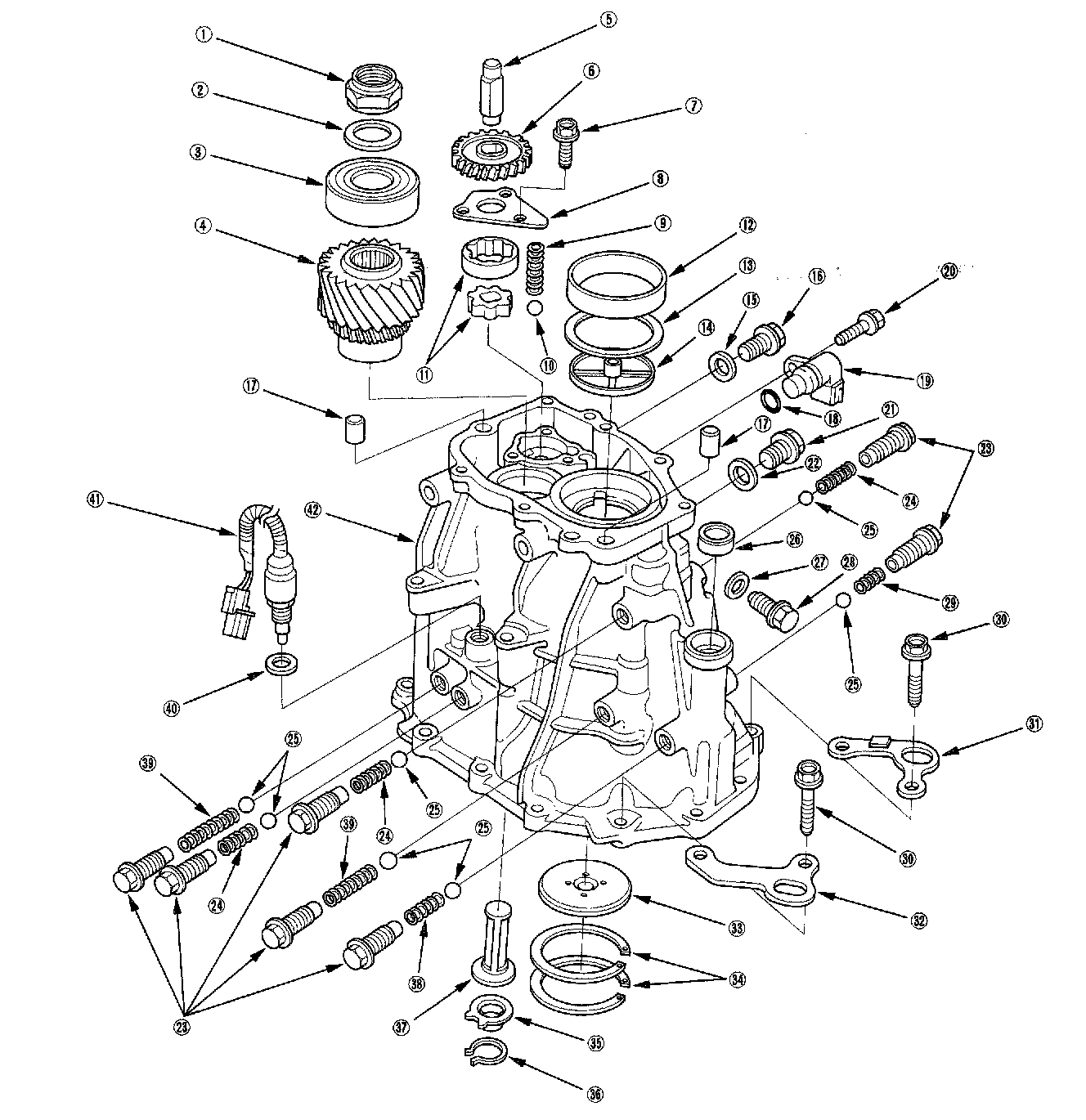
Exploded View-Rear Cover








Exploded View-Transmission Housing








Exploded View-Clutch Housing