LEMON Manuals: Even more car manuals for everyone: 1960-2025
Home >> Honda >> 2005 >> S2000 L4-2.2L >> Repair and Diagnosis >> Powertrain Management >> Diagrams >> Electrical Diagrams >> Control Module Circuit Diagrams >> ECM Electrical Connections
April 5, 2026: LEMON Manuals is launched! Read the announcement.

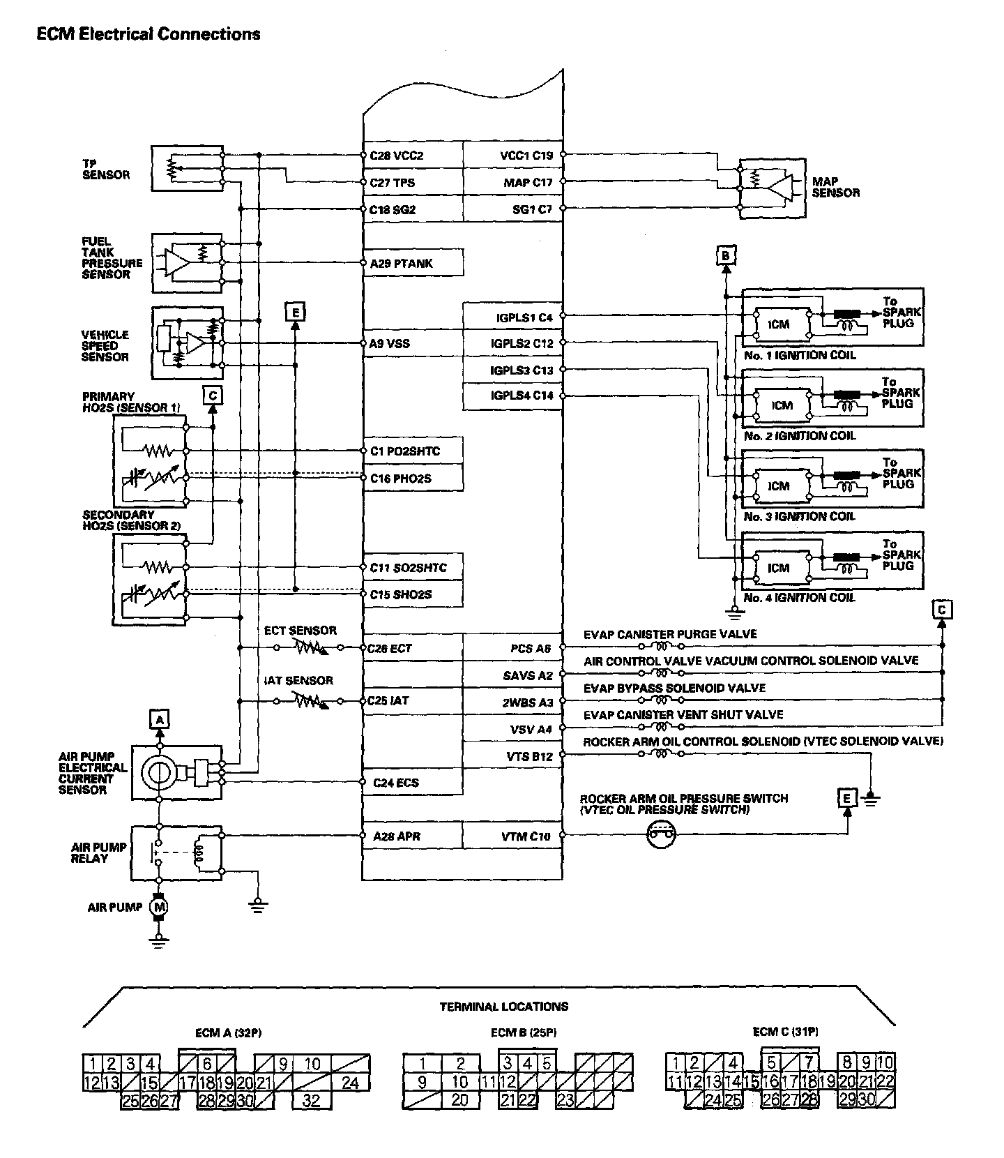
ECM Electrical Connections

ECM Electrical Connections Part 1:



ECM Electrical Connections Part 2: