LEMON Manuals: Even more car manuals for everyone: 1960-2025
Home >> Honda >> 2006 >> Accord L4-2.4L >> Repair and Diagnosis >> Powertrain Management >> Diagrams >> Electrical Diagrams >> Control Module Circuit Diagrams >> ECM/PCM Circuit Diagrams
April 5, 2026: LEMON Manuals is launched! Read the announcement.

ECM/PCM Circuit Diagrams

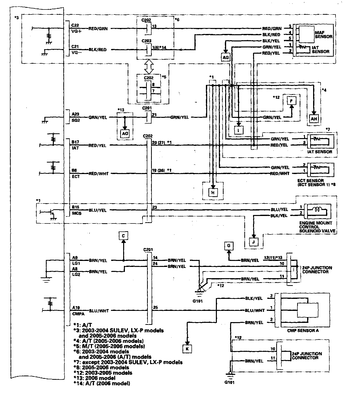
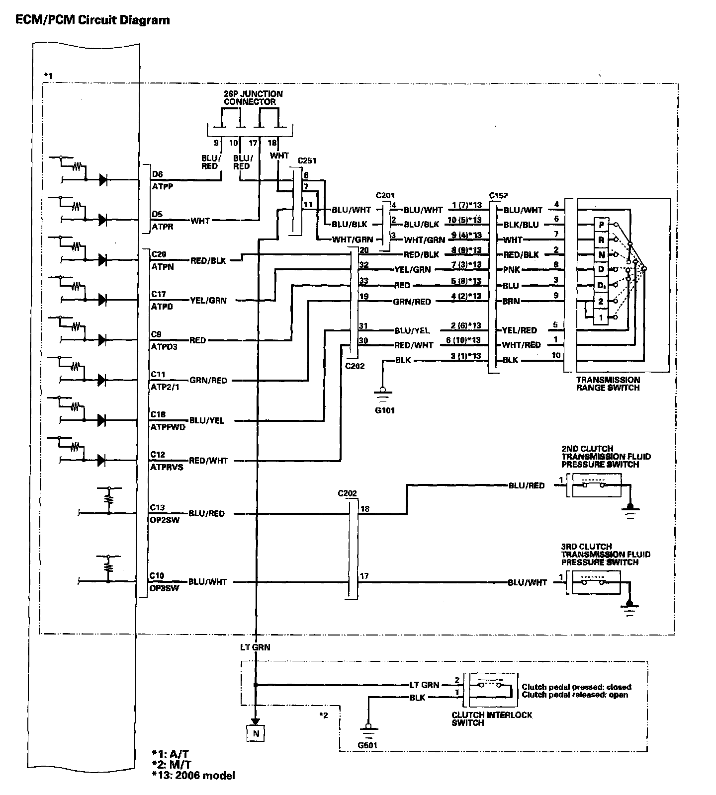
ECM/PCM Circuit Diagram 11-48:



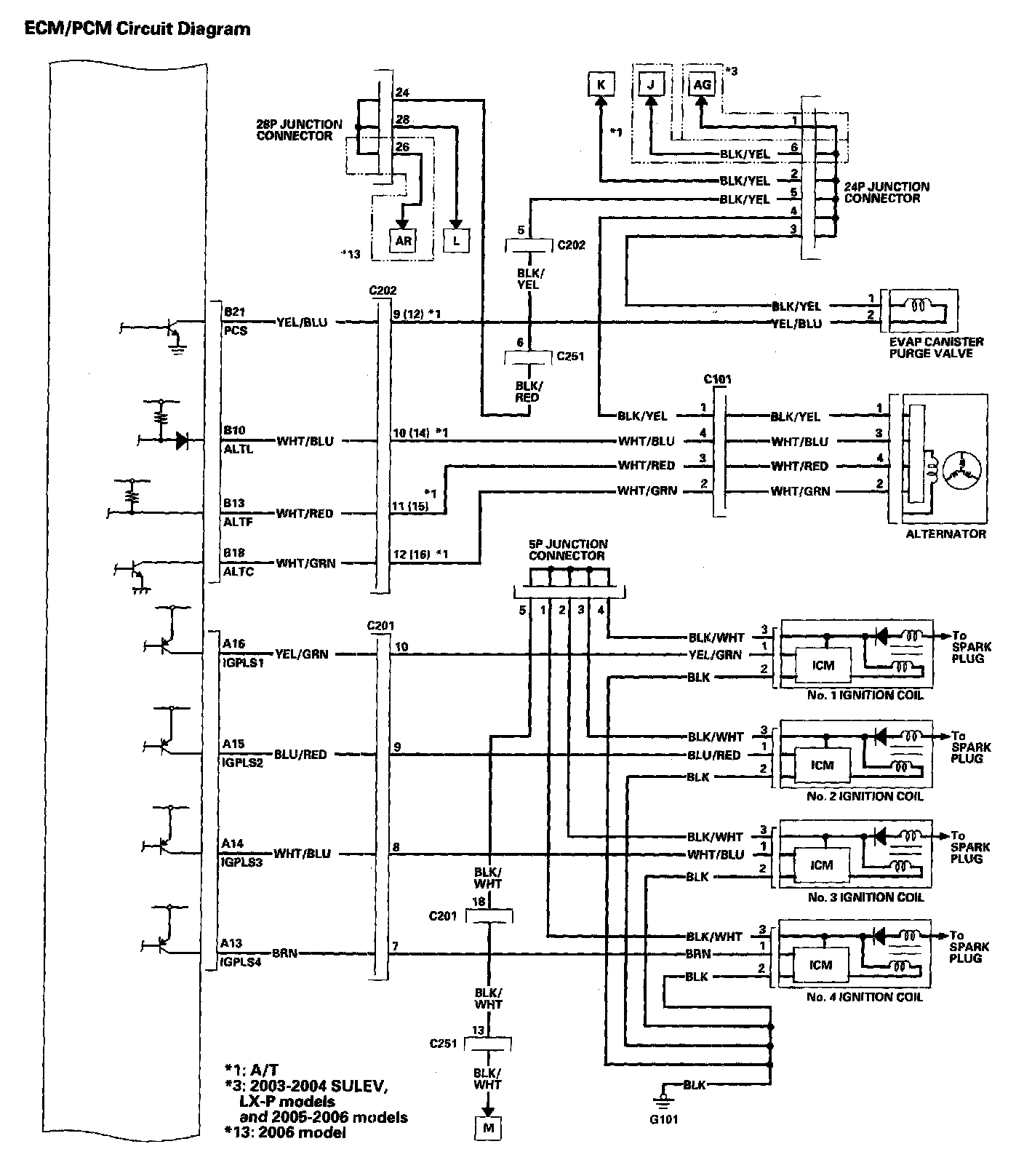
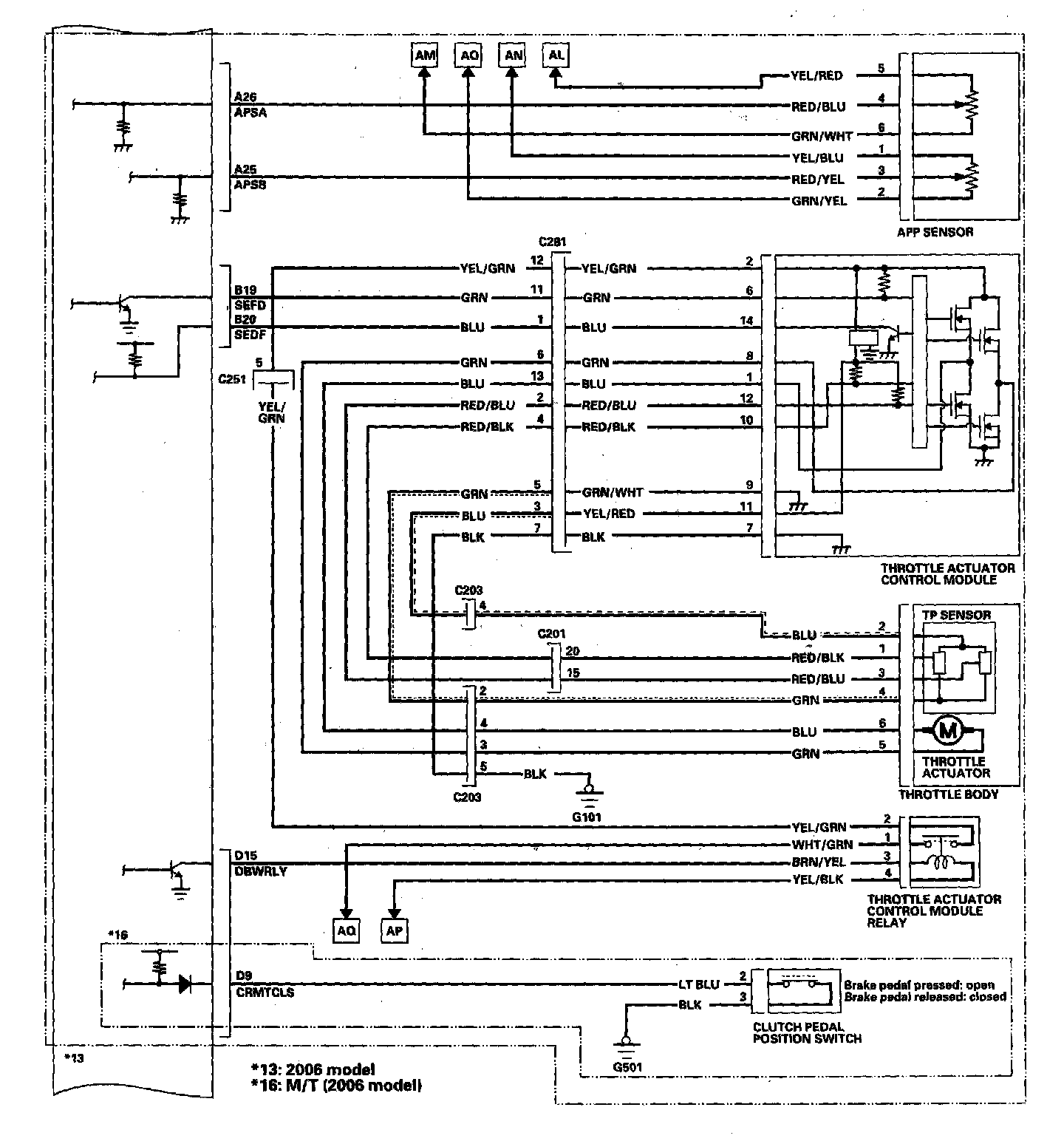
ECM/PCM Circuit Diagram 11-49:



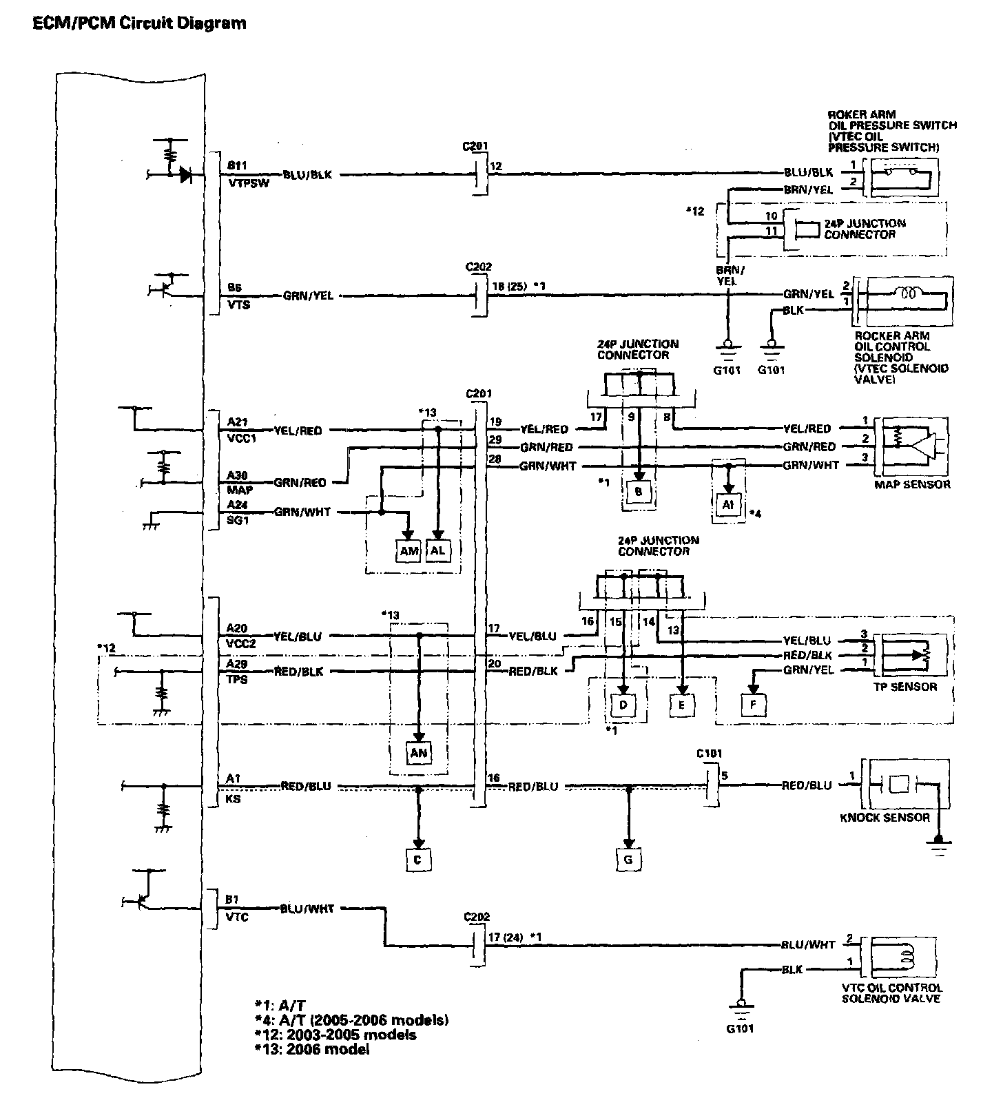
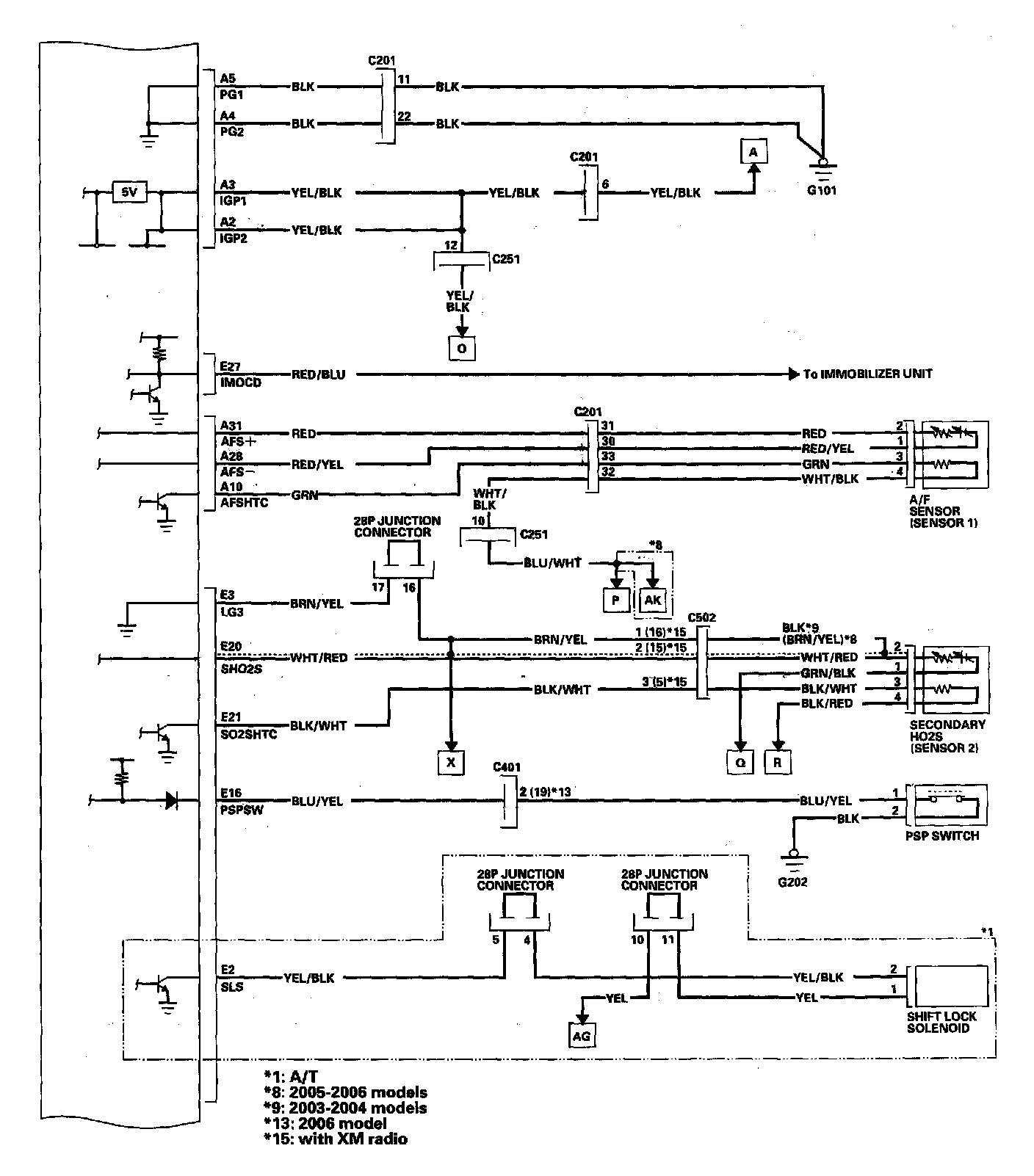
ECM/PCM Circuit Diagram 11-50:



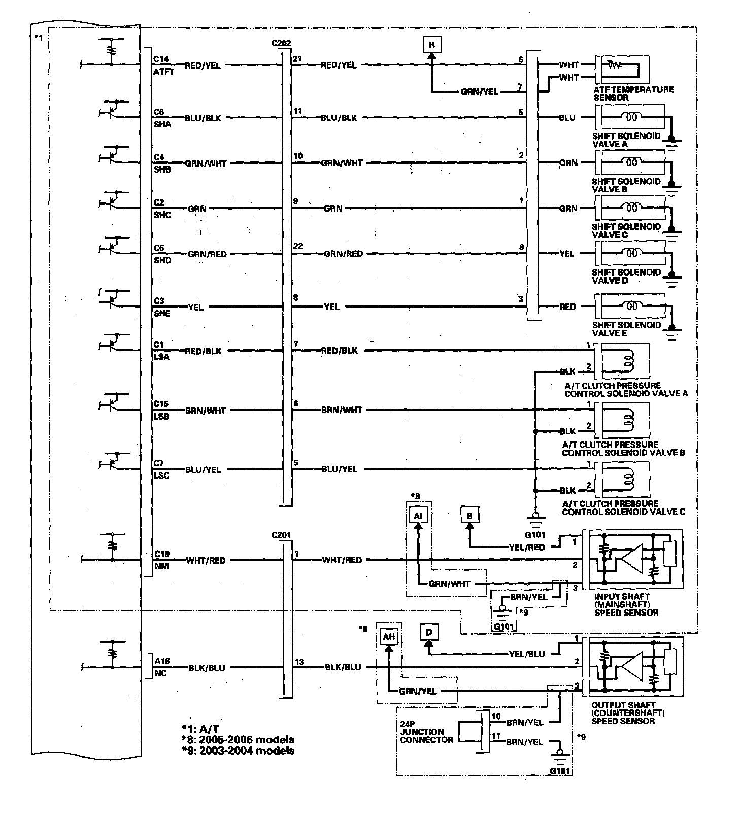
ECM/PCM Circuit Diagram 11-51:



ECM/PCM Circuit Diagram 11-52:



ECM/PCM Circuit Diagram 11-53:



ECM/PCM Circuit Diagram 11-54:



ECM/PCM Circuit Diagram 11-55:



ECM/PCM Circuit Diagram 11-56:



ECM/PCM Circuit Diagram 11-57:



ECM/PCM Circuit Diagram 11-58: