LEMON Manuals: Even more car manuals for everyone: 1960-2025
Home >> Honda >> 2006 >> Accord L4-2.4L >> Repair and Diagnosis >> Powertrain Management >> Transmission Control Systems >> Testing and Inspection >> Component Tests and General Diagnostics >> Component Tests >> ATF Temperature Sensor Test/Replacement
April 5, 2026: LEMON Manuals is launched! Read the announcement.

ATF Temperature Sensor Test/Replacement

ATF Temperature Sensor Test/Replacement
1. Get the customer's radio anti-theft code (navigation code), and write down the radio station presets.
2. Remove the splash shield.





3. Remove the drain plug (A), and drain the automatic transmission fluid (ATF). Then reinstall the drain plug with a new sealing washer (B).
4. Disconnect the battery negative terminal, then disconnect the battery positive terminal.
5. Remove the battery hold-down bracket, then remove the battery cover, battery, and battery tray.
6. Remove the intake air duct and air cleaner housing.
7. Loosen the two bolts securing the battery base from under the vehicle, and remove the two bolts securing the battery base in the engine compartment, then remove the battery base.





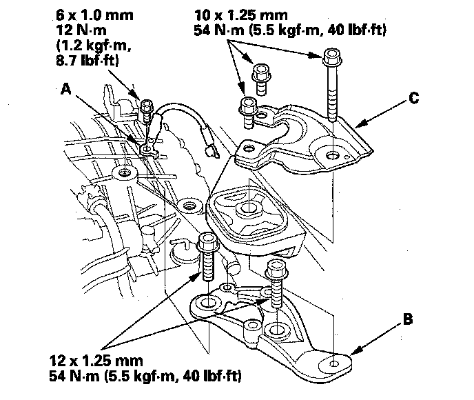
8. Remove the ground cable (A), transmission upper mount bracket (B), and bracket plate (C).





9. Place the transmission jack under the transmission, and remove the transmission lower mount nuts.
10. Lift the transmission up to create clearance between the transmission and front subframe with the jack.





11. Remove the ATF dipstick, and remove the bolts securing the ATF cooler inlet line brackets (A) and ATF dipstick guide pipe (B) from the transmission hanger (C).
12. Remove the harness clamp (D), then remove the ATF dipstick guide pipe.





13. Disconnect the shift solenoid harness connector.
14. Remove the shift solenoid valve cover (A), dowel pins (B), and gasket (C).





15. Remove the shift solenoid harness connector.
16. Measure ATF temperature sensor resistance between shift solenoid harness connector terminals No. 6 and No. 7.
Standard: 50 Ohms - 25 k Ohms
17. If the resistance is out of standard, replace the ATF temperature sensor and solenoid harness; go to step 18. The ATF temperature sensor is not available separately from the solenoid harness. If the measurement is within the standard, install the removed parts; go to step 20.
18. Disconnect the connectors from the shift solenoid valves.





19. Connect the shift solenoid valve D connector with the ATF temperature sensor (F) on the shift solenoid harness.
20. Connect the solenoid valve A connector (BLU wire), solenoid valve B connector (ORN wire), solenoid valve C connector (GRN wire), and solenoid valve connector (RED wire).
21. Install the new O-ring (G) on the shift solenoid harness connector (H), and install the connector in the transmission housing.
22. Install the shift solenoid valve cover, dowel pins and a new gasket.
23. Install the new O-ring on the ATF dipstick guide pipe, and install the ATF dipstick guide pipe, then install the harness clamp on the ATF dipstick guide pipe.
24. Secure the ATF cooler line brackets on the transmission hanger with the bolts.
25. Check the connector for rust, dirt, or oil, and clean if necessary, then connect the connector securely.
26. Install the transmission lower mount nuts.
27. Install the transmission upper mount bracket, bracket plate, and ground cable, then remove the transmission jack.
28. Refill the transmission with ATF.
29. Install the battery base, then install the air cleaner housing and intake air duct.
30. Install the battery tray, battery, and battery cover, then secure the battery with its hold-down bracket. Connect the battery terminals.
31. Install the splash shield.
32. Enter the radio code (navigation code), reset the radio presets and set the clock.
33. Do the power window control unit reset procedure.