LEMON Manuals: Even more car manuals for everyone: 1960-2025
Home >> Honda >> 2006 >> CR-V 2WD L4-2.4L >> Repair and Diagnosis >> Diagrams >> Electrical Diagrams >> Powertrain Management >> Computers and Control Systems >> Information Bus >> Multiplex Control System Circuit Diagram
April 5, 2026: LEMON Manuals is launched! Read the announcement.

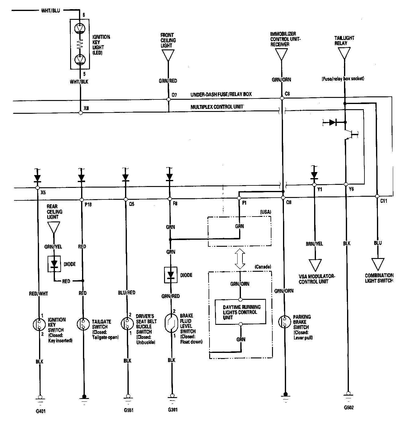
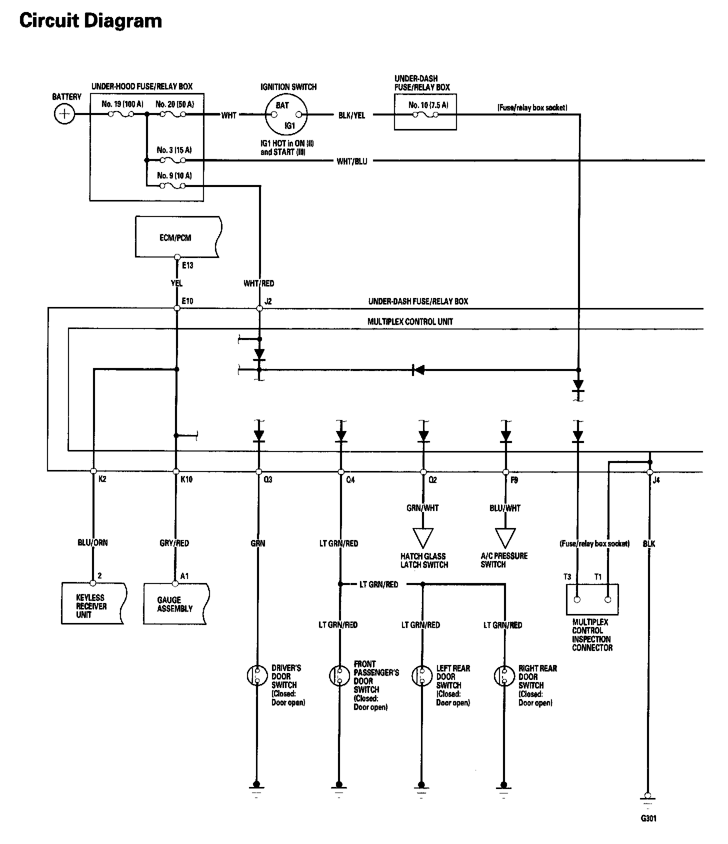
Multiplex Control System Circuit Diagram

Multiplex Control System - Circuit Diagram Part 1:



Multiplex Control System - Circuit Diagram Part 2: