LEMON Manuals: Even more car manuals for everyone: 1960-2025
Home >> Honda >> 2006 >> Civic GX >> Repair and Diagnosis (Single Page) >> Engine Performance >> System >> Fuel System & Emissions System (R18A1 Engine) >> System Description >> ECM/PCM Inputs and Outputs at ECM/PCM Connector C (◦) (44P) >> ECM/PCM Circuit Diagram
April 5, 2026: LEMON Manuals is launched! Read the announcement.

ECM/PCM Circuit Diagram

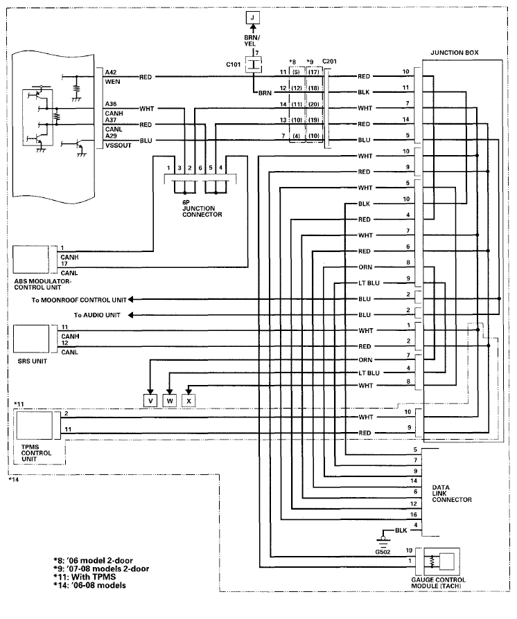
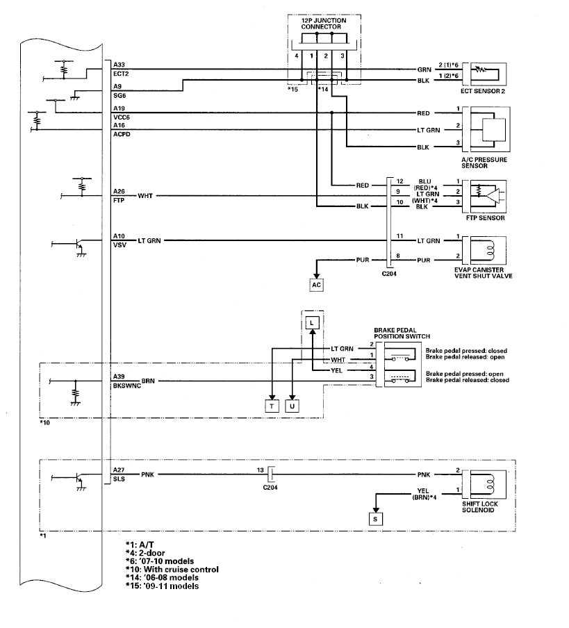
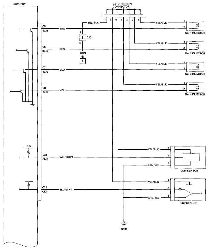
Fig 1: ECM/PCM Circuit Diagram (1 Of 12)
G06772390Courtesy of AMERICAN HONDA MOTOR CO., INC.
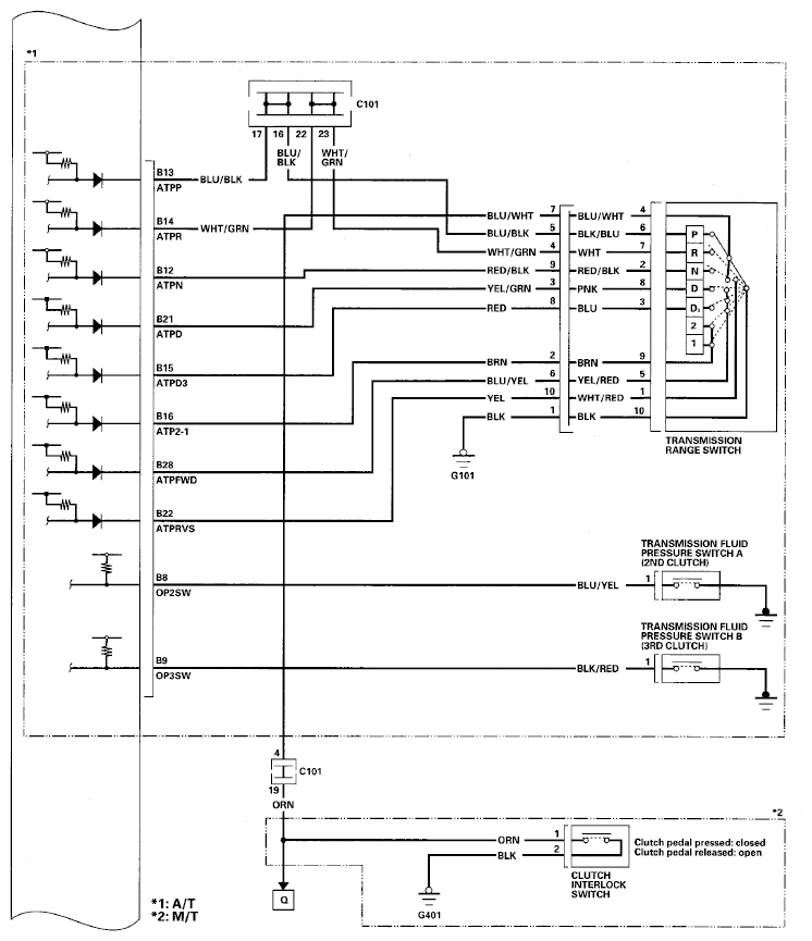
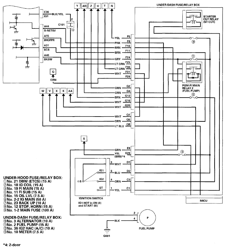
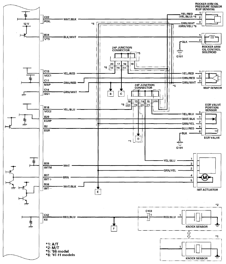
Fig 2: ECM/PCM Circuit Diagram (2 Of 12)
G06772391Courtesy of AMERICAN HONDA MOTOR CO., INC.
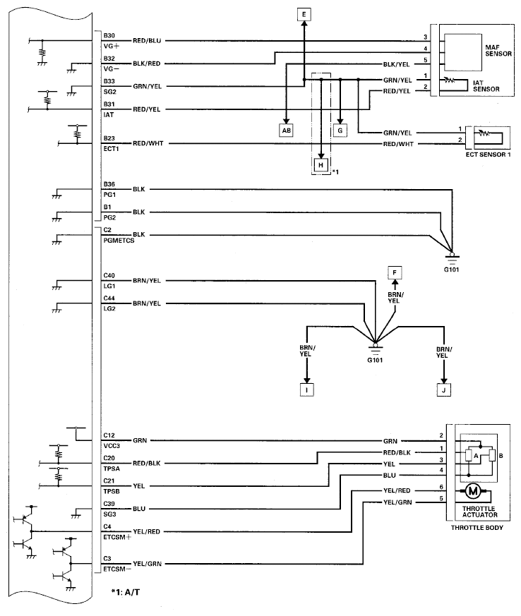
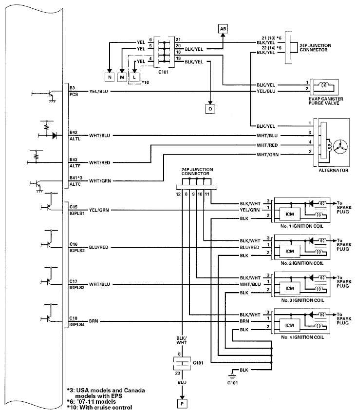
Fig 3: ECM/PCM Circuit Diagram (3 Of 12)
G06772392Courtesy of AMERICAN HONDA MOTOR CO., INC.
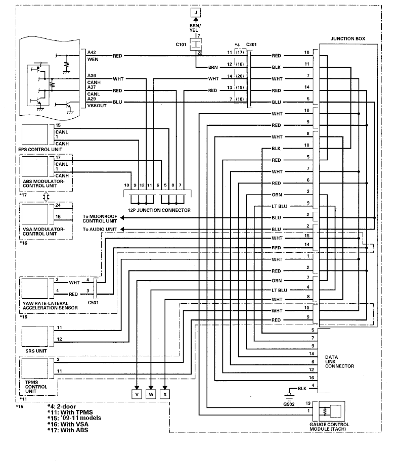
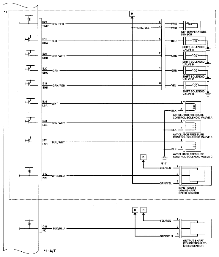
Fig 4: ECM/PCM Circuit Diagram (4 Of 12)
G06772393Courtesy of AMERICAN HONDA MOTOR CO., INC.
Fig 5: ECM/PCM Circuit Diagram (5 Of 12)
G06772394Courtesy of AMERICAN HONDA MOTOR CO., INC.
Fig 6: ECM/PCM Circuit Diagram (6 Of 12)
G06772395Courtesy of AMERICAN HONDA MOTOR CO., INC.
Fig 7: ECM/PCM Circuit Diagram (7 Of 12)
G06772396Courtesy of AMERICAN HONDA MOTOR CO., INC.
Fig 8: ECM/PCM Circuit Diagram (8 Of 12)
G06772397Courtesy of AMERICAN HONDA MOTOR CO., INC.
Fig 9: ECM/PCM Circuit Diagram (9 Of 12)
G06772398Courtesy of AMERICAN HONDA MOTOR CO., INC.
Fig 10: ECM/PCM Circuit Diagram (10 Of 12)
G06772399Courtesy of AMERICAN HONDA MOTOR CO., INC.
Fig 11: ECM/PCM Circuit Diagram (11 Of 12)
G06772400Courtesy of AMERICAN HONDA MOTOR CO., INC.
Fig 12: ECM/PCM Circuit Diagram (12 Of 12)
G06772401Courtesy of AMERICAN HONDA MOTOR CO., INC.