LEMON Manuals: Even more car manuals for everyone: 1960-2025
Home >> Honda >> 2006 >> Civic GX >> Repair and Diagnosis (Single Page) >> Engine Performance >> System >> Fuel System & Emissions System (R18A1 Engine) >> System Description >> ECM/PCM Inputs and Outputs at ECM/PCM Connector C (◦) (44P) >> ECM/PCM Electrical Connections
April 5, 2026: LEMON Manuals is launched! Read the announcement.

ECM/PCM Electrical Connections

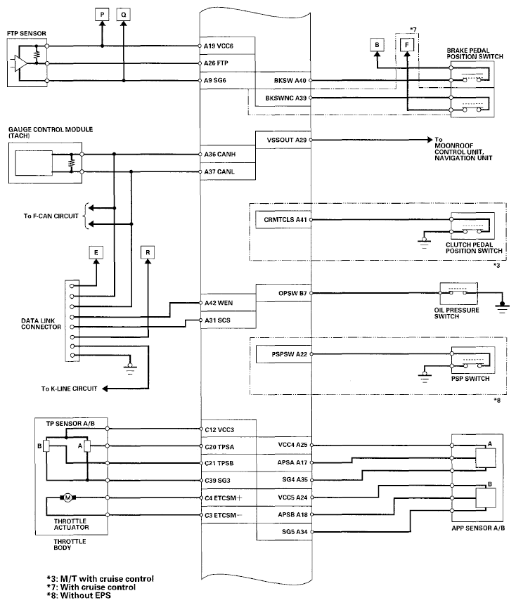
Fig 1: ECM/PCM Electrical Connections Diagrams (1 Of 5)
G06772385Courtesy of AMERICAN HONDA MOTOR CO., INC.
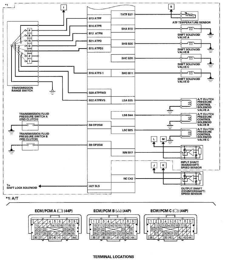
Fig 2: ECM/PCM Electrical Connections Diagrams (2 Of 5)
G06772386Courtesy of AMERICAN HONDA MOTOR CO., INC.
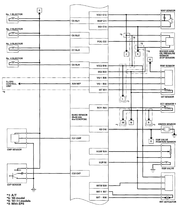
Fig 3: ECM/PCM Electrical Connections Diagrams (3 Of 5)
G06772387Courtesy of AMERICAN HONDA MOTOR CO., INC.
Fig 4: ECM/PCM Electrical Connections Diagrams (4 Of 5)
G06772388Courtesy of AMERICAN HONDA MOTOR CO., INC.
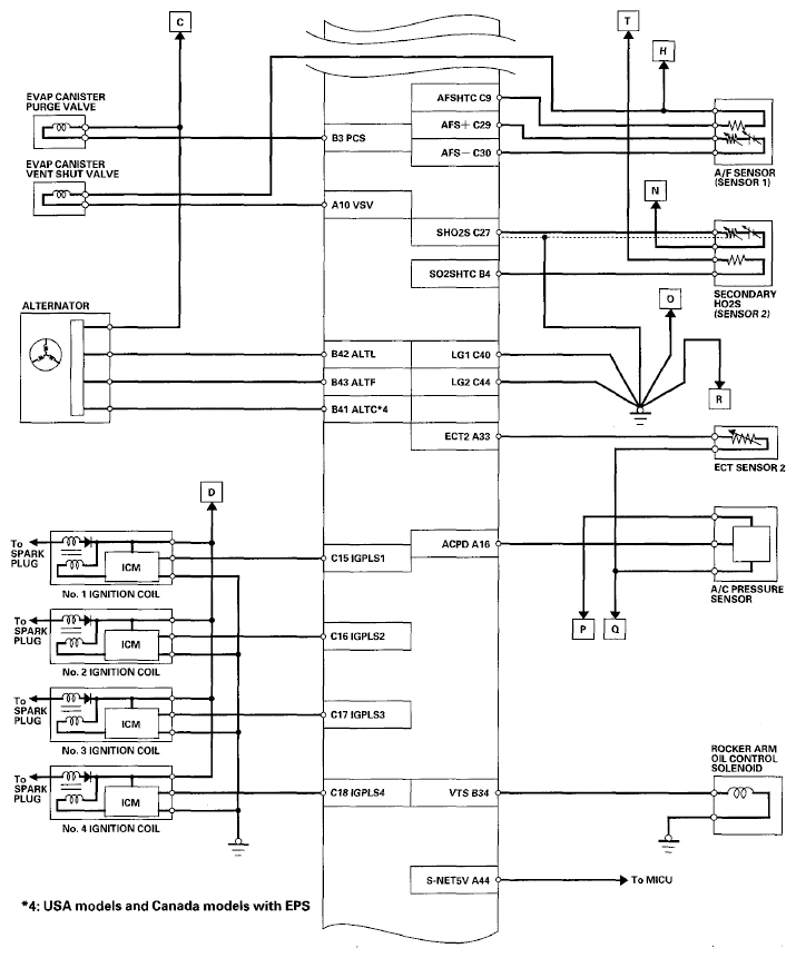
Fig 5: ECM/PCM Electrical Connections Diagrams (5 Of 5)
G06772389Courtesy of AMERICAN HONDA MOTOR CO., INC.