LEMON Manuals: Even more car manuals for everyone: 1960-2025
Home >> Honda >> 2006 >> Element 2WD L4-2.4L >> Repair and Diagnosis >> Powertrain Management >> Transmission Control Systems >> Diagrams >> Electrical Diagrams >> PCM A/T Control System Circuit Diagram
April 5, 2026: LEMON Manuals is launched! Read the announcement.

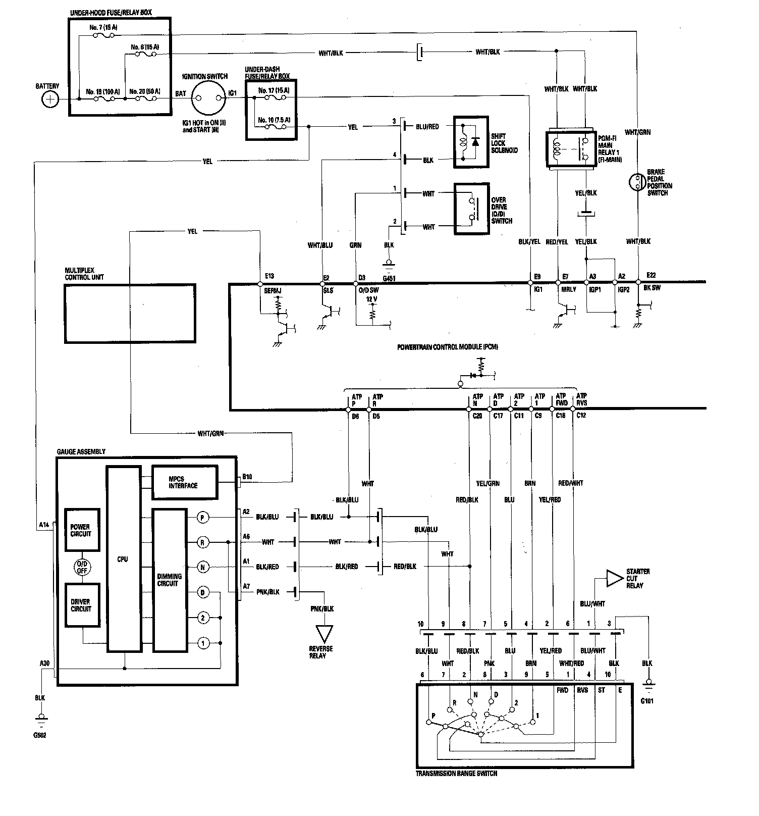
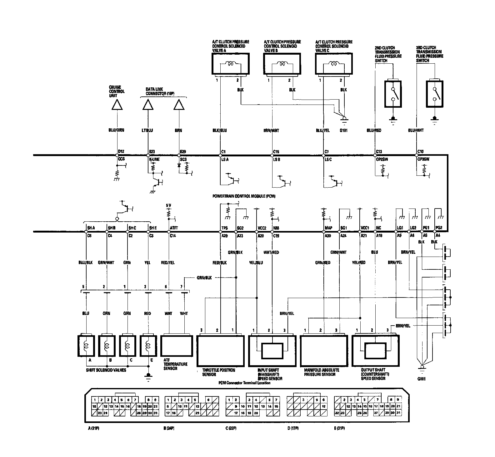
PCM A/T Control System Circuit Diagram

PCM A/T Control System Circuit Diagram (part 1):



PCM A/T Control System Circuit Diagram (part 2):