LEMON Manuals: Even more car manuals for everyone: 1960-2025
Home >> Honda >> 2006 >> Odyssey EX-L >> Repair and Diagnosis (Single Page) >> Body & Frame >> Seats >> Driving Position Memory Systems (DPMS) >> Circuit Diagram
April 5, 2026: LEMON Manuals is launched! Read the announcement.

Circuit Diagram

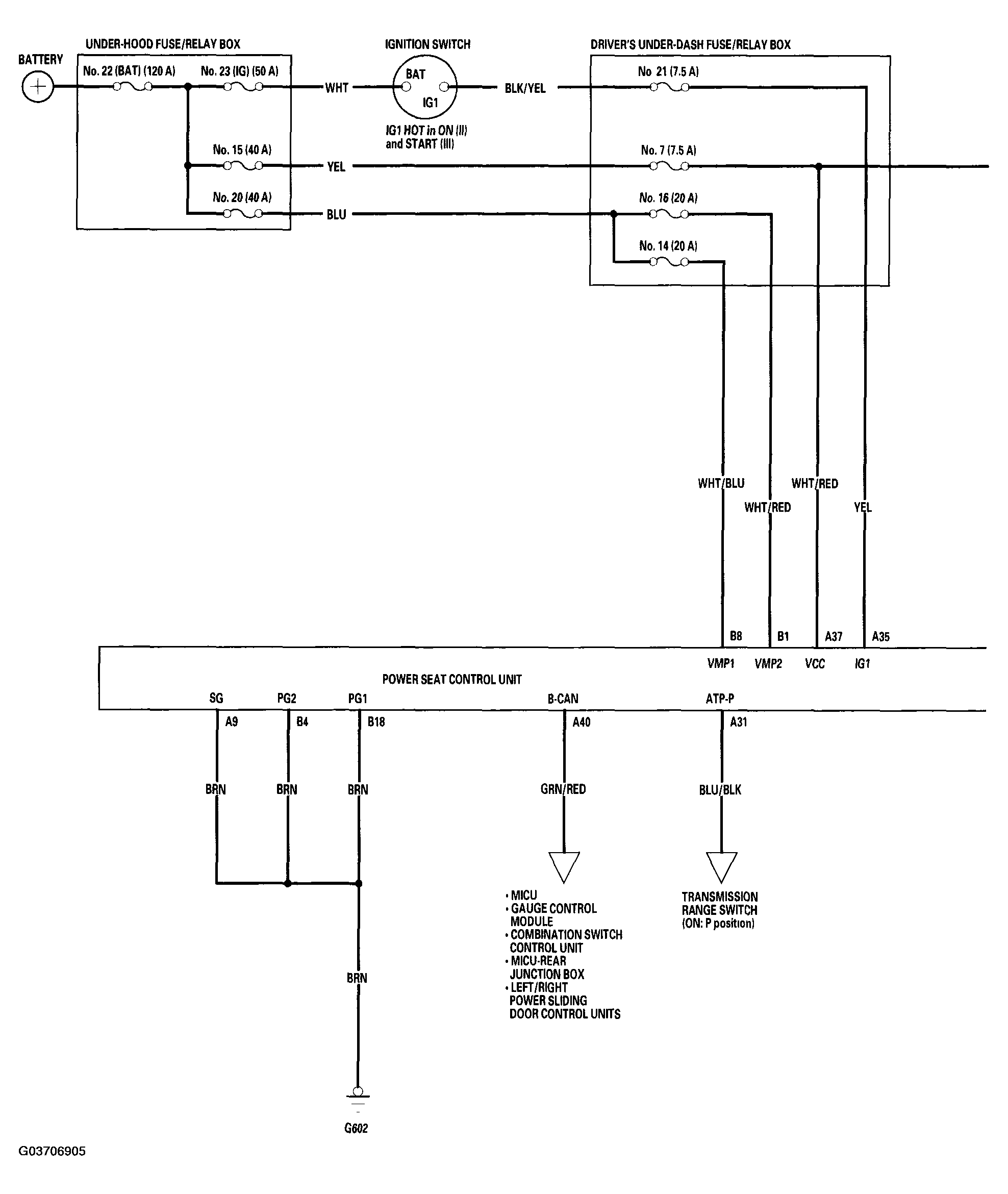
Fig 1: DPMS Circuit Diagram (1 Of 3)
G03706905Courtesy of AMERICAN HONDA MOTOR CO., INC.
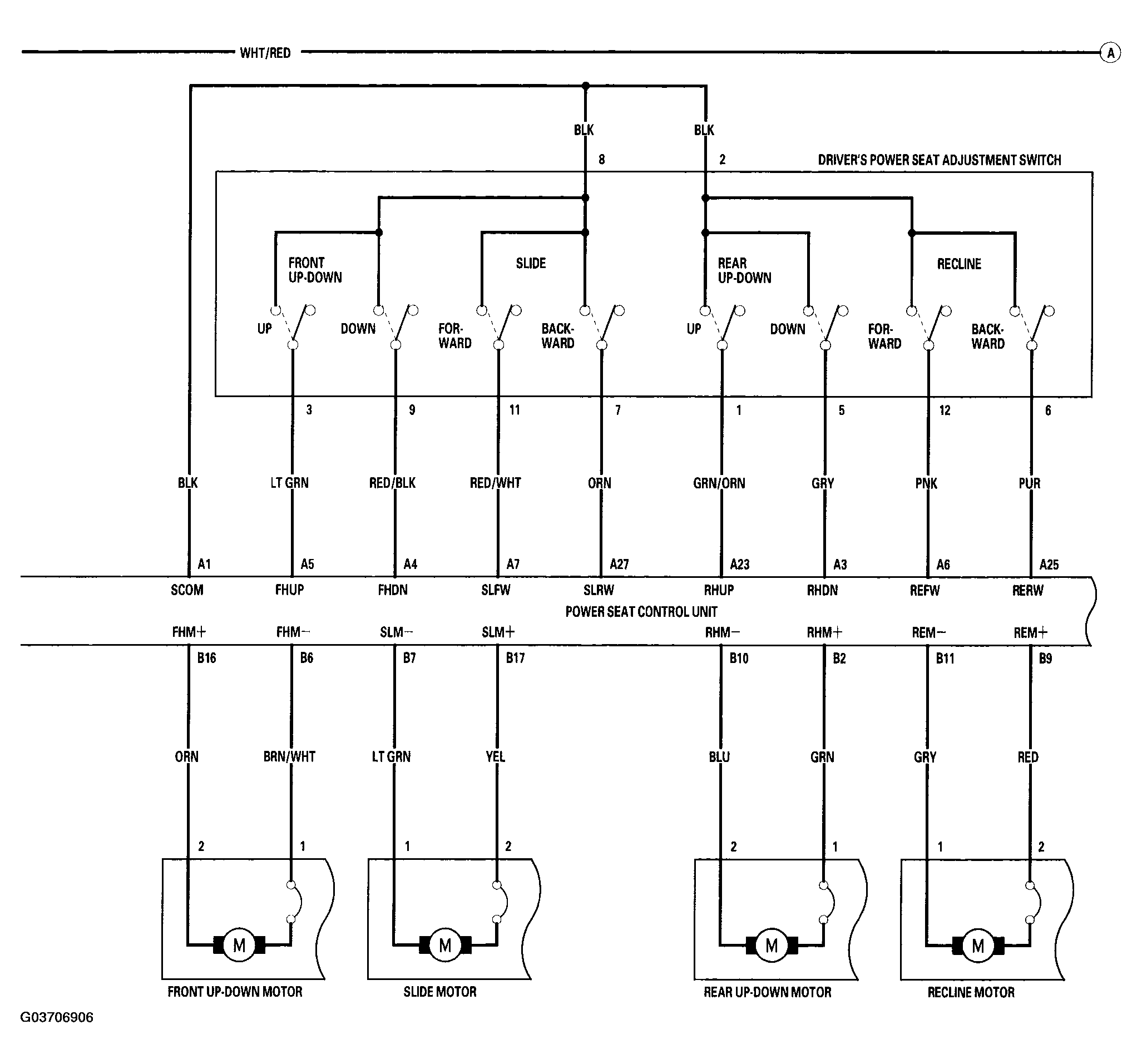
Fig 2: DPMS Circuit Diagram (2 Of 3)
G03706906Courtesy of AMERICAN HONDA MOTOR CO., INC.
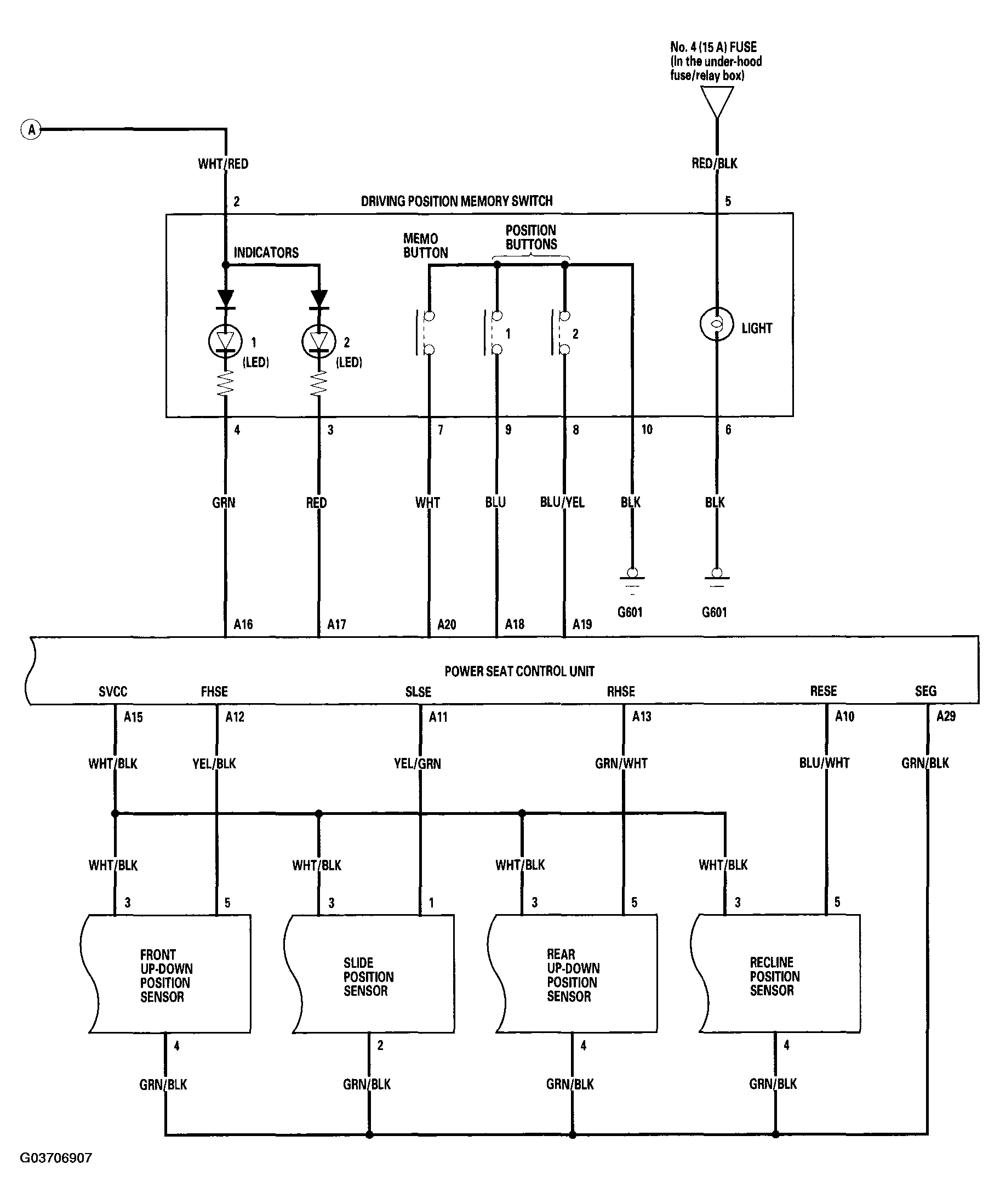
Fig 3: DPMS Circuit Diagram (3 Of 3)
G03706907Courtesy of AMERICAN HONDA MOTOR CO., INC.