LEMON Manuals: Even more car manuals for everyone: 1960-2025
Home >> Honda >> 2006 >> Pilot 2WD V6-3.5L >> Repair and Diagnosis >> Diagrams >> Electrical Diagrams >> Powertrain Management >> System Diagram >> Control Module Circuit Diagrams >> PCM Electrical Connections
April 5, 2026: LEMON Manuals is launched! Read the announcement.

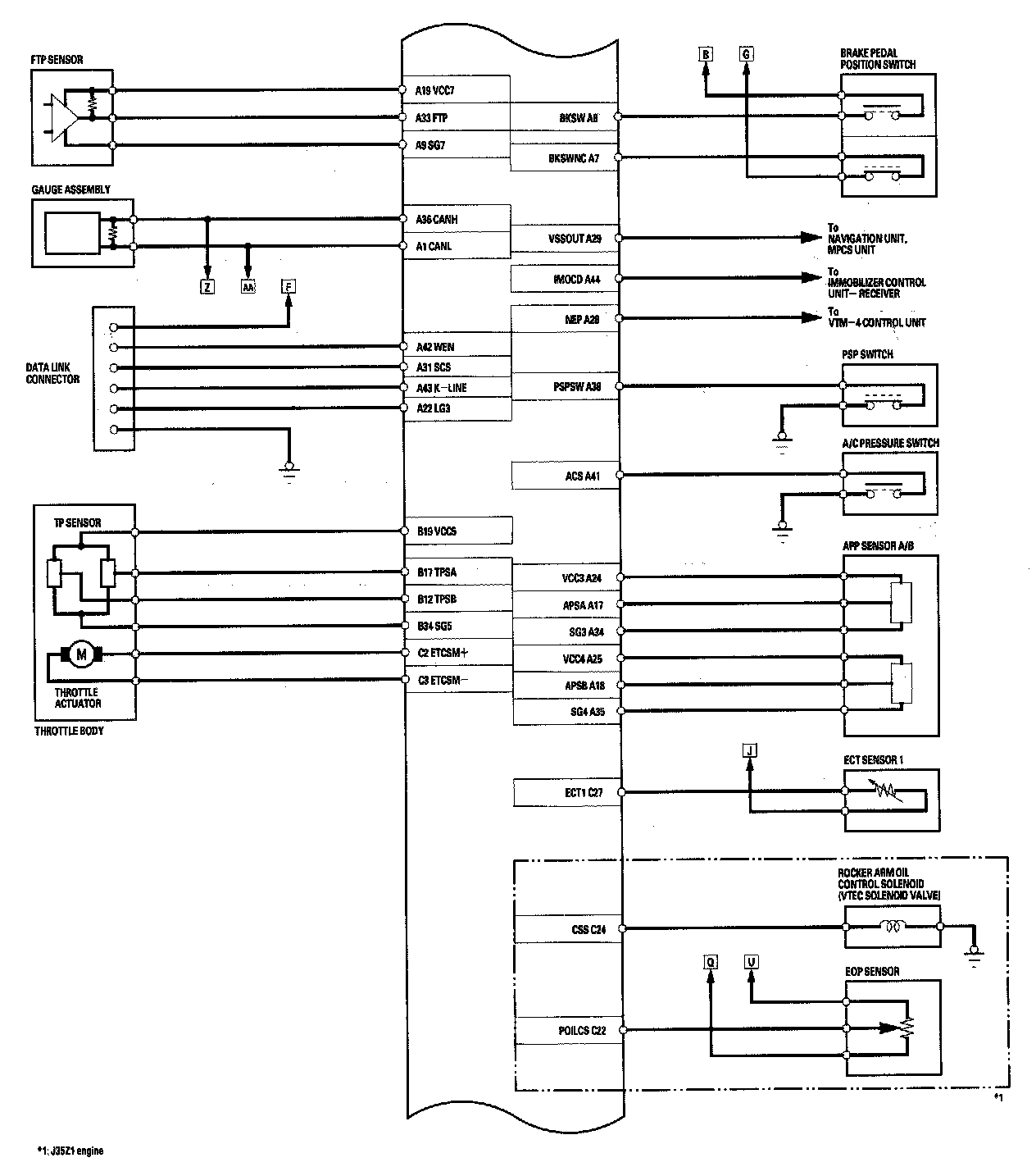
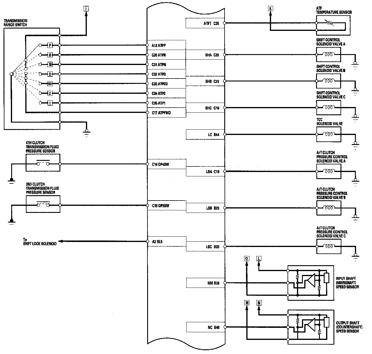
PCM Electrical Connections

PCM Electrical Connections Part 1:



PCM Electrical Connections Part 2:



PCM Electrical Connections Part 3:



PCM Electrical Connections Part 4:



PCM Electrical Connections Part 5:



PCM Electrical Connections Part 6: