LEMON Manuals: Even more car manuals for everyone: 1960-2025
Home >> Honda >> 2006 >> Ridgeline V6-3.5L >> Repair and Diagnosis >> Diagrams >> Electrical Diagrams >> Powertrain Management >> System Diagram >> Control Module Circuit Diagrams >> PCM Circuit Diagrams
April 5, 2026: LEMON Manuals is launched! Read the announcement.

PCM Circuit Diagrams

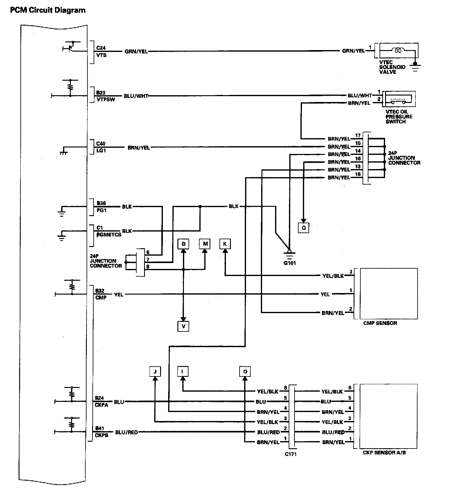
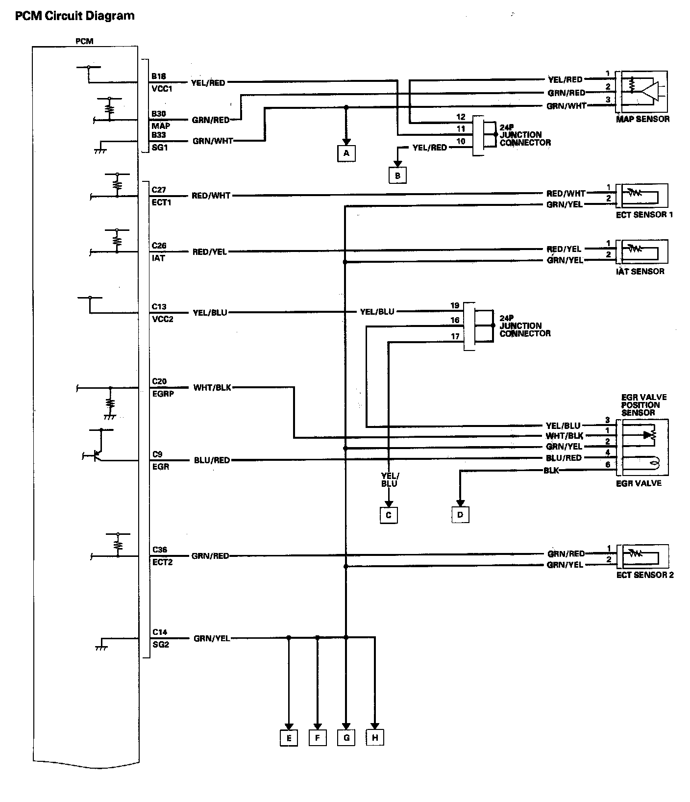
PCM Circuit Diagram 11-42:



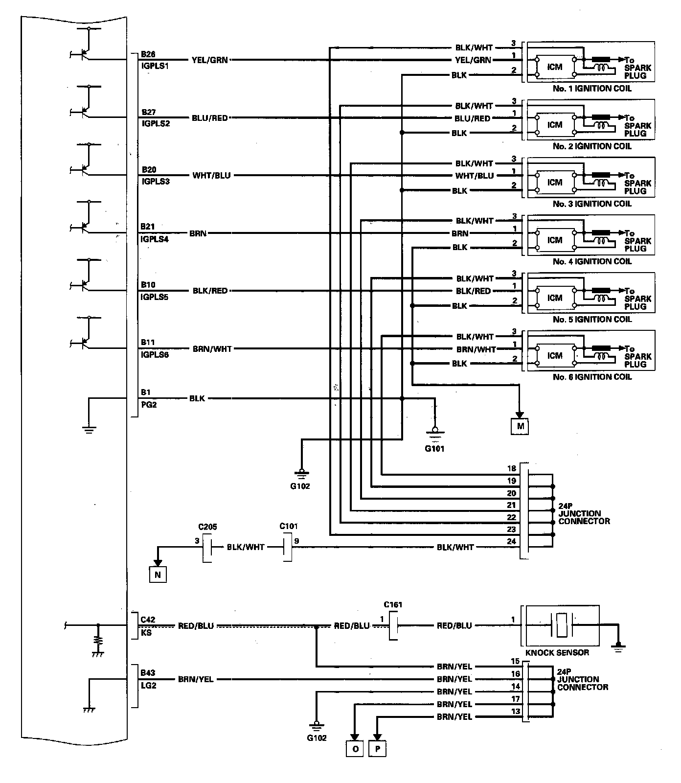
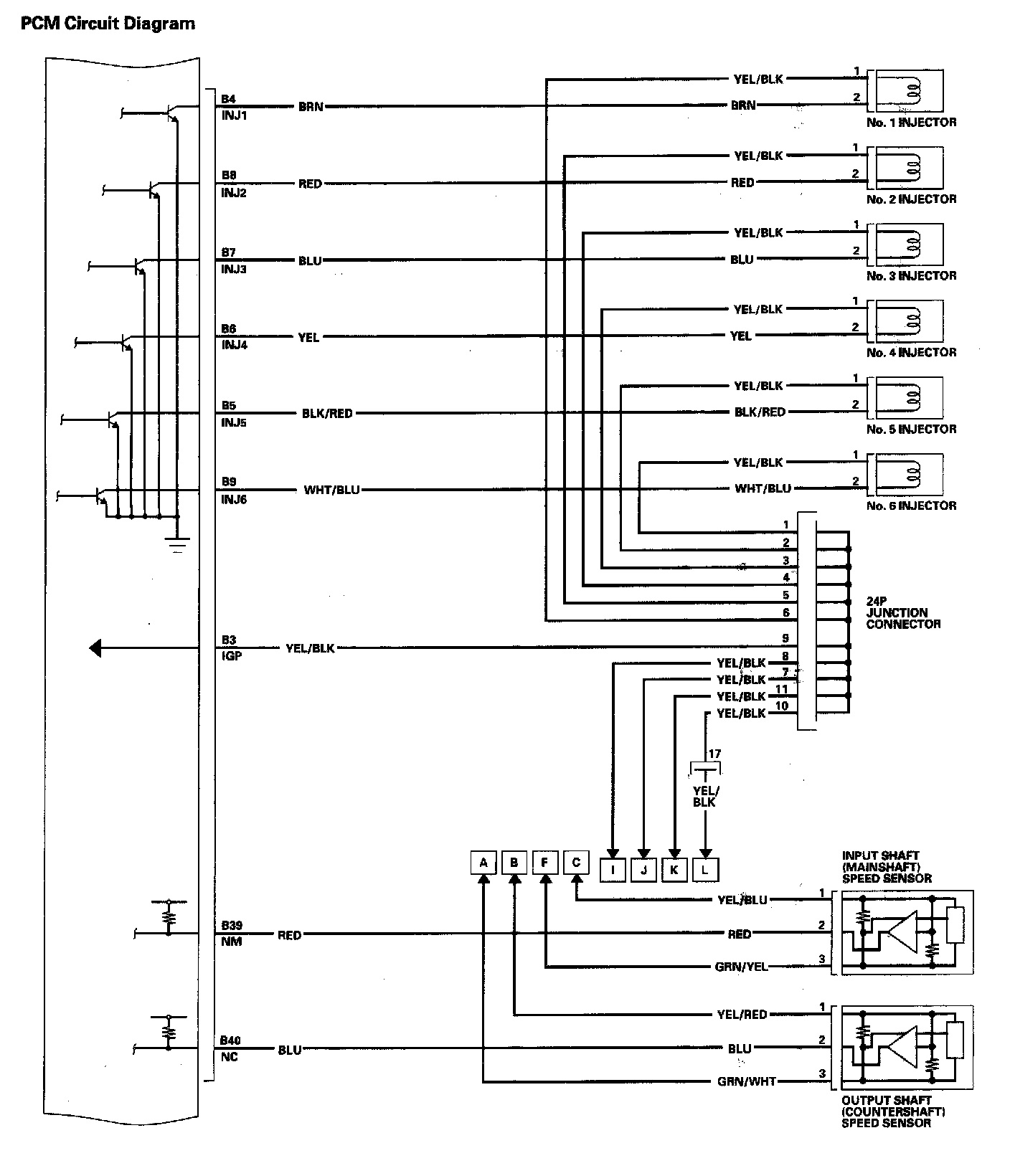
PCM Circuit Diagram 11-43:



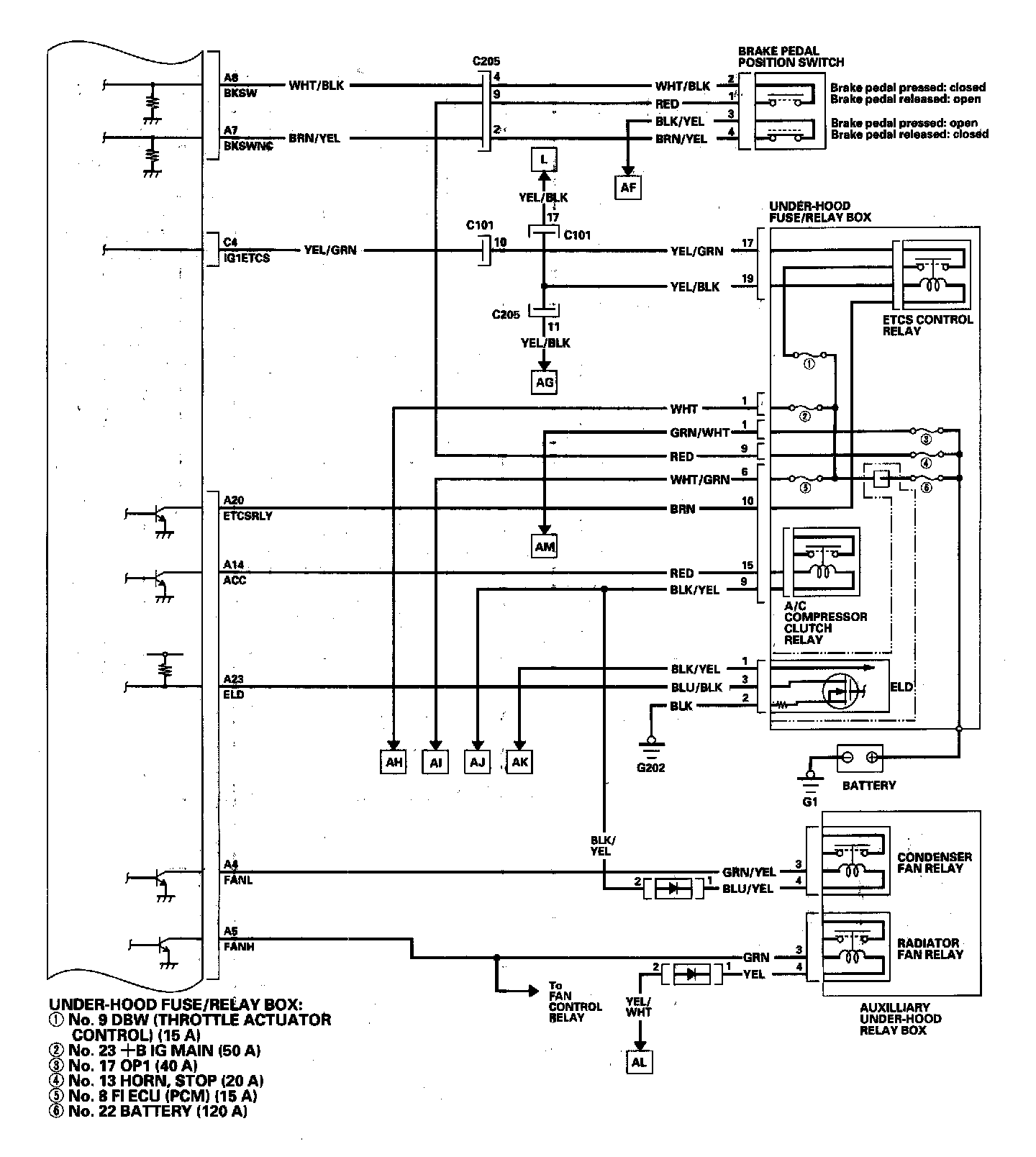
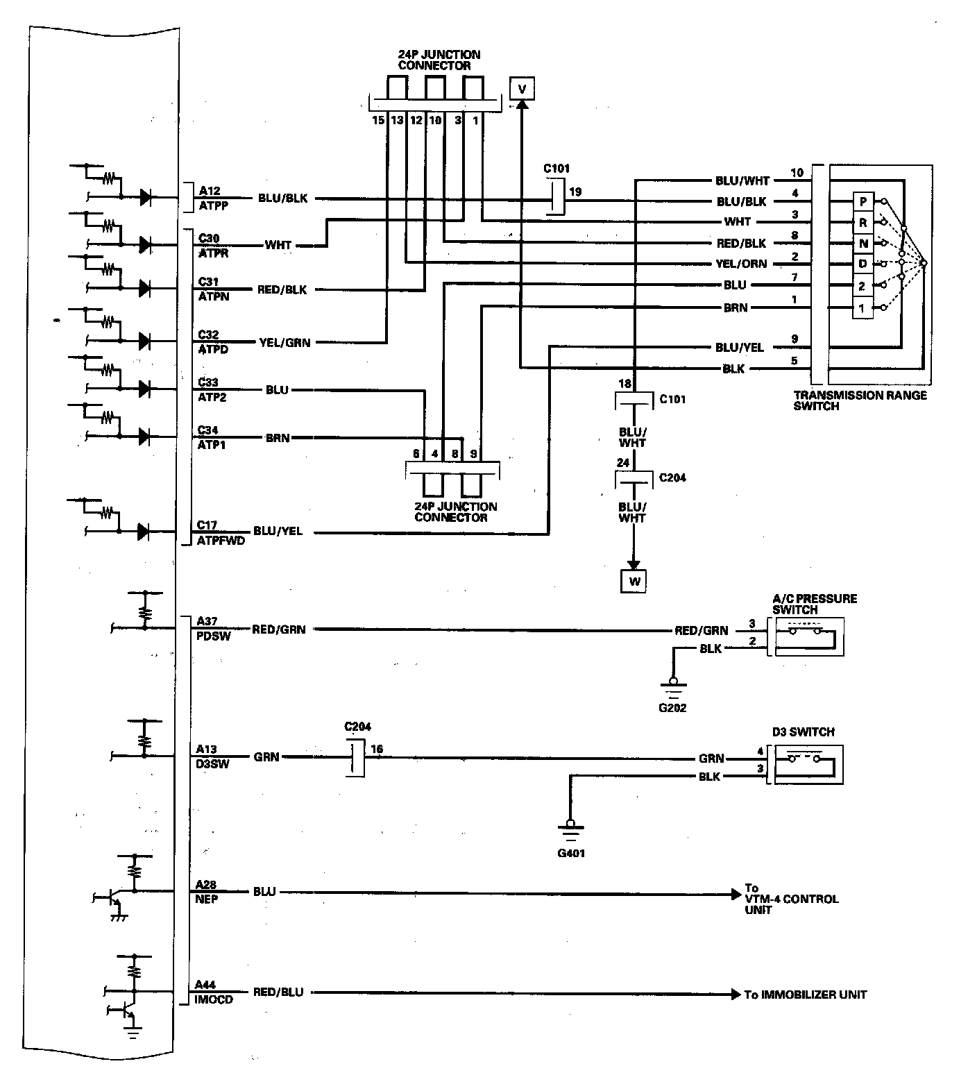
PCM Circuit Diagram 11-44:



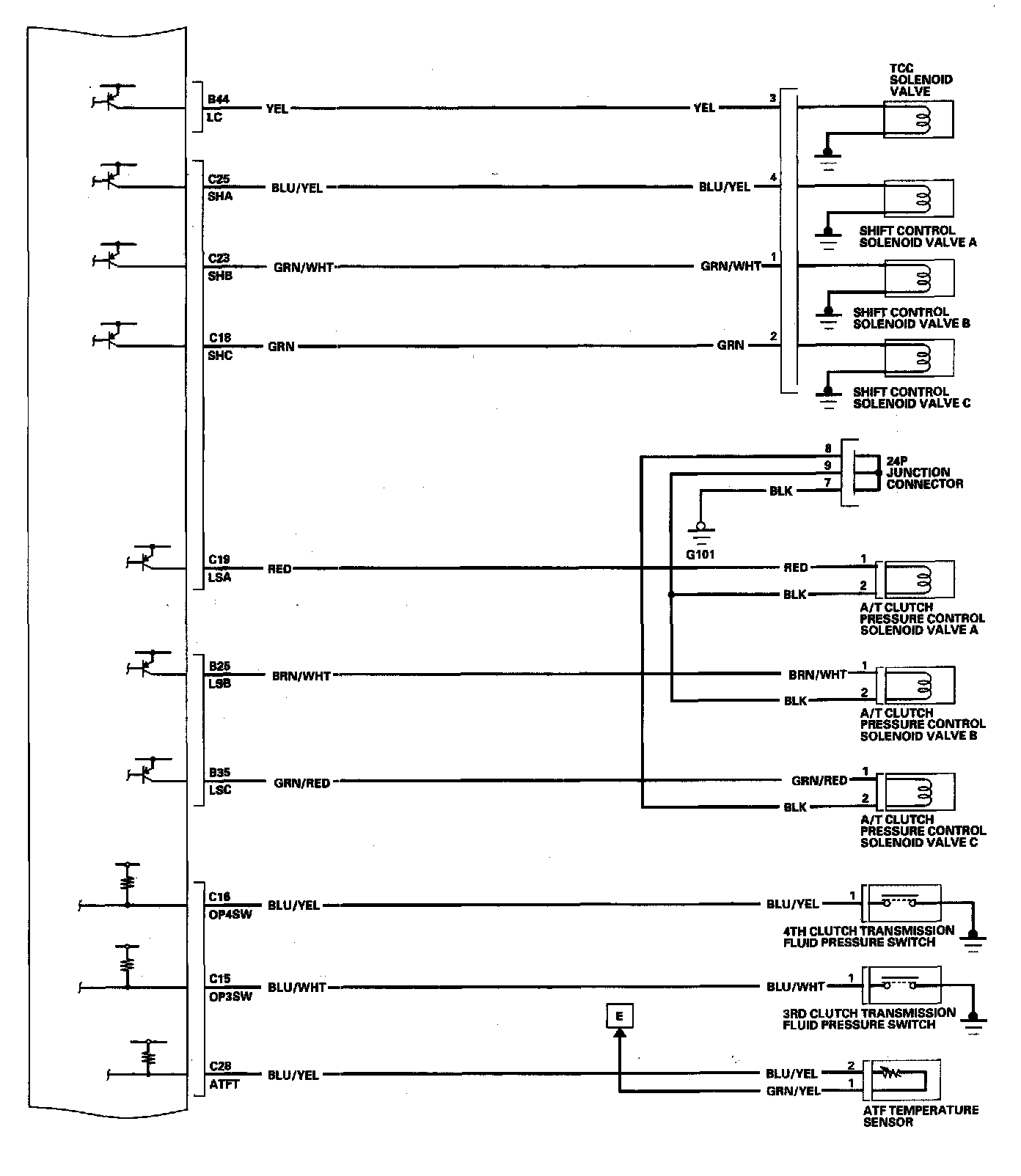
PCM Circuit Diagram 11-45:



PCM Circuit Diagram 11-46:



PCM Circuit Diagram 11-47:



PCM Circuit Diagram 11-48:



PCM Circuit Diagram 11-49:



PCM Circuit Diagram 11-50:



PCM Circuit Diagram 11-51:



PCM Circuit Diagram 11-52: