LEMON Manuals: Even more car manuals for everyone: 1960-2025
Home >> Honda >> 2006 >> S2000 L4-2.2L >> Repair and Diagnosis >> Diagrams >> Electrical Diagrams >> Powertrain Management >> System Diagram >> Control Module Circuit Diagrams >> ECM Circuit Diagrams
April 5, 2026: LEMON Manuals is launched! Read the announcement.

ECM Circuit Diagrams

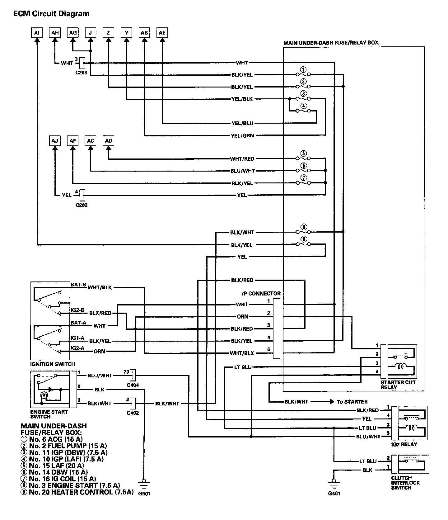
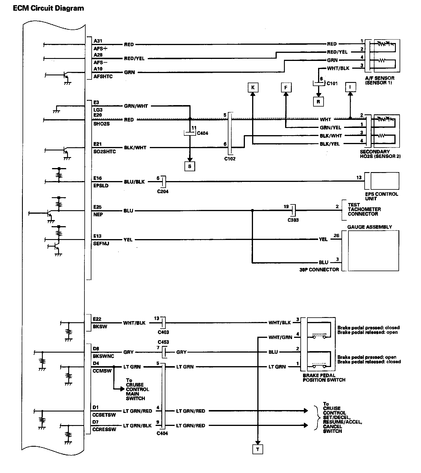
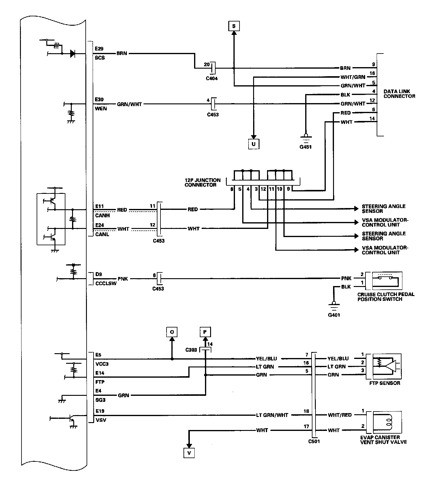
ECM Circuit Diagram 11-245:



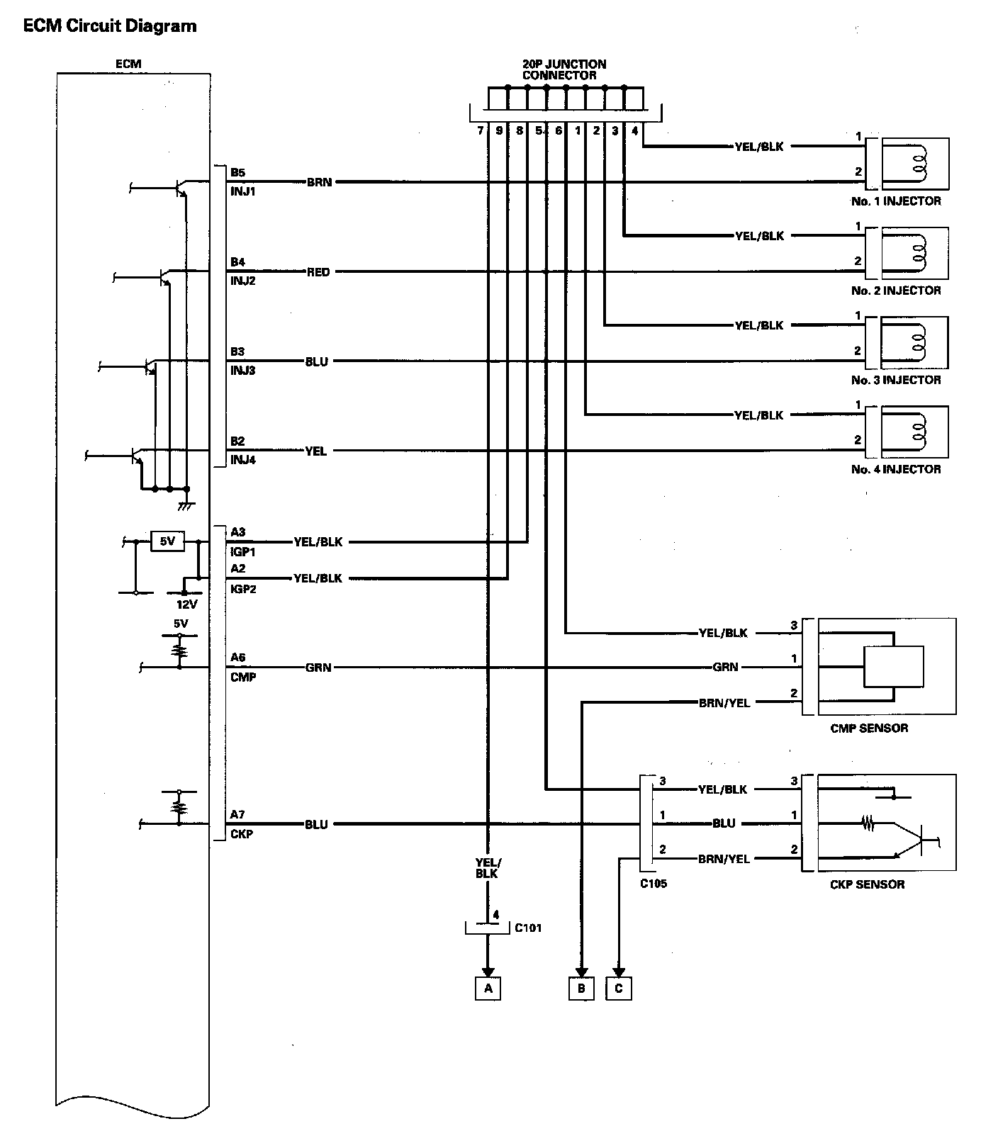
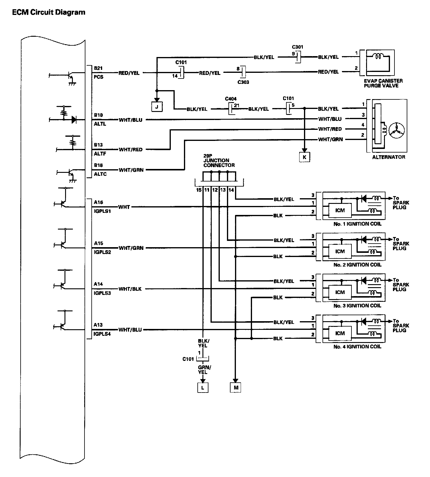
ECM Circuit Diagram 11-246:



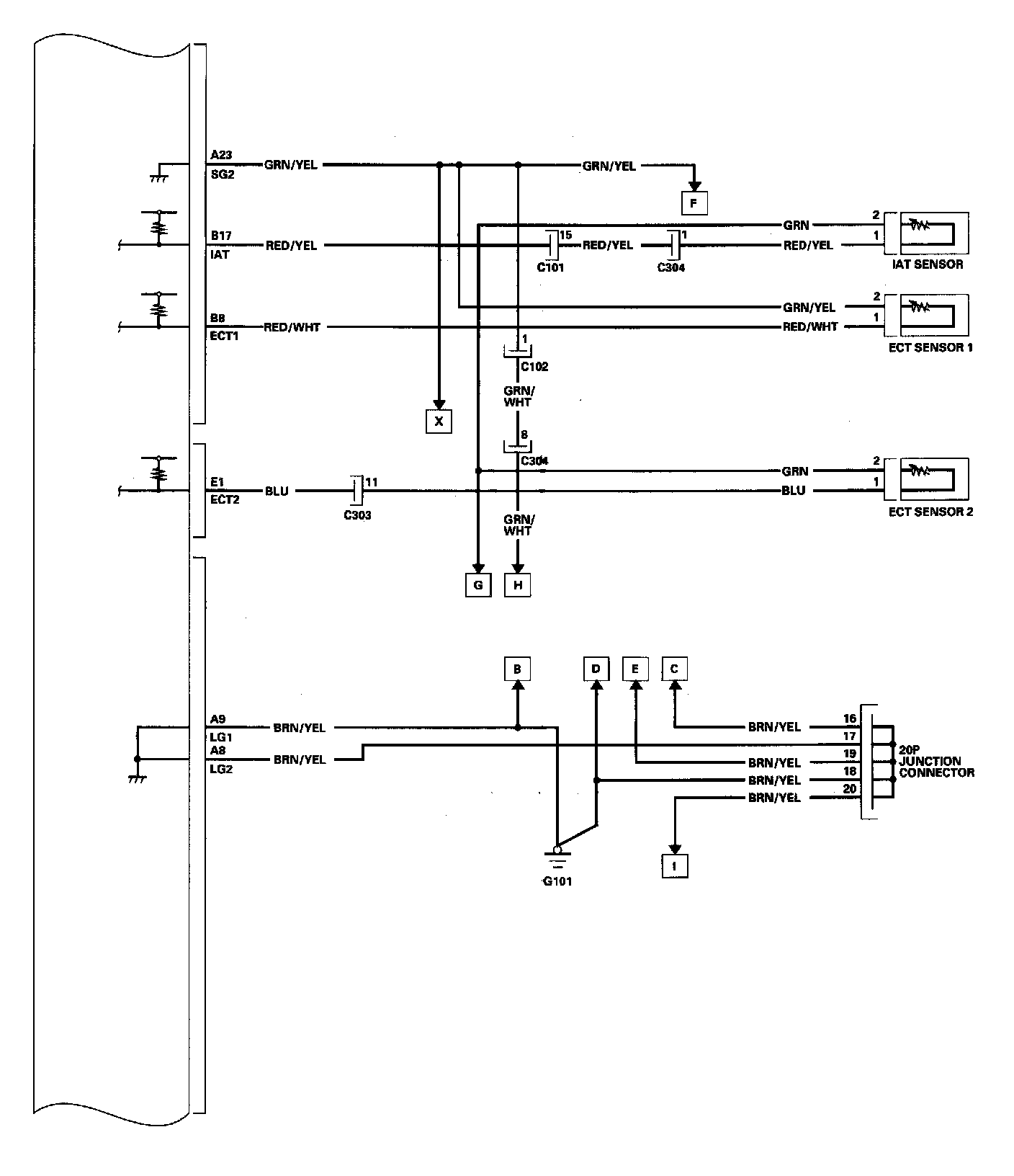
ECM Circuit Diagram 11-247:



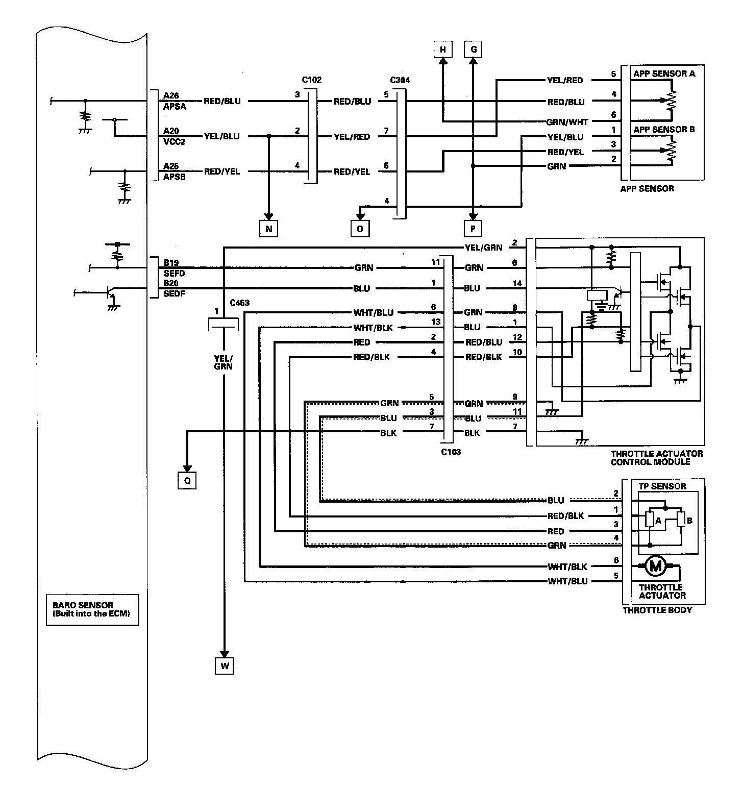
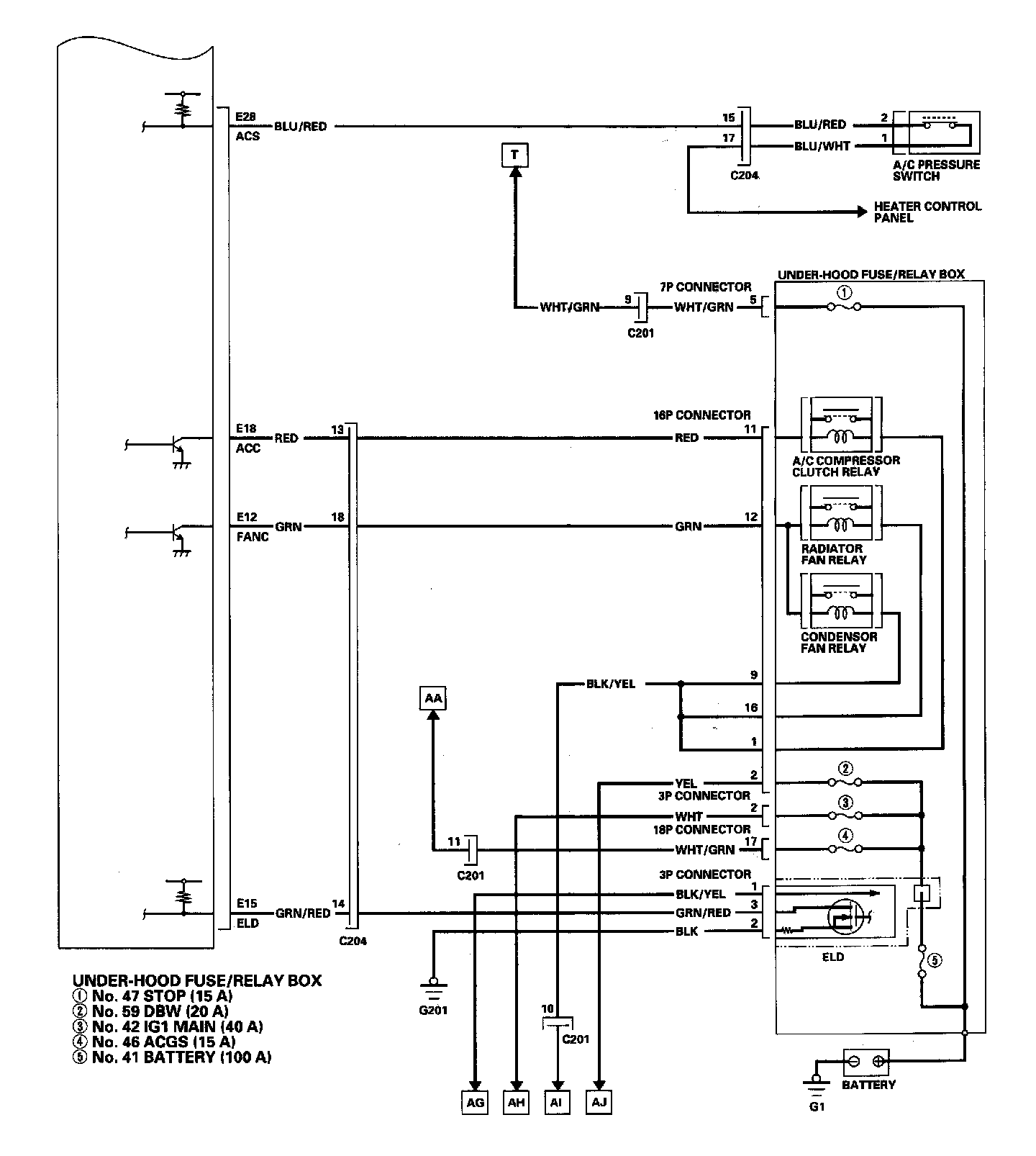
ECM Circuit Diagram 11-248:



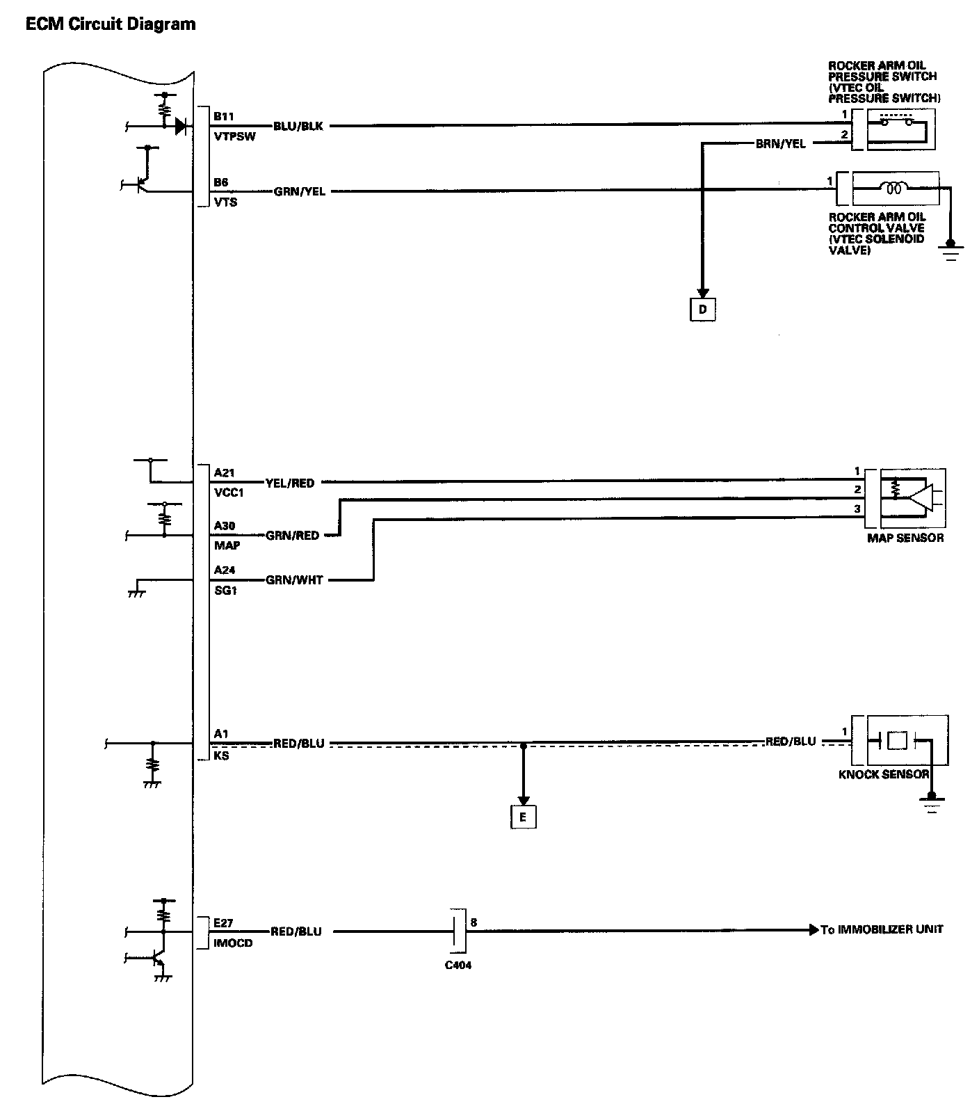
ECM Circuit Diagram 11-249:



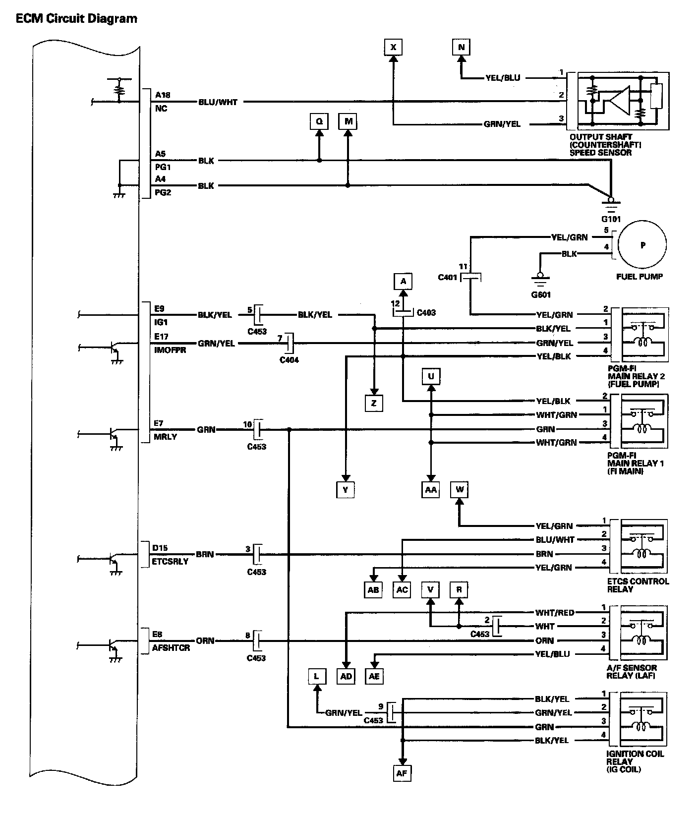
ECM Circuit Diagram 11-250:



ECM Circuit Diagram 11-251:



ECM Circuit Diagram 11-252:



ECM Circuit Diagram 11-253:



ECM Circuit Diagram 11-254: