LEMON Manuals: Even more car manuals for everyone: 1960-2025
Home >> Honda >> 2006 >> S2000 L4-2.2L >> Repair and Diagnosis >> Powertrain Management >> Computers and Control Systems >> Relays and Modules - Computers and Control Systems >> Engine Control Module >> Testing and Inspection >> Programming and Relearning >> Updating the ECM
April 5, 2026: LEMON Manuals is launched! Read the announcement.

Updating the ECM

Updating the ECM

Special Tools Required
Honda Diagnostic System (HDS)TDSGDS2200* or HDS Pocket TesterTDSS3557011401 *

- Available through the Honda Tool and Equipment Program 888-424-6857.

NOTE:
- Make sure the HDS is loaded with the latest software version.
- Before you update an ECM, make sure the battery in the vehicle is fully charged.
- Never turn the ignition switch OFF during the update. If there is a problem with the update, leave the ignition switch ON.
- To prevent ECM damage, do not operate anything electrical (audio system, brakes, A/C, power windows, door locks, etc.) during the update.
- To ensure the latest program is installed, do an ECM update whenever the ECM is substituted or replaced.
- You cannot update an ECM with the program it already has. It will only accept a new program.

1. Turn the ignition switch ON (II), but do not start the engine.




2. Connect the HDS to the data link connector (DLC) (A) located behind the driver's side of the front console.
3. Make sure the HDS communicates with the ECM. If it doesn't, go to DLC circuit troubleshooting.
4. Select the PGM-FI system with the HDS.
5. Select the INSPECTION MENU.
6. Select the ETCS TEST, then select TP POSITION CHECK, and follow the screen prompts.

NOTE: If the TP POSITION CHECK indicates FAILED, continue with this procedure.

7. Exit the HDS diagnostic system, then select the update mode and follow the screen prompts to update the ECM.
8. If the software in the ECM is the latest, disconnect the HDS from the DLC, and go back to the procedure that you were doing. If the software in the ECM is not the latest, follow the instructions on the screen.

NOTE: If you run into a problem (programming takes over 15 minutes, status bar goes over 100%, or immobilizer light flashes, HDS tablet freezes, etc.) during the update procedure, follow these steps to minimize the chance of damaging the ECM.
- Leave the ignition switch in the "ON" (II) position.
- Connect a jumper battery (do not connect a battery charger).
- Shutdown the HDS.
- Disconnect the HDS from the DLC.
- Reboot the HDS.
- Reconnect the HDS to the DLC, and try the update procedure again.

9. If the TP POSITION CHECK failed in step 6, clean the throttle body.
10. Do the ECM idle learn procedure.
11. Do the CKP pattern clear/CKP pattern learn procedure.

Substituting the ECM

NOTE: Use this procedure when substituting a known-good ECM during troubleshooting procedures.




1. Connect the HDS to the data link connector (DLC) (A) located behind the driver's side of the front console.
2. Turn the ignition switch ON (II).
3. Make sure the HDS communicates with the ECM. If it doesn't go to the DLC circuit troubleshooting.
4. Select the PGM-FI system with the HDS.
5. Select the INSPECTION MENU.
6. Select the ETCS TEST, then select TP POSITION CHECK, and follow the screen prompts.

NOTE: If the TP POSITION CHECK indicates FAILED, continue with this procedure.

7. Turn the ignition switch OFF.
8. Jump the SCS line with the HDS.
9. Remove the left side kick panel.




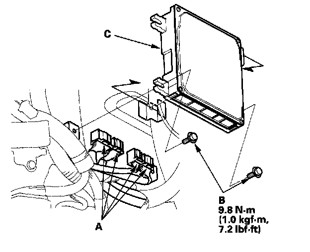
10. Disconnect ECM connectors (A).
11. Remove the bolts (B), then remove the ECM (C).
12. Install the known-good ECM in the reverse order of removal.
13. Open the SCS line with the HDS.
14. Turn the ignition switch ON (II).
15. Manually input the VIN to the ECM with the HDS.
16. Select the IMMOBILE system.
17. Enter the immobilizer code in the ECM replacement procedure; it allows the engine to start.
18. Select the PGM-FI system.
19. Reset the ECM with the HDS.
20. Update the ECM if it does not have the latest software.
21. If the TP POSITION CHECK failed in step 6, clean the throttle body.
22. Do the ECM idle learn procedure.
23. Do the CKP pattern clear/CKP pattern learn procedure.