LEMON Manuals: Even more car manuals for everyone: 1960-2025
Home >> Honda >> 2007 >> Accord L4-2.4L >> Repair and Diagnosis >> Body and Frame >> Frame >> Specifications
April 5, 2026: LEMON Manuals is launched! Read the announcement.

Frame: Specifications

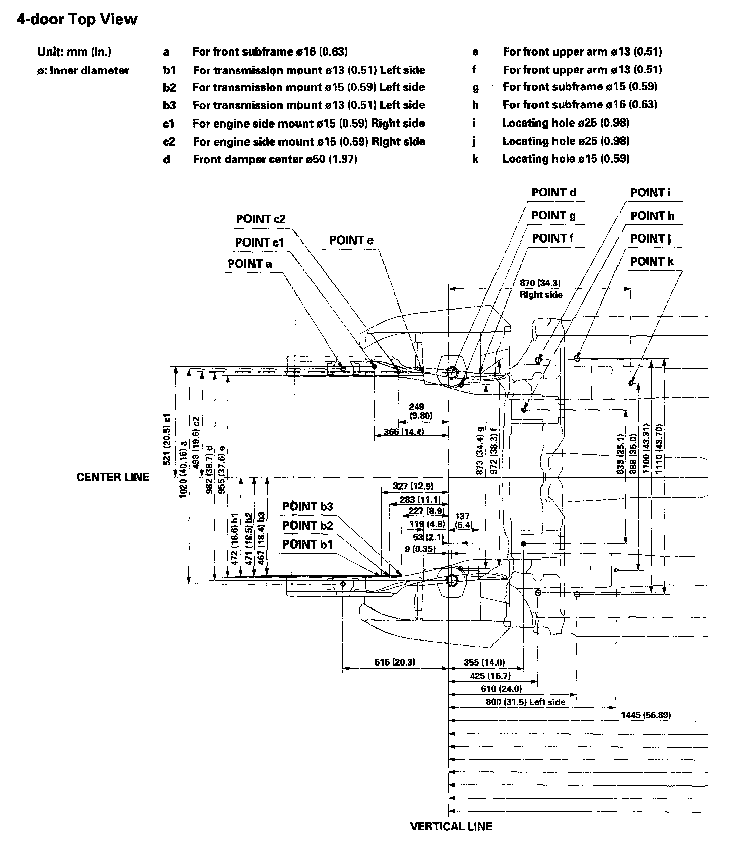
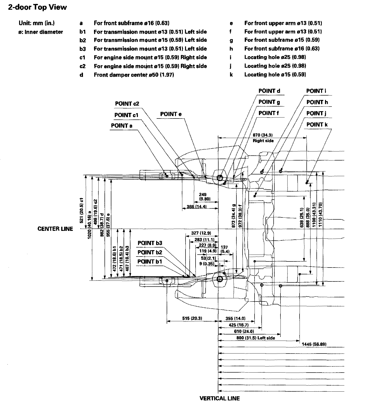
Frame Repair Chart Part 1:



Frame Repair Chart Part 2:



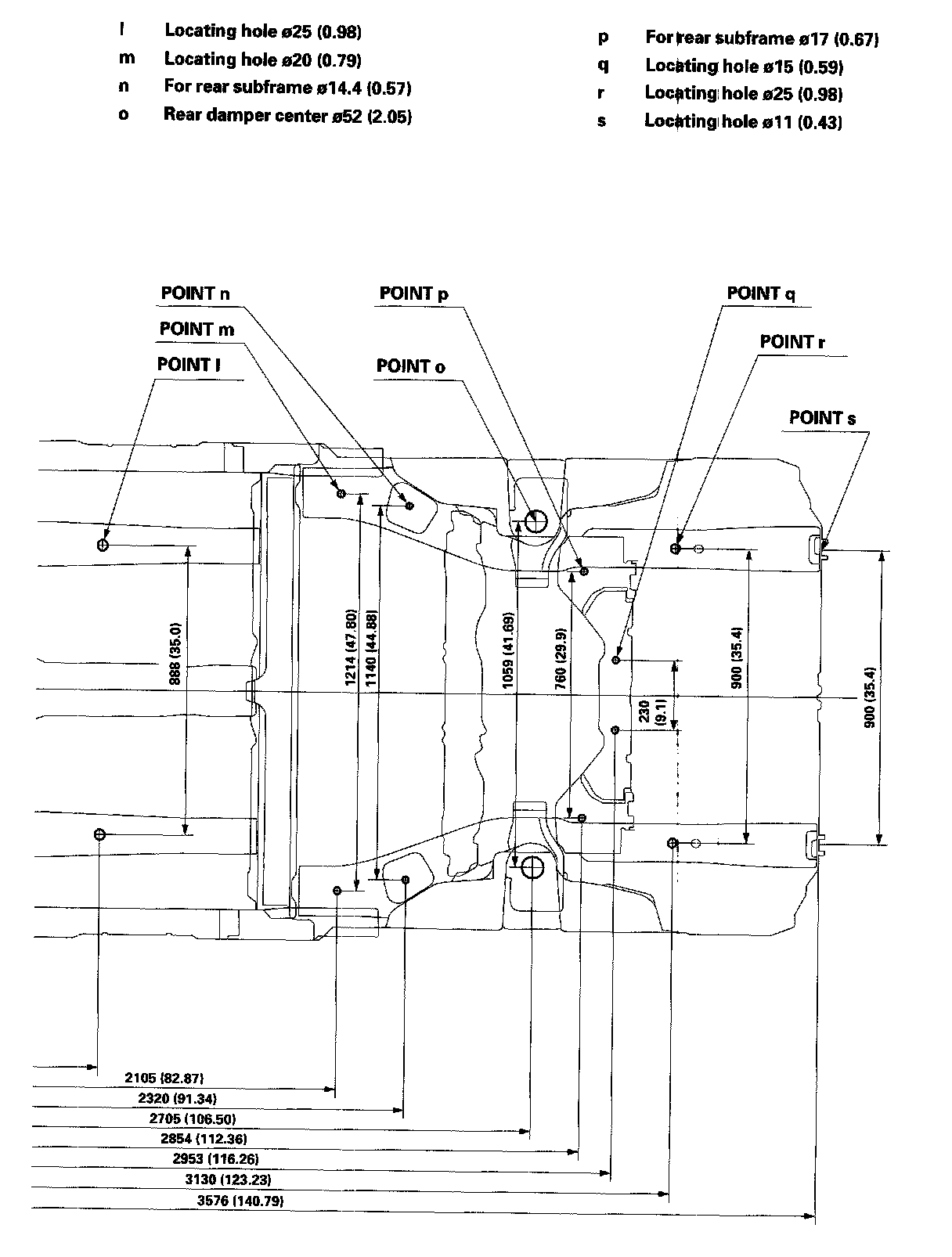
Frame Repair Chart Part 3:



Frame Repair Chart Part 4:



Frame Repair Chart Part 5:



Frame Repair Chart Part 6: