LEMON Manuals: Even more car manuals for everyone: 1960-2025
Home >> Honda >> 2007 >> Accord L4-2.4L >> Repair and Diagnosis >> Diagrams >> Electrical Diagrams >> Transmission Control Systems >> Circuit Diagrams >> PCM A/T Control System
April 5, 2026: LEMON Manuals is launched! Read the announcement.

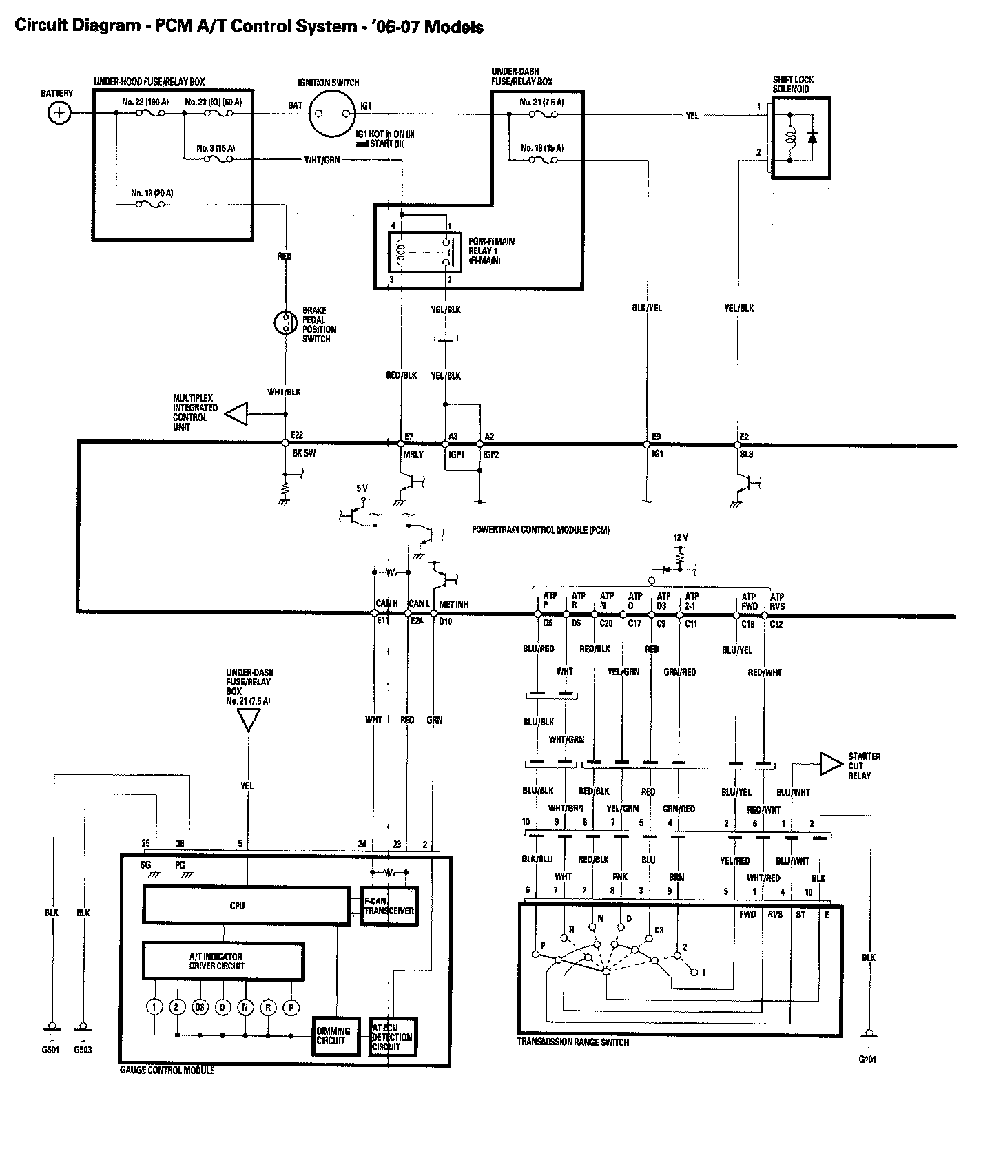
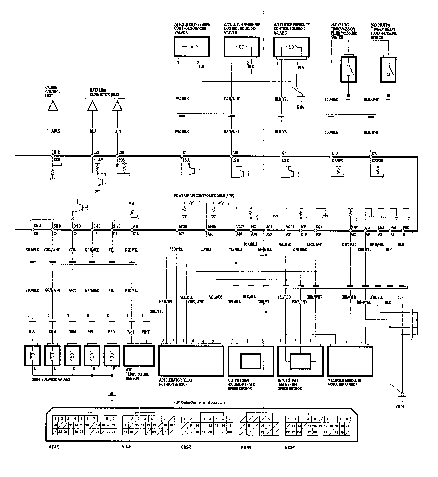
PCM A/T Control System

Circuit Diagram - PCM Control System - '06-07 Models:



Circuit Diagram - PCM Control System - '06-07 Models: