LEMON Manuals: Even more car manuals for everyone: 1960-2025
Home >> Honda >> 2007 >> CR-V 2WD L4-2.4L >> Repair and Diagnosis >> Diagrams >> Connector Views >> Navigation System >> System Diagram
April 5, 2026: LEMON Manuals is launched! Read the announcement.

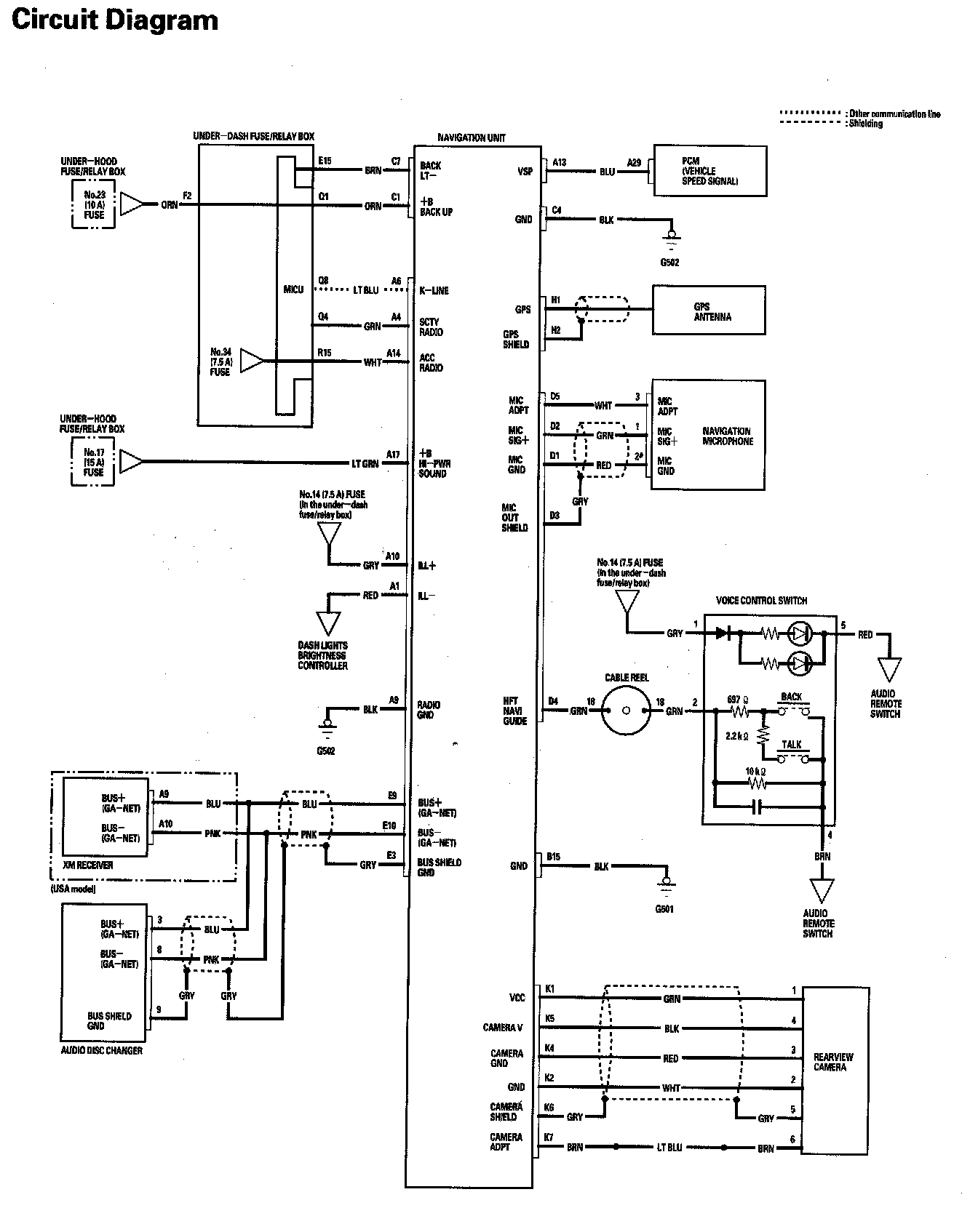
System Diagram

Navigation Unit Inputs And Outputs For Connector A (17P):



Navigation Unit Inputs And Outputs For Connector C (21P):



Navigation Unit Inputs And Outputs For Connector D (5P):



Navigation Unit Inputs And Outputs For Connector H (2P):



Navigation Unit Inputs And Outputs For Connector K (7P):



Rearview Camera Inputs And Outputs For 6P Connector:



Navigation System Connector Location:



Navigation System Circuit Diagram: