LEMON Manuals: Even more car manuals for everyone: 1960-2025
Home >> Honda >> 2007 >> CR-V EX, 2.4 RE3 >> Repair and Diagnosis >> Engine Performance >> System >> PGM-FI System >> Injector Replacement
April 5, 2026: LEMON Manuals is launched! Read the announcement.

Injector Replacement

  1. Relieve fuel pressure (see FUEL PRESSURE RELIEVING ).
  2. Remove the engine cover.
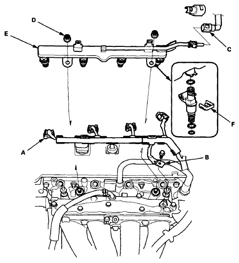
  3. Disconnect the connectors (A) from the injectors.
    Fig 1: Identifying Quick-Connect Fitting, Fuel Rail Mounting Nuts And Injector Clips
    G06609913Courtesy of AMERICAN HONDA MOTOR CO., INC.
  4. Remove the ground cable bolt (G101) (see STARTER SUBHARNESS ('07-09 MODELS) ) (B).
  5. Disconnect the quick-connect fitting (C).
  6. Remove the fuel rail mounting nuts (D) from the fuel rail (E).
  7. Remove the injector clips (F) from the injectors.
  8. Remove the injectors from the fuel rail.
  9. Coat the new O-rings (A) with clean engine oil, and insert the injectors (B) into the fuel rail (C).
    Fig 2: Identifying Injector Clips, O-Ring And Fuel Rail Mounting Nuts
    G06609914Courtesy of AMERICAN HONDA MOTOR CO., INC.
  10. Install the injector clips (D).
  11. Coat the injector 0-rings (E) with clean engine oil.
  12. Install the fuel rail and the injectors in the injector base (F).
  13. Install the fuel rail mounting nuts (G) and the ground cable bolt (G101) (see STARTER SUBHARNESS ('07-09 MODELS) ).
  14. Connect the injector connectors.
  15. Connect the quick-connect fitting.
  16. Turn the ignition switch to ON (II), but do not operate the starter. After the fuel pump runs for about 2 seconds, the fuel rail is pressurized. Repeat this two or three times, then check for fuel leakage.
  17. Reinstall the engine cover.