LEMON Manuals: Even more car manuals for everyone: 1960-2025
Home >> Honda >> 2007 >> Civic L4-1.3L Hybrid >> Repair and Diagnosis >> Diagrams >> Electrical Diagrams >> Powertrain Management >> System Diagram >> Control Module Circuit Diagrams >> Control Module Circuit Diagrams / ECM/PCM Circuit Diagrams
April 5, 2026: LEMON Manuals is launched! Read the announcement.

Control Module Circuit Diagrams / ECM/PCM Circuit Diagrams

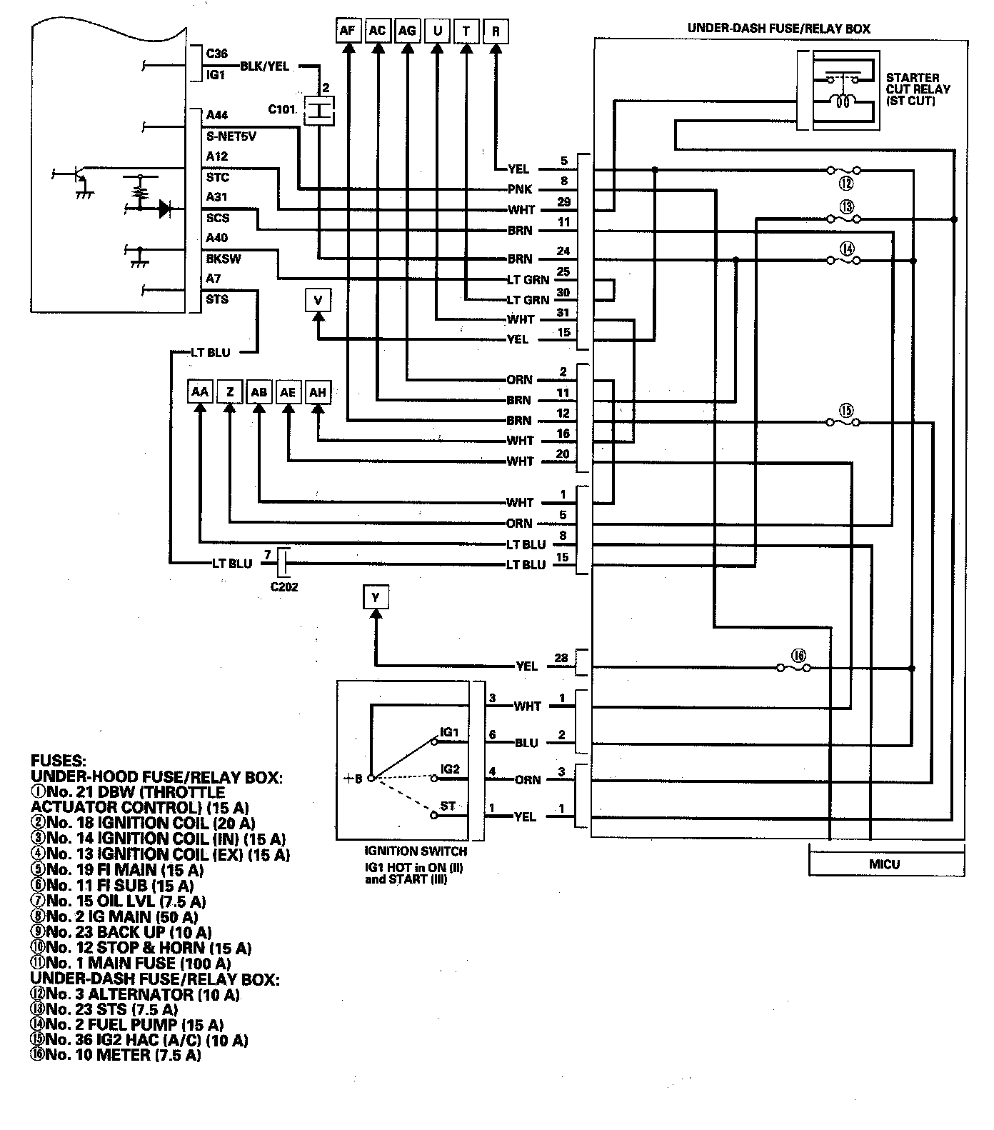
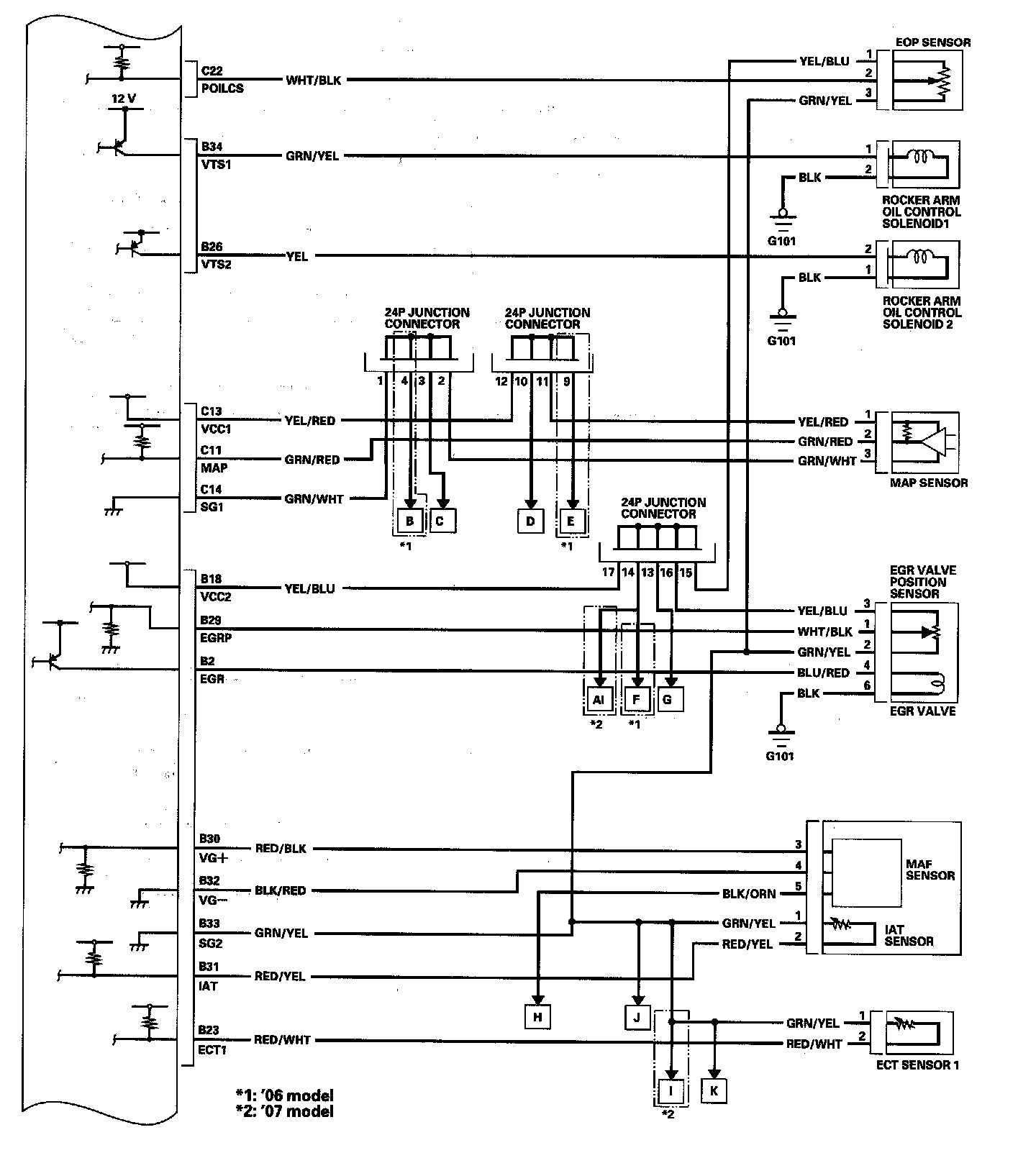
PCM Circuit Diagram Part 1:



PCM Circuit Diagram Part 2:



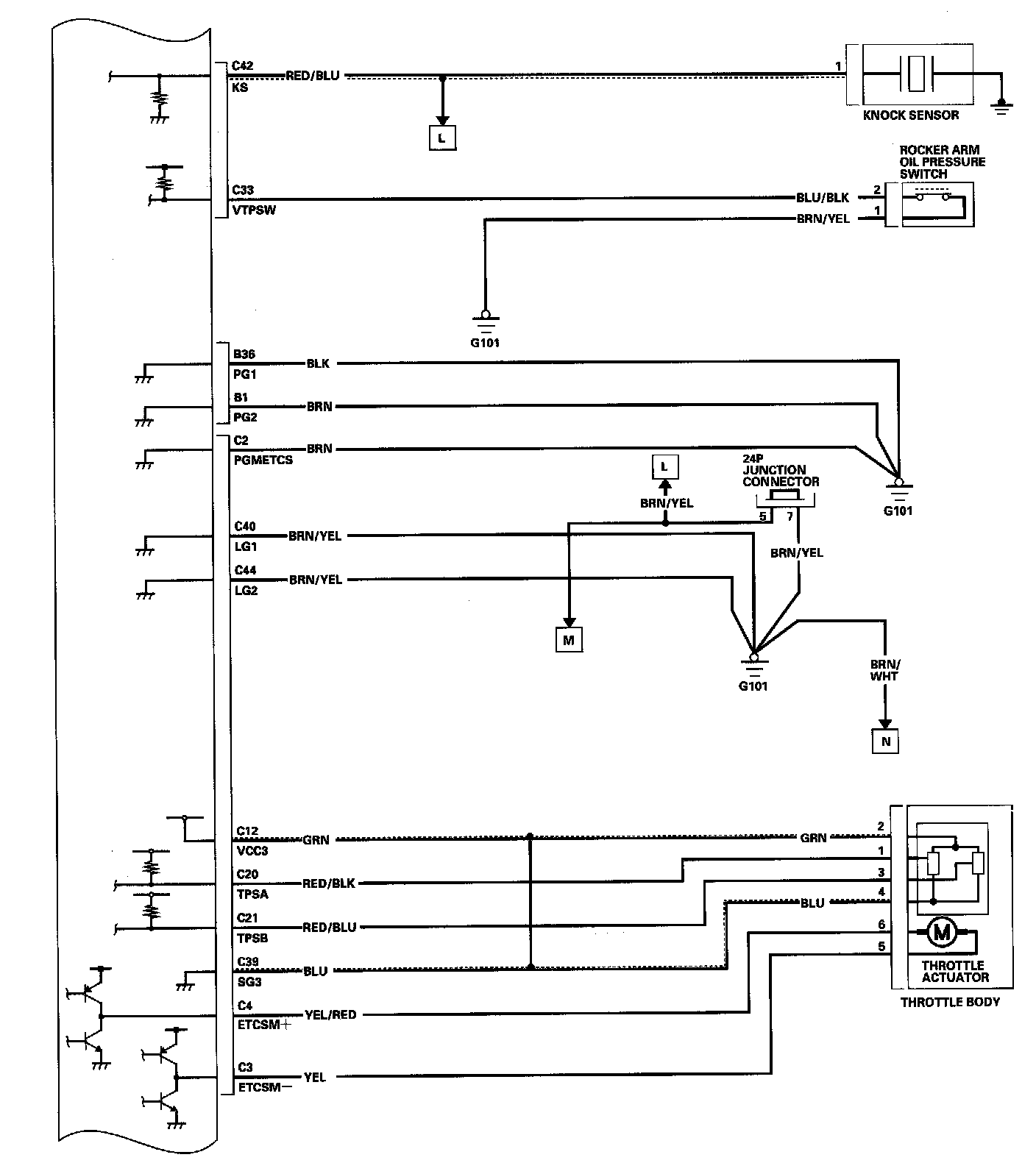
PCM Circuit Diagram Part 3:



PCM Circuit Diagram Part 4:



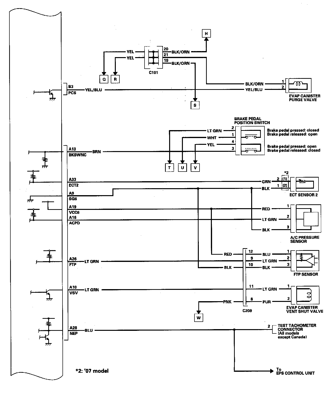
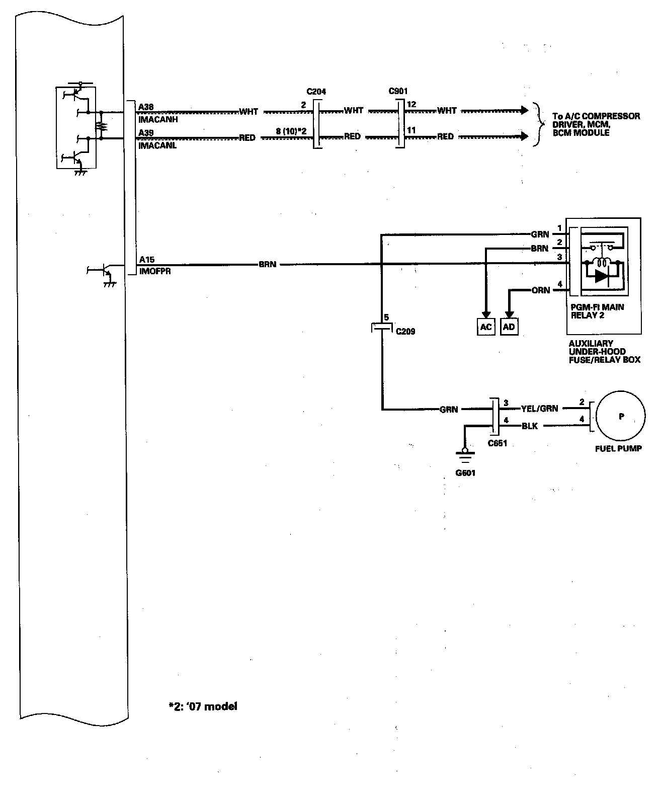
PCM Circuit Diagram Part 5:



PCM Circuit Diagram Part 6:



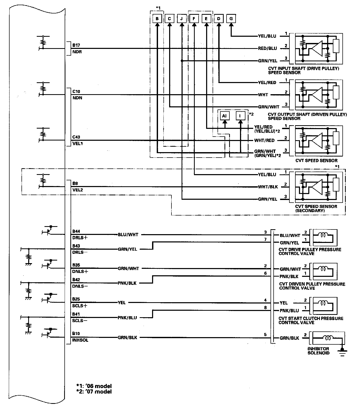
PCM Circuit Diagram Part 7:



PCM Circuit Diagram Part 8:



PCM Circuit Diagram Part 9:



PCM Circuit Diagram Part 10:



PCM Circuit Diagram Part 11:



PCM Circuit Diagram Part 12: