LEMON Manuals: Even more car manuals for everyone: 1960-2025
Home >> Honda >> 2007 >> Civic L4-1.8L >> Repair and Diagnosis >> Diagrams >> Electrical Diagrams >> Powertrain Management >> System Diagram >> Control Module Circuit Diagrams >> ECM/PCM Electrical Connections
April 5, 2026: LEMON Manuals is launched! Read the announcement.

ECM/PCM Electrical Connections

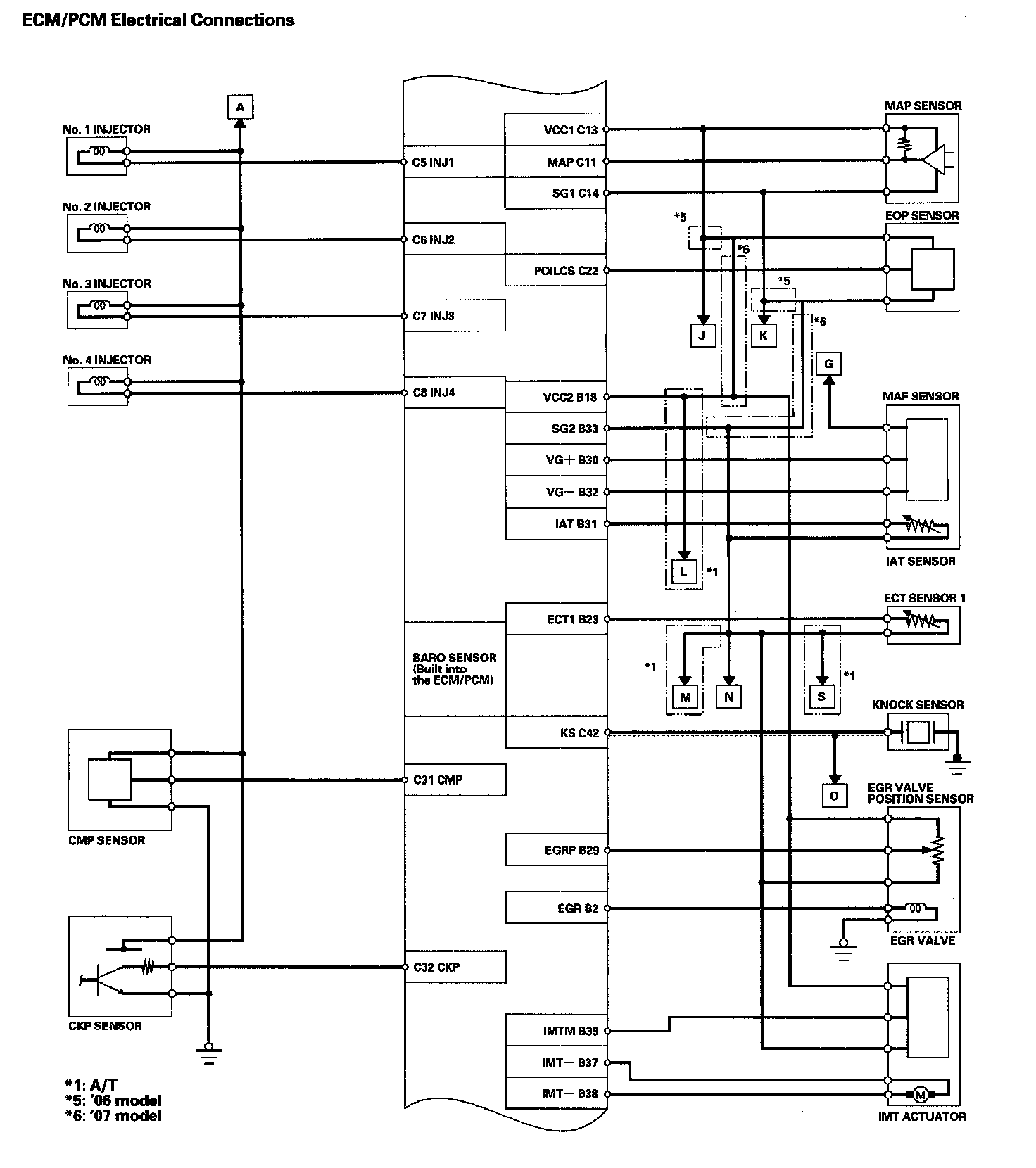
ECM/PCM Electrical Connections (Part 1):



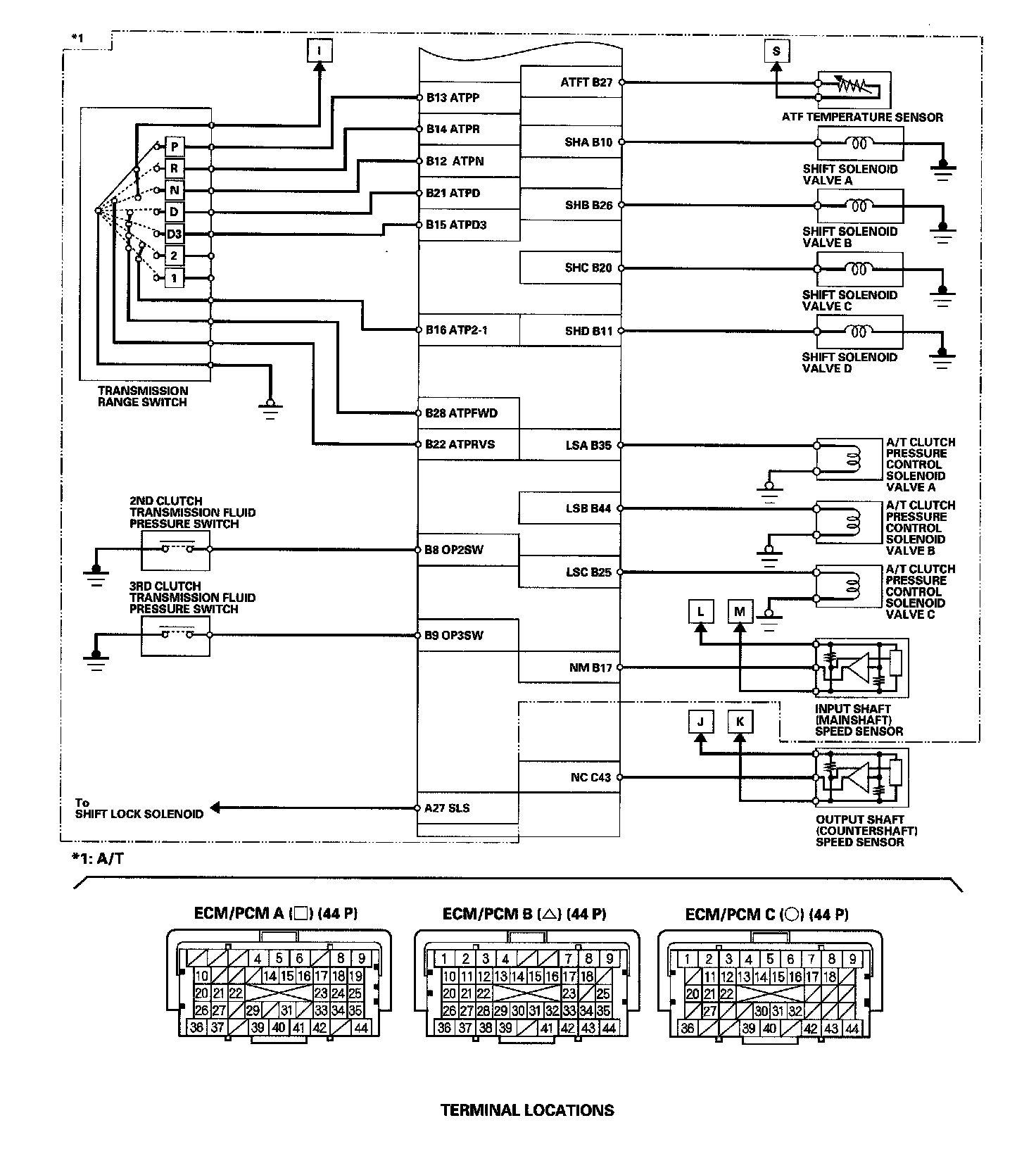
ECM/PCM Electrical Connections (Part 2):



ECM/PCM Electrical Connections (Part 3):



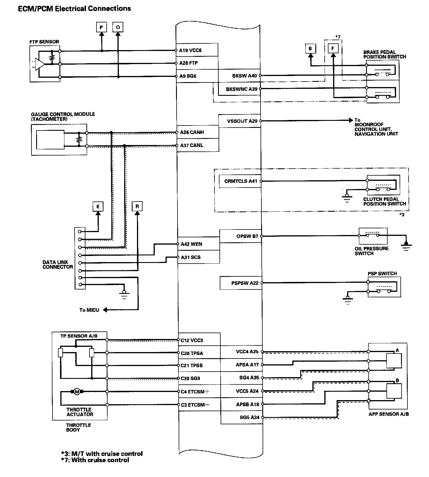
ECM/PCM Electrical Connections (Part 4):



ECM/PCM Electrical Connections (Part 5):