LEMON Manuals: Even more car manuals for everyone: 1960-2025
Home >> Honda >> 2007 >> Civic L4-1.8L >> Repair and Diagnosis >> Powertrain Management >> Diagrams >> Electrical Diagrams >> Control Module Circuit Diagrams >> ECM/PCM Circuit Diagrams
April 5, 2026: LEMON Manuals is launched! Read the announcement.

ECM/PCM Circuit Diagrams

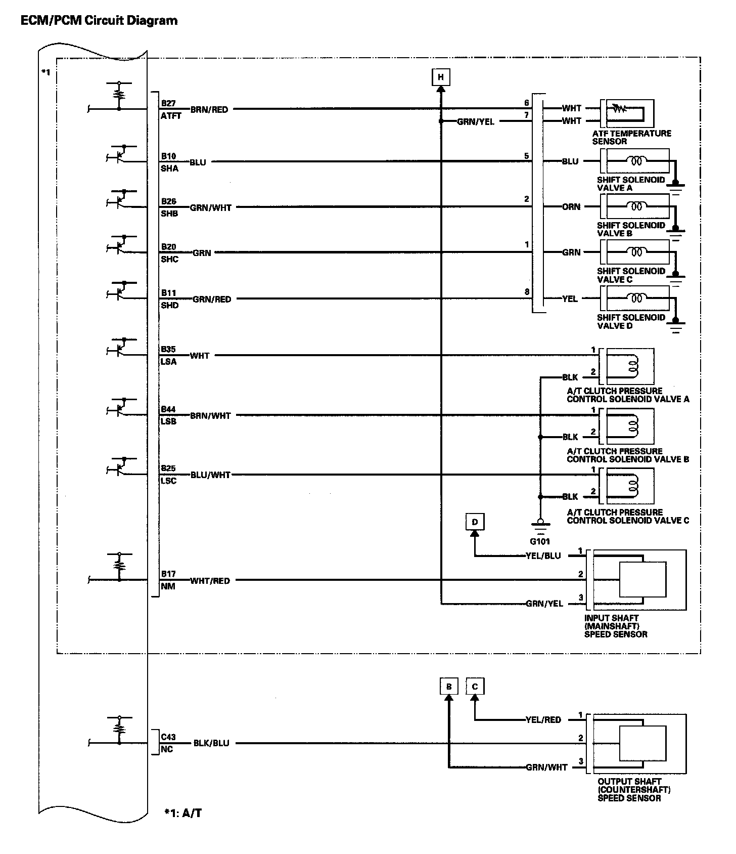
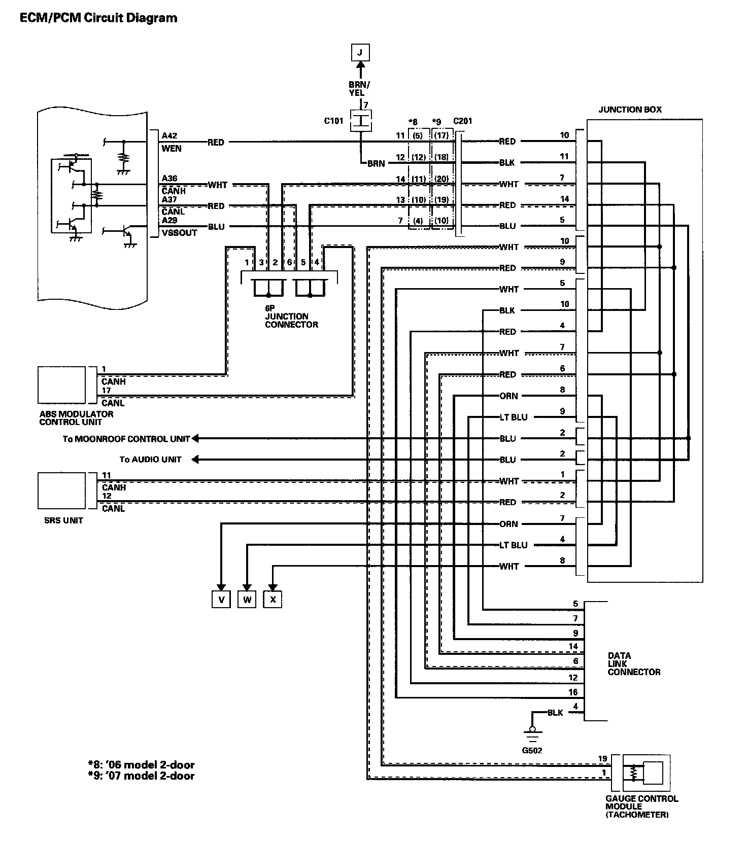
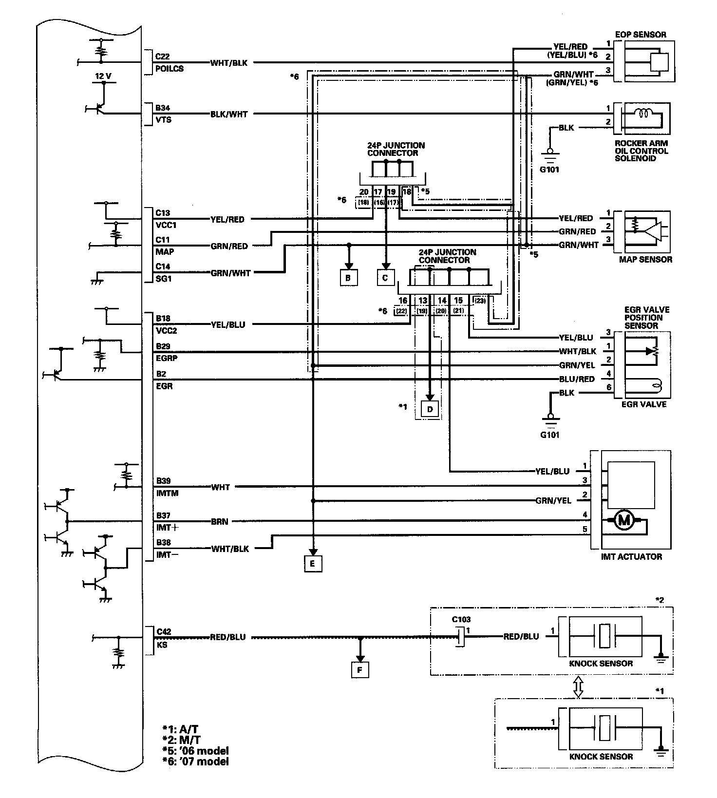
ECM/PCM Circuit Diagram (Part 1):



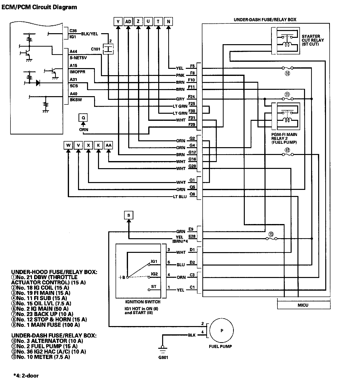
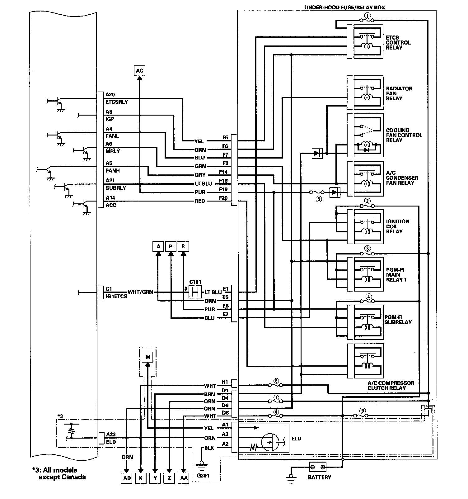
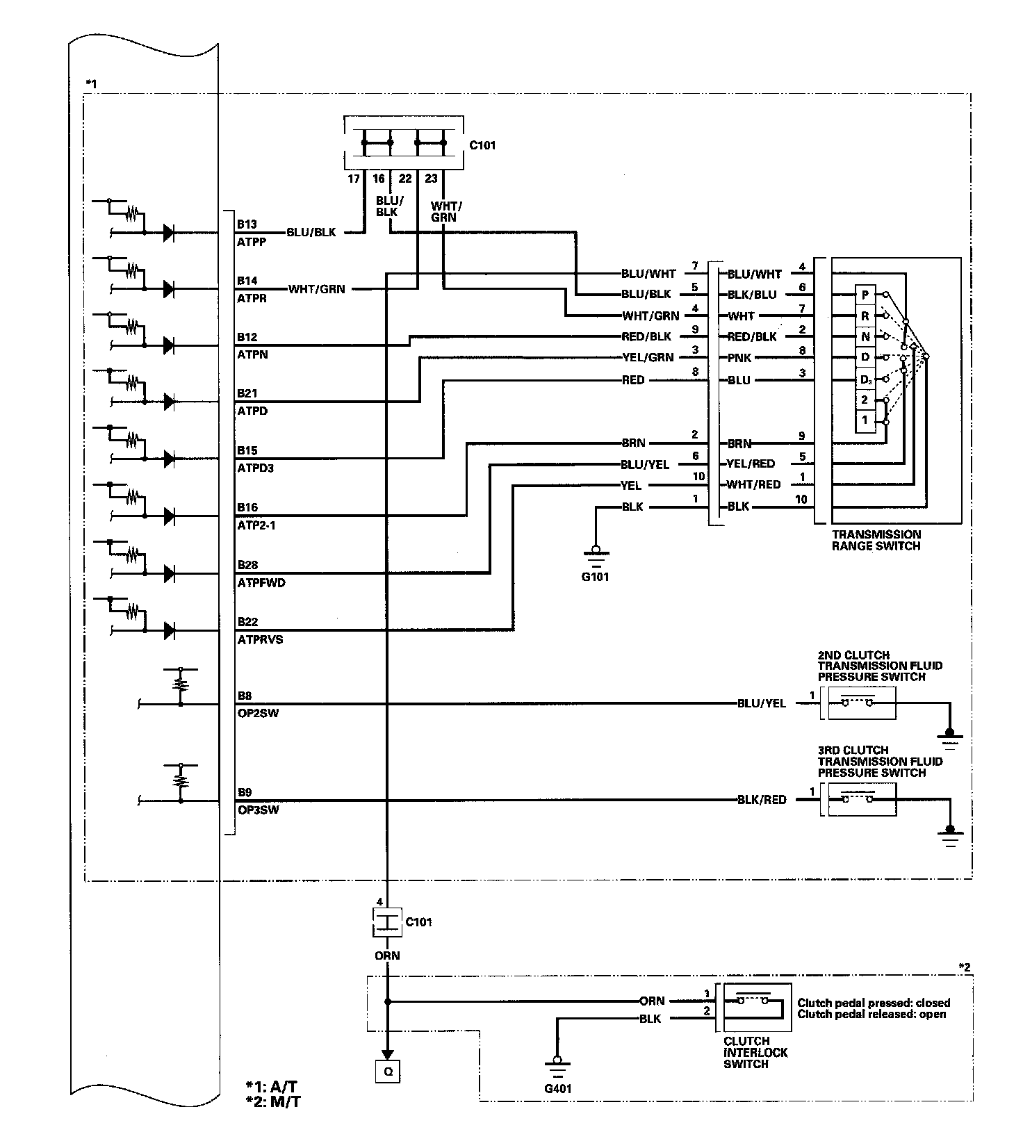
ECM/PCM Circuit Diagram (Part 2):



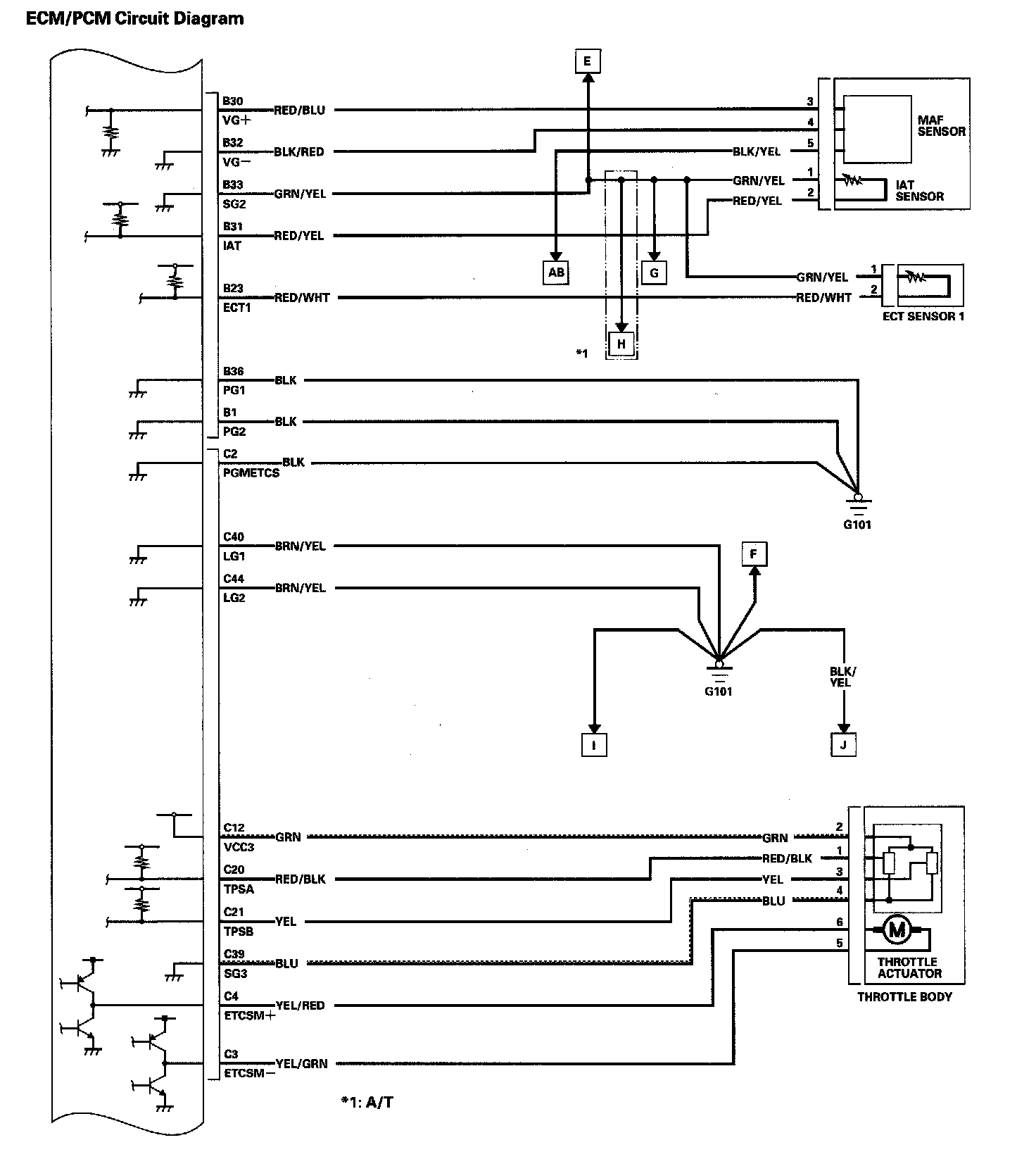
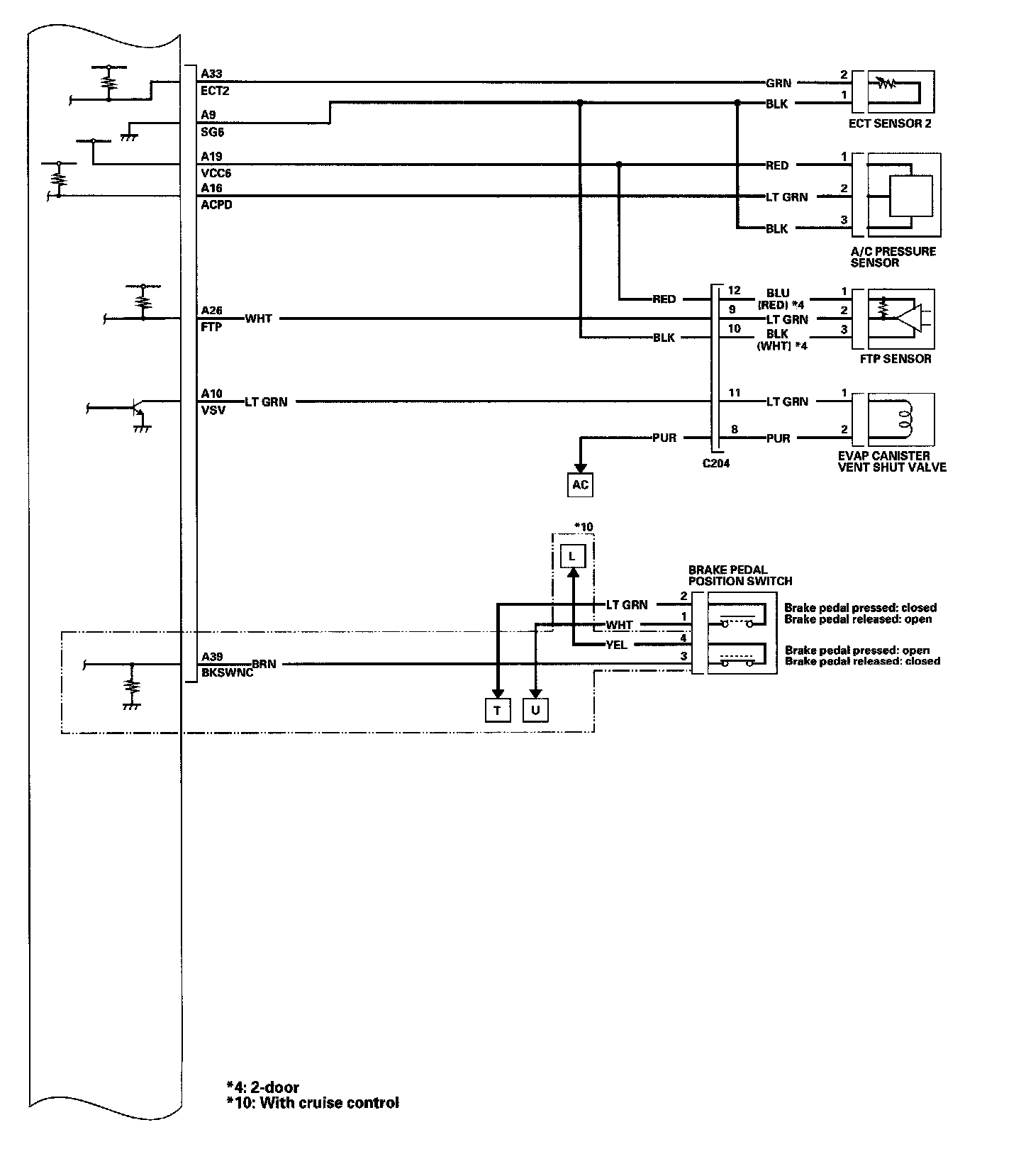
ECM/PCM Circuit Diagram (Part 3):



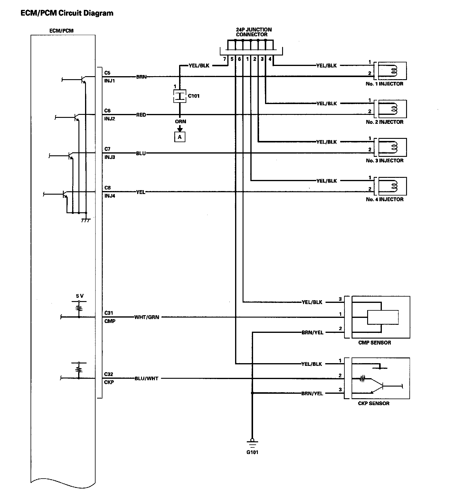
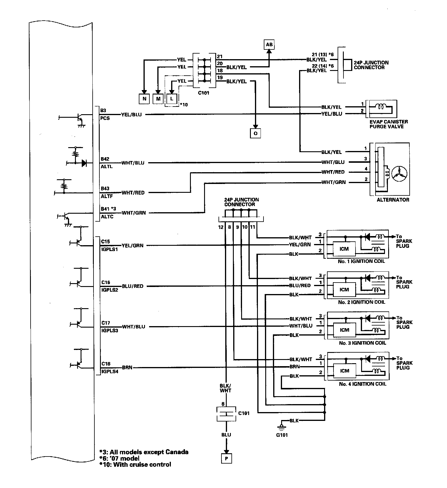
ECM/PCM Circuit Diagram (Part 4):



ECM/PCM Circuit Diagram (Part 5):



ECM/PCM Circuit Diagram (Part 6):



ECM/PCM Circuit Diagram (Part 7):



ECM/PCM Circuit Diagram (Part 8):



ECM/PCM Circuit Diagram (Part 9):



ECM/PCM Circuit Diagram (Part 10):



ECM/PCM Circuit Diagram (Part 11):