LEMON Manuals: Even more car manuals for everyone: 1960-2025
Home >> Honda >> 2007 >> Civic Si L4-2.0L >> Repair and Diagnosis >> Diagrams >> Electrical Diagrams >> Powertrain Management >> System Diagram >> Control Module Circuit Diagrams >> ECM/PCM Circuit Diagrams
April 5, 2026: LEMON Manuals is launched! Read the announcement.

ECM/PCM Circuit Diagrams

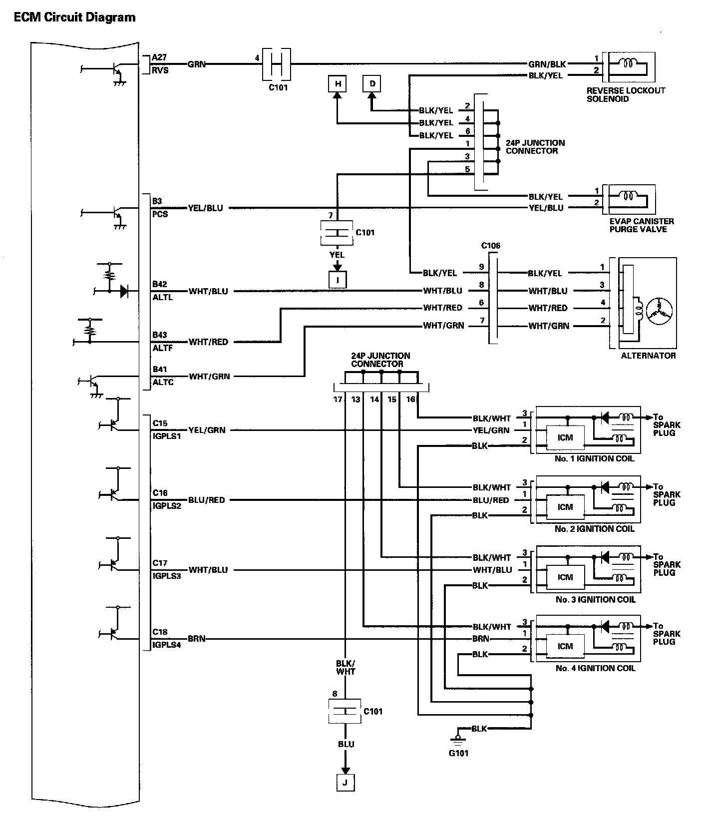
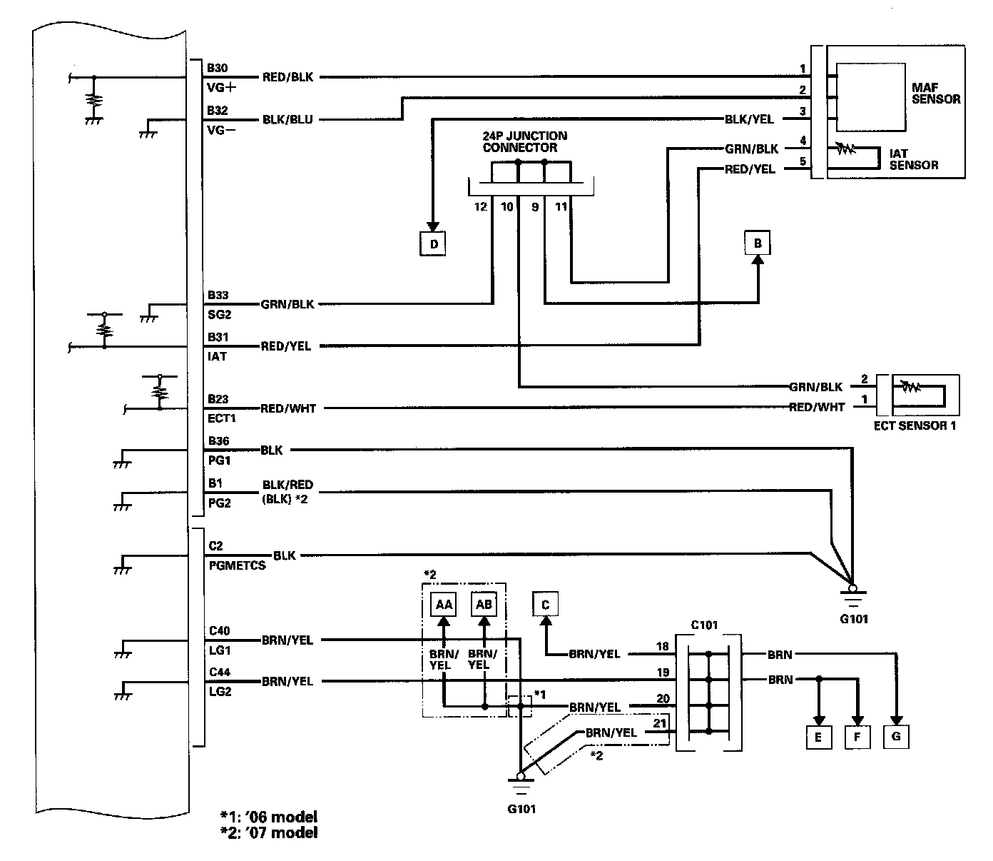
ECM Circuit Diagram (Part 1):



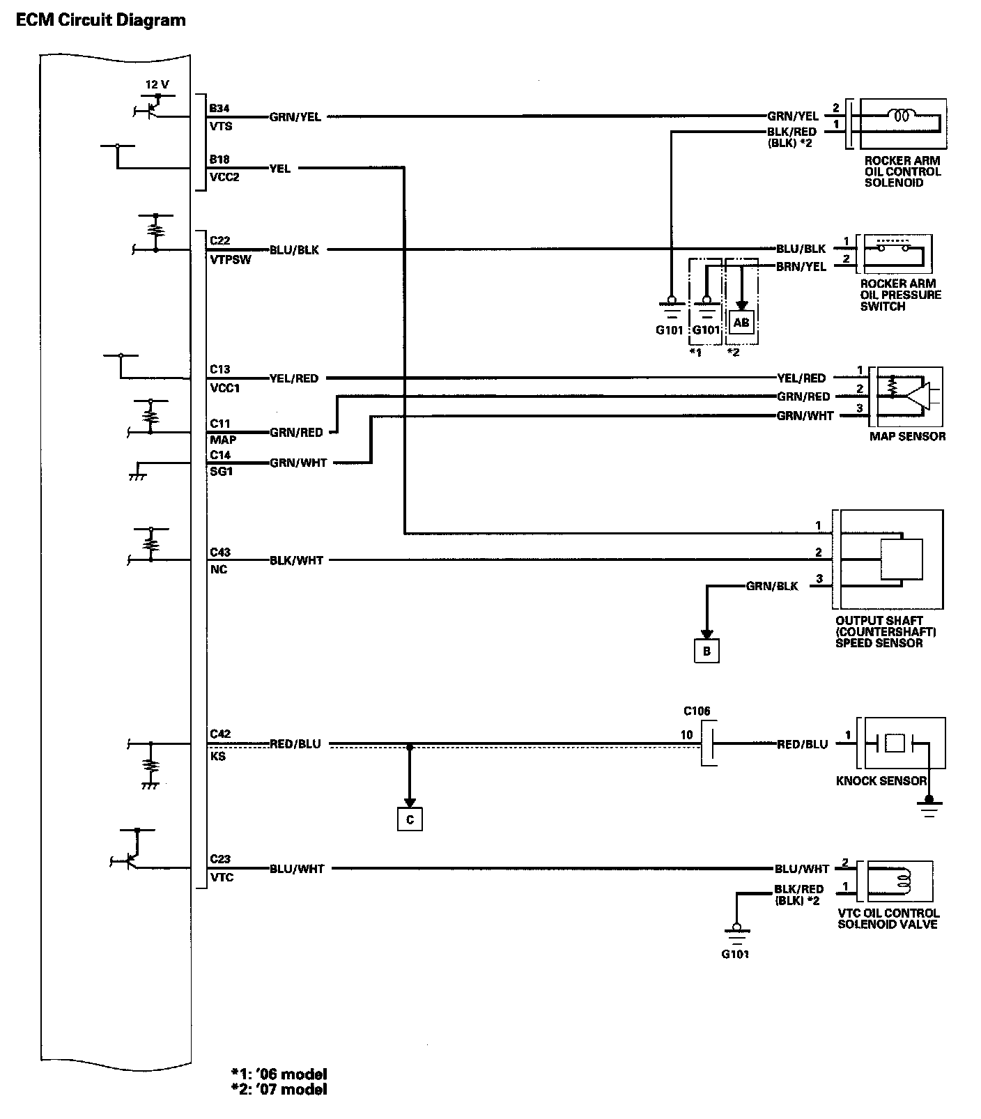
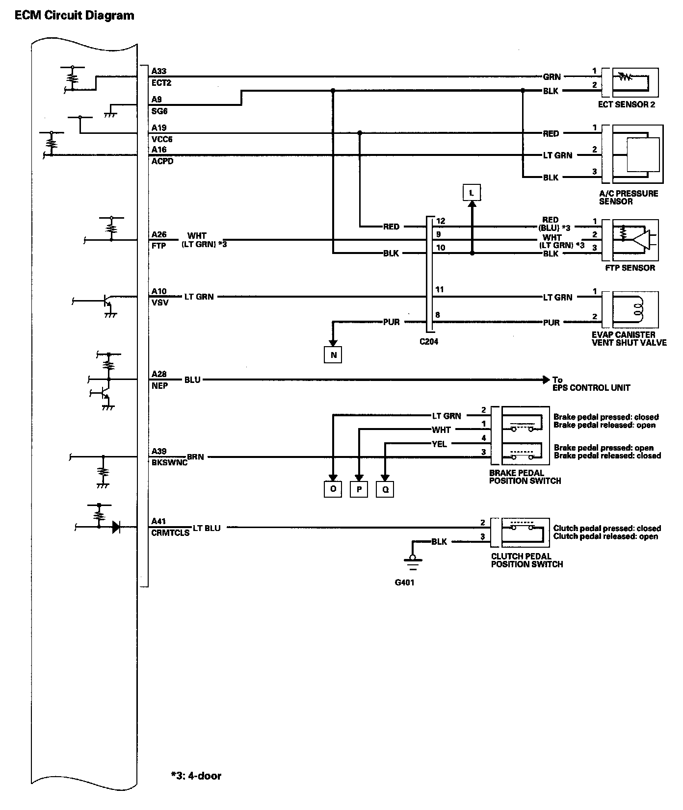
ECM Circuit Diagram (Part 2):



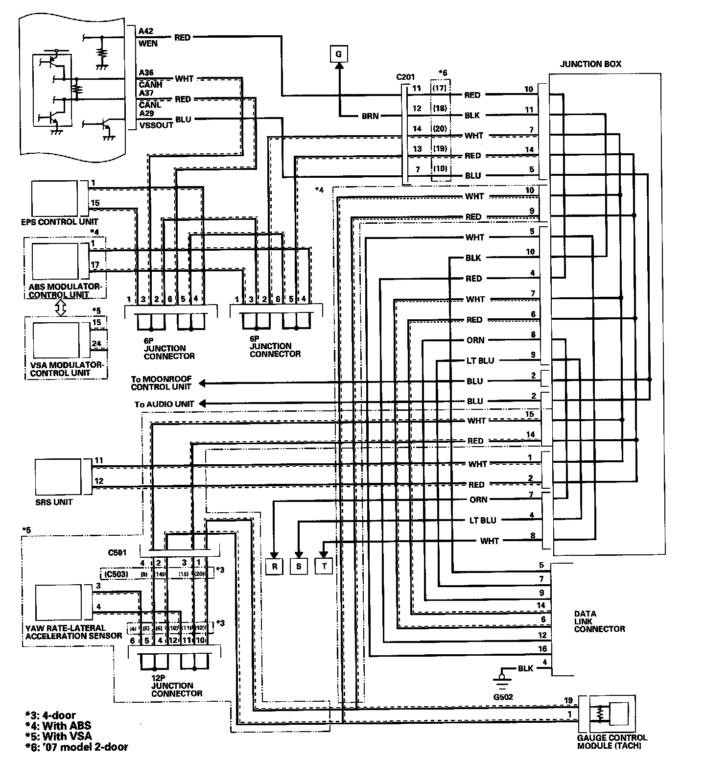
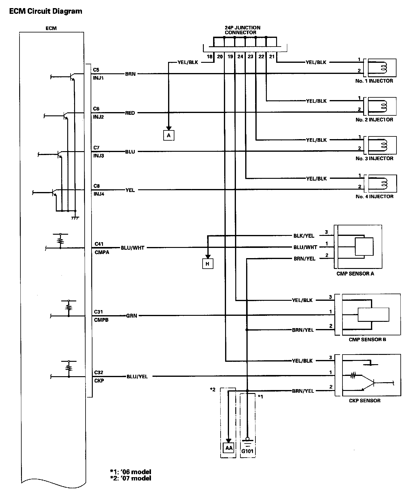
ECM Circuit Diagram (Part 3):



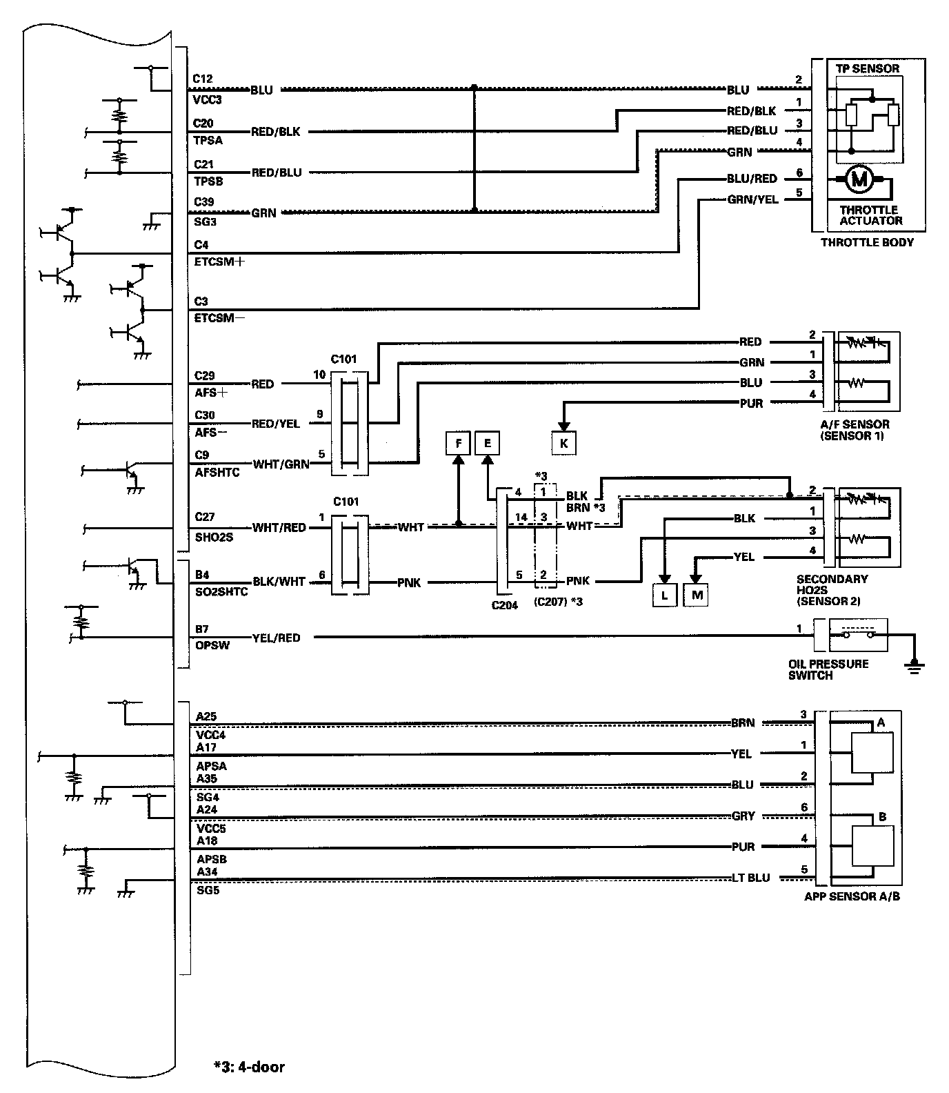
ECM Circuit Diagram (Part 4):



ECM Circuit Diagram (Part 5):



ECM Circuit Diagram (Part 6):



ECM Circuit Diagram (Part 7):



ECM Circuit Diagram (Part 8):



ECM Circuit Diagram (Part 9):